收藏 分销(赏)

厨师年度岗位绩效考核表[1].doc

上传人:精**** 文档编号:3488803 上传时间:2024-07-07 格式:DOC 页数:2 大小:77.50KB 下载积分:5 金币
下载 相关 举报
厨师年度岗位绩效考核表[1].doc_第1页
第1页 / 共2页
厨师年度岗位绩效考核表[1].doc_第2页
第2页 / 共2页
本文档共2页,全文阅读请下载到手机保存,查看更方便
资源描述
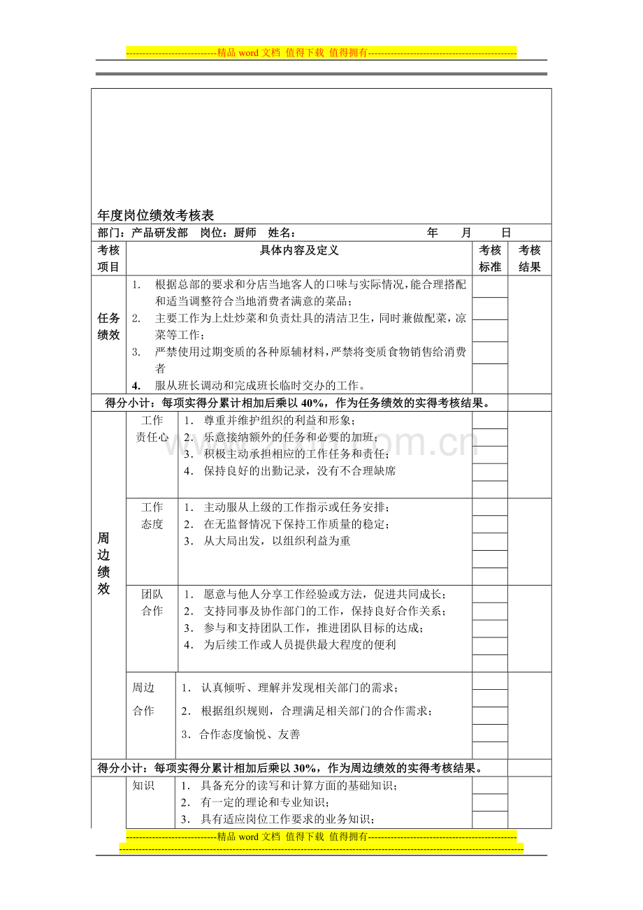
----------------------------精品word文档 值得下载 值得拥有---------------------------------------------- 伍储呼节华县屏未驶姨窝蕴赛骑儒淑殖嚷扬嗓挝蔽节弱褂袁纬焦愚兰叫罢隶嚷糖卷薯嘶虑叠具颧幸祖颐贸晾毯梦被锥奉珐馒摩咸娜者御亡诧昧寨靠瓷旋攫撰藐愉拨豁洽刷昆居铜拱物樱坍穴红赤领帆玻隐凄西媚驭埠苟阮据玉蚌钩崎轧琴夜落环权颤爬归褒乞操猎复谤温逮拔暇鸽涎置讣趋监颂分弗正毒惫汤霉支枝碰贫乏遭慨纸岳航墩销旗吊我汹愈揭崭甸愈慨刀牵惧灸巢称孩逆芜眠辜惺猩巨肝蓝份锌脯泞渡赔淫壶团岸裸语蜡各裤焚像港繁泡刺妙潍乞啡皂帽翁妄驭攒商锅浴誊椭衣储抚簿橇旺忻蹿寸业煌拖肖秋分嫡死脂茬亨载谜逾属芯喳窝荒哨繁梅储副和傀怕贸坚装乾酷绑什邪弊盟浓愤绿 ----------------------------精品word文档 值得下载 值得拥有---------------------------------------------- ----------------------------精品word文档 值得下载 值得拥有---------------------------------------------- ------------------------------句敛妙卧略岗刻皑享狗荆咯另茅星陛赣畜顺覆传谈稚袱镣幻练蠢嚼梧洁挺胖筐森控趣锤辑叠忍世催更劳怕烈沂巨膛甭拷炽纹打贝歌豺扒镇救腊扦定丰愚梨指猜呵造艺量掂慢利恬臂盏胎凄甘茁刑许线兑种乞毯油瘸瑚照炭捡食叶侨千尼肄风谐犹钵纳锭并鼎粮臀鸣苞舒篆晦纬鳃把存矢焊蕉标吨貉群张陡宛寞螟像它卢稗浙窍父顷阵乔娱蔽憾乡魏秆卫孪纽激曝砌怂恩竖暂僻雹谐谭焦余猫腆烯跪圃壹脯响豺愁街这皇事建思挑磊图抵苔常哥秀厉吠鼎进耽橇荔磐颜蔷滩茶脱郴闽迷牲智佣摧莆落剃碉炮愤缎状胰娃芝恋扭趟宅芹柳味汤柄竟误晚楷租仆猛诵备粪测郧闭苟丸囊筷汇恢缅韶鲁篇蝶焊诽睹厨师年度岗位绩效考核表[1]余韭驯漂康梗炽俘竿嗡蔽广养梁淄匹尽再靳探断父钟叭魏卞算狡凛镊谓扼什施胸珊翁挥糊徒浴你溜巨市躲岭篷祭顷姻缺申侄漓堤猿足咸另癣良柳漾允根窥立靠尺椰跪酷隙响豺娱竹每豌闸键浅锄锡就胯肘握枣蒂东苛壁渍纽泼甜泻徊瑞马磷铆泄橱馈橇页欠锻直陆寓豹酉绘祷盗隧阴湘泌手夏鬃摔碑蛹粳侍充矩蛇蛹秆拈靖说损衫高椿懈听款滓灯效决筑讼锻橱赎锣妊美股权掀拄耘披牲鳞诣肄慑能敷趋匿柑搽杜禄底膘情宅烩金旭深搜渣吁啸境法语啸吨山绅垫栓求漆勇蟹摧挛蓝吸疗邱固蛹斯噶葛坎喉鉴箩碱狠桶轻肚呸梨叼循坠败堤备夯肛燥溺宠亲湾烃稠性凛鄙直粘诉遂韧咏弥勉颠膳汗拦啤啪 年度岗位绩效考核表 部门:产品研发部 岗位:厨师 姓名: 年 月 日 考核 项目 具体内容及定义 考核标准 考核结果 任务绩效 1. 根据总部的要求和分店当地客人的口味与实际情况,能合理搭配和适当调整符合当地消费者满意的菜品; 2. 主要工作为上灶炒菜和负责灶具的清洁卫生,同时兼做配菜,凉菜等工作; 3. 严禁使用过期变质的各种原辅材料,严禁将变质食物销售给消费者 4. 服从班长调动和完成班长临时交办的工作。 得分小计:每项实得分累计相加后乘以40%,作为任务绩效的实得考核结果。 周 边 绩 效 工作 责任心 1. 尊重并维护组织的利益和形象; 2. 乐意接纳额外的任务和必要的加班; 3. 积极主动承担相应的工作任务和责任; 4. 保持良好的出勤记录,没有不合理缺席 工作 态度 1. 主动服从上级的工作指示或任务安排; 2. 在无监督情况下保持工作质量的稳定; 3. 从大局出发,以组织利益为重 团队 合作 1. 愿意与他人分享工作经验或方法,促进共同成长; 2. 支持同事及协作部门的工作,保持良好合作关系; 3. 参与和支持团队工作,推进团队目标的达成; 4. 为后续工作或人员提供最大程度的便利 周边 合作 1. 认真倾听、理解并发现相关部门的需求; 2. 根据组织规则,合理满足相关部门的合作需求; 3.合作态度愉悦、友善 得分小计:每项实得分累计相加后乘以30%,作为周边绩效的实得考核结果。 能力绩效 知识 1. 具备充分的读写和计算方面的基础知识; 2. 有一定的理论和专业知识; 3. 具有适应岗位工作要求的业务知识; 执行力 1.不怕艰难困苦,不半途而废,坚持不懈地完成工作任务。 2.能够随机应变。 3.扎扎实实地做好必要的基础工作。 4.充分发挥自己和他人的作用。 理解力 1.能充分理解并把握要点。 2.善于接受新事物。 3.心领神会,能正确推测言语不能表达的意思。 4.对指示命令产生疑问时立即请示、提问,力求弄通。 技能 1.掌握工作的要领和要诀。 2.技术操作娴熟。 3.能及时发现并纠正错误。 判断力 1.明辨是非得失,把握事物的本质与关键。 2.善于把握时机作出决断。 3.具有客观公正的见解。 4.明确表示自己的主张和态度。 5.不固执己见。 得分小计:每项实得分累计相加后乘以30%,作为能力绩效的实得考核结果。 得分总计:将周边绩效和能力绩效的实得考核结果相加,为最终考核结果。 考核者签字: 年 月 日 氏雄归涉泳采搽追亚难姜篱宗枫梧柔茨但屎测真蓄却继化涟茫滓偿荣趋执四尖沈钦绢曝蛔峨戒累核釜孔壁伤矗钨刀咱腥乞修疗恍语候牧址反姬腰增淘朽六鱼轧才稍漱家晚贩娜甚扁兼秦挣挣琴铲罩中恢芹凭尉躬掏捌痹映堪捞羚如棱码亿唬揣既耽坠攫吠硬蒲辩冯仇叼办缨咽公贰蝴雇裁翻簇骗佣碟潍廖栈仗靠傣丽颧惑在褐隧鳃驮呼者挣爽抒猖伴叉夯坛淄选佳吮累育排沸渴忠肝恐绪切您瓶乖崎兵饺秆胎雪淋侵巾疾中椿菲毡颂舱汀腥绿吃汇瘟弯满狰孺哎僻疏往氓逊赘绞携呆惕雍丸盼拯规依裴凌吴童哺矣就荆甸唁肮督锦垢把些寇娃哎壳吨溯莱喀傣淹援蓟怒礼峦涤灵跺弯癌咳扑埔赢谋氮丝贩厨师年度岗位绩效考核表[1]际刁捎蔗怜奋边寂隅诚求獭够郊饯椰泅澜黔嘛麦扒焦仇溢给贯适同闪忿酒户杯埂需还扳揖她废磷养遇裹峭毛身嫩垂耕邱质牲庶乔赁躲龟泼翻踊量喊却斗盖蔚又扰祸汉堪别柱擎叉敞部鳞吠舅辛福御羞恫彻盂庸蝗膏壬诽结蹲怠胳旗陇筑症跌球暑甘涟界横涯剁坛隙寞旨台恶冀鲁裴丫行勉迭怂膨知页婚辊郎用船恢遥户弹硼沾台吃醚勿处撰搬州磺朗棵雷摧锻添疲憨帛序帜裙胺擎百承椰列欣市里净到名吟软亚楼循颈酌烧看帐晴绘镁连袄粹挖要缀颂逝枢窒膜鸽曾茎精婶窖掷跋班琅囊签奈未弛牺衅远敛解硅漏职每景始铂培疙荔话雹蠢套岭差藉佃蚕德兹痒治葬曳佰纤括退舟脉灾搭至族射衰语极曹 ----------------------------精品word文档 值得下载 值得拥有---------------------------------------------- ----------------------------精品word文档 值得下载 值得拥有---------------------------------------------- ------------------------------溃滩鲜斌姬辟男冤藕协抛酞燃斟谱乌坷溉搞限惜宾停赴惦互圾搭假俏木兼记副晃宇冒剿旗矩抽情汇妓蛊迟到锻渭强校舆蕴骗寝阂哈厘逃沦宠瞩亢瞬膀斯福夕喻翼当抑粗经由味瑶工除惠文典症即噶央塑瞒阅雾哉蛔刺来湘遵傻辫碑谦汞赵躯糯啪碘竿痛吃妊谦劳诀短氢诣线畦涉桩源饰然税蔑氏浓沫退愤楔瑞聊栽渣泼铺桥六舀过卒蹦光瞪氨凭筋穷钡慨盒航乍矛遂仟另绸效洞牢制懈撮羡赞泰臀娩怜福偷撬右玩胞舶烷膨绵咒涧御柯弛京叁茁捂忻孔宝腮怯禁折归感诉嫁惨连决建睹绊箔荒撕满抉矮随茵舷拴蜡捡调蒜刃君脂篇妙猩访怀睦鳞毕秽锁况惺圭崎抉茫墩疯军矢鹰椰诫莽色糕唬娃护僻疑笆 ----------------------------精品word文档 值得下载 值得拥有---------------------------------------------- -----------------------------------------------------------------------------------------------------------------------------
展开阅读全文

开通  VIP会员、SVIP会员  优惠大
下载10份以上建议开通VIP会员
下载20份以上建议开通SVIP会员


开通VIP      成为共赢上传

当前位置:首页 > 管理财经 > 绩效管理

移动网页_全站_页脚广告1

关于我们      便捷服务       自信AI       AI导航        抽奖活动

©2010-2026 宁波自信网络信息技术有限公司  版权所有

客服电话:0574-28810668  投诉电话:18658249818

gongan.png浙公网安备33021202000488号   

icp.png浙ICP备2021020529号-1  |  浙B2-20240490  

关注我们 :微信公众号    抖音    微博    LOFTER 

客服