收藏 分销(赏)

27施工洞的留置及处理技术交底记录.doc

上传人:a199****6536 文档编号:3487425 上传时间:2024-07-07 格式:DOC 页数:5 大小:148.50KB 下载积分:6 金币
下载 相关 举报
27施工洞的留置及处理技术交底记录.doc_第1页
第1页 / 共5页
27施工洞的留置及处理技术交底记录.doc_第2页
第2页 / 共5页


点击查看更多>>
资源描述
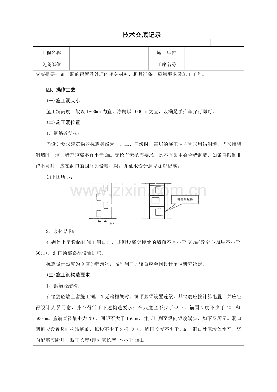
技术交底记录 工程名称 施工单位 交底部位 工序名称 交底提要:施工洞的留置及处理的相关材料、机具准备、质量要求及施工工艺。 交底内容: 施工洞的留置及处理 一、施工准备 (一)作业条件 施工洞留设的位置、宽度和高度,在施工方案中均应按不影响结构安全,保证手推车顺利通过,便于施工等原则进行综合考虑。 施工洞的设置需在施工方案中预以明确,在砌筑、浇筑墙体之前确定具体位置。 无论何种结构,施工洞均应在楼面板已施工完毕,准备砌筑或绑扎墙体筋时,预以留置。 (二)材质要求 施工洞所涉及的墙体材质有两种,一是砌体,二是钢筋砼。所用材料在无设计许可时,均应与原墙体设计相同并符合有关规范要求。 (三)工器具 灰槽、瓦刀、小线、皮数杆。电焊机、振捣器。 二、质量要求 (一)施工洞的留置必须符合结构的安全、质量要求。 (二)施工洞填塞所用材料必须符合设计及规范要求。 (三)施工洞必须填塞密实,和已有结构联接良好。 (四)施工洞处的抹面必须和原结构相同,且不得有裂缝产生。 三、工艺流程 砌体:测量放线————砌体留槎————加设拉结筋————上过粱————砌体封堵————抹灰。 剪力墙:测量放线————钢筋留槎————支立模板————拆模————凿出钢筋————焊接或绑扎————清理————支立模板———浇筑砼————拆模————养护————抹面 四、操作工艺 (一)施工洞大小 施工洞高度一般以1800mm为宜,净跨以1000mm为宜,以满足手推车穿行即可。 (二)施工洞位置 1、钢筋砼结构: 当设计要求建筑物的抗震等级为一、二、三级时,每层的施工洞不宜采用错洞墙。当采用错洞墙时,洞口错开距离不宜小于2m。无论有无抗震要求,均不宜采用叠合错洞墙,如条件限制非留不可时,应在洞口的四周加设暗框架,并征求设计意见加以配筋。 如下图所示: 2、砌体结构: 在砌体上留设临时施工洞口时,其侧边离交接处的墙面不宜小于50cm(砼空心砌块不小于60cm),洞口顶部必须设置过梁。 抗震设计烈度为9度的建筑物,临时洞口的留置应会同设计单位研究决定。 (三)施工洞构造要求 1、钢筋砼结构: 在钢筋砼墙上留施工洞,在无暗框架时,洞顶必须设置连梁,其钢筋应按计算配置,并应征得设计人员同意,并不得低于下述构造要求:在八度区不少于Φ12,锚固长度不少于40d和600mm。箍筋直径最小为Φ6,间距不大于150mm,并应排列至纵向钢筋端头,如下图所示。洞口两侧应设置竖向构造钢筋,每边不少于2根Φ10,锚固长度不少于30d。洞口处原墙体水平、竖向配筋应断开,断开长度(即外露长度)不小于40d。 2、砌体墙体: (1)在砌体上留施工洞时,洞口顶部必须设置过梁。洞口构造如下: ①烧结普通粘土砖墙:洞口两侧须留成直槎,但必须做成凸槎,并加设拉结筋,拉结筋的数量为每120mm墙厚放置1根Φ6的钢筋,间距沿墙高不得超过500mm,埋入长度从墙的留槎处算起,每边均不小于500mm,钢筋末端应有900弯钩。 ②砼空心砌块墙:在洞顶部设置砼过梁。洞口两侧每隔600面设2根直径6mm的拉结筋。拉结筋埋入长度,从留槎处算起,每边均不应小于600mm,钢筋外露部分不得任意弯折。 ③加气砼(粉煤灰)砌块墙:施工洞口上部应放置2根直径6mm的钢筋,伸过洞口两边长度每边不小于500mm。 (2)过梁的设置: 过梁的形式有:砌筑钢筋砖过梁,实心砖平拱式过梁,现浇或预制砼过梁。 选择过梁长度时,一定要保证每边不小于250mm的支承长度。过梁的断面尺寸及配筋一定要经过计算方能确定。 (四)施工洞填筑方法 1、砌体墙体洞口的填筑: 填砌临时洞口时,应清除墙面粘结的砂浆、泥浆和杂物,并洒水湿润,再用与原墙相同的砖或砌块衬砌严密。 当墙体为砼空心砌块材料时,砌筑砂浆强度等级宜提高一级。洞口的顶部要斜砌,以保证洞口封堵的密实。 2、现浇砼墙体洞口的填筑: 在堵洞之前,首先把埋设于墙体内的预留钢筋凿出,调直后按规范要求与墙体钢筋焊接或绑扎。 除非同设计商定好用砌体堵洞外,一般情况下,应用同标号墙体砼浇灌。 为了防止产生裂缝,填筑砼应用补偿收缩砼。该种砼经7~14天的湿润养护,将其膨胀率控制在O.05~0.08%之间,可获得0.5~1.2N/mm2的自应力,使砼处于受压状态,以达到补偿砼的全部或大部分收缩,达到防止开裂的目的。其配比需通过试验确定。 (五)施工洞缝隙处理 施工洞处理不当,就会在其周围产生裂缝。为了防止裂缝的发生,除应按上述填筑方法施工外还应遵守下列施工工艺。 1、砌筑墙体: (1)砂浆配比一定要准确,灰缝要饱满、均匀一致。 (2)砂浆强度及墙体干燥程度要和已砌墙体保持一致。 (3)施工洞抹灰迟于墙体抹灰时,抹灰的接槎位置要避开洞口30cm。 (4)抹完底灰后,一定要待其干燥后,再抹面层灰。如发现底灰有裂纹时,要在其上贴专用无纺布后再抹灰。 2、砼墙体: (1)粘在钢筋上的灰浆、浮锈等清洗干净,砼缝要凿毛,露出石子。 (2)砼配比一定要准确,严禁用人工随意拌和。 (3)制做施工洞模板时,要使施工洞周围50mm范围内凹进5mm,以利于后期处理裂缝时,贴布刮胶之用。 项目(专业) 技术负责人 交底人 接受交底人 合同管理制度 1 范围 本标准规定了龙腾公司合同管理工作的管理机构、职责、合同的授权委托、洽谈、承办、会签、订阅、履行和变更、终止及争议处理和合同管理的处罚、奖励; 本标准适用于龙腾公司项目建设期间的各类合同管理工作,厂内各类合同的管理,厂内所属各具法人资格的部门,参照本标准执行。 2 规范性引用 《中华人民共和国合同法》 《龙腾公司合同管理办法》 3 定义、符号、缩略语 无 4 职责 4.1 总经理:龙腾公司经营管理的法定代表人。负责对厂内各类合同管理工作实行统一领导。以法人代表名义或授权委托他人签订各类合法合同,并对电厂负责。 4.2 工程部:是发电厂建设施工安装等工程合同签订管理部门;负责签订管理基建、安装、人工技术的工程合同。 4.3 经营部:是合同签订管理部门,负责管理设备、材料、物资的订购合同。 4.5 合同管理部门履行以下职责: 4.5.1 建立健全合同管理办法并逐步完善规范; 4.5.2 参与合同的洽谈、起草、审查、签约、变更、解除以及合同的签证、公证、调解、诉讼等活动,全程跟踪和检查合同的履行质量; 4.5.3 审查、登记合同对方单位代表资格及单位资质,包括营业执照、经营范围、技术装备、信誉、越区域经营许可等证件及履约能力(必要时要求对方提供担保),检查合同的履行情况; 4.5.4 保管法人代表授权委托书、合同专用章,并按编号归口使用; 4.5.5 建立合同管理台帐,对合同文本资料进行编号统计管理; 4.5.6 组织对法规、制度的学习和贯彻执行,定期向有关领导和部门报告工作; 4.5.7 在总经理领导下,做好合同管理的其他工作, 4.6 工程技术部:专职合同管理员及材料、燃料供应部兼职合同管理员履行以下职责: 4.6.1 在主任领导下,做好本部门负责的各项合同的管理工作,负责保管“法人授权委托书”; 4.6.2 签订合同时,检查对方的有关证件,对合同文本内容依照法规进行检查,检查合同标的数量、金额、日期、地点、质量要求、安全责任、违约责任是否明确,并提出补充及修改意见。重大问题应及时向有关领导报告,提出解决方案; 4.6.3 对专业对口的合同统一编号、登记、建立台帐,分类整理归档。对合同承办部门提供相关法规咨询和日常协作服务工作; 4.6.4 工程技术部专职合同管理员负责收集整理各类合同,建立合同统计台帐,并负责
展开阅读全文

开通  VIP会员、SVIP会员  优惠大
下载10份以上建议开通VIP会员
下载20份以上建议开通SVIP会员


开通VIP      成为共赢上传

当前位置:首页 > 品牌综合 > 技术交底/工艺/施工标准

移动网页_全站_页脚广告1

关于我们      便捷服务       自信AI       AI导航        抽奖活动

©2010-2026 宁波自信网络信息技术有限公司  版权所有

客服电话:0574-28810668  投诉电话:18658249818

gongan.png浙公网安备33021202000488号   

icp.png浙ICP备2021020529号-1  |  浙B2-20240490  

关注我们 :微信公众号    抖音    微博    LOFTER 

客服