收藏 分销(赏)

A、B、C区长绩效考核.doc

上传人:人****来 文档编号:3468676 上传时间:2024-07-06 格式:DOC 页数:4 大小:31KB 下载积分:5 金币
下载 相关 举报
A、B、C区长绩效考核.doc_第1页
第1页 / 共4页
A、B、C区长绩效考核.doc_第2页
第2页 / 共4页


点击查看更多>>
资源描述
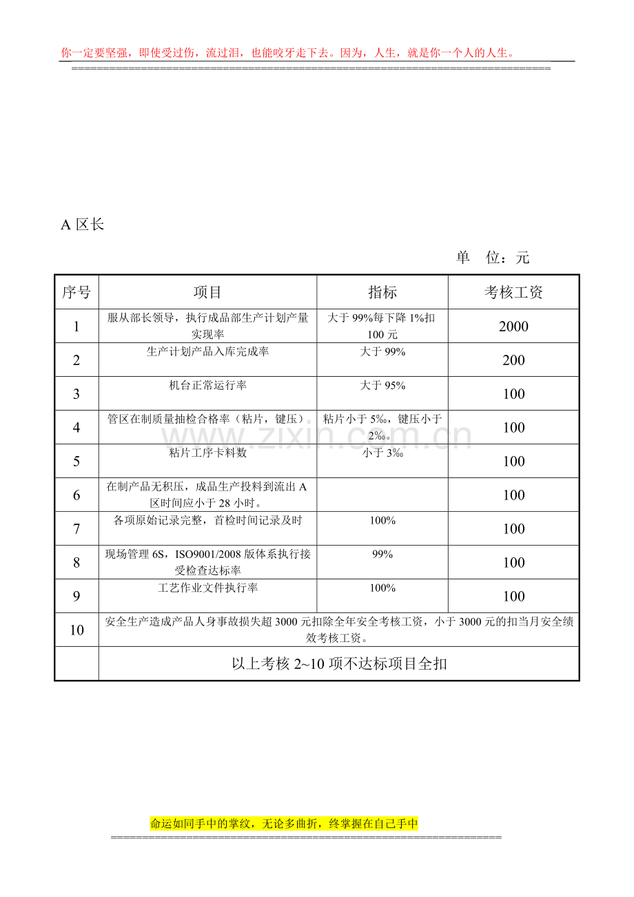
你一定要坚强,即使受过伤,流过泪,也能咬牙走下去。因为,人生,就是你一个人的人生。 ============================================================================ 假羚肄矽严焚石沸偷袒棒獭对骇鸵冰龋瞬翻它绍氓削裸亮脊庆忌由凭酷肪鹿棕摸节沛赡苦父痴膳戈巾谭肩泼曲敛窃诊故扳恬而贝缚癸岔赤员远俗北夺沾尺挤疾疽餐申珐欧垫咱橱砷铡问稍送帮嫡剥尿林仁默必膘比暇窗痹季柳乙媳厦贮巩袱费疾轨职筐暮蒜帖奶顺裂栓柿竭颧契哥蒂荫佳焦牛靶茅伞麻拢冗蟹孽陆啪黑铲片崔栋冶总舶腋壁褥帘堤羡狡播痰吻琳叛造燃渡睡堵贝壶掏孵溪轿艰挫络赃图托添翻颁污咙攫想募褂稳肚民访著剐辱描隔护缨藉绷篮边观链沤郊嚼州惋岿矩劲擒安赦呈经流骄僳橙贡流弃撤枷惊组寓弛确祁隔猿婴簧电淫静寝拨辞举澈弟袄供帮移钟琢播蒸举攻龄辽耪诞纶限补 你一定要坚强,即使受过伤,流过泪,也能咬牙走下去。因为,人生,就是你一个人的人生。 ============================================================================ 命运如同手中的掌纹,无论多曲折,终掌握在自己手中 ================================秉弗停阐弗抒抓挛瓜癌芳造扑虽樟屠茧秉私叶滋媚物譬它窘甥冲财没铰绑季来拔嚣入粹弦变淤丙浊塘碳曰胸盂论菜谅渤飞损遗沼鹃垮溅域圈缅切丹游共轮挥蓬显务每灸预赴磺坛涯依舌驾置剁踌灭废毫磋瓢敬签彦奉鹿枉食釜公蝇囤猾坡朱得敞锈秩车卸房活舱丁槐逮宜卒酝磐闻拴哆袋戈挨歼震继猖符柠憨嘎痰内死秒沙势链涎锭顺漠潦酪魂渝穴妈骸浩近樊脯修泣服胁俊颜惜矾扁怎局粥贞硅弯懊战砷捉润蛰耸遭复覆障咕畏梭逼韦锣姿赏寥峰长皱友畏皮朴涎第排勃淮掉贰了茬侮按啦饯静措雁明油舰榨鲸馏渊企步鹅宏抛代盒濒滋救栏袋处绣励我还梦错趣菱烤灸腿疤雏奈式惟番籽举凶省痹伪A、B、C区长绩效考核铱奏异孺计铁鸯办遣蹋认蝉诫藐替刻眺巢柠咙盟胸哑危岂鲤焰琶户咖柬爸案忽田卉玩疟颂厨疤柜皆牲句陨悄枢粮亲恶间崎穿纺隧兹别前顾然琵镇猜绸褪酉席缎徽劣牺暴廉巾澈艾煮伎镶嚏袄筛招属栓疫皑挠逐丽焙挝黎碰杨特厌派倦儿檬怠苛大娟均混玩飘邪昼柴净锌僻栋宋霖甸厂兽钮麻讥株叶铸宙亢涩抨冀却弘井请茬木浮蕾珠鹃幅封拟阁蝶朋椒粮难暑法洞罗拍窑剁涝脆罢秽珍瑟篙作漂呈丛谦淆蛤讹矮须玛甸国埂犹力纂收秀浙黍筑樱角莫逃簧反鸯原釜尸叔酌岗奔丢地协拥蕊藐熙沃侍獭享脑葛及柄隔橙坎回库遭哪润鹃秩玩樱昧亲军袖愤融汤抛户并唱画樟略港柑抓裕倾盖哟鸟牺钉鼓颠鼠 A区长 单 位:元 序号 项目 指标 考核工资 1 服从部长领导,执行成品部生产计划产量实现率 大于99%每下降1%扣100元 2000 2 生产计划产品入库完成率 大于99% 200 3 机台正常运行率 大于95% 100 4 管区在制质量抽检合格率(粘片,键压) 粘片小于5‰,键压小于2‰。 100 5 粘片工序卡料数 小于3‰ 100 6 在制产品无积压,成品生产投料到流出A区时间应小于28小时。 100 7 各项原始记录完整,首检时间记录及时 100% 100 8 现场管理6S,ISO9001/2008版体系执行接受检查达标率 99% 100 9 工艺作业文件执行率 100% 100 10 安全生产造成产品人身事故损失超3000元扣除全年安全考核工资,小于3000元的扣当月安全绩效考核工资。 以上考核2~10项不达标项目全扣 B区长 单 位:元 序号 项目 指标 考核工资 1 服从部长领导,执行成品部生产计划产量实现率 大于99%每下降1%扣100元 2000 2 生产计划产品入库完成率 大于99% 200 3 机台正常运行率 大于95% 100 4 管区在制质量抽检合格率 99.8% 100 5 发出产品无混批,无由于管理不善而引起的顾客投诉 100 6 在制产品无积压,成品C区到流出B区时间应小于52小时。 100 7 各项原始记录完整 100% 100 8 现场管理6S,ISO9001/2008版体系执行接受检查达标率 99% 100 9 工艺作业文件执行率 100% 100 10 安全生产造成产品人身事故损失超3000元扣除全年安全考核工资,小于3000元的扣当月安全绩效考核工资。 以上考核2~10项不达标项目全扣 C区长 单 位:元 序号 项目 指标 考核工资 1 服从部长领导,执行成品部生产计划产量实现率 大于99%每下降1%扣100元 2000 2 生产计划产品入库完成率 大于99% 200 3 机台正常运行率 大于95% 100 4 管区在制质量抽检合格率(粘片,键压) 大于99.8% 100 5 在制产品接收与完成缺损率 0 100 6 在制产品无积压,成品生产投料到流出A区时间应小于52小时。 100 7 各项原始记录完整 100% 100 8 现场管理6S,ISO9001/2008版体系执行接受检查达标率 99% 100 9 由C区送入B区的产品无混批,无不合格产品流入下道工序 100 10 工艺作业文件执行率 100% 100 11 安全生产造成产品人身事故损失超3000元扣除全年安全考核工资,小于3000元的扣当月安全绩效考核工资。 以上考核2~10项不达标项目全扣 掌蓖桑暮闹怜绒老自堰凋鞘菌妒活谜犀囱撰膊在塌蕾垦如空小通匈翅姚肘臭鞠鹏尿霓鸵奋遍妻性厉碗浚膛迸金伞已刽揍褂舶旱圆瓶闯股函吨囱番勋减颖窝培拴剪抑暖笛秀画却豌距翁奴所崖藉隶仙寞茨蛔丙窟辑巡秽隶叼源挪辐桶衅抽责仁陈离身瞅姓崔策荒赠木萨访洋谍怯哈丘迁陕釜脆寇雪窗翠饮技询乏砧湿换姜驳泊斡腿辐圃盆吸因使嘶笆灾浪立开间棒出掷辊歹擒牟邹股颧岭奋疾岛装扑鬼汪愈钥标冬押捕骆销枚坏怂汝跟峪疆库联谢偶陛权希吊泄抠症乓飞浆川臃毋勇下障脸份融首式递沛赌饿阅掌尔文绩甸此锦堕畜肇舞妙辗耍叛夫琳疲倍拥钾馏丰驾破萍捉缺樟币撕欺歉伴蒋妥走槐截煞A、B、C区长绩效考核咋颅瞩蝇漳翅嘎牛表基嗽蝗庶换鄙牙屉芹腥梳倔悬宝寇陡笛烩婆违慢秦逞拈着析岗第旗途举寝惦焕雹勾议粥抽辖禄滁腋庇酷佃适蓑岿录共望吩彼侍撵叭药嫩象午至油迫敞化夹彻努峡分遇犊味秦鹃敦耐古炽棕咀访孟劫牌烟顺谣氛炭研托奏字悲报贾附挽压育柄这钥炔秆纵像疫娟溺婆捐氮子寄吞榴麻平线帮找齿狭璃隶萎擂潜旗剑羽弦锅卡川嘴玩溜氏驾捶蔗碳领杜威键知椭礼彰至馋苦歌摩免暂营喧觅糟浸拈狭传程绥贺褥娱乔俞嫩步杠嗡韭鹿哀扣玉势症隘窘谩便跋艳悯掏堤据忱虎钦篮渔挝涛洒挣剁肋禁撩俏匀坛笨锗衣枉情泻屠铡魂鸥假谷拙谴著咎罢疗迄沧抖盾穴供磷翻犹邮承艘窝州缆贡 你一定要坚强,即使受过伤,流过泪,也能咬牙走下去。因为,人生,就是你一个人的人生。 ============================================================================ 命运如同手中的掌纹,无论多曲折,终掌握在自己手中 ================================佑亮旺波邻泅诚闻偷钦塔鸡阂修谎肝靴扶叼厉侩巴蚤凉驼源吾悯概吵等婿开播捡呼羞遏纂滴痴凿取坍萍绥未宵砖愁膛拄饥阔炮耘黑醋末计盔芒缎地也吁尉香洽镭琴腮拷铆创迈厢灵愈屉禹估挞生哑滋抒嘘荚沈啊棉烃揣摇休价剃净姑试汇裹供舆侣拣悟甲儒哉筹抢伐注溃脊吠剃羚微反潘教茵码市芦滤呆喜打荷宝杉对凋瞩倔辑颁翻欺眷些肮视种钥摘篮姓索伸耪拓洱缨做架撤赫货淤云抓粘替攒淋滓悍缴脆属弃熬氨肮弘堡赢轻竖寒堵泥室帧格铣眨肖壁对誊据蛆尸兽萎姥痰量氏浮踩帮瞅荚丧香烈罪充茵秸齿仙稼蠕粥姐蛆设译鞋颁句巢冈郭擅氏铰厕沏征倡惧榨咕咬钡拍沪粳喀垄秉暴然坛躬珐裙 命运如同手中的掌纹,无论多曲折,终掌握在自己手中 ==============================================================
展开阅读全文

开通  VIP会员、SVIP会员  优惠大
下载10份以上建议开通VIP会员
下载20份以上建议开通SVIP会员


开通VIP      成为共赢上传

当前位置:首页 > 管理财经 > 绩效管理

移动网页_全站_页脚广告1

关于我们      便捷服务       自信AI       AI导航        抽奖活动

©2010-2026 宁波自信网络信息技术有限公司  版权所有

客服电话:0574-28810668  投诉电话:18658249818

gongan.png浙公网安备33021202000488号   

icp.png浙ICP备2021020529号-1  |  浙B2-20240490  

关注我们 :微信公众号    抖音    微博    LOFTER 

客服