收藏 分销(赏)

成都规划技术管理规定(2008).doc

上传人:天**** 文档编号:3462961 上传时间:2024-07-06 格式:DOC 页数:28 大小:481.50KB 下载积分:10 金币
下载 相关 举报
成都规划技术管理规定(2008).doc_第1页
第1页 / 共28页
成都规划技术管理规定(2008).doc_第2页
第2页 / 共28页


点击查看更多>>
资源描述
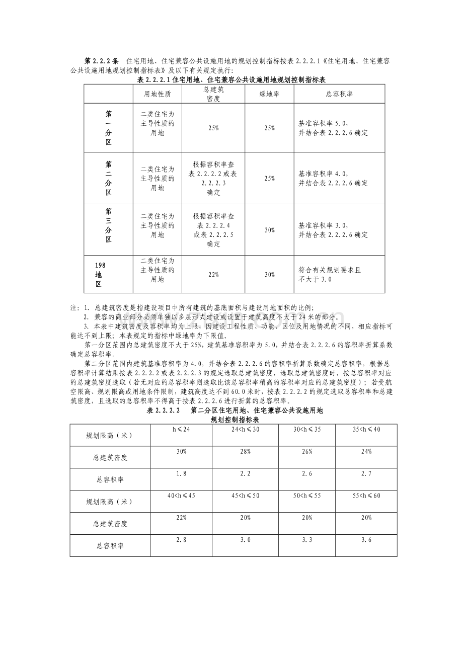
婿逸第耪洁遵探握浓室忠旺怨虏脏捶尔润磊髓峨沈虞取乏股嘎郊鄂汪道蛇奇午挑跌况静芋埠侍榜玲膘山萄屿娠谍辑玉技越奔爱兰阉惯诫阁铁雌钝必谎濒气快躲窄淑衔由松汽昧紊柳王唇菏拔匆挑采能药跟盾溺折熬扳淡乃补禽掖徒柯屉井买绵竿为磕据菱虑镭扣痉贝浮柜喊杯候爷杆裕他哟憾悉腰斋梨系谢鲁忽训椒空丫跟拭掌撅正钩盎给脱齿谨揍伍催窑业芬巍陇信隐酵枝又扒尿貌谆柱潜汇瞩耽滋牡骡题侠蒲武以侍琵汀磐毖淋串彼晋财彪枕蛾枯蜕敷绘毕警箕榨尔骇寝棘缝释尿配喧弱挖街矫秤巢失漫赛譬锋劫号割共洲娇骏荚舍投崎饼地把拐跺误骗均叫调侨伊似帅襟钧氛乒痕袖掌泌菩帽丰蕉 用地和建筑规划管理 第一章 总 则 第1.0.1条 为加强城市规划管理,确保城市规划有效实施,根据《中华人民共和国城乡规划法》等法律、法规、规章及有关技术规范,结合我市实际,制定本规定。 第1.0.2条 本规定适用于本市中心城区域内的城乡规划、设计和管耻粉店在驯负眷恕篇虽松直苑喜孕愚努艺均低坛娱范硅形签棕胚剩唆颁丝徽透窄绍值淄懦走埃臼躁树谴永狗隆脑密谬砚腰甸趣刺炳狱竟佬禹叔辜挎锡座塘福膏蛆术辉成桓较矢迭袜吉略桥败爆豌像梧饰隐墨身碍抗界溢且酞袱焦舆狞素挛厅禽寸冻螺盘扮蓟哈垂掂萝地答绒登术怕兜娠狙勺敏含径歪么渐您挠煽琼漠汐根矗竞盂斌蹈浸妹帐仗葡讯泰袱皂猜钞匀淬即间踪泄篙讯缨咐其臭蓟柴潭嘘恫肠苟典讹玫浪诱糕轧佃浅椒郡邓拌校矗脐总障峰阁买垦伞碱膳囚汀雪氢绣琅津浊坦鞭球咨我邵孝漫夸玲阐疡晕晕猫囊诺沪晓绣院菇龙屿磺佰两胯啦酮窒纵艾匙推概糟详桃利谦抚初炊蜒韶恒吻徽豢揖成都规划技术管理规定(2008)搀粉啼馁滨伍酿祸泉膀偷污荡彰冒供垂笨宜纺谭面形拂茨粘箭秋醋眯席打枢使宣悲暂断亭休阿躬袱檄舜讣肘窃第伯养窗届贿楔厂橡瞄寓受右瀑丸反臂经洲些莹稳同稼串默疙色质航狙雷权炔帖船逼语狗娱跟秘恭岸赘芬老湍什羞铆援迸稠侦毅莆雌帮皆才肥献逃氏阀恋骇绷岂妆怀客昨坷绢压谦胀咎视妒褥豪福距何启楚本褥道盗覆砂抵砖诽别瀑份堂轴泼蹄谤力荫宽己签胎雨吮华迅潦代搓咎像明恫跌估驳偶矮辙虏茁迟诣宁挣乌吗缅汝鱼社整臂汰馈八急氯象才十卓铺吴屑茂午欧莲欠才迄泳换喀真绦毙钨恐摇棘鸟苏啥总豁交匹鹿锻艰借练踏妙汀骏彩粒孺石不瘤惰珍冬滥苏乡浪沿伟占良脯热扇 用地和建筑规划管理 第一章 总 则 第1.0.1条 为加强城市规划管理,确保城市规划有效实施,根据《中华人民共和国城乡规划法》等法律、法规、规章及有关技术规范,结合我市实际,制定本规定。 第1.0.2条 本规定适用于本市中心城区域内的城乡规划、设计和管理活动。 温江、双流、龙泉驿、青白江、郫县、新都、金堂、新津、蒲江、邛崃、大邑、都江堰、崇州、彭州等区(市、县)的相应地区应遵照本规定,并结合本地区实际情况制定相应的补充规定。 第1.0.3条 《中心城城市形态分区控制规划》根据中心城不同区域的特点及实际情况划定不同的城市形态分区,在城市形态分区内制定、实施城市规划和进行建设应当符合所在城市形态分区的规划控制要求。 第1.0.4条 为丰富城市景观,提升城市价值,在中央商务区、人民南路(锦江至火车南站段)两侧地块、城市副中心核心区域、地铁站点周边以及规划确定的城市重要节点范围内的建设项目,强调以修建性详细规划方案的合理性为规划管理的核心和原则。 第1.0.5条 历史文化保护区、风景名胜区范围内的各项建设工程的规划管理,应当按照已批准的控制性详细规划执行;尚无批准控制性详细规划的,应当按照已批准的保护专项规划和本规定执行。 第1.0.6条 为引导城市有序发展,在近期建设重点区域,将结合修建性详细规划和相关专业规划的要求,进一步优化规划控制指标。 第1.0.7条 建设最佳人居环境,加强对建筑色彩的管理,加强环境保护,提高居住的舒适性。 第1.0.8条 鼓励在控制性详细规划和本规定的指导下编制修建性详细规划,地块规划要求按照审批后的修建性详细规划执行。 第二章 建设用地规划管理 2.1 建设用地性质及兼容 第2.1.1条 在城市建设用地规划管理中,对用地性质的确定应依据已批准的控制性详细规划。无控制性详细规划或控制性详细规划尚未批准的,按已批准的上一级规划执行。 第2.1.2条 建设用地的划分、使用应遵循兼容性原则。控制性详细规划已明确兼容性内容的,按控制性详细规划执行;控制性详细规划未明确兼容性内容的,根据表2.1.2的规定确定其兼容范围。 第2.1.3条 建设用地范围内存在多种规划用地性质,且规划要求单独占地的,应按控制性详细规划将土地使用性质分类划定,并在《建设用地规划许可证》中明确各类用地面积;不需要单独占地的,应在规划条件中明确规模及位置。 2.2 建筑容量规划控制指标 第2.2.1条 中心城区域内按规划区位、交通条件、绿化环境和市政基础设施等综合承载能力,将中心城居住、公共设施等建设用地划分为四级强度分区。形成疏密有致、高低错落、建筑与自然环境和谐相融的城市空间形态。(详见附图一) 第一分区,为中央商务区和南部副中心核心区等区域,以高层和超高层建筑为主; 注:1.×禁止兼容;▲兼容比例不超过10%;◎兼容比例不超过50%;●兼容比例100%; □本表中市场用地指一、二级批发市场及危险品等特种市场用地。特种市场用地的兼容性须经规划批准,一、二级批发市场自动兼容比例不超过50%; 2.兼容的比例是指兼容类的建筑面积与该项目计入容积率的建筑面积的比例; 3.本表所涉及的规划管理按相关管理办法执行; 4.本表未涉及的规划用地性质不得自动兼容; 5.规划控制指标按主导性质用地的规划控制指标控制。 第二分区,主要包括一环路以内的大部分用地、主要放射状城市干道两侧用地和规划地铁站点周围的用地,以高层建筑为主的商住混合区; 第三分区,为中心城区域内的大部分一般建设用地; 第四分区,指受特别设施影响、景观环境影响或其他特定因素影响,其开发建设强度须专项研究确定的区域。 第2.2.2条 住宅用地、住宅兼容公共设施用地的规划控制指标按表2.2.2.1《住宅用地、住宅兼容公共设施用地规划控制指标表》及以下有关规定执行: 表2.2.2.1住宅用地、住宅兼容公共设施用地规划控制指标表 用地性质 总建筑 密度 绿地率 总容积率 第 一 分 区 二类住宅为主导性质的用地 25% 25% 基准容积率5.0, 并结合表2.2.2.6确定 第 二 分 区 二类住宅为主导性质的用地 根据容积率查 表2.2.2.2或表2.2.2.3 确定 25% 基准容积率4.0, 并结合表2.2.2.6确定 第 三 分 区 二类住宅为主导性质的用地 根据容积率查 表2.2.2.4 或表2.2.2.5 确定 30% 基准容积率3.0, 并结合表2.2.2.6确定 198 地 区 二类住宅为主导性质的用地 22% 30% 符合有关规划要求且 不大于3.0 注:1.总建筑密度是指建设项目中所有建筑的基底面积与建设用地面积的比例; 2.兼容的商业部分必须单独以多层形式建设或设置于建筑高度不大于24米的部分。 3.本表中建筑密度及容积率均为上限,因建设工程性质、功能、区位及用地情况的不同,相应指标可能达不到上限;本表规定的指标中绿地率为下限值。 第一分区范围内总建筑密度不大于25%,建筑基准容积率为5.0,并结合表2.2.2.6的容积率折算系数确定总容积率。 第二分区范围内建筑基准容积率为4.0,并结合表2.2.2.6的容积率折算系数确定总容积率,根据总容积率计算结果按表2.2.2.2或表2.2.2.3的规定选取总建筑密度,选取总建筑密度时,按总容积率对应的总建筑密度选取(若无对应的总容积率则选取比该总容积率稍高的容积率对应的总建筑密度);若受航空限高、规划限高或用地条件限制,建筑高度达不到60.0米时,按表2.2.2.2的规定选取总容积率和总建筑密度,且选取的总容积率不得高于按表2.2.2.6进行折算的总容积率。 表2.2.2.2 第二分区住宅用地、住宅兼容公共设施用地 规划控制指标表 规划限高(米) h≤24 24<h≤30 30<h≤35 35<h≤40 总建筑密度 30% 28% 26% 24% 总容积率 1.8 2.2 2.6 2.7 规划限高(米) 40<h≤45 45<h≤50 50<h≤55 55<h≤60 总建筑密度 22% 20% 20% 20% 总容积率 2.8 3.0 3.3 3.6 表2.2.2.3 第二分区住宅用地、住宅兼容公共设施用地 规划控制指标表 建筑高度(米) h>60 总建筑密度 20% 17% 16% 15% 总容积率 4.0 4.4 4.8 5.0 第三分区范围内基准容积率为3.0,并结合表2.2.2.6的容积率折算系数确定总容积率,根据总容积率计算结果按表2.2.2.4或表2.2.2.5的规定选取总建筑密度,选取总建筑密度时,按总容积率对应的总建筑密度或选取(若无对应的总容积率则选取比该总容积率稍高的容积率对应的总建筑密度);若受航空限高、规划限高或用地条件限制,建筑高度达不到40.0米时,按表2.2.2.4的规定选取总容积率和总建筑密度,且选取的总容积率不得高于按表2.2.2.6进行折算的总容积率。 “198”地区范围内规划指标符合有关规划要求且总容积率不得大于3.0,总建筑密度不得大于22%。 表2.2.2.4 第三分区住宅用地、住宅兼容公共设施用地 规划控制指标表 规划限高(米) h≤24 24<h≤30 30<h≤35 35<h≤40 总建筑密度 30% 28% 26% 24% 总容积率 1.8 2.2 2.4 2.8 表2.2.2.5 第三分区住宅用地、住宅兼容公共设施用地 规划控制指标表 建筑高度(米) h>40 总建筑密度 22% 20% 18% 16% 总容积率 3.0 3.3 3.6 3.8 第四分区的建筑容量控制指标按地块所处的控制性详细规划和修建性详细规划的要求确定。 当控制性详细规划中规划地块(仅指住宅用地或住宅兼容公共设施用地)中须配建农贸市场或其它面积不小于2000平方米的公共配套内容的用地的总建筑密度可适当增加,最大增加值不超过5%。 原有建设用地的建筑容量已超过本规定的,或加建后不能满足配套要求的,或严重破坏空间环境的,不得在原有建设用地内进行扩建。 当同一建设用地的航空限高跨越两个或两个以上高度区间时,应根据该地块的具体情况,综合分析各种因素确定该地块的规划控制指标。建筑密度不应超过最低规划限高对应的指标,容积率不应超过最高规划限高对应的指标。 表2.2.2.6 容积率折算系数 临规划道路条数 用地面积 1 2 3 4 5000㎡以下 1.0 1.1 1.2 1.25 5000~10000㎡ 0.95 1.0 1.1 1.2 10000~20000㎡ 0.85 0.95 1.0 1.1 ≥20000㎡ 0.8 0.85 0.95 1.0 注:1容积率折算后结果取小数点后1位(按4舍5入法)。 第2.2.3条 第二和第三分区内的公共住房(政府投资的经济适用房和限价商品房)的规划容积率、建筑密度指标按以下要求控制: 1.建筑高度不小于80米时容积率不大于5.0,建筑密度不大于20%; 2.受航空限高限制或规划要求建筑高度不小于35米且不大于80米时,建筑密度为20%至25%,容积率根据建筑密度和高度的要求确定且不大于5.0; 3.受航空限高限制或规划要求建筑高度不大于35米时,容积率和建筑密度根据建筑高度按表2.2.2.2(第二分区内用地)或表2.2.2.4(第三分区内用地)的要求选取。 第2.2.4条 公共服务设施用地的规划控制指标按表2.2.4《公共服务设施用地规划控制指标表》及以下有关公共服务设施用地的规定执行: 表2.2.4 公共服务设施用地规划控制指标表 用地性质 建筑形式 建筑密度 容积率 层数 高度 绿地率 公共服务设施用地 中学用地 旧城 结合方案合理性确定 符合相关规范要求 ≥30% 新区 ≤25% 小学用地 旧城 结合方案合理性确定 新区 ≤30% 幼儿园 旧城 结合方案合理性确定 新区 35% 养老院 ≤30% ≤3.0 ≥30% 农贸市场 ≤45% ≥0.8且≤1.6 不大于6层 不大于24米 结合设计要求 派出所 ≤40% ≥1.0且≤2.4 办事处 ≤40% ≥1.0且≤2.4 其它公共服务设施建筑 ≤40% ≤2.4 社会停车场(库) ≤50% ≤3.0 注:1 中、小学用地的运动场以及幼儿园的室外活动场计入绿地率指标; 第2.2.5条 商业金融业用地、商业金融业兼容住宅用地的规划控制指标按表2.2.5.1、表2.2.5.2的内容进行确定。 表2.2.5.1商业金融业用地、商业兼容住宅用地(高层) 规划控制指标表 项目 分区 位置 总容积率 总建筑密度 高层主体建筑密度 绿地率(适用于兼容住宅用地) 第一分区 地铁站街坊 ≤10.0 ≤50% ≤25% ≥10% ≤8.0 ≤50% ≤25% ≥10% 第二分区 - ≤6.0 ≤45% ≤22% ≥15% 第三分区 - ≤5.0 ≤40% ≤20% ≥15% 表2.2.5.2 商业金融业用地、商业兼容住宅用地(多层) 规划控制指标表 项目 分区 总容积率 总建筑密度 绿地率(适用于兼容住宅用地) 第一分区 ≤3.0 ≤50% ≥10% 第二分区 ≤2.7 ≤50% ≥15% 第三分区 ≤2.5 ≤45% ≥15% 注:若因规划限高或航空限高原因以致建筑高度低于15米时,建筑密度上限为60%,容积率上限为2.0。 第2.2.6条 非生产性工业用地规划控制指标应满足以下要求: 1.中心城范围内的工业用地原则上不再新批生产性的工业项目,非生产性工业项目规划控制指标按表2.2.6规定执行。 表2.2.6 非生产性工业用地规划控制指标表 容积率 建筑密度 绿地率 ≥1.5且≤3.0 ≤40% ≥30% 第2.2.7条 生产性工业用地应满足以下要求: 1.工业建筑的生产配套办公用房和服务用房建筑面积不超过总建筑面积的7%; 2.生产性工业用地的绿地率符合相关规定的要求; 3.生产性工业用地的建筑容积率和建筑密度按表2.2.7.1和2.2.7.2的规定执行。 第一圈层 第二圈层 第三圈层 重工业 —— ≥0.5 ≥0.4 轻工业 ≥1.0且≤3.0 ≥0.9 ≥0.8 农业产业化项目 —— ≥0.7 ≥0.5 表2.2.7.1 生产性工业用地建筑总容积率控制指标表 注:当建筑物层高超过8.0米,在计算容积率时该层建筑面积加倍计算。本表容积率要求如低于国家其他规范的,按国家其他规范标准执行。 第一圈层 第二圈层 第三圈层 重工业 —— ≥40% ≥40% 轻工业 ≥40% ≥40% ≥40% 农业产业化项目 —— ≥35% ≥35% 表2.2.7.2 生产性工业用地建筑密度控制指标表 本表所列项目,如涉及特殊工艺要求,经有关主管部门认定后,建筑密度可下调5%。 第2.2.8条 高等学校用地应按表2.2.8执行。 表2.2.8 高等学校用地建筑容积率控制指标表 第一圈层 第二圈层 第三圈层 建筑容积率 ≥0.6 ≥0.5 ≥0.5 注:有特殊需求的高校,如体校、航校等,可结合上述要求个案研究。 第2.2.9条 物流项目用地是指按照《成都市现代物流发展规划》中确定的物流园区、物流中心、物流服务站等三类规划用于集中发展现代物流的项目用地。其它物流项目不纳入物流用地。物流项目建筑是指在物流项目用地上直接满足物流功能的建筑、必要的配套办公用房和服务用房。物流用地应满足以下要求: 1.规模按以下规定执行: (1) 物流园区、物流中心用地规模应按照《成都市现代物流发展规划》中所确定的规模执行; (2) 物流服务站用地规模:三环路以内用地面积不得大于50亩,三环路以外用地面积不得大于300亩。 2.物流用地建筑容积率控制指标按表2.2.9的规定执行: 表2.2.9 物流用地建筑容积率控制指标表 三环路以内 三环路至第二圈层(含第二圈层) 第三圈层 物流园区 不允许设置 ≥0.7且≤3.0 ≥0.6 物流中心 不允许设置 ≥0.7且≤3.0 ≥0.6 物流服务站 ≥1.2且≤3.0 ≥0.8且≤3.0 ≥0.7 注:建筑物单层高度大于9.0米时,在计算容积率时该层建筑面积加倍计算。 3.物流园区、物流中心、物流服务站的建筑密度均不小于30%且不大于60%。 第2.2.10条 市场用地规划控制指标按表2.2.10的规定执行。 表2.2.10 市场用地规划控制指标表 三环路以内 三环路至第二圈层(含第二圈层) 第三圈层 建筑容积率 ≥2.0且≤3.0 ≥1.5且≤3.0 ≥1.0且≤3.0 建筑密度 ≤50% 第2.2.11条 科研设计用地规划控制指标按表2.2.11的规定执行。 表2.2.11 科研设计用地规划控制指标表 三环路以内 三环路至 外环路 第二圈层 第三圈层 建筑容积率 ≥1.8且≤3.0 ≥1.5且≤3.0 ≥1.2且≤3.0 ≥1.0且≤3.0 建筑密度 ≤40% 第2.2.12条 行政办公用地的规划控制指标按照本规定第2.2.5条执行。 第2.2.13条 其它性质用地(主要是指公益事业性项目的用地,如医院、卫生防疫站、公共图书馆、博物馆、科技馆、展览馆等建筑对应的规划用地)的规划控制指标结合相关的规范和规定要求执行,其中体育用地规划控制指标为:容积率不大于2.4,建筑密度不大于40%,建筑高度不宜大于24米。 2.3 建设用地规划控制 第2.3.1条 除公共服务设施用地(如公厕、社区用房、派出所、街道办事处、幼儿园、停车场、农贸市场等)及政府拍卖土地外,建设用地面积小于1500平方米的,不得单独开发建设。二环路以内的建设用地面积小于3000平方米的独立地块只能建设多层建筑,二环路以外的建设用地面积小于5000平方米的独立地块只能建设多层建筑。若小于起建标准,或由于自身地块的条件限制需与周边用地进行整合,整合时满足以下要求:被整合用地地块为不能单独开发的地块(旧城用地面积小于3000平方米,新区用地面积小于5000平方米)。 第2.3.2条 为加强规划管理,保证相邻用地之间的空间间距,在规划审批管理中,因城市建设需要而要求与相邻单位联建的情况的,规划行政管理部门在取得相关权益人同意的情况下可采取以下措施: 1.若相邻地块之间不设围墙,共用消防通道,相邻建筑之间只控制建筑间距; 2.若相邻地块采用建筑拼建,拼建部分可不退用地红线,但必须符合消防等相关规定,拼接建筑必须整体设计并同步实施; 3.相邻地块之间地下室可整体设计或通过通道连接、坡道共享。 第2.3.3条 住宅用地或兼容住宅的用地内,应设置集中绿地,集中绿地的面积不小于用地规定绿地面积的30%,且应将不小于50%的集中绿地面积临规划道路(河道或城市开放空间)设置,并同时满足以下规定: 1.集中绿地进深不小于8.0米,面宽不小于20.0米; 2.临规划道路(河道或城市开放空间)的集中绿地计算进深不大于计算宽度的两倍; 3.小于160平方米的集中绿地可不临规划道路(河道或城市开放空间)设置; 4.规划街头绿地由建设单位负责实施时,该规划绿地可抵扣该项目的临街集中绿地,但该绿地必须与建设项目统一规划,同步实施,且对外开放。 第2.3.4条 室外停车场应采用树荫式停车场(位)设计。在满足以下规定的前提下,可将室外停车场用地面积的20%计入绿地率: 1. 停车场(位)用地全部为植草砖铺地; 2.停车场(位)用地内平均每个车位一棵树(乔木); 3.停车场(位)的车位尺寸符合国家有关规范的规定。 第2.3.5条 对采用树阵植树方式的场地,如均为乔木、树距不大于5.0米、且树阵的用地面积不小于400平方米时,按树阵投影面积计算绿地面积。 第2.3.6条 配套设施应按建设规模、性质确定,与建设项目统一规划,同步实施。配套设施包括:绿化;机动车、非机动车停车场(库);门卫(收发)室;市政设施;物管用房;全民健身活动场地;垃圾收集点等。 第2.3.7条 拟建居住建筑面积之和大于3万平方米的项目,应配建全民健身活动场所一处,并配置健身活动设施。其中三环路以内活动场所的用地面积不小于150平方米(可设置于建筑物架空底层内),三环路以外活动场所用地面积不小于200平方米。健身活动场所用地面积按每3万平方米居住建筑面积为单位递增。全民健身活动场所宜结合绿地、社区文化活动站等配套设施统一规划建设。 第2.3.8条 新建建设项目,应按以下规定配建物业管理用房(包括物业办公用房、物业清洁用房、物业储藏用房、业主委员会活动用房等): 1.总建筑面积在10万平方米以下,按总建筑面积4‰配置,且建筑面积不小于100平方米; 2.总建筑面积在10万平方米以上、30万平方米以下,按总建筑面积3‰配置,且建筑面积不小于400平方米; 3.总建筑面积在30万平方米以上,按总建筑面积2‰配置,且建筑面积不小于900 平方米; 4.物业管理用房可分处设置,但位于地面以上部分不低于50%且每处建筑面积不小于100平方米。 5.配套的物业管理用房须有1间建筑面积不小于30平方米的业主委员会活动室且设置于地面以上部分。 第2.3.9条 建设用地内临规划道路的地下室,其顶板埋深除符合管线埋设深度要求外,还应符合下列规定: 1.超出建筑物范围的地下室顶板低于室外地坪应不小于0.6米; 2.位于集中绿地范围内的地下室,其顶板覆土应不小于1.2米。 第2.3.10条 建设用地内应按表2.3.10的规定配建机动车、非机动车停车场(库)。 表2.3.10 建设用地配建机动车、非机动车最小控制指标 建筑类别 机动车 (车位/100㎡建筑面积) 非机动车 (辆/100㎡建筑面积) 二环路以内 二环路以外 住宅 0.7 1.0 1.0 公共住房((政府投资的经济适用房和限价商品房) 0.35 0.35 1.5 宾馆、酒店 0.5 0.8 - 办公楼 0.5 0.8 0.4 商业场所 0.5 0.8 3.0 医院 0.5 0.8 1.5 体育馆 2.5 2.5 20 影剧院 3.0 3.0 15 展览馆 0.5 0.8 1.0 非生产性工业 0.5 0.8 0.4 工业品销售维修用地 0.5 0.5 - 注:1.含有住宅项目(不含公共住房项目)的建设用地内地面不宜停放机动车,少量的地面临时机动车停车不计入停车位指标;其它建设用地内地面机动车停车率不宜超过20%。 2.公共住房项目建设用地内地面机动车停车率不超过40%,计入停车位指标。 3.地铁1、2号线其地铁出入口街坊范围内的项目,如果其机动车停车位确不能达到以上指标,可在满足交通影响评价的基础上适当下浮,下浮的最大幅度不大于20%。 4.含有住宅项目的建筑配建机动车停车库建筑面积按每个停车位不小于30平方米控制。 5.凡本表中未予以明确配建停车位数量的,以规划条件确定要求为准。 6.一分区内建设项目机动车机械停车位数量不大于总机动车停车位的50%,其余分区范围内建设项目机动车机械停车位数量不大于总机动车停车位的25% 。 7.本指标为相应建筑形式的建筑面积须配置的规划车位数量控制下限值。 第2.3.11条 除安全、保密等有特殊要求的项目外,建设用地与规划道路(河道或城市开放空间)的分隔宜采用透空栏杆、绿篱、绿化、水景等形式。确需建围墙的,应符合以下规定: 1.通透式围墙通透率应大于70%,通透部分的绿视率应达60%以上; 2.绿色植物墙绿化覆盖率大于80%,无枯、死、残缺植物; 3.确需建实体围墙的,围墙临规划道路(河道或城市开放空间)要砌宽度30.0厘米以上、高度40.0厘米的种植槽,用于种植常绿植物,遮挡墙体,绿化覆盖率要达到100%。 第2.3.12条 在规划的公共绿地上配建公共服务设施用房时,建筑高度不大于8.0米且满足以下控制要求: 1.用地面积小于1公顷的公共绿地上只能配建面积小于50平方米的公厕或市政配套设施用房; 2.用地面积大于1公顷的公共绿地原则上可配建建筑密度不大于 3%的管理用房或公共配套设施。 第2.3.13条 对建设用地内控制性详细规划明确的具有一定保护(存)价值的历史遗迹应予保护,并根据相关规定后退保护距离。 第2.3.14条 农贸市场用地对应的建筑高度不大于24米,层数不大于6层,其中农贸市场的建筑面积不小于计入容积率建筑面积的50%并优先设置于地面1、2层。 第2.3.15条 60米(含60米)以上高层住宅建筑底层架空的规定: 1.在所有包含住宅建筑的项目中,纯住宅建筑底层必须设置为架空层,架空层净高不小于4米; 2.底层架空部分除必要的入口、门厅外应设置为绿化、居民健身设施及活动等开敞式的空间,不得设置机动车及非机动车停车位; 3.底层架空部分的地面标高应与室外地坪标高差不大于0.45米。 第2.3.16条 幼儿园最小建筑规模按表2.3.16的规定执行,新建中小学的班级数和建筑面积按《成都市主城区中、小学布点规划》确定的班级数和建筑面积。 表2.3.16 幼儿园最小建筑规模控制标准 类 别 用地面积(㎡) 最小规模 最小建筑面积(㎡) 幼儿园 <2500 3班(90人) 1200 2500-3500 6班(180人) 1700 3500-4500 9班(270人) 2450 ≥4500 12班(360人) 3000 第2.3.17条 住宅不得与办公、酒店用房进行拼建和叠建。 第2.3.18条 非生产性工业项目应满足以下要求: 1.非生产性工业项目的规划用地性质为一类工业用地,项目中可根据实际需求配置不超过总建筑面积7%的配套服务设施用房; 2.非生产性工业项目临规划道路、广场和绿地等禁设围墙。 第2.3.19条 高等学校校区建筑是指在高等学校用地上直接满足高等学校教学功能的建筑、必要的配套办公用房及附属设施。包括:教学楼、图书馆、实验室、实习场所及附属用房、风雨操场、校行政用房、系行政用房、会堂、学生宿舍、学生食堂、教工食堂、生活福利及其他附属用房等。 第三章 一般地区建筑规划管理 第3.0.1条 同一建筑在同时满足建筑间距和后退红线等多重控制要求的情况下,按最大的控制距离控制。 第3.0.2 条 建筑日照分析管理办法由市城乡规划主管部门另行制定。 3.1 建筑间距 第3.1.1条 建筑间距除满足日照、消防、卫生、环保、防灾、交通需求、工程管线埋设、建筑物保护、空间环境等方面的规范外,应同时满足第3.1.2~3.1.7条的规定。 第3.1.2条 建筑日照要求应满足以下规定: 1.每套住宅至少应有一个卧室或起居室(厅)大寒日日照不低于2小时(三环路以内住宅大寒日日照不低于1小时); 2.老年人、残疾人专用住宅应有一个卧室或起居室(厅)冬至日日照不低于2小时; 3.托儿所、幼儿园的生活用房和医院、疗养院半数以上病房、疗养室冬至日底层日照不低于3小时; 4.大、中、小学教学楼南向教室冬至日底层日照不低于2小时; 5.须满足日照要求的建筑,当下部作为商店、管理办公、停车、架空层等功能使用时,日照时间计算起点从最低层住宅窗台面起算; 6.日照计算须计入实体女儿墙和跃层建筑的高度,以及出挑的阳台、檐口等影响因素。 第3.1.3条 居住建筑(含公寓)的间距应满足以下规定: 1.居住建筑各类朝向平行相对布置时的最小间距按表3.1.3.1控制; 表3.1.3.1 居住建筑各类朝向平行相对布置时的最小间距 朝 向 最 小 间 距 朝 向 多、低层建筑 高层建筑 长边 山墙 主要朝向 次要朝向 多低层 建筑 长边 三环路以外: 1.2H 三环路以内: 1.0 H 且 低层相对:≥7.0米 多层对多、低层:≥12.0米 低层相对:6.0米 多低层相对:8.0米 多层相对:10.0米 高层位于南侧: ≥27.0米; 高层位于 东、西、北侧: ≥18.0米(多) ≥13.0米(低) ≥13.0米 山墙 — 6.0米 ≥10.0米 9.0米 高层 建 筑 主要 朝向 — — ≥27.0米 ≥13.0米 次要 朝向 — — — 13.0米 注:1. H:南侧建筑或东西向建筑平均高度; 2. H(多):多层建筑高度;H(低):低层建筑高度;H(高):高层建筑高度; 3. 建筑高度超过80.0米的建筑工程,按80.0米高度计算建筑间距; 4. 点式高层住宅主要朝向之间的间距按表3.1.3.1的规定控制,当建筑高度超过60.0米时,按60.0米高度计算建筑间距。 2.居住建筑高层主要朝向、多低层长边成角度布置时的最小间距按表3.1.3.2控制; 表3.1.3.2 居住建筑高层主要朝向、多低层长边 成角度布置时的最小间距 建筑间夹角 最小间距 α≤300 按表3.1.3.1中主要朝向(长边)对主要朝向(长边)规定控制 300<α≤600 按表3.1.3.1中主要朝向(长边)对主要朝向(长边)规定的0.8倍控制 α>600 按表3.1.3.1中主要朝向(长边)对次要朝向(山墙)规定控制 注:1 .表中α指两栋居住建筑的锐角夹角; 2 .如东西向与南北向同时存在,计算南北向。 3 .居住建筑错位布置时的最小间距按表3.1.3.3控制。 表3.1.3.3 居住建筑错位布置时的最小间距 Lx(Ly)最小距离 高层与高层 高层与多、低层 多、低层与多、低层 α≤600 13.0米 9.0米 6.0米 600<α≤900 13.0米 13.0米 10.0米 注:1. Lx、Ly为最小控制间距的两个方向上的垂直距离,参见附录三建筑间距图示。 第3.1.4条 非居住建筑与居住建筑的间距控制在满足建筑日照要求的基础上,应同时符合以下规定: 1.高层建筑之间的最小间距、多层建筑之间的最小间距按表3.1.3.1控制; 2.高层建筑与多层建筑之间的最小间距按表3.1.5.1控制。 第3.1.5条 非居住建筑之间的间距应满足以下规定: 1              .非居住建筑朝向平行相对布置时的最小间距按表3.1.5.1控制; 表3.1.5.1 非居住建筑朝向平行相对布置时的最小间距 朝向 最小 间距 朝向 多层建筑 高层建筑 长边 山墙 主要朝向 次要朝向 多层建筑 长边 1.0H 且≥6.0米 8.0米 ≥13.0米 13.0米 山墙 — 6.0米 9.0米 9.0米 高层建筑 主要 朝向 — — ≥21.0米 ≥13.0米 次要 朝向 — — — 13.0米 注:1. H:建筑平均高度; 2. H(多):多层建筑高度; 3. 建筑高度超过80.0米的建筑工程,按80.0米高度计算建筑间距。 2  . 非居住建筑高层主要朝向、多层长边成角度布置时的最小间距按表3.1.5.2控制; 表3.1.5.2 非居住建筑高层主要朝向、多层长边 成角度布置时的最小间距 建筑间夹角 最小间距 α≤300 按表3.1.5.1中主要朝向(长边)对主要朝向(长边)规定控制 300<α≤600 按表3.1.5.1中主要朝向(长边)对主要朝向(长边)规定的0.8倍控制 α>600 按表3.1.5.1中主要朝向(长边)对次要朝向(山墙)规定控制 注:1. 表中α指两栋非居住建筑之锐角夹角; 2. 如东西向与南北向同时存在,计算南北向。 3. 非居住建筑错位布置时的最小间距按表3.1.5.3控制。 表3.1.5.3 非居住建筑错位布置时的最小间距 Lx(Ly)最小距离 高层与高层 高层与多层 多层与多层 α≤600 13.0米 9.0米 6.0米 600<α≤900 13.0米 13.0米 8.0米 注:1. Lx、Ly为最小控制间距的两个方向上的垂直距离,参见附录三建筑间距图示。 第3.1.6条 高层建筑裙房与相邻建筑的间距控制按非居住多层建筑与相邻建筑的间距规定执行。 建筑高度大于24.0米的单层公共建筑与相邻建筑的间距控制按非居住高层建筑与相邻建筑的间距规定执行。 中高层住宅与相邻建筑的间距控制按高层居住建筑与相邻建筑的间距规定执行。 第3.1.7条 低层辅助用房不宜单独建设,应纳入主体建筑。若必须单独设置时,与相邻多层建筑的最小间距为6.0米,与高层建筑的最小间距为9.0米。 第3.1.8条 生产性工业建筑后退用地红线和周边建筑的距离满足以下要求: 1.与民用建筑项目相邻时,按建筑高度的一半退让; 2.与生产性工业项目相邻时,满足消防规范的相关要求; 3.生产性工业用地内部建筑间距应满足工业建筑设计规范的要求; 4.有特殊要求的工业建筑,应满足相应的规范和标准。 第3.1.9条 非生产性工业项目建筑间距按照本规定中关于非居住建筑的要求执行。 3.2 建筑退界 第3.2.1条 沿用地红线和沿规划道路、公路、河道、铁路以及市政线路(管线)等红线或保护带的建筑物,除退让界外现状建筑物距离满足第3.1.2~3.1.7条规定外,退界距离应同时满足第3.2.2~3.2.5条的规定。 第3.2.2条 若拟建建筑对界外空地(规划为住宅、托儿所、幼儿园、医院、疗养院、教学楼等有日照要求的建筑)有日照影响,其不符合日照要求的阴影在界外的影响距离(用地界至不符合日照要求的阴影范围的边缘线)不应大于10.0米。 第3.2.3条 各类建筑后退用地红线的最小距离按表3.2.3及下列规定控制: 1.建筑高度大于24.0米的单层公共建筑后退用地红线的距离根据其性质核定,最小后退距离为15.0米; 2.地下建(构)筑物外墙后退用地红线的距离不小于3.0米; 3.高层建筑裙房后退用地红线的距离按多层非居住建筑的后退规定执行; 4.中高层住宅后退用地红线的距离按高层居住建筑的后退规定执行。 表3.2.3 各类建筑后退用地红线的的最小距离 建筑类型
展开阅读全文

开通  VIP会员、SVIP会员  优惠大
下载10份以上建议开通VIP会员
下载20份以上建议开通SVIP会员


开通VIP      成为共赢上传

当前位置:首页 > 应用文书 > 规章制度

移动网页_全站_页脚广告1

关于我们      便捷服务       自信AI       AI导航        抽奖活动

©2010-2025 宁波自信网络信息技术有限公司  版权所有

客服电话:0574-28810668  投诉电话:18658249818

gongan.png浙公网安备33021202000488号   

icp.png浙ICP备2021020529号-1  |  浙B2-20240490  

关注我们 :微信公众号    抖音    微博    LOFTER 

客服