收藏 分销(赏)

小学校消防安全检查表.doc

上传人:精**** 文档编号:3439420 上传时间:2024-07-06 格式:DOC 页数:3 大小:65.50KB 下载积分:5 金币
下载 相关 举报
小学校消防安全检查表.doc_第1页
第1页 / 共3页
小学校消防安全检查表.doc_第2页
第2页 / 共3页


点击查看更多>>
资源描述
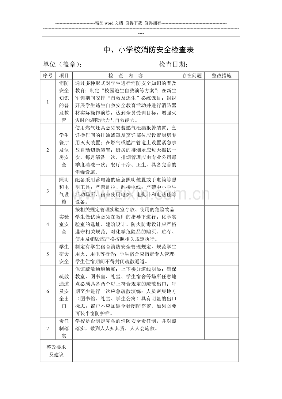
----------------------------精品word文档 值得下载 值得拥有---------------------------------------------- ---------------------------------------------------------------------------------------------------------------------------------------------- 中、小学校消防安全检查表 单位(盖章): 检查日期: 序号 项目 检 查 内 容 存在问题 整改措施 1 消防安全知识的普及教育 通过多种形式对学生进行消防安全知识的普及教育;制定“校园逃生自救演练方案”;在新生军训期间安排“自救及逃生”必练课目;组织开展学生逃生自救安全教育活动并进行消防器材实际操作演练,达到全员受训目标,增强火灾时的避险能力与自救能力。 2 学生餐厅及伙房安全 使用燃气灶具必须安装燃气泄漏报警装置;烹饪操作间的排油滤罩及烹饪部位应设置厨房专用灭火装置;在燃气或燃油管道上设置紧急事故自动切断装置;厨房的排烟罩应每天擦试一次,每月清洗一次,排烟管理应由专业公司每季度清洗一次;餐厅干净、卫生,具备完善的消毒设施。 3 照明和电气设施 配备采用蓄电池的应急照明装置或手电筒等照明工具;严禁乱拉、乱接电线;严禁中小学生活动场所、宿舍使用电炉、电熨斗和电热毯等设备。 4 实验室安全 按相关规定管理实验室存放、使用的危险物品;学生做试验必须在教师的指导下进行;化学实验室的选址、建筑设计、防火防毒设计应严格遵守相关规范;对化学危险品的购买、贮存、使用及销毁应严格按照相关规定执行。 5 学生宿舍安全 制定有学生宿舍消防安全管理规定,规范学生用火、用电等行为;学生宿舍应指定专人管理;学生住宿期间不得封闭疏散通道。 6 疏散通道及安全出口 保证疏散通道通畅;上下楼分道线明显;确保教室、图书室、礼堂、学生宿舍等场所任意地点必须具备两个以上符合规定的疏散出口;每期至少进行一次应急疏散演练;人员密集地方(图书馆、礼堂、学生公寓)具有明显的出口标志;窗户不应加装全封闭防盗窗,如果必要可装半窗防护栏。 7 责任制落实 学校是否制定完备的消防安全责任制,并对照落实,做到人人知其责,人人会施救。 整改要求 及建议 检查人: 合同管理制度 1 范围 本标准规定了龙腾公司合同管理工作的管理机构、职责、合同的授权委托、洽谈、承办、会签、订阅、履行和变更、终止及争议处理和合同管理的处罚、奖励; 本标准适用于龙腾公司项目建设期间的各类合同管理工作,厂内各类合同的管理,厂内所属各具法人资格的部门,参照本标准执行。 2 规范性引用 《中华人民共和国合同法》 《龙腾公司合同管理办法》 3 定义、符号、缩略语 无 4 职责 4.1 总经理:龙腾公司经营管理的法定代表人。负责对厂内各类合同管理工作实行统一领导。以法人代表名义或授权委托他人签订各类合法合同,并对电厂负责。 4.2 工程部:是发电厂建设施工安装等工程合同签订管理部门;负责签订管理基建、安装、人工技术的工程合同。 4.3 经营部:是合同签订管理部门,负责管理设备、材料、物资的订购合同。 4.5 合同管理部门履行以下职责: 4.5.1 建立健全合同管理办法并逐步完善规范; 4.5.2 参与合同的洽谈、起草、审查、签约、变更、解除以及合同的签证、公证、调解、诉讼等活动,全程跟踪和检查合同的履行质量; 4.5.3 审查、登记合同对方单位代表资格及单位资质,包括营业执照、经营范围、技术装备、信誉、越区域经营许可等证件及履约能力(必要时要求对方提供担保),检查合同的履行情况; 4.5.4 保管法人代表授权委托书、合同专用章,并按编号归口使用; 4.5.5 建立合同管理台帐,对合同文本资料进行编号统计管理; 4.5.6 组织对法规、制度的学习和贯彻执行,定期向有关领导和部门报告工作; 4.5.7 在总经理领导下,做好合同管理的其他工作, 4.6 工程技术部:专职合同管理员及材料、燃料供应部兼职合同管理员履行以下职责: 4.6.1 在主任领导下,做好本部门负责的各项合同的管理工作,负责保管“法人授权委托书”; 4.6.2 签订合同时,检查对方的有关证件,对合同文本内容依照法规进行检查,检查合同标的数量、金额、日期、地点、质量要求、安全责任、违约责任是否明确,并提出补充及修改意见。重大问题应及时向有关领导报告,提出解决方案; 4.6.3 对专业对口的合同统一编号、登记、建立台帐,分类整理归档。对合同承办部门提供相关法规咨询和日常协作服务工作; 4.6.4 工程技术部专职合同管理员负责收集整理各类合同,建立合同统计台帐,并负责
展开阅读全文

开通  VIP会员、SVIP会员  优惠大
下载10份以上建议开通VIP会员
下载20份以上建议开通SVIP会员


开通VIP      成为共赢上传

当前位置:首页 > 教育专区 > 其他

移动网页_全站_页脚广告1

关于我们      便捷服务       自信AI       AI导航        抽奖活动

©2010-2026 宁波自信网络信息技术有限公司  版权所有

客服电话:0574-28810668  投诉电话:18658249818

gongan.png浙公网安备33021202000488号   

icp.png浙ICP备2021020529号-1  |  浙B2-20240490  

关注我们 :微信公众号    抖音    微博    LOFTER 

客服