收藏 分销(赏)

江铃全顺四发动机电喷管理系统故障诊断与维修.doc

上传人:快乐****生活 文档编号:3397288 上传时间:2024-07-04 格式:DOC 页数:34 大小:1.33MB 下载积分:12 金币
下载 相关 举报
江铃全顺四发动机电喷管理系统故障诊断与维修.doc_第1页
第1页 / 共34页
江铃全顺四发动机电喷管理系统故障诊断与维修.doc_第2页
第2页 / 共34页


点击查看更多>>
资源描述
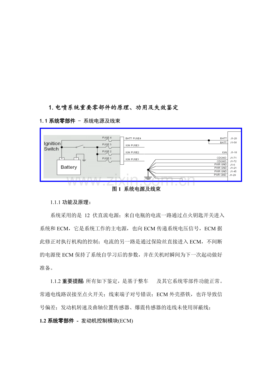
目录 1.电喷系统重要零部件的原理、功用及失效鉴定………………………………2 1.1系统电源及线束 ………………………………………………………2 1.2发动机控制模块(ECM) ………………………………………………3 1.3 ECM接线端子定义………………………………………………………4 1.4信号采集系统……………………………………………………………5 1.5发动机转速与曲轴位置传感器…………………………………………7 1.6歧管压力/温度传感器…………………………………………………8 1.7冷却液温度传感器………………………………………………9 1.8节气门位置传感器(TPS) …………………………………………10 1.9氧传感器(O2) ……………………………………………………12 1.10车速传感器(VSS) …………………………………………12 1.11爆震传感器(KS) …………………………………………14 1.12执行机构………………………………………………………14 2.电喷系统状况检查程序………………………………………………18 3.电喷系统故障代码及零部件失效控制模式………………………………22 4.电喷系统使用保养及常见故障排除方法………………………………26 5.参考文献……………………………………………………………29 6.谢词…………………………………………………………………………30 1.电喷系统重要零部件的原理、功用及失效鉴定 1.1系统零部件 - 系统电源及线束 图1 系统电源及线束 1.1.1功能及原理: 系统采用的是 12 伏直流电源;来自电瓶的电流一路通过点火钥匙开关进入系统和ECM,它是系统工作的主电源,也向ECM传递系统电压信号,ECM据此修正对执行机构的控制;电流的另一路是通过保险丝直接进入ECM,不间断的电源使ECM保持了系统自学习后的参数,并在关机时瞬间为下一次起动做好准备。 1.1.2重要提醒:所有如下鉴定,是基于整车 及其它系统零部件功能正常。常通电线路误接至点火开关;线束端子对号错误;ECM外壳搭铁,也许导致信号偏差;发动机转速及曲轴位置传感器、爆震传感器的连线未使用屏蔽线; 1.2系统零部件 - 发动机控制模块(ECM) 图2 发动机控制模块 1.2.1功能及原理: 发动机控制模块是一个以单片机为核心的微解决器。它的功能就是解决来自整车不同部位的传感器数据,判断发动机的工作状况,再通过执行器对发动机的进行准确的控制。安装:它应被安装在驾驶室内;外壳不宜搭铁。 1.2.2重要提醒:所有如下鉴定,是基于整车、线束及其它系统零部件功能正常。 ECM故障:系统无法与外界通讯; 防盗锁死:曾经连接防盗器; 信号输入系统故障:无法接受传感器信号; 发电机调节器故障,输出电压过高,连带ECM损坏; 输出控制系统故障:ECM内部驱动器损坏,使驱动执行机构不工作。 1.3系统零部件 - ECM接线端子定义 图3 ECM接线端子定义 1.4系统零部件 - 信号采集系统 1.4.1功能及原理: 信号采集系统的功能是向ECM提供发动机和整车的工作状态,以及驾驶员对动力及辅助功能的规定。目前系统配置中采用了如下信号: 发动机转速及曲轴位置传感器 歧管压力判缸 爆震传感器 氧传感器 节气门位置传感器 进气歧管压力传感器 进气温度传感器 发动机冷却液温度传感器 车速传感器 (整车厂提供) 空调蒸发温度传感器 (整车厂提供) 电力负载信号 (整车厂提供) 1.5系统零部件 - 发动机转速与曲轴位置传感器(CPS) 图4 发动机转速与曲轴位置传感器 1.5.1功能及原理: 发动机转速与曲轴位置传感器为磁电式传感器,它安装于飞轮附近,与飞轮上的58x齿圈共同工作。曲轴转动时,58X的齿顶和齿槽以不同的距离通过传感器,传感器感应到的磁阻的变化,这个这个交变的磁阻,产生了交变的输出信号,ECM 运用此信号拟定曲轴的旋转位置和转速。接线端子:A - 信号+、B - 信号-、C - 屏蔽层安装:它安装在变速箱壳体上。 1.5.2重要提醒:所有如下鉴定,是基于整车、线束及其它系统零部件功能正常。通过诊断仪读出由系统诊断的故障线束中此信号未使用屏蔽线或屏蔽线的屏蔽层接地不良;磁心吸附较多金属尘埃;传感器与齿圈距离超标;齿圈与曲轴的相对位置不对的或发生位移。 1.6系统零部件 - 歧管压力/温度传感器(MAP/MAT) 图5 歧管压力/温度传感器(MAP/MAT) 1.6.1功能及原理: 它是将进气歧管压力传感器与进气温度传感器组合在一体,以便于安装使用;其功能和分体式的相同;接线端子:A - 压力信号、B - +5V 、C - 温度信号D -信号地;安装:安装位置以压力测定功能优先。 1.6.2重要提醒:所有如下鉴定,是基于整车、线束及其它系统零部件功能正常。通过诊断仪读出由系统诊断的故障;20 ~ 30oC的常温下,MAT阻值为3510 ~ 2240 W 1.7系统零部件 - 冷却液温度传感器(CTS) 图6 冷却液温度传感器(CTS) 1.7.1功能及原理: 冷却液温度传感器用于检测发动机的工作温度;ECM将根据不同的温度,为发动机提供最佳的控制方案;冷却液温度传感器采用负温度系数的热敏电阻作为感应元件;接线端子:A - 信号地、B - 温度信号; 安装: 冷却液温度传感器装配在发动机的冷却液小循环通道上。 1.7.2重要提醒:所有如下鉴定,是基于整车、线束及其它系统零部件功能正常。通过诊断仪读出由系统诊断的故障;20 ~ 30oC的常温下,其阻值为3560 ~ 2260 W 1.8系统零部件 -节气门位置传感器(TPS) 图7 节气门位置传感器(TPS) 1.8.1功能及原理: 节气门位置传感器是线性可变电阻结构,其滑动端子由节气门轴带动;节气门的开度不同时, 该传感器所反映给ECM的电阻信号也不同,系统根据它输出的信号值及其变化速率鉴定发动机的实时负载和动态变化状况;接线端子:A - +5V、B -信号地、C - 节气门位置信号安装: 节气门位置传感器装在节流阀体总成上,与油门拉杆和节气阀门同轴。 1.8.2重要提醒:所有如下鉴定,是基于整车、线束及其它系统零部件功能正常。通过诊断仪读出由系统诊断的故障;A和B端子之间的阻抗为3k∼12k W; 测量C-A或C-B之间电阻变化,应平滑无滞涩。 图8 节气门位置传感器(TPS) 1.9系统零部件 - 氧传感器(O2) 图9 氧传感器 1.9.1功能及原理: 氧传感器是闭环燃油控制系统的一个重要标志性零件,它调整和保持抱负的空燃比,使三元催化器达成最佳的转换效率。 1.10系统零部件 - 车速传感器(VSS) 1.10.1功能及原理: 车速信号是由整车仪表提供,ECM接受数字化的方波,方波幅值为5~14伏之间;整车每公里相应的方波数量在系统开发之中拟定。系统标定运用此信号改善整车的驾驶性能。 1.10.2重要提醒:所有如下鉴定,是基于整车、线束及其它系统零部件功能正常。通过诊断仪读出由系统诊断的故障。信号失效的形式涉及:传感器损坏、接插件脱落、线束故障或人为制造。系统将对整车驾驶性能作适当限制,即:驾驶性能恶化。 图10 车速传感器(VSS) 1.11系统零部件 - 爆震传感器(KS) 图11 爆震传感器 1.11.1功能及原理: 爆震传感器是一种压电式的振动传感器,装配于发动机缸体上敏感部位,用于感应发动机产生的爆震。ECM通过爆震传感器探测爆震强度,进而修正点火提前角,对爆震进行有效控制,并优化发动机的动力性,燃油经济性和排放水平。系统采用平响应式爆震传感器,ECM对接受的信号过滤;由于传感器信号相对较弱,因而引线应采用屏蔽线。接线端子:A - 信号、B - 通过屏蔽层接地;安装: 爆震传感器装配于发动机爆震感应灵敏部位。 1.11.2重要提醒:所有如下鉴定,是基于整车、线束及其它系统零部件功能正常。通过诊断仪读出由系统诊断的故障线束中此信号未使用屏蔽线或屏蔽线的屏蔽层接地不良。 1.12系统零部件 - 执行机构 1.12.1功能及原理: 执行机构的功能是接受并实行来自ECM的控制信号。目前系统中重要执行机构的配置如下: 图12 执行机构 系统零部件 - 进气控制系统 功能及原理: 进气控制系统的功能就是根据发动机动力输出的规定提供相适应的空气量。进气量的控制分为积极控制和系统自动控制:积极控制就是驾驶员根据对发动机动力的不同需求,积极调节节气门的开度来改变进气量,以控制发动机的动力输出; 系统自动控制就是系统根据闭环控制监视器反馈的信息,自动调节进气量,以稳定发动机的工作(如:发动机怠速的闭环控制)。 系统零部件 - 节流阀体总成 图13 节流阀体总成 功能及原理: 节流阀体的功能是控制发动机工作时的进气量,它是电喷系统与驾驶员最基本的对话渠道;节流阀体由阀体、阀门、油门拉杆机构、节气门位置传感器、怠速控制阀等构成;有的节流阀体下部有一条冷却液管路,当发动机在寒冷的低温下工作,通过发动机加热的冷却液通过管路可以防止阀板区域的结冰。安装:节流阀体安装在进气歧管进气入口处。 重要提醒:所有如下鉴定,是基于整车、线束及其它系统零部件功能正常。阀门及怠速阀孔部分被油泥堵塞,应定期清洗。 系统零部件 - 怠速控制阀 图14 怠速控制阀 功能及原理: 怠速控制阀的功能是控制节流阀体旁通气道的流通面积,以调节进入发动机的空气量,实现对发动机怠速的控制。怠速控制阀的主体是一只步进电机,ECM通过数字化的方波信号,控制阀门的进/退和移动量。接线端子:A - 线圈B-、B - 线圈B+、C - 线圈A-、D -线圈A+;安装:节流阀体上。 重要提醒:所有如下鉴定,是基于整车、线束及其它系统零部件功能正常。通过诊断仪读出由系统诊断的故障,阀孔堵塞,阀接线端子经线束与ECM接线端子接插有误;ECM常供电源线差错。 系统零部件 - 点火系统 功能及原理: 点火系统的功能就是根据发动机控制模块发出的点火指令,适时地点燃发动机气缸内的空气和燃油的混合气体。系统采用的是分组点火,它将发动机的四个汽缸分为1-4、2-3 两组,分别进行点火的控制。点火的正时和线圈的驱动由ECM完毕。 图15 点火系统 系统零部件 - 点火线圈 图16 点火线圈 功能及原理: 点火线圈总成涉及两组线圈,每组为两个相差360度曲轴转角的气缸火花塞提供点火能量。点火是在活塞运营至压缩上止点和排气上止点同时进行;处在排气上止点附近的汽缸因内部气压低,且温度高,较少的点火能量即可使得火花塞的电极击穿点火,称之为多余点火;而处在压缩上止点汽缸内的混合气的密度和压力较高,所以较多的点火能量使该汽缸火花塞点火,混合气体迅速被点燃作功,这个汽缸的点火称为有效点火。接线端子:A - 2-3缸驱动、B - +12V、C - 1-4缸驱动;安装:发动机仓,注意无线电干扰屏蔽。 重要提醒:所有如下鉴定,是基于整车、线束及其它系统零 部件功能正常。通过诊断仪读出由系统诊断的故障火花塞引线脱落。 非系统零部件 - 火花塞及高压线 火花塞: - 火花塞的功能是点燃发动机气缸内的可燃气体; - 为减少点火时释出的无线电干扰电波和保护点火线圈驱动器,火花塞 应使用电阻型; - 为保证点火线圈的能量释放,火花塞间隙应调整到1.1mm; - 为保证各缸点火能量的一致性,各缸火花塞开口间隙应一致。高压线(火花塞引线): - 系统采用了高能和高压点火,高压线应具有合适的阻抗和能耐受足够的电压,并能克制高能点火时点火系统对外释出的无线电干扰电波。 图17 火花塞 系统零部件 - 供油系统 功能及原理: 供油系统的功能就是根据发动机控制模块发出的供油指令,适时地将燃油提供应相应的气缸。系统采用的是恒定压力变脉宽的顺序喷油方案,因此燃油供应子系统应提供一个具有一定压力燃油。有回油的系统油压为300kPa。 图18 供油系统 系统零部件 – 油轨总成 图19 油轨总成 功能及原理: 油轨是由燃油导油管、稳压仓、压力调节器、喷油嘴和一些固定部件所组成。油轨提供了高压燃油的调压容积和流向各喷嘴的管路,以及固定喷嘴的支撑。安装:它安装在进气歧管上。 图20 喷油嘴 系统零部件 - 油压调节器 图21 油压调节器 功能及原理: 油压调节器的作用是调节油轨中燃油的压力,消除因燃油供应速率改变、油泵供油的变化和发动机真空度的改变对喷油的干扰。燃油压力调节器由内部的调节弹簧和外部的进气歧管真空度的互相作用控制;它始终保持油轨内的油压与进气歧管内的压差恒定。经调节器调节的多余燃油通过回油管回到油箱。安装:油压调节器安装在油轨的一端。 重要提醒:所有如下鉴定,是基于整车、线束及其它系统零部件功能正常。真空调压管脱落;密封圈损坏;调压器损坏。 系统零部件 – 喷油嘴 功能及原理: 喷嘴结构是一个电磁开关装置。线圈引出两极通过发动机线束与ECM和电源相连;线圈受ECM控制对系统地导通后,产生磁力克服弹簧力、燃油的压力和歧管的真空吸力,吸起铁芯,燃油就穿过与铁芯一体的阀孔密封面,从导向孔喷出,雾状地喷到进气门处;断电后,磁力消失喷嘴关闭。喷油器的顶部采用橡胶密封圈与燃油导轨接口形成可靠压力燃油密封;下部亦采用橡胶密封圈与发动机进气歧管对空气密封。接线端子:A - +12V、B - ECM。 安装: 通过油轨固定于进气歧管。 重要提醒:所有如下鉴定,是基于整车、线束及其它系统零部件功能正常。通过诊断仪读出由系统诊断的故障;杂质堵塞;燃油蒸发后结胶;密封圈损坏,导致漏油或漏气;接插件脱落、线束或自身损坏。 系统零部件 - 碳罐清洗电磁阀(ECP) 图22 碳罐清洗电磁阀 功能及原理: ECM通过碳罐清洗控制电磁阀控制从碳罐进入进气歧管的汽油蒸气量;ECM对其输出脉冲方波,通气量与控制脉冲方波的占空比呈线性关系。ECM据发动机转速和负荷的状况,改变对碳罐清洗的工作时刻和速率。接线端子:A - ECM、B - +12V; 安装: 发动机仓,燃油蒸气碳罐和进气歧管之间。 重要提醒:所有如下鉴定,是基于整车、线束及其它系统零 部件功能正常。通过诊断仪读出由系统诊断的故障接插件脱落;自身损坏。 系统零部件 - 故障诊断与通讯系统 图23 故障诊断与通讯系统 功能及原理: 在系统进入工作状态后,ECM控制着系统所有零部件的工作,并实时地对其进行检测,一旦系故障出现,系统将启动“发动机故障指示灯”提醒车辆驾驶人员及时维修。“发动机故障指示灯”还可通过闪烁编码,显示故障代码,便于专业人员在紧急情况下进行故障判断。 重要提醒:所有如下鉴定,是基于整车、线束及其 它系统零部件功能正常。线束或接插件故障;无+12V或接地不良; 2.系统状况检查程序 2.1常规检查 线束接插件接插可靠;油路及真空管路固定可靠;碳罐电磁阀通气软管位置对的,安装牢固;固紧氧传感器和三元催化器接口端面螺栓,保证接头面的密封;必要时以1.3大气压检查排气系统,应无明显泄漏。 2.2系统初始化设立 电喷控制系统初始化:将点火开关旋至运营档,3秒钟后关断,10秒钟后系统初始化设立完毕。燃油供应系统初始化:将点火开关旋至运营档,3秒钟后关断,1秒钟后重新启动,反复5次,供油系统初始化设立完毕。 2.3系统及车辆状态检查 第一步 : 冷车, 钥匙开关旋至“ON”档,发动机静止(约30秒) 检 测 项 目 系统状态及限值 1) 显示故障码 无 2) 发动机故障指示灯 亮 3) 电瓶电压 11.5 ~ 13V 4) 冷却液温度传感器 正常温度 5) 进气温度传感器 环境温度 6) 进气歧管绝对压力传感器 环境大气压 (平原地区约: 100kPa) 7) 节气门位置传感器工作范围 0 ~ 99.6% 8) 氧传感器 < 200 mV (加热式) » 450 ± 10 mV(非加热式) 9) 怠速控制阀 40 ~ 159 steps(步) 第二步:钥匙开关旋至“OFF”档 检 测 项 目 系统状态及限值 1) 怠速马达实际位置 约8秒钟后停留到 128 步 2) ECM 电源是否关断 PCHUD/诊断仪显示中止 3) 发动机故障检查灯 灭 第三步:起动发动机(注意: 起动时不得操作发动机上任何机构和油门) 检 测 项 目 系统状态及限值 1) 起动时间 < 5秒 2) 常温下起动转速 < 1600 rpm 3) 发动机故障检查灯 灭 第四步:怠速检查(起动后预热发动机达正常水温) - 低怠速 检 测 项 目 系统状态及限值 1) 发动机故障指示灯 灭 2) 是否显示故障码 无 3) 冷却液温度 80 ~ 94 °C 4) 电瓶电压 13.5 ~ 14.5 V 5) 转速 标准怠速 ± 30 rpm (风扇、大灯及风机启动时) 标准怠速+50 ± 30 rpm 6) 点火提前角 5 ~ 13 ° 7) 进气歧管压力 35 ~ 55 kPa 8) 怠速马达实际位置 15 ~ 30 步 9) 喷油脉宽 2 ~ 4 mS’ 10) 氧传感器/10 秒钟内跳变次数 ³ 6 次 第四步:怠速检查(起动后预热发动机达正常水温) - 高怠速 检 测 项 目 系统状态及限值 1) 发动机故障指示灯 灭 2) 是否显示故障码 无 3) 冷却液温度 80 ~ 94 °C 4) 电瓶电压 13.5 ~ 14.5 V 5) 转速 实际值 (应控制在2023 ± 50 rpm) 6) 点火提前角 20 ~ 30 ° 7) 喷油脉宽 2 ~ 4 mS’ 8) 氧传感器/10秒钟内跳变次数 ³ 10 次 第四步:怠速检查(起动后预热发动机达正常水温) - 发动机冷却液风扇 冷却液温度 冷却风扇状态 94.00以上 低速风扇开 88.00以下 低速风扇关 98.00以上 高速风扇开 第五步:空调系统检查(针对装备空调的车辆) -空调关闭 检 测 项 目 系统状态及限值 1) 状态3 – A/C系统 出现 2) 状态5 – 前蒸发器 出现 第五步:空调系统检查(针对装备空调的车辆) -空调启动 检 测 项 目 系统状态及限值 1) 发动机怠速 标准怠速+150 ± 50 rpm 2) 状态3 – A/C请求信号 出现 3) 状态3 – A/C继电器 出现 4) 状态3 – A/C系统 出现 5) 状态4 – 风扇1 出现 6) 状态5 – 风扇2 出现 (假如装备双速风扇) 7) 状态5 – 前蒸发器 出现 第六步:驾驶检查 驾驶过程中涉及:节气门开度大于10%,连续15秒以上,以检查氧传感器故障;直接档,车速达成 80 km/h时,收油门滑行 5 秒钟以上,以检查车速传感器故障。 检 测 项 目 系统状态及限值 1) 发动机故障指示灯 灭 2) 故障码 无 3) 冷却液温度 80 ~ 94 °C 4) 电瓶电压 13.5 ~ 14.5 V 5) 进气歧管绝对压力传感器 20 kPa ~ 大气压 6) 节气门位置传感器工作范围 0 ~ 99.6% 7) 氧传感器 50 ~ 950 mV 3.故障代码及零部件失效控制模式 3.1故障代码及失效控制模式 - MAP传感器 P0105-1: 进气歧管压力过高 故障说明: 信号线对+5V或+12V短路。- 失效控制模式: 停止补偿喷油;停止自学习数据更新; 发动机未起动时,系统给定固定值,约为100kPa; 发动机运转时,以节气门位置传感器及转速信号,估算压力值。P0105-2: 进气歧管压力过低 故障说明: 传感器地线、+5V或信号线开路; 信号线对地短路。 失效控制模式:(相同于P0105-1) 停止补偿喷油;停止自学习数据更新;停止怠速调节; 发动机未起动时,系统给定固定值,约为100kPa; 发动机运转时,以节气门位置传感器信号,估算压力值。 3.2故障代码及失效控制模式 - 进气温度传感器 P0110-1: 进气温度过低 故障说明:信号线对+5V、+12V短路或与ECM开路。 失效控制模式: 默认值约为45℃; 设定值 = 默认值 当 冷却液温度传感器故障或冷却液温度值高于默认值; 设定值 = 冷却液温度 @ 冷却液温度值低于于默认值。P0110-2: 进气温度过高 故障说明: 信号线对地短路。 失效控制模式:(相同于P0110-1) 默认值约为45℃; 设定值 = 默认值 当 冷却液温度传感器故障或冷却液温度值高于默认值; 设定值 = 冷却液温度 当 冷却液温度值低于于默认值。 3.3故障代码及失效控制模式 - 冷却液温度传感器 P0115-1: 冷却液温度过低 故障说明: 信号线对+5V、+12V短路或与ECM开路。 失效控制模式: 默认值标定为发动机正常工作水温(如:80℃); 设定值 = 以进气温度传感器值估算,并随发动机运转时间递增;但最高不超过默认值; 设定值= 默认值 当 发动机运转 511秒后; 水箱电动风扇将启动。P0115-2: 冷却液温度过高 故障说明: 信号线对地短路。 失效控制模式:(相同于P0115-1) 默认值标定为发动机正常工作水温(如:80℃); 设定值 = 以进气温度传感器值估算,并随发动机运转时间递增;但最高不超过默认值; 设定值= 默认值 @ 发动机运转 511秒后; 水箱电动风扇将启动。 3.4故障代码及失效控制模式 - 氧传感器 P0130-4: 氧传感器无信号 故障说明:> 信号线与ECM开路。 失效控制模式:> 不进入闭环控制 P0170-1: 氧传感器浓信号时间长 故障说明:> 信号线与+5V、+12V短路或供油系统故障。 失效控制模式:> 不进入闭环控制。 P0170-2: 氧传感器稀信号时间长 故障说明:> 信号线对地短路或供油系统故障。 失效控制模式:> 不进入闭环控制。 3.5故障代码及失效控制模式 - 碳罐电磁阀电路故障 P0443-1: 碳罐电磁阀与蓄电池短路 故障说明:> 碳罐电磁阀控制线路与电瓶短路; 失效控制模式:> 无补救措施。 P0443-2:碳罐电磁阀对地短路或开路 故障说明:> 碳罐电磁阀控制线路对地短路、接插件脱落或电磁阀损坏; 失效控制模式: > 无补救措施。 故障代码及失效控制模式 - 冷却风扇电路故障 P0480-1和P0481-1: 风扇继电器电路对蓄电池短路 故障说明: P0480-1:低速风扇继电器与蓄电池短路 P0481-1:高速风扇继电器与蓄电池短路 失效控制模式: 无补救措施,低速系统故障后,待水温上升至高速风扇起动。 P0480-2和P0480-2: 风扇继电器电路对地短路或开路 故障说明: P0480-2:低速风扇继电器对地短路或开路 P0481-2:高速风扇继电器对地短路或开路 失效控制模式: 无补救措施,低速系统故障后,待水温上升至高速风扇起动。故障代码及失效控制模式 车速传感器线路故障 P0500-0:车速传感器电路故障 故障说明: 传感器或其线路对+12V、地线短路;与ECM开路;传感器损坏; 失效控制模式: 强制性通过限制发动机最高转速,达成限制车速的目的;通常限制整车直接档车速在 50km/h 以内。故障代码及失效控制模式 - 怠速控制故障 P0505-0:怠速控制系统故障 故障说明: 线束端子错误、进气系统漏气、怠速阀孔堵塞和阀体损坏也许导致怠速控制系统故障。 失效控制模式:> 无补救措施。 故障代码及失效控制模式 - 系统电压超高 P0560-0:系统电压超高 故障说明: 使用错误的电瓶或发电机调节器故障,将导致系统电压超高。 失效控制模式: 无补救措施;应及时排除故障,否则系统零部件将受严重损害。 4.使用保养及常见故障排除方法 4.1故障诊断手段 发动机故障指示灯: 当系统或零部件出现故障时,它提醒车辆驾驶人员及时维修。 “发动机故障指示灯”代码频闪(适于应急故障解决): 这是最经济,简朴获取故障代码的手段。 系统故障读码器(适合作为随车工具); 读码器可方便、快速地读取系统故障代码。 电喷系统故障诊断仪(合用于维修站及整车下线检查): 德尔福公司已向中国的诊断仪公司发放了系统通讯协议,其产品如: “电眼睛”、 “修车王”、 “车博士”等,可用于本系统的故障诊断和发动机工作状态分析。 PC-HUD分析软件: 德尔福提供PC-HUD软件,可使用普通计算机进行发动机的状态分析和故障诊断。 5使用保养及故障排除方法 5.1平常使用及保养 汽油应使用说明书规定标号的优质无铅汽油; 机油消耗异常时,应尽快解决,由于机油中所含的磷会使氧传感器及三元催化器失效; 发动机故障灯在发动机运营过程中点亮,务必尽快查明因素并排除; 发动机或整车每隔一个月应运转一次,以防止喷嘴和油泵结胶; 起动发动机时,不得操作发动机上任何机构(涉及油门),天冷时, 可切 开离合器; ECM具有防潮功能, 但不得使用高压水枪冲涮其外壳; 汽油滤清器每7,000 ~ 10,000km更换一次; 正常使用条件下,每4万公里或两年清洗喷嘴和节流阀体。 5.2维修工具 电喷系统零部件的拆装:常用汽车机械零部件拆卸工具; 电喷系统电路及系统电信号:数字式万用表(带蜂鸣); 燃油压力表, 量程0 ~ 1 MPa; 电喷系统故障诊断及发动机工作状况检测 1) 汽车电喷系统故障诊断仪; 2) 486配置以上计算机, Windows 95 以上操作系统, 德尔福专用 故障诊断软件 (PC-Hud)和接口连线 (有条件可使用); 3) 电喷系统故障读码卡 (应急使用)。 5.3排故时的注意事项 电喷系统零部件的可靠性较高,当整车或发动机出现异常时,一方面检查相关的机械零部件、系统接插件和线束状况;在拟定零部件损坏之前,应反复进行替换实验检查。在进行更换ECM检查时,务必注意该车是否装备电脑防盗器。若是,先给防盗器断电,再更换ECM,否则新ECM将会被防盗锁定而不能在其它车上工作。 拆卸燃油系统零部件时(如:更换滤清器、拆卸油泵或油轨进/回油管路),先用抹布遮挡在油管接头处,再小心松开接头以泄除管路油压。操作过程中应避免燃油溅落到发动机及其高温排气管路上。 不得采用拔火花塞引线的方法检查点火系统是否工作,由于喷嘴仍在工作,喷出而未使用的汽油会在三元催化器中燃烧并迅速导致破坏;当电瓶电压局限性或起动机故障时,不得长时间使用外力的方法起动发动机,由于系统通电后,只要收到发动机转动信号,喷油就开始;若发动机长时间不着车,未燃烧的燃油就会积存在三元催化器内,一旦发动机开始工作,积存的燃油就会损坏催化器。 在点火开关接通的情况下,不要拆卸系统电器零部件,以免损坏相关零部件。 系统应使用抗干扰型火花塞和高压线,非阻抗型的火花塞和高压线会对ECM内的点火线圈驱动模块产生不良影响,甚至也许损坏ECM。 绝大多数的电喷零件是不可修复的,在确认零件损坏后, 一般是更换解决。 6 常见故障 6.1加速无力 检查油箱油量、燃油滤清器; 检查排气系统是否堵塞,如:三元催化器是否因烧机油或破碎而堵塞; 检查油路压力及油嘴。 6.2油耗异常高 在拟定发动机机械部件及氧传感器状态正常后,运转发动机观测氧传感器读数,在正常水温下,若读数始终大于500 mV,检查喷油嘴是否 漏油、水温传感器、歧管压力传感器电压读数是否正常。未装空调车显示空调系统故障 检查预留的空调插头是否被污染,清洁后做防尘保护,然后断开ECM电源,断电10分钟后恢复。 6.3ECM被防盗器锁死 更换防盗器和ECM,根据防盗器的安装程序起动防盗功能,将锁死的ECM寄回德尔福解密后留作备用。 6.4防盗钥匙丢失或防盗器损坏 第一步:ECM被防盗器锁死的方法解决; 第二步:与防盗器供应商取得联系,规定相应服务。 结 论 在维修电喷管理系统的过程中,控制数据是不能修改的,固化在发动机控制模块(ECM)内的控制数据是通过实验优化的,它能满足排放法规的严格验证。只有电喷系统的开发厂商才有权和有能力在履行完备的批准程序后对其进行修改。 电喷系统零部件的可靠性较高,当整车或发动机出现异常时,一方面检查相关的机械零部件、系统接插件和线束状况;在拟定零部件损坏之前,应反复进行替换实验检查。在进行更换ECM检查时,务必注意该车是否装备电脑防盗器。若是,先给防盗器断电,再更换ECM,否则新ECM将会被防盗锁定而不能在其它车上工作。 拆卸燃油系统零部件时(如:更换滤清器、拆卸油泵或油轨进/回油管路),先用抹布遮挡在油管接头处,再小心松开接头以泄除管路油压。操作过程中应避免燃油溅落到发动机及其高温排气管路上。 不得采用拔火花塞引线的方法检查点火系统是否工作,由于喷嘴仍在工作,喷出而未使用的汽油会在三元催化器中燃烧并迅速导致破坏;当电瓶电压局限性或起动机故障时,不得长时间使用外力的方法起动发动机,由于系统通电后,只要收到发动机转动信号,喷油就开始;若发动机长时间不着车,未燃烧的燃油就会积存在三元催化器内,一旦发动机开始工作,积存的燃油就会损坏催化器。 在排除故障时,需要注意,通过对这些故障的排除我们可以总结2点。一是在工作中要打破常规思维,要学会以变应变。由于我们头脑中已经形成的一些结论以及思考方法,并不一定是完全对的的,有时甚至一些资料中也会存在一些错误,会对我们产生误导。要敢于怀疑自己,不能一成不变,思想上要常变常新,不能死钻牛角尖。二是对于一例较为复杂的故障,学会采用“冷解决”的维修方法。就是不要急于动手,先做好准备工作后,再来解决会更容易找到问题的切入点。采用这种“冷解决”的维修方法在实际工作中是很有好处的。由于有些相对复杂的故障现象,只有在将准备工作做得很充足的情况下,做出条理清楚的维修方案,这些问题才也许会迎刃而解,达成事半功倍的效果。 我们通过以上的了解,知道了江铃全顺4G64发动机电喷管理系统的基本构造及典型故障,维修原理,我们更应当学习新的知识。当今社会科技一日千里,特别是汽车工业技术,假如我们不跟上社会的潮流,我们会被社会所淘汰,被汽车工业所抛弃,我们只有不断地学习新的知识才干适应这个科技发达的社会,才干在汽车行业中有立足之地。 参考文献 1、关文达,汽车构造[M],清华大学出版社,2023年1月第二版。 2、张西振,机械工业出版社,[M],2023年一月第一版。 3、刘越琪,机械工业出版社,[M],2023年。 4、刘仲国,机械工业出版社,[M],2023年。 5、黄海波,机械工业出版社,[M],2023年。 致 谢 非常感谢高维老师、戴晓峰老师、王武林老师在我大学的最后学习阶段——毕业设计阶段,给予我们的指导。从最初的定题,到资料收集,到写作、修改,到论文定稿,他们都耐心的指导和无私的帮助。为了指导我们的毕业论文,他们放弃了自己的休息时间,他们的这种无私奉献的敬业精神令人钦佩,在此我向他们表达我真挚的谢意。同时,感谢所有任课老师和所有同学这三年来给予我的指导和帮助,是他们教会了我专业知识,教会了我如何学习,教会了我如何做人。正是由于他们,我才干在各方面取得显著的进步,在此向他们表达我由衷的谢意,并祝所有的老师培养出越来越多的优秀人才,桃李满天下! 通过这一阶段的努力,我的毕业论文《全顺4G64发动机电喷管理系统故障诊断与维修》终于完毕了,这意味着大学生活即将结束。在本论文的写作过程中,我的导师高维老师倾注了大量的心血,从选题到开题报告,从写作提纲,到一遍又一遍的指出每稿中的具体问题,严格把关,循循善诱,在此我再次表达衷心感谢。在大学阶段,我在学习上和思想上都受益非浅,这除了自身的努力外,与各位老师、同学和朋友的关心、支持和鼓励是分不开的。 此外,感谢校方给予我这样一次机会,可以独立地完毕一个课题,并在这个过程当中给予我各种方便,是我在即将离校的最后一段时间里,可以更多学习一些实践应用知识,增强了我时间操作和动手应用能力,提高了独立思考的能力。在这对我的母校表达感谢。 三年寒窗,所收获的不仅仅是更加丰厚的知识,更重要的是在阅读、实践中所培养的思维方式、表达能力和广阔视野。很庆幸这些年来我碰到了许多恩师益友,无论在学习上、生活上还是在工作上都给予了我无私的帮助和热心的照顾,让我在诸多方面都有所成长。感恩之情难以用语言量度,谨以最朴实的话语致以最崇高的敬意。 作者:
展开阅读全文

开通  VIP会员、SVIP会员  优惠大
下载10份以上建议开通VIP会员
下载20份以上建议开通SVIP会员


开通VIP      成为共赢上传

当前位置:首页 > 包罗万象 > 大杂烩

移动网页_全站_页脚广告1

关于我们      便捷服务       自信AI       AI导航        抽奖活动

©2010-2025 宁波自信网络信息技术有限公司  版权所有

客服电话:0574-28810668  投诉电话:18658249818

gongan.png浙公网安备33021202000488号   

icp.png浙ICP备2021020529号-1  |  浙B2-20240490  

关注我们 :微信公众号    抖音    微博    LOFTER 

客服