收藏 分销(赏)

钢结构单层厂房结构计算书.doc

上传人:a199****6536 文档编号:3320962 上传时间:2024-07-01 格式:DOC 页数:42 大小:764.04KB 下载积分:12 金币
下载 相关 举报
钢结构单层厂房结构计算书.doc_第1页
第1页 / 共42页
钢结构单层厂房结构计算书.doc_第2页
第2页 / 共42页


点击查看更多>>
资源描述
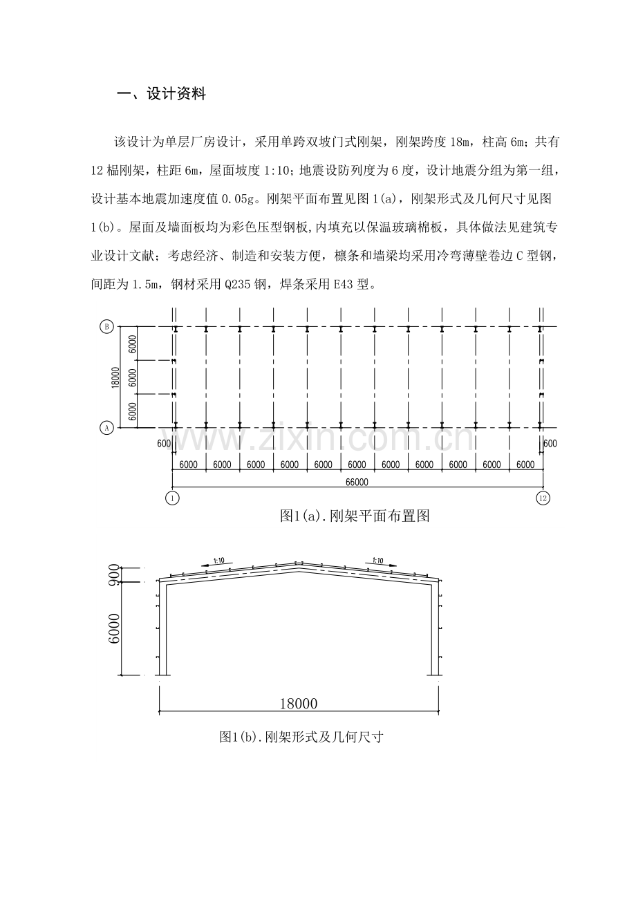
钢结构课程设计 ---王子涵 一、设计资料 该设计为单层厂房设计,采用单跨双坡门式刚架,刚架跨度18m,柱高6m;共有12榀刚架,柱距6m,屋面坡度1:10;地震设防列度为6度,设计地震分组为第一组,设计基本地震加速度值0.05g。刚架平面布置见图1(a),刚架形式及几何尺寸见图1(b)。屋面及墙面板均为彩色压型钢板,内填充以保温玻璃棉板,具体做法见建筑专业设计文献;考虑经济、制造和安装方便,檩条和墙梁均采用冷弯薄壁卷边C型钢,间距为1.5m,钢材采用Q235钢,焊条采用E43型。 二、荷载计算 (一)荷载取值计算 1.屋盖永久荷载标准值(对水平投影面) YX51-380-760型彩色压型钢板 0.15 KN/m2 50mm厚保温玻璃棉板 0.05 KN/m2 PVC铝箔及不锈钢丝网 0.02 KN/m2 檩条及支撑 0.10 KN/m2 刚架斜梁自重 0.15 KN/m2 悬挂设备 0.20 KN/m2 合计 0.67 KN/m2 2.屋面可变荷载标准值 屋面活荷载:按不上人屋面考虑,取为0.50KN/m2。 雪荷载:基本雪压S0=0.45KN/m2。对于单跨双坡屋面,屋面坡角 α=5°42′38″,μr=1.0,雪荷载标准值Sk=μrS0=0.45KN/m2。 取屋面活荷载与雪荷载中的较大值0.50KN/m2,不考虑积灰荷载。 3.轻质墙面及柱自重标准值(涉及柱、墙骨架等)0.50 KN/m2 4.风荷载标准值 按《门式刚架轻型房屋钢结构技术规程》CECS102:2023附录A的规定计算。 基本风压ω0=1.05×0.45 KN/m2,地面粗糙度类别为B类;风荷载高度变化系数按《建筑结构荷载规范》(GB50009-2023)的规定采用,当高度小于10m时,按10m高度处的数值采用,μz=1.0。风荷载体型系数μs:迎风面柱及屋面分别为+0.25和-1.0,背风面柱及屋面分别为+0.55和-0.65(CECS102:2023中间区)。 5.地震作用 据《全国民用建筑工程设计技术措施—结构》中第18.8.1条建议:单层门式刚架轻型房屋钢结构一般在抗震设防烈度小于等于7度的地区可不进行抗震计算。故本工程结构设计不考虑地震作用。 (二)各部分作用的荷载标准值计算 屋面: 恒荷载标准值:0.67×6=4.02KN/m 活荷载标准值:0.50×6=3.00KN/m 柱荷载: 恒荷载标准值:0.5×6×6+4.02×9=54.18KN 活荷载标准值:3.00×9=27.00KN 风荷载标准值: 迎风面:柱上qw1=0.47×6×0.25=0.71KN/m 横梁上qw2=-0.47×6×1.0=-2.82KN/m 背风面:柱上qw3=-0.47×6×0.55=-1.55KN/m 横梁上qw4=-0.47×6×0.65=-1.83KN/m 三、内力分析 考虑本工程刚架跨度较小、厂房高度较低、荷载情况及刚架加工制造方便,刚架采用等截面,梁柱选用相同截面。柱脚按铰接支承设计。采用弹性分析方法拟定刚架内力。引用《钢结构设计与计算》(包头钢铁设计研究院编著,机械工业出版社)中表2-29(铰接柱脚门式刚架计算公式)计算刚架内力。 1.在恒荷载作用下 λ=l/h=18/6=3 ψ=f/h=0.9/6=0.15 k=h/s=6/9.0449=0.6634 μ=3+k+ψ(3+ψ)=3+0.6634+0.15×(3+0.15)=4.1359 HA=HE=qlλΦ/8=4.02×18×3×0.5289/8=14.35KN MC=ql2[1-(1+ψ) Φ]/8=4.02x182[1-(1+0.15)×0.5289]=63.78KN·m MB=MD=-ql2Φ/8=-4.02×182×0.5289/8=-86.11KN·m 刚架在恒荷载作用下的内力如图。 内力计算的“+、-”号规定:弯矩图以刚架外侧受拉为正,在弯矩图中画在受拉侧;轴力以杆件受压为正,剪力以绕杆端顺时针方向旋转为正。 2.在活荷载作用下 VA=VE=27.00KN HA=HE=3.00×18×3×0.5289/8=10.71KN MC=3.00×182[1-(1+0.15)×0.5289]/8=47.60KN·m MB=MD=-3.00×182×0.5289/8=-64.26KN·m 刚架在活荷载作用下的内力如图。 3.在风荷载作用下 对于作用于屋面的风荷载可分解为水平方向的分力qx和竖向的分力qy。现分别计算,然后再叠加。 (1)在迎风面横梁上风荷载竖向分力qw2y作用下 VA=2.82×9-6.35=19.03KN HA=HE=qlλΦ/4=2.82×18×3×0.1322/4=5.03KN MB=MD=5.03×6=30.18KN·m MC= ql2[α2-(1+ψ) Φ]/4=2.82×182×[0.52-1.15×0.1322]/4=22.38KN·m 刚架在qw2y作用下的内力如图 (2)在背风面横梁上风荷载竖向分力qw4y作用下 VA=1.83×9-4.12=12.35KN HA=HE=qlλΦ/4=1.83×18×3×0.1322/4=3.27KN MB=MD=3.27×6=19.62KN·m MC= ql2[α2-(1+ψ) Φ]/4=1.83×182×[0.52-1.15×0.1322]/4=14.52KN·m 刚架在qw4y作用下的内力如图。 (3)在迎风面柱上风荷载qw1作用下 α=1, VA=-VB=-qh12/2L=-0.71×62/(2×18)=-0.71KN HE=0.71×6-3.22=1.04KN MD=1.04×6=6.24KN·m 刚架在qw1作用下的内力如图。 (4)在背风面柱上风荷载qw3作用下 VA=-VB=-qh12/2L=-1.55×62/(2×18)=-1.55KN HA=1.55×6-7.02=2.28KN MD=7.02×6-1.55×62/2=14.22KN·m MB=2.28×6=13.68KN·m 刚架在qw3作用下的内力如图。 (5) 在迎风面横梁上风荷载水平分力qw2x作用下 α=1,β=0 HA=2.82×0.9(1+0.0202)/2=1.29KN HE=2.82×0.9-1.29=1.25KN MB=1.29×6=7.74KN·m MD=1.25×6=7.50KN·m 刚架在qw2x作用下的内力如图。 (6) 在背风面横梁上风荷载水平分力qw4x作用下 HA=1.83×0.9(1+0.0202)/2=0.84KN HE=1.83×0.9-0.84=0.81KN MB=0.81×6=4.86KN·m MD=0.84×6=5.04KN·m 刚架在qw4x作用下的内力如图。 (7)用叠加绘制在风荷载作用下刚架的组合内力。 四、内力组合 刚架结构构件按承载能力极限状态设计,根据《建筑结构荷载规范》(GB50009-2023)的规定,采用荷载效应的基本组合:γ0S≤R。本工程结构构件安全等级为二级,γ0=1.0。 对于基本组合,荷载效应组合的设计值S从下列组合值中取最不利值拟定: A.1.2×恒荷载标准值计算的荷载效应+1.4×活荷载标准值计算的荷载效应 B.1.0×恒荷载标准值计算的荷载效应+1.4×风荷载标准值计算的荷载效应 C.1.2×恒荷载标准值计算的荷载效应+1.4×活荷载标准值计算的荷载效应+0.6×1.4×风荷载标准值计算的荷载效应 D.1.2×恒荷载标准值计算的荷载效应+1.4×风荷载标准值计算的荷载效应+0.7×1.4×活荷载标准值计算的荷载效应 E.1.35×恒荷载标准值计算的荷载效应+0.7×1.4×活荷载标准值计算的荷载效应 本工程不进行抗震验算。最不利内力组合的计算控制截面取柱底、柱顶、梁端及梁跨中截面,对于刚架梁,截面也许的最不利内力组合有: 梁端截面:(1)Mmax及相应的N、V; (2)Mmin及相应的N、V 梁跨中截面:(1)Mmax及相应的N、V; (2)Mmin及相应的N、V 对于刚架柱,截面也许的最不利内力组合有: (1)Mmax及相应的N、V; (2)Mmin及相应的N、V (3)Nmax及相应的±Mmax、V ; (4)Nmin及相应的±Mmax、V 内力组合见表1。 刚架内力组合表(以左半跨为例) 表1 截面 内力组组合项目 荷载组合方式 荷载组合项目 M (KN·m) N (KN) V (KN) 刚 架 柱 柱顶(B点) Mmax及相应的N、V A 1.2×恒+1.4×活 193.30 81.22 -32.21(←) Mmin及相应的N、V B 1.0×恒+1.4×风 -7.89 1.05 -1.67(←) Nmax及相应的±Mmax、V A 1.2×恒+1.4×活 193.30 81.22 -32.21(←) Nmin及相应的±Mmax、V B 1.0×恒+1.4×风 -7.89 1.05 -1.67(←) 柱底(A点) Mmax及相应的N、V Mmin及相应的N、V Nmax及相应的±Mmax、V A 1.2×恒+1.4×活 0 102.82 -32.21(→) Nmin及相应的±Mmax、V B 1.0×恒+1.4×风 0 19.05 4.30(←) 刚 架 梁 支座(B点) Mmax及相应的N、V A 1.2×恒+1.4×活 193.30 39.89 77.60(↑) Mmini及相应的N、V B 1.0×恒+1.4×风 -7.89 1.57 0.89(↑) 跨中(C点) Mmax及相应的N、V B 1.0×恒+1.4×风 -9.40 -2.03 0.60(↓) Mmin及相应的N、V A 1.2×恒+1.4×活 -143.18 31.81 -3.21(↑) 注:内力计算的“+、-”号规定:弯矩图以刚架外侧受拉为正,轴力以杆件受压为正,剪力以绕杆端顺时针方向旋转为正。 五、刚架设计 (一)截面设计 参考类似工程及相关资料,梁柱截面均选用焊接工字钢450×200×8×12,截面特性: B=200mm,H=450mm,tw=8.0mm,tf=12.0mm,A=82.1cm2 Ix=28181cm4,Wx=1252cm3,ix=18.53cm Iy=1602cm4,Wx=160.2cm3,ix=4.42cm (二)构件验算 1.构件宽厚比的验算 翼缘部分: 腹板部分: 2.刚架梁的验算 (1)抗剪验算 梁截面的最大剪力为Vmax=77.60KN 考虑仅有支座加劲肋, fv=125N/mm2 Vu=hwtwfv=426×8×125=426000N=426.0KN Vmax=77.60KN<Vu,满足规定。 (2)弯、剪、压共同作用下的验算 取梁端截面进行验算 N=39.89KN,V=77.60KN,M=193.30KN·N 因V<0.5Vu,取V=0.5Vu,按规范GB70017式4.4.1-1验算, =220.90KN·m>M=193.30KN·m,取M=Mf 故,满足规定。 (3)整体稳定验算 N=39.89KN,M=193.30KN·m A.梁平面内的整体稳定性验算。 计算长度取横梁长度lx=18090mm, λx=lx/ix=18090/185.3=97.63<[λ]=150,b类截面,查表得ψx=0.570 ,βmx=1.0 =165.15N/mm2<f=215 N/mm2,满足规定。 B.横梁平面外的整体稳定验算 考虑屋面压型钢板与檩条紧密连接,有蒙皮作用,檩条可作为横梁平面外的支承点,但为安全起见,计算长度按两个檩距或隅撑间距考虑,即ly=3015mm。 对于等截面构件γ=0,μs=μw=1 λy=μsl/iy0=3015/44.2=68.2,b类截面,查表得ψy=0.762 取ψb’=1.07-0.282/ψby=0.821 故,满足规定。 梁跨中截面: 故,满足规定。 (5)验算檩条集中荷载下的局部受压承载力 檩条传给横梁上翼缘的集中荷载: F=(1.2×0.27×6+1.4×3.00)×3=18.43KN Lz=a+5hy+2hR=70+5×12+0=130mm 验算腹板上边沿处的折算应力: 取梁端截面处的内力:M=193.30KN·m,N=39.89KN,V=77.60KN σc=17.72N/mm2 =130.65 N/mm2<1.2f=258 N/mm2,满足规定。 3.刚架柱的验算 (1)抗剪验算 柱截面的最大剪力为Vmax=32.21KN 考虑仅有支座加劲肋, fv=125N/mm2 Vu=hwtwfv=426×8×125=426000N=426.0KN Vmax=32.21KN<Vu,满足规定。 (2)弯、剪、压共同作用下的验算 取梁端截面进行验算 N=81.22KN,V=32.21KN,M=193.30KN·N 因V<0.5Vu,取V=0.5Vu,按规范GB70017式4.4.1-1验算, =215.61KN·m>M=193.30KN·m,取M=Mf 故,满足规定。 (3)整体稳定验算 构件的最大内力:N=102.82KN,M=193.30KN·m A.刚架柱平面内的整体稳定性验算。 刚架柱高H=6000mm,梁长L=18090mm. 柱的线刚度K1=Ic1/h=28181×104/6000=46968.3mm3 梁线刚度K2=Ib0/(2ψS)=28181×104/(2×9045)=15578.2mm3 K2/K1=0.332,查表得柱的计算长度系数μ=2.934。 刚架柱的计算长度lx=μh=17604mm。 λx=lx/ix=17604/185.3=95。0<[λ]=150,b类截面,查表得ψx=0.588 ,βmx=1.0 =181.45N/mm2<f=215 N/mm2,满足规定。 B.刚架柱平面外的整体稳定验算 考虑屋面压型钢板墙面与墙梁紧密连接,起到应力蒙皮作用,与柱连接的墙梁可作为柱平面外的支承点,但为安全起见,计算长度按两个墙梁距离或隅撑间距考虑,即ly=3000mm。 对于等截面构件γ=0,μs=μw=1 λy=μsl/iy0=3000/44.2=67.9,b类截面,查表得ψy=0.764 取ψb’=1.07-0.282/ψby=0.822 (4)按《钢结构设计规范》(GB50017-2023)校核刚架柱腹板允许高厚比 柱顶截面: 故,满足规定。 柱底截面: 故,满足规定。 4.验算刚架在风荷载作用下的侧移μ Ic=Ib=28181cm4,ζt= Ic l/hIb=18000/6000=3.0 刚架柱顶等效水平力按下式计算: H=0.67W=0.67×13.56=9.09KN 其中W=(ω1+ω4)·h=(0.71+1.55)×6.0=13.56KN (三)节点验算 1.梁柱连接节点 (1) 螺栓强度验算 梁柱节点采用10.9级M22高强度摩擦型螺栓连接,构件接触面采用喷砂,摩擦面抗滑移系数μ=0.45,每个高强度螺栓的预拉力为190KN,连接处传递内力设计值:N=39.89KN,V=77.60KN,M=193.30KN·m。 每个螺栓的拉力: 螺栓群的抗剪力: ,满足规定。 最外排一个螺栓的抗剪、抗拉力: ,满足规定。 (2)端板厚度验算 端板厚度取为t=21mm。 按二边支承类端板计算: (3)梁柱节点域的剪应力验算 ,满足规定。 (4)螺栓处腹板强度验算 Nt2=75.70KN<0.4P=0.4×190=76.0KN ,满足规定。 2.横梁跨中节点 横梁跨中节点采用10.9级M20高强度摩擦型螺栓连接,构件接触面采用喷砂,摩擦面抗滑移系数μ=0.45,每个高强度螺栓的预拉力为155KN,连接处传递内力设计值:N=31.81KN,V=3.21KN,M=143.18KN·m。 每个螺栓的拉力: 螺栓群的抗剪力: ,满足规定。 最外排一个螺栓的抗剪、抗拉力: ,满足规定。 (2)端板厚度验算 端板厚度取为t=18mm。 按二边支承类端板计算: (3)螺栓处腹板强度验算 Nt2=55.79KN<0.4P=0.4×155=62.0KN ,满足规定。 柱脚设计 刚架柱与基础铰接,采用平板式铰接柱脚。 (1)柱脚内力设计值 Nmax=102.82KN,相应的V=32.21KN; Nmin=19.05KN,相应的V=4.30KN。 (2)由于柱底剪力较小, Vmax=32.21KN<0.4Nmax=41.13KN,故一般跨间不需剪力键;但经计算在设立柱间支撑的开间必须设立剪力键。 另Nmin>0,考虑柱间支撑竖向上拔力后,锚栓仍不承受拉力,故仅考虑柱在安装过程中的稳定,按构造规定设立锚栓即可,采用4M24。 (3)柱脚底板面积和厚度的计算 A.柱脚底板面积的拟定 b=b0+2t+2c=200+2×12+2×(20~50)=264~324mm,取b=300mm; h=h0+2t+2c=450+2×12+2×(20~50)=514~574mm,取h=550mm; 底板布置如图。 验算底板下混凝土的轴心抗压强度设计值: 基础采用C20混凝土,fc=9.6N/mm2 ,满足规定。 B.底板厚度的拟定 根据柱底板被柱腹板和翼缘所分割的区段分别计算底板所承受的最大弯距: 对于三边支承板部分:b2/b1=96/426=0.225<0.3,按悬伸长度为b2的悬壁板计算: 对于悬壁板部分: 底板厚度,取t=20mm。 六、其它构件设计 (一)隅撑的设计 隅撑按轴心受压构件设计。轴心力N按下式计算: 连接螺栓采用普通C级螺栓M12。 隅撑的计算长度取两端连接螺栓中心的距离:l0=633mm。 选用L50×4,截面特性: A=3.90cm2,Iu=14.69cm4,Wu=4.16cm3,iu=1.94cm,iv=0.99cmλu=l0/ iu=633/19.4=32.6<[λ]=200, b类截面,查表得ψu=0.927 单面连接的角钢强度设计值乘以折减系数αy:λ=633/9.9=63.94, αy=0.6+0.0015λ=0.696 ,满足规定。 (二)檩条的设计 基本资料 檩条选用冷弯薄壁卷槽形钢,按单跨简支构件设计。屋面坡度1/10,檩条跨度6m,于跨中设一道拉条,水平檩距1.5m。材质为钢材Q235。 荷载及内力 考虑永久荷载与屋面活荷载的组合为控制效应。 檩条线荷载标准值:Pk=(0.27+0.5)×1.5=1.155KN/m 檩条线荷载设计值:Pk=(1.2×0.27+1.4×0.5)×1.5=1.536KN/m Px=Psinα=0.153KN/m,Py=Pcosα=1.528KN/m; 弯距设计值: Mx=Pyl2/8=1.528×62/8=6.88KN·m My=Pxl2/8=0.153×62/32=0.17KN·m 截面选择及截面特性 选用C180×70×20×2.2 Ix=374.90cm4,Wx=41.66cm3,ix=7.06cm; Iy=48.97cm4,Wymax=23.19cm3,Wymin=10.02cm3,iy=2.55cm,χ0=2.11cm; 先按毛截面计算的截面应力为: (压) (压) (拉) (2)受压板件的稳定系数 A.腹板 腹板为加劲板件,ψ=σmin/σmax=-157.82/172.48=-0.915>-1, k=7.8-6.29ψ+9.78ψ2=21.743 B.上翼缘板 上翼缘板为最大压力作用于部分加劲板件的支承边, ψ=σmin/σmax=148.18/172.48=0.859>-1, kc=5.89-11.59ψ+6.68ψ2=0.863 (3)受压板件的有效宽度 A.腹板 k=21.743,kc=0.863,b=180mm,c=70mm,t=2.2mm,σ1=172.48N/mm2 板组约束系数k1=0.11+0.93/(ξ-0.05)2=0.367 由于ψ=σmin/σmax<0,取α=1.5, bc=b/(1-ψ)=180/(1+0.915)=93.99mm b/t=180/2.2=81.82 18αρ=18×1.15×3.080=63.76,38αρ=38×1.15×3.080=134.60 所以18αρ<b/t<38αρ 则截面有效宽度 be1=0.4be=0.4×81.62=32.65mm,be2=0.6be=0.6×81.62=48.97mm B.上翼缘板 k=0.863,kc=21.743,b=70mm,c=180mm,σ1=172.48N/mm2 板组约束系数 由于ψ=σmin/σmax>0,则α=1.15-0.15ψ=1.15-0.15×0.859=1.021, bc=b=70mm,b/t=70/2.2=31.82 18αρ=18×1.021×1.197=22.00,38αρ=38×1.021×1.197=46.44 所以18αρ<b/t<38αρ 则截面有效宽度 be1=0.4be=0.4×57.05=22.82mm,be2=0.6be=0.6×57.05=34.23mm C.下翼缘板 下翼缘板全截面受拉,所有有效。 (4)有效净截面模量 上翼缘板的扣除面积宽度为:70-57.05=12.95mm;腹板的扣除面积宽度为: 93.99-81.62=12.37mm,同时在腹板的计算截面有一φ13拉条连接孔(距上翼缘板边沿35mm),孔位置与扣除面积位置基本相同。所以腹板的扣除面积按φ13计算,见图。有效净截面模量为: Wenx/Wx=0.915,Wenymax/Wymax=0.973,Wenymin/Wymin=0.972 4.强度计算 按屋面能阻止檩条侧向失稳和扭转考虑: 5.挠度计算 ,满足规定。 6.构造规定 λx=600/7.06=85.0<[λ]=200,满足规定 λy=300/2.55=117.6<[λ]=200,满足规定 (三)墙梁设计 1.基本资料 本工程为单层厂房,刚架柱距为6m;外墙高7.35m,标高1.200m以上采用彩色压型钢板。墙梁间距1.5m,跨中设一道拉条,钢材为Q235。 2.荷载计算 墙梁采用冷弯薄壁卷边C型钢160×60×20×2.5,自重g=7kg/m; 墙重0.22KN/m2; 风荷载 基本风压ω0=1.05×0.45=0.473KN/m2,风荷载标准值按CECS102:2023中的围护结构计算:ωk=μsμzω0,μs=-1.1(+1.0) 本工程外墙为落地墙,计算墙梁时不计墙重,另因墙梁先安装故不计拉条作用。 qx=1.2×0.07=0.084KN/m,qy=-1.1×0.473×1.5×1.4=-1.093KN/m 3.内力计算 Mx=0.084×62/8=0.378KN·m,My=1.093×62/8=4.919KN·m 4.强度计算 墙梁C160×60×20×2.5,平放,开口朝上 Wxmax=19.47cm3,Wmin=8.66cm3,Wy=36.02cm3,Iy=288.13cm4 参考屋面檩条的计算结果及工程实践经验, 取Wenx=0.9 Wx,Weny=0.9 Wy 在风吸力下拉条位置设在墙梁内侧,并在柱底设斜拉条。此时压型钢板与墙梁外侧牢固相连,可不验算墙梁的整体稳定性。 5.挠度计算 ,满足规定。 (四)山墙抗风柱设计 基本资料 本工程山墙墙板为自承重墙;抗风柱6274mm,间距采用6m,承受的荷载有自重、墙梁重量及山墙风荷载。抗风柱与基础铰接,按压弯构件设计。抗风柱视为支承于刚架横梁和基础的简支构件。 该地区基本风压ω0=0.45KN/m2,地面粗糙度类别为B类,隅撑间距3.0m。抗风柱采用Q235钢。 荷载计算 抗风柱选用焊接工字钢300×200×6×10,自重g1=44.6kg/m 墙梁及其支撑构件重量取g2=7kg/m 风荷载:按CECS102:2023中的围护结构计算。 ωk=μsμzω0,μs=-1.0(+1.0),ω0=1.05×0.45=0.473KN/m2 qz=1.2×(0.07×6×3+44.6×6.274×10-2)=4.87KN qy=1.4×1.0×1.0×0.473×6=3.97KN/m 墙梁自重对抗风柱的偏心力矩为1.2×0.07×6×3×0.23=0.35KN·m 内力计算 N=4.87KN,M=1/8×3.97×6.2742+0.35=19.88KN·m 验算构件的局部稳定性 翼缘宽厚比b/t=96/10=9.6< ,因1.6<α0<2.0, l0=6274mm,λx= l0/ ix=48.5<[λ]=150 故,满足规定。 强度验算 截面特性:A=56.8cm2,Ix=9511cm4,Wx=634.1cm3,ix=12.94cm, Iy=1334cm4,Wy=133.4cm3,iy=4.85cm 验算弯矩作用平面内的稳定性 λ=48.5,b类截面,查表得ψx=0.863 ,βmx=1.0 =30.85N/mm2<f=215 N/mm2,满足规定。 验算弯矩作用平面外的稳定性 考虑隅撑为抗风柱平面外的侧向支撑点 l0y=3000mm,λy= l0y/ iy=3000/48.5=61.9<[λ]=150,b类截面,查表得ψy=0.797 ,η=1.0,βtx=1.0 =32.97N/mm2<f=215 N/mm2,满足规定。 挠度验算 抗风柱在水平风荷载作用下,可视为单跨简支梁按下式计算其水平挠度: 柱脚设计 因抗风柱承受的竖向荷载很小,故垫板尺寸按构造规定拟定。采用 -400×300×20;锚栓采用2M20,平面布置如图。 (五)柱间支撑的设计 柱间支撑的布置如图 柱间支撑为斜杆,采用带张紧装置的十字交叉圆钢支撑。直杆用檩条兼用,因檩条留有一定的应力裕量,根据经验及类似工程,不再作压弯杆件的刚度及承载力验算。 柱间支撑荷载及内力 支撑计算简图如图。 作用于两侧山墙顶部节点的风荷载为(山墙高度取7.2m): 取μs=0.8+0.5=1.3,ω1=1.3×1.0×0.45×18×7.35/2=38.70KN 按一半山墙面作用风载的1/3考虑节点荷载标准值为: Fwk=1/3×1/2×38.70=6.45KN 节点荷载设计值Fw=1.4×6.45=9.03KN 斜杆拉力设计值N=9.03/cos43.9191°=12.54KN 斜杆截面设计及强度验算 斜杆选用φ12圆钢,A=113.0mm2 强度验算:N/A=12.54×103/113.0=111.0N/mm2 <f= 215N/mm2 刚度验算:张紧的圆钢不需要考虑长细比的规定。 但从构造上考虑采用φ16。 (六)屋面支撑设计 屋面支撑布置 檩条间距1.5m,水平支撑间距3m,如图。 屋面支撑荷载及内力 屋面支撑斜杆采用张紧的圆钢,支撑计算简图如图。 一侧山墙的风荷载体型系数μs=1.0, 节点荷载标准值Fwk=0.45×1.0×1.0×3.0×7.35/2=4.96KN; 节点荷载设计值Fw=4.96×1.4=6.94KN; 斜杆拉力设计值N=2.5×6.94/cos29.0546°=19.85KN; 3.斜杆截面设计及强度验算 斜杆选用φ12圆钢,A=113.0mm2 强度验算:N/A=19.85×103/113.0=175.7N/mm2<f= 215N/mm2 刚度验算:张紧的圆钢不需要考虑长细比的规定。 但从构造上考虑采用φ16 (七)雨蓬设计 1.基本资料 雨蓬总长6000mm,采用悬伸式,悬伸长度1500mm。采用Q235钢。雨蓬围护结构采用YX51-380-760型单层彩板,檩条选用C180×70×20×2.2。 2.荷载计算 (1)永久荷载 YX51-380-760型单层彩板 0.15KN/m2 檩条、雨蓬梁及其它构件 0.10 KN/m2 合计 0.25 KN/m2 则作用于雨蓬梁上的线荷载标准值为:0.25×3=0.75 KN/m2 (2)活荷载 沿板宽每隔1.0m取一个施工或检修集中荷载,每个集中荷载取1.0KN,作用位置取雨蓬最外端。则作用于雨蓬梁上的活荷载标准值为3.5KN。 (4)风荷载 雨蓬的风荷载体型系数μs=2.0,ω0=0.45KN/m2 ωk=μsμzω0=2.0×1.0×0.45=0.90 KN/m2 折算成作用于雨蓬梁上的荷载标准值为:0.90×3=2.70KN/m 3.内力计算及截面设计 雨蓬梁的计算简图如图。 g+q=1.2×0.75+1.4×2.70=4.68KN/m P=1.4×3.5=4.9KN 梁根部为最不利截面: M=12.62KN·m,V=11.92KN。 雨蓬梁选用变截面焊接工字型钢(200~100)×150×6×8。 梁根部截面特性: A=3504m2,Ix=6×1843/12+8×150×962×2=2523×104mm4, Wx=2523×104/96=26.3×104mm3 ,满足规定。 ,满足规定。 雨蓬梁与刚架柱采用4M20普通C级螺栓连接。 七、基础设计 刚架柱下独立基础设计 1.地基承载力特性值和基础材料 本工程地质情况如下: ±0.000m~-0.6m,回填土含腐殖质,γ=16KN/m3,fak=80KN/m2,E=300N/mm2; -0.6m~-2.70m,一般亚粘土,γ=20KN/m3,fak=230KN/m2,E=500N/mm2; -2.70m以下为风化混合土, fak=300KN/m2,E=600~1000N/mm2; 地下水位位于-5.0m处。 综合考虑建筑物的用途、基础的型式、荷载大小、工程地质及水文地质条件等,持力层考虑为一般亚粘土层,fak=230KN/m2,基础的埋置深度取1.0m。 假定基础宽度小于3m,按《建筑地基基础设计规范》(GB50007-2023)式5.2.4修正fak: fa=fak+ηbγ(b-3)+ηdγm(d-0.5) =230+1.6×[(16×0.6+20×0.4)/1.0]×(1.0-0.5) =244.1KN/m2 基础采用C20混凝土,fc=9.6 N/mm2,ft=1.10N/mm2 钢筋采用HPB235,fy=210N/mm2,钢筋的混凝土保护层厚度为40mm;垫层采用C10混凝土,厚100mm。 基础底面内力及基础底面积计算 柱底截面采用荷载基本组合时的内力设计值: N=102.82KN,V=32.21KN,M=0 相应的荷载效应标准组合时的内力值为: Nk=81.18KN,Vk=25.06KN,Mk=0 采用锥形基础,假定基础高度H0=400mm, 按(1.1~1.4)A0估计偏心受压基础的底面积A: A=(1.1~1.4)×0.36=0.40~0.50m2 取A=bl=1.5×1.0m=1.5m2,W=0.375m3,基础的形状、尺寸及布置如图。 Gk=24×(1.5×1.0×0.4)+16×(1.5×1.0×0.6) =28.80KN 则作用在基础底面的相应荷载效应标准值组合的内力值为: Nk=81.18+28.80=109.98KN Mk=25.06×1.0=25.06KN·m 基础底面压力验算: 因1.2fa=292.92KN/m2>pkmax,pkmin>0,(pkmax+pkmin)/2<fa, 故基础底面尺寸满足规定。 本工程地基基础设计等级按丙级考虑,按规范规定,地基可不作变形验算。 验算基础变阶处的受冲切承载力 按荷载效应基本组合求得的基础底面净反力为: N=102.82KN,M=32.21×1.0=32.21KN·m,e=M/N=0.313m N合力作用点至基础底面最大压力边沿的距离a=1.5/2-0.313=0.437m pnmax=2N/(3la)=2×102.82/(3×1.0×0.437)=156.86KN/m2 则柱与基础交接处Ⅰ-Ⅰ截面: pn=100.03KN/m2,h0=400-45=355mm,at=300mm, ab=300+355×2=1010mm>L,取ab=1000mm,am=(at+ab)/2=650mm Fu=0.7βhpftamh0=0.7×1.0×1.1×650×355=177.7×103N=177.7KN Fl=pjAl=156.86×[(1.5/2-0.55/2-0.355)×1.0]=74.5KN<Fu,满足规定。 基础底面配筋计算 =12.18KN·m 选配6φ10@200,As=471mm2。 =5.68KN·m 选配8φ10@200,As=628mm2。 基底配筋情况见图。 基础短柱按构造配筋。 山墙抗风柱下独立基础设计 考虑抗风柱所承受的荷载及工程地质、水文地质条件等,参考刚架柱基础的设计结果,抗风柱基础埋深取d=1.0m,基底尺寸B×L=1.0×1.0m,基础底板配筋按构造选用6φ10@200。经验算均满足设计规定。 墙下扩展基础设计 1.基本资料 本工程外墙+1.200m标高以下采用Mu10机制实心粘土砖墙,M5水泥砂浆砌筑;+1.200m标高以上采用双层彩色压型钢板。钢板中间用50mm厚玻璃棉板充填。考虑荷载情况及地质条件,采用C15混凝土无筋扩展基础,基础底面标高取-1.100m,混凝土基础厚度取30mm。 2.荷载计算 双层彩色压型钢板 0.30KN/m2 50mm厚玻璃棉板 0.05KN/m2 合计 0.35KN/m2 因铝合金门窗的重量与彩板墙面相近,故计算彩板墙面重量时,不扣除门窗洞口面积,门窗重量。彩板墙面传至砖墙的线荷载标准值为: 0.35×(7.2-1.2)=2.10 KN/m 240mm厚浆砌普通砖 0.24×18=4.32 KN/m2 18mm厚水泥砂浆粉刷内外墙面 0.018×20×2=0.72 KN/m2 合计 5.04 KN/m2 则砖墙自重线荷载标准值值为:5.04×(2.0-0.18)=9.17KN/m 圈梁自重:0.24×0.18×25=1.08KN/m 传至基础顶面处的永久线荷载标准值为:2.10+9.7+1.08=12.35KN/m 4.基础底面宽度的拟定 设基础宽度为500
展开阅读全文

开通  VIP会员、SVIP会员  优惠大
下载10份以上建议开通VIP会员
下载20份以上建议开通SVIP会员


开通VIP      成为共赢上传

当前位置:首页 > 环境建筑 > 钢结构/公共建筑

移动网页_全站_页脚广告1

关于我们      便捷服务       自信AI       AI导航        抽奖活动

©2010-2026 宁波自信网络信息技术有限公司  版权所有

客服电话:0574-28810668  投诉电话:18658249818

gongan.png浙公网安备33021202000488号   

icp.png浙ICP备2021020529号-1  |  浙B2-20240490  

关注我们 :微信公众号    抖音    微博    LOFTER 

客服