收藏 分销(赏)

课程设计减速器说明书.docx

上传人:精**** 文档编号:3309811 上传时间:2024-07-01 格式:DOCX 页数:35 大小:194.21KB 下载积分:12 金币
下载 相关 举报
课程设计减速器说明书.docx_第1页
第1页 / 共35页
课程设计减速器说明书.docx_第2页
第2页 / 共35页


点击查看更多>>
资源描述
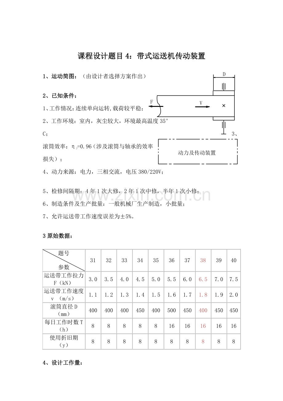
目录 传动装置总体设计:.错误错误!未定义书签。未定义书签。动机的选择.4 选择电动机类型:.4 选择电动机的容量.4 确定电动机转速.4 计算传动装置的运动和动力参数:.7 设 V 计带和带轮:.8 确定计算功率Pca.8 确定 V 带型号.8 计算 V 带的根数 Z:.9 计算单根 V 带的额定功率Pr.9 齿轮的设计:.10 高速级大小齿轮的设计.10 选择齿轮材料.10 按齿面接触强度设计.10 计算.11 按齿根弯曲强度的设计公式可得.12 设计计算.13 几何尺寸计算.14 低速级大小齿轮的设计.14 按齿面接触强度设计.15 按齿根弯曲强度的设计公式可得.17 设计计算.18 几何尺寸计算.18 减速器机体结构尺寸如下:.19 轴的设计:.20 高速轴的设计:.20 低速轴的设计:.23 中间轴的设计:.27 轴承的校核.31 对高速轴轴承的校核.31 对低速轴轴承的校核.32 对中间轴的轴承的校核.33 连接设计.34 减速器润滑及密封.35 课程设计题目课程设计题目 4 4:带式运送机传动装置带式运送机传动装置 1 1、运动简图:、运动简图:(由设计者选择方案作出)2 2、已知条件:、已知条件:1、工作情况:连续单向运转,载荷较平稳;2、工作环境:室内,灰尘较大,环境最高温度 35C;3、滚筒效率:j=0.96(涉及滚筒与轴承的效率损失);4、动力来源:电力,三相交流,电压 380/220V;5、检修间隔期:4 年 1 次大修,2 年 1 次中修,半年 1 次小修;6、制造条件及生产批量:一般机械厂生产制造,小批量;7、允许运送带工作速度误差为5%。3 3 原始数据:原始数据:题号 参数 31 32 33 34 35 36 37 38 39 40 运送带工作拉力F(kN)3.0 3.5 4.0 4.5 5.0 5.5 6.0 6.5 7.0 7.5 运送带工作速度v(m/s)1.1 1.2 1.3 1.4 1.5 1.6 1.7 1.8 1.9 2.0 滚筒直径 D(mm)400 400 400 450 400 500 450 400 450 450 每日工作时数 T(h)8 8 8 8 8 16 16 16 16 16 使用折旧期(y)8 8 8 8 8 8 8 8 8 8 4 4、设计工作量:、设计工作量:动力及传动装置DFV1、减速器装配图 1 张(A0 或 A1);2、零件工作图 13 张;3、设计说明书 1 份。1.组成:传动装置由电机、减速器、工作机组成。2.特点:齿轮相对于轴承不对称分布,故沿轴向载荷分布不均匀,规定轴有较大的刚度。3.拟定传动方案:动机的选择 选择电动机类型:按工作规定和条件,选用三相笼型异步电动机,封闭型结果,电压380V,Y 型。选择电动机的容量 电动机所需的功率为:WdaPP KW 1000WFVP KW 所以 =F V1000 KW 由电动机到运送带的传动总功率为 1联轴器传动效率:0.993 深沟球轴承传动效率:0.99(滚子轴承)圆柱齿轮的传动效率:0.97(精度为 8 级)刚性联轴器的传动效率:0.98 j卷筒的传动效率:0.96 则:=1 4 j 23 32=0.85 所以=F V1000 =14.63 KW 拟定电动机转速 卷筒的工作转速为 n=601000VD=85.94 r/min 取二级圆柱齿轮减速器传动比i=8 40,故电动机转速的可选范围是:N,=i n=6873438 r/min 符合这一范围的同步转速有 1000、1500 和 3000r/min。根据容量和转速,由有关手册查出有三种合用的电动机型号,因此有三种传动比方案如下:方案 电动机型号 额定功率 KW 同步转速 r/min 额定转速 r/min 重量 Kg 1 Y160M-2 15 3000 2930 125 2 Y160L-4 15 1500 1460 144 3 Y180L-6 15 1000 970 195 4 Y200L-8 15 750 730 250 综合考虑电动机和传动装置的尺寸、重量和带传动、减速器的传动比,可见第二方案比较适合。因此选定电动机型号为 Y112M-4,其重要参数如下;中心高 H 外形尺寸 (2 )地脚安装尺寸 地脚螺栓孔直径 K 拉伸尺寸 装键部位尺寸 F 160 645 165 255 385 254 210 15 42 110 12 1.拟定传动装置的总传动比和分派传动比:总传动比:i=pdn=16.98 分派传动比:减速器的传动比 i=i1 i2=16.98 注:i1为高速级传动比,i2为低速级传动比。根据课程设计指导书 17 页图 12 可得i1=5 i2=3.39 计算传动装置的运动和动力参数:将传动装置各轴由高速到低速依次定为 1 轴、2 轴、3 轴、4 轴;01,依次为电机与轴,轴与轴,轴与轴,轴与卷筒轴之间的传动效率。1)各轴转速:轴 n1=nm=1460 r/min 轴 n2=n1i1=14605=292 r/min 轴 n3=n2i2=2923.39=86.13 r/min 卷筒轴 n3=n4=86.13 r/min 2)各轴输入功率:轴 P1=P 01=14.63 0.993 0.99=14.38KW 轴 P2=P1 12=3.63 KW 12 轴 P3=P2 23=3.45 KW 23 卷筒轴 P4=P3 34=3.34 KW 34 3)各轴输入转矩:T=9550 Pdnm=26.40N.m T1=T i0 1=76.03 N m T2=T1 i1 2 3=332.46 N m T3=T2 i2 2 3=1036.60 N m T4=T3 2 4=1005.71N m-轴的输出功率、输出转矩分别为各轴的输入功率、输入转矩乘轴承传动效率 0.98。运动和动力参数结果如下表:轴名 功率 P KW 转钜 T N.m 转速r/min 输入 输出 输入 输出 电动机轴 3.98 26.40 1440 轴 3.82 3.74 76.03 74.51 480 轴 3.63 3.56 332.46 325.81 104.35 轴 3.45 3.38 1036.60 1015.87 31.83 卷筒轴 3.34 3.45 1005.71 1005.71 31.83 设 V 计带和带轮:拟定计算功率 由表 8-7 查得工作情况系数k=1.2故 P=k P=1.2 4=4.8 kw 拟定 V 带型号 根据P、1由机械设计书图 8-11 选用啊型带 1.拟定带轮的基准直径d并验算带速 1)初选小带轮的基准直径d1=90 mm 2)验算带速:V=d1=6.78m/s 由于 5m/sV30m/s 故带速合适 3)计算大带轮的基准直径 d2=i0 d1=3 90=270 mm 根据表 8-8 圆整为d2=280 mm 4)拟定带的基准长度:0.7 d2 d1)a0 2 d2 d1)238 a0 F0)min 故作用在轴上载荷 FZ=2Z F0)minsin12=1190N 齿轮的设计:高速级大小齿轮的设计 选择齿轮材料:小齿轮都选用 40cr,小齿轮调质解决,硬度 280HBS,大齿轮 45 钢(调质),硬度 240HBS,两者材料的硬度差为 40HBS。选取小齿轮的齿数 Z1=20,则大齿轮的齿数 Z2=4.6 20=92 取Z2=93 按齿面接触强度设计 由设计公式d1t 2.32KT1d u1u(ZEH)23 1)拟定公式中的各计算数值 a)选择载荷系数Kt=1.3 b)计算小齿轮传递的转矩 T1=76030N mm c)选取齿宽系数=1 d)查表可得,材料的弹性影响系数ZE=189.8Mpa12 e)查表可得齿面硬度查得小齿轮的接触疲劳强度极限Hlim1=600Mpa 大齿轮的接触疲劳强度极限Hlim2=550Mpa f)计算应力循环系数 N1=60n1j h=60 480 1 1 8 365 8)=1.682 109 N2=N1i1=0.366 109 g)由 图10-19取 接 触 疲 劳 寿 命 系 数 KHN1=0.9 KHN2 =0.96 h)计算接触疲劳许用应力(取失效概率为1%,安全系数 S=1)H1=KHN1Hlim1S=540Mpa H2=528Mpa 计算 a)计算小齿轮分度圆直径d1t代入H 中的最小值 1t 2.32KT1d u1u(ZEH)23 =57.11mm b)计算圆周速度 V V=1tn160000 1.45m/s c)计算齿宽 b b=d1t=57.11mm d)计算齿宽和齿高之比h 模数 mt=1tz1=57.1120=2.855mm 齿高 h=2.25 mt=6.53 h=57.116.53=8.89 e)计算载荷系数 根据 V=1.46m/s 8 精度 KV=1.15 直齿轮KH=KH=1 使用系数K=1 小齿轮相对支承非对称布置时KH=1.456 由h=8.89 KH=1.456 查表可得KF=1.32 故载荷系数 K=K KVKHKH=2.093 f)按实际的载荷系数校正所得分度圆直径,由 d1=d1t KKt3=67.87mm g)计算模数 m=1z1=3.37mm 按齿根弯曲强度的设计公式可得 M 2KT1YFYFdF3 拟定公式内的各种计算数值 1)查表可得小齿轮的弯曲疲劳强度极限FE1=500Mpa;大齿轮的弯曲疲劳强度极限FE1=380Mpa 2)查表可取弯曲疲劳寿命系数KFN1=0.85,KFN2=0.88 3)计算弯曲疲劳许用应力 取弯曲疲劳安全系数 S=1.4 由F1=KF1FE1S=303.57Mpa F2=KF2FE2S=238.86Mpa 4)计算载荷系数 K K=K KVKFKF=1.90 5)查取应力校正系数Ys1=1.55 Ys2=1.773 6)查取齿形系数YF1=2.80 YF2=2.195 7)计算大小齿轮的Y FYSF Y F1YS1F1=0.01430 Y F2YS2F2=0.01629 大齿轮数值大 设计计算 m 2KT1YFYFF3=2.27mm 对此计算结果,由齿面接触疲劳强度计算的模数 m 大于由齿根弯曲疲劳强度计算的模数,由于齿轮模数 m 的大小重要取决于弯曲强度所决定的承载能力,仅于齿轮直径有关,可取标准值m=2.5,按接触强度计算得的分度圆直径,则小齿轮的齿数Z1=1m=27.14 27 大齿轮的齿数Z2=27 4.6=124 几何尺寸计算 a)计算分度圆直径d1=mz1 70mm d2=mz2=310mm b)计算中心距 a=d1 d22=190mm c)计算齿轮齿宽 b=d1=70mm 2=70mm 1=75mm 低速级大小齿轮的设计 选择齿轮材料:小齿轮都选用 40cr,小齿轮调质解决,硬度 280HBS,大齿轮 45 钢(调质),硬度 240HBS,两者材料的硬度差为 40HBS。选取小齿轮的齿数Z1=20,则大齿轮的齿数Z2=3.28 30 67 按齿面接触强度设计 由设计公式d1t 2.32KT1d u1u(ZEH)23 1)拟定公式中的各计算数值 选择载荷系数Kt=1.3 计算小齿轮传递的转矩 T1=332460N mm 选取齿宽系数=1 查表可得,材料的弹性影响系数ZE=189.8Mpa12 查 表 可 得 齿 面 硬 度 查 得 小 齿 轮 的 接 触 疲 劳 强 度 极 限Hlim1=600Mpa 大齿轮的接触疲劳强度极限Hlim2=550Mpa 计算应力循环系数 N2=60n2j h=60 174.64 1 1 8 365 8)=0.3656 109 N2=N2i2=0.115 109 由图 10-19 取接触疲劳寿命系数KHN1=0.96 KHN2=0.98 计算接触疲劳许用应力(取失效概率为1%,安全系数 S=1)H1=KHN1Hlim1S=576Mpa H2=539Mpa 2)计算 a)计算小齿轮分度圆直径d1t代入H 中的最小值 1t 2.32KT1d u1u(ZEH)23 =95.58mm b)计算圆周速度 V V=1tn160000 0.52m/s c)计算齿宽 b b=d2t=95.58mm d)计算齿宽和齿高之比h 模数 mt=2tz2=95.5820=4.779mm 齿高 h=2.25 mt=10.75mm h=8.89 e)计算载荷系数 根据 V=0.52/s 8 精度 KV=1.1 直齿轮KH=KH=1 使用系数K=1.25 小齿轮相对支承非对称布置时KH=1.451 由h=8.89,KH=1.451 查表可得KF=1.35 故载荷系数 K=K KVKHKH=1.995 f)按实际的载荷系数校正所得分度圆直径,由 d2=d2t KKt3=110.24mm g)计算模数 m=2z2=5.51mm 按齿根弯曲强度的设计公式可得 M 2KT2YFYFdF3 拟定公式内的各种计算数值 1)查表可得小齿轮的弯曲疲劳强度极限FE1=500Mpa;大齿轮的弯曲疲劳强度极限FE1=380Mpa 2)查表可取弯曲疲劳寿命系数KFN1=0.88,KFN2=0.9 3)计算弯曲疲劳许用应力 取弯曲疲劳安全系数 S=1.4 由F1=KF1FE1S=314.29Mpa F2=KF2FE2S=244.29Mpa 4)计算载荷系数 K K=K KVKFKF=1.856 5)查取应力校正系数Ys1=1.55 Ys2=1.745 6)查取齿形系数YF1=2.80 YF2=2.255 7)计算大小齿轮的Y FYSF Y F11YS11F1=0.01381 Y F2YS2F2=0.01611 大齿轮数值大 设计计算 m 2KT2YFYFF3=3.68mm 对此计算结果,由齿面接触疲劳强度计算的模数 m 大于由齿根弯曲疲劳强度计算的模数,由于齿轮模数 m 的大小重要取决于弯曲强度所决定的承载能力,仅于齿轮直径有关,可取标准值m=4,按接触强度计算得的分度圆直径,则小齿轮的齿数Z1=2m 27 大齿轮的齿数Z2=3.28 27=89 几何尺寸计算 a)计算分度圆直径d1=mz1=108mm d2=mz2=356mm b)计算中心距 a=d1 d22=232mm c)计算齿轮齿宽 b=d1=108mm 2=108mm 1=113mm 减速器机体结构尺寸如下:名称 符号 计算公式 结果 机座厚度 0.025a 3 8 9 机盖厚度 1 0.02a 3 8 8 机盖凸缘厚度 1b 111.5bd=13 机座凸缘厚度 1.5bd=12 机座底凸缘厚度 2b 22.5bd=22 地脚螺钉直径 fd 0.03612fda=+M20 地脚螺钉数目 n a 250 时 n=4 4 轴承旁联结螺栓直径 1d 10.75fdd=M16 盖与座联结螺栓直径 2d(0.5-0.6)d M10 轴承端盖螺钉直径 3d 3d=(0.4-0.5)fd M10 视孔盖螺钉直径 4d 4d=(0.3-0.4)fd M8 定位销直径 d d=(0.7-0.8)2d M8 fd,1d,2d至外箱壁的距离 1C 查手册表 112 22 bfd,2d至凸缘边沿距离 2C 查手册表 112 22 外箱壁至轴承端面距离 1l 1l=1C+2C+(5-10)52 大齿轮顶圆与内箱壁距离 1D 1D1.2d 10 齿轮端面与内箱壁距离 2D 2Dd 10 箱盖,箱座肋厚 mm,1 110.85,0.85mmdd换 1m=8 m=8 轴承端盖外径 2D 1.25D+10 D为轴承外径 轴承旁联结螺栓距离 S S 2 轴的设计:高速轴的设计:1.轴 上 功 率 p1=7.64Kw 转 速 n1=663.64r/min 转矩T1=109950N mm 2.求作用在齿轮上的力 用已知高速级齿轮的分度圆直径为d1=75mm Ft=2T11=2932N Fr=Fttan=1067.16N F=Ftcos=3120.17N 3.初步拟定轴的最小直径 先按式d=0P1n13,选取轴的材料为 45 钢,调质解决,根据表取 0=110,于是得 min 0P1n13=24.838mm 4.轴的结构设计 1)拟定轴上零件的装配方案 2)根据轴向定位的规定拟定轴的各段直径和长度 a)为了满足 V 带的连接,则取 V 带上的孔的直径为d1=40mm L=(1.5-2)d1=80mm,轴肩的高度 h=(0.07-0.1)d1=5.6mm,则d2=46mm,左端用轴端挡圈定位,按轴承直径取挡圈直径 2=50mm b)初步选取深沟球轴承,根据规定查表可得单列深沟球轴承轴承6210 其尺寸d =50 90 20,则d=d=50mm而=20mm右端滚动轴承采用轴肩进行定位h=3mm 取d=56mm c)取安装齿轮出的轴段-的直径d=55mm齿轮的左端与左轴承之间采用套筒定位,已知齿轮轮毂的宽度为 80mm,为使套筒端面可靠地压紧齿轮,故取=76mm,齿轮的左肩采用轴肩定位,轴肩高度 h=3mm,则轴环出的直径d=61mm轴环宽度d 1.4h d)轴承端盖的总宽度为 20mm,取端盖的外端面与右边 V 带轮右端面距为 30mm,故取=50mm e)取齿轮与箱壁的距离为 8mm,与中间轴积极轮之间的距离为C=20mm,在拟定滚动轴承位置时应距箱体内壁一段距离S=8mm,已知滚动轴承的宽度为 20mm,中间轴积极轮长 L=120mm 则 =20 8 8=36mm =120 20 8 8=156mm 至此,已初步拟定了轴的各段直径和长度 5.求轴上的载荷 由手册查得 a=20mm,因此,作为简支梁的轴的支承跨距 246mm 1)水平面的支座反力 FNH1=l3 Ft=2300N FNH2=l2LFt=631.7N 2)垂直面的支座反力 FNV1=Frl3 F2=843.59N FNV2=Frl2 F2=223.58N 3)水平面的弯矩 M MH=121918.1N.m 4)垂直面上的的弯矩 M MV1=162870.77N.m MV2=11849.74N.m 5)总弯矩 M1=MH2 MV12=203447.6N.m M2=MH2 MV22=122492.61N.m 6)扭矩T1=109950N.m 6.按弯矩合成应力校核轴的强度=M12(T1)2W=12.85Mpa (取=0.6)前面选的 45 钢,调质解决,1=60Mpa 1,故安全 低速轴的设计:1.轴上功率p3=3.45Kw 转速n3=31.83r/min 转矩T3=1036600N mm 2.求作用在齿轮上的力 用已知低速级齿轮的分度圆直径为d1=356mm Ft=2T31=5824NN Fr=Fttan=2119.76N 3.初步拟定轴的最小直径 先按式d=0P1n13,选取轴的材料为 45 钢,调质解决,根据表取 0=112,于是得 min 0P1n13=53.06mm 输出轴的最小直径显然是安装联轴器处轴的直径d,为了使所选的轴直径d与联轴器的孔直径相适应 联轴器的转矩T=K T3 K=1.5 T=1554990N.mm 按照公称转矩的条件,选用滚子链联轴器,其公称转矩为2500000N.mm,半联 轴器 的孔直 径 d1=55mm,故取d=55mm半联轴器长度 L=112,半联轴器与轴配合的毂孔配合的毂孔长度 1=84mm 4.轴的结构设计 1.拟定轴上零件的设计方案 2.根据轴向定位的规定拟定轴的各段直径和长度 a)为了满足半联轴器的轴向定位,-轴右端需制一个轴肩故 d=65mm 左端用轴端挡圈定位,按轴承直径取挡圈直径=70mm,半联轴器与轴的配合的轮毂孔长度 1=107mm,为了保证轴端挡圈只压在半联轴器上而不压在轴的端面上,故取=105mm b)初步选取单列圆锥滚动轴承,根据规定查表可得深沟球轴承其尺寸d =70 125 24,则d=d=50mm而=24mm右端滚动轴承采用轴肩进行定位 h=5mm 取d=80mm c)取安装齿轮出的轴段-的直径d=75mm齿轮的左端与左轴承之间采用套筒定位,已知齿轮轮毂的宽度为114mm,为使套筒端面可靠地压紧齿轮,故取=110mm,齿轮的左肩采用轴肩定位,轴肩高度 h=6mm,则轴环 出 的 直 径 d=87mm 轴 环 宽 度 d 1.4h,取=10mm d)轴承端盖的总宽度为 20mm,取端盖的外端面与右边 V 带轮右端面距为 30mm,故取=50mm e)取齿轮与箱壁的距离为8mm,与中间轴积极轮之间的距离为C=20mm,在拟定滚动轴承位置时应距箱体内壁一段距离S=8mm,已知滚动轴承的宽度为 24mm,中间轴积极轮长L=120mm 则 =24 8 4 8=44mm =80 20 8 8 10=106mm 至此,已初步拟定了轴的各段直径和长度 5.求轴上的载荷 由手册查得 a=20mm,因此,作为简支梁的轴的支承跨距 246mm 1)水平面的支座反力 FNH1=l3 Ft=4535.8N FNH2=l2LFt=2082.74N 2)垂直面的支座反力 FNV1=Frl3 F2=1812.37N FNV2=Frl2 F2=742.17N 3)水平面的弯矩 M MH=360314.02N.mm 4)垂直面上的的弯矩 M MV1=132303.01N.mm MV2=128395.41N.mm 5)总弯矩 M1=MH2 MV12=383836.27N.mm M2=MH2 MV22=382507N.mm 6)扭矩T1=1094890N.mm 6.按弯矩合成应力校核轴的强度=M12(T1)2W=18.03Mpa (取=0.6)前面选的 45 钢,调质解决,1=60Mpa 1,故安全 中间轴的设计:1.轴 上 功 率 p2=7.26Kw 转 速 n2=174.64r/min 转矩T2=397170N mm 2.求作用在齿轮上的力 用已知与高速级齿轮接触的齿轮的分度圆直径为d2=285mm,与低速级齿轮接触的分度圆直径d1=114mm Ft1=2T21=6967.9N Fr1=Fttan=2536.11N F1=Ftcos=7415.08N Ft2=2T22=2787.16N Fr2=Fttan=1014.44N F2=Ftcos=2966.03N 3.初步拟定轴的最小直径 先按式d=0P1n13,选取轴的材料为 45 钢,调质解决,根据表取 0=110,于是得 dmin 0P1n13=38.106mm 4.轴的结构设 取d1=55mm则d=d=55mm则选用的深沟球轴承为6211,d =55 100 21mm,套筒长为 15mm,又因与高速齿轮接触的齿轮宽度为 75mm,取其轴长为=70mm取故 21 15 5=41mm,取=50mm,取轴肩高度 h=5mm,则d=65mm,取轴环直径为d=75mm,轴环宽度 根据安装可得=22.5mm,根据安装可得=116mm,d=65mm,21 13 4=28mm取=45mm 5.求轴上的载荷 1)由手册查得 a=20mm,因此,作为简支梁的轴的支承跨距 246mm 2)水平面的支座反力 FNH1=6293.36N FNH2=3461.7N 3)垂直面的支座反力 FNV1=2290.74N FNV2=1259.81N 4)水平面的弯矩 M MH=6293.36 (0 53)674.57 369298.7(53 173)3461.7(246 )(173 246)5)垂直面上的的弯矩 M 6)MH=2290.74 (0 53)245.36 134413.83(53 173)1259.81(246 )(173 246)7)扭矩T1=397170N.mm 7.按弯矩合成应力校核轴的强度=M12(T1)2W=12Mpa (取=0.6)前面选的 45 钢,调质解决,1=60Mpa 1,故安全 8.精确校核轴的疲劳强度 1)在高速级大齿轮和低速级小齿轮的中间轴面为危险截面 2)高速级大齿轮中间截面 抗弯截面系数 w=0.1d3=27462.5mm3 抗扭截面系数wt=0.2d3=54925mm3 截面所受弯矩 M=120551.46N.mm 截面上的扭转切应力 T=T2wt=7.23Mpa 截面上的弯曲应力=MW=2.2Mpa 轴 的 材 料 为45钢,调 质 解 决。由 表15-1查 得B=640Mpa 1=275Mpa 1=155Mpa按附表3-2查取。因r=0.036,,D=1.1 截面上由于轴肩而形成的理论应力集中系数及=2 =1.3 又由附图 3-1 可得轴材料的敏性系数为 q=0.82 q=0.85 故有效应力集中系数为 k=1 q(1)=1.82 k=1 q(1)=1.255 由附图 3-2 的尺寸系数=0.65;由附图 3-3 的扭转尺寸系数=0.83 轴按磨削加工,由附图 3-4 得表面质量系数为=0.92 轴未经表面强化解决,即q=1,则综合系数为 K=k 1 1=2.89 K=k 1 1=1.6 又由 3-1 及 3-2 得碳钢的特性系数 =0.1 =0.05 于是,计算安全系数S,则得 S=1K m=43.25 S=1K m=25.99 S=SSS2 S2=22.28 S=1.5 故可知其安全 轴承的校核 对高速轴轴承的校核 选取深沟球轴承,根据规定查表可得深沟球轴承 6210 其尺寸d =50 90 20,其基本额定动载荷Cr=23200N FNH1=l3LFt=2300N FNH2=l2LFt=631.7N FNV1=Frl3 F2=843.59N FNV2=Frl2 F2=223.58N 由上式可知轴承 1 所受的载荷大于轴承 2,所以只需对轴承 1 进行校核 1.求比值 Fr=23002 843.592=2449.83N 所受的轴向力:F=0N 2.计算当量动载荷 P 根据P=fp XFr YF),X=1,Y=0,fp=1.2则 P=fp XFr YF)=2939.8N 3.验算轴承的寿命 按规定轴承的最短寿命 h/=8 365 8=23360h 所选单列圆锥滚动轴承 30210 的基本寿命 h=10660n1(CrP)=24574.43h 则 h/h,故所选的轴承满足规定 对低速轴轴承的校核 选取深沟球轴承,根据规定查表可得深沟球轴承 30214,其尺寸为d =70 125 24其基本额定动载荷Cr=45000N FNH1=l3LFt=4535.8N FNH2=l2LFt=2082.74N FNV1=Frl3 F2=1812.37N FNV2=Frl2 F2=742.17N 由上式可知轴承 1 所受的载荷大于轴承 2,所以只需对轴承 1 进行校核 1.求比值 Fr=4535.82 2082.742=4991.12N 所受的轴向力:F=0N 2.计算当量动载荷 P 根据P=fp XFr YF),X=1,Y=0,fp=1.2则 P=fp XFr YF)=5989.344N 3.验算轴承的寿命 按规定轴承的最短寿命 h/=8 365 8=23360h 所选单列圆锥滚动轴承 30210 的基本寿命 h=10660n3(CrP)=8306605.34h 则,h/h故所选的轴承满足规定 对中间轴的轴承的校核 选取单列圆锥滚动轴承,根据规定查表可得单列圆锥滚动轴承30211,其尺寸为d T=55 100 22.75其基本额定动载荷Cr=90800N FNV1=2290.74N FNV2=1259.81N FNH1=6293.36N FNH2=3461.7N 由上式可知轴承 1 所受的载荷大于轴承 2,所以只需对轴承 1 进行校核 1.求比值 Fr=6293.362 2290.742=6697.30N 所受的轴向力:F=0N 2.计算当量动载荷 P 根据P=fp XFr YF),X=1,Y=0,fp=1.2则 P=fp XFr YF)=8036.77N 3.验算轴承的寿命 按规定轴承的最短寿命 h/=8 365 8=23360h 所选单列圆锥滚动轴承 30210 的基本寿命 h=10660n3(CrP)=308830h 则 h/h,故所选的轴承满足规定 连接设计 1.选择键连接的类型和尺寸 半联轴器与高速轴的定位采用圆头普通平键(A 型)连接。按d=40mm,由机械设计手册可得平键的截面尺寸b h=12 8,L=80mm 2.校核键连接的强度 有挤压强度条件p=2T 103kl*p+,有机械设计书上表 6-2 可得*p+=120 150Mpa,键的工作长度 l=63mm p=125.73Mpa 故所选的平键满足强度条件 减速器润滑及密封 齿轮的润滑 由于两对齿轮中的大齿轮的直径相差不大,计算它们的速度 v1=2n260d1=5.21m/s v2=2n360d2=1.97m/s v2 v1 12/,所以齿轮传动可采用油润滑
展开阅读全文

开通  VIP会员、SVIP会员  优惠大
下载10份以上建议开通VIP会员
下载20份以上建议开通SVIP会员


开通VIP      成为共赢上传

当前位置:首页 > 应用文书 > 技术指导

移动网页_全站_页脚广告1

关于我们      便捷服务       自信AI       AI导航        抽奖活动

©2010-2025 宁波自信网络信息技术有限公司  版权所有

客服电话:0574-28810668  投诉电话:18658249818

gongan.png浙公网安备33021202000488号   

icp.png浙ICP备2021020529号-1  |  浙B2-20240490  

关注我们 :微信公众号    抖音    微博    LOFTER 

客服