收藏 分销(赏)

清扫、清洁活动检查表.DOC

上传人:cen****er 文档编号:32507 上传时间:2020-11-24 格式:DOC 页数:1 大小:29KB 下载积分:1.5 金币
下载 相关 举报
清扫、清洁活动检查表.DOC_第1页
第1页 / 共1页
本文档共1页,全文阅读请下载到手机保存,查看更方便
资源描述
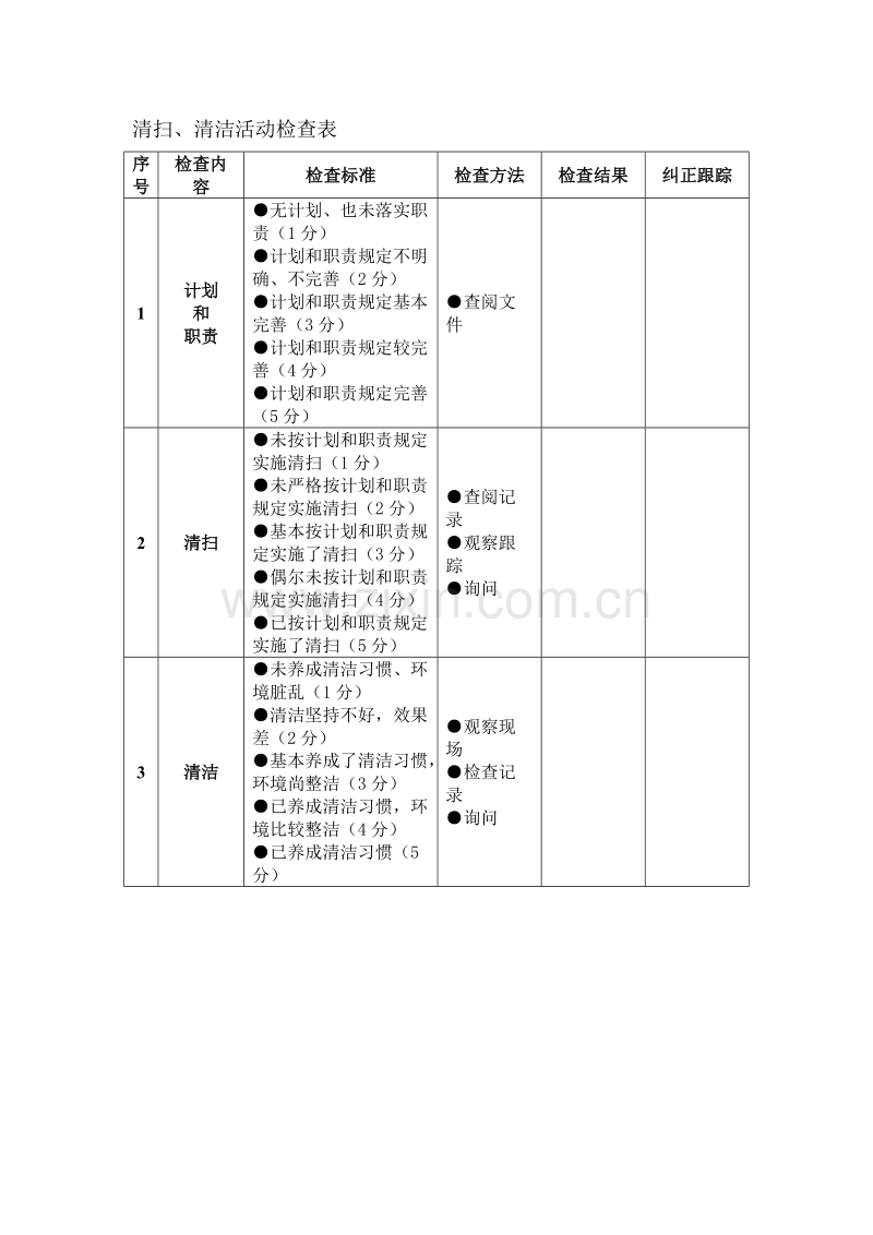
清扫、清洁活动检查表 序号 检查内容 检查标准 检查方法 检查结果 纠正跟踪 1 计划 和 职责 ●无计划、也未落实职责(1分) ●计划和职责规定不明确、不完善(2分) ●计划和职责规定基本完善(3分) ●计划和职责规定较完善(4分) ●计划和职责规定完善(5分) ●查阅文件 2 清扫 ●未按计划和职责规定实施清扫(1分) ●未严格按计划和职责规定实施清扫(2分) ●基本按计划和职责规定实施了清扫(3分) ●偶尔未按计划和职责规定实施清扫(4分) ●已按计划和职责规定实施了清扫(5分) ●查阅记录 ●观察跟踪 ●询问 3 清洁 ●未养成清洁习惯、环境脏乱(1分) ●清洁坚持不好,效果差(2分) ●基本养成了清洁习惯,环境尚整洁(3分) ●已养成清洁习惯,环境比较整洁(4分) ●已养成清洁习惯(5分) ●观察现场 ●检查记录 ●询问
展开阅读全文

开通  VIP会员、SVIP会员  优惠大
下载10份以上建议开通VIP会员
下载20份以上建议开通SVIP会员


开通VIP      成为共赢上传

当前位置:首页 > 应用文书 > 活动策划

移动网页_全站_页脚广告1

关于我们      便捷服务       自信AI       AI导航        抽奖活动

©2010-2026 宁波自信网络信息技术有限公司  版权所有

客服电话:0574-28810668  投诉电话:18658249818

gongan.png浙公网安备33021202000488号   

icp.png浙ICP备2021020529号-1  |  浙B2-20240490  

关注我们 :微信公众号    抖音    微博    LOFTER 

客服