收藏 分销(赏)

建设工程检测试验收费标准.doc

上传人:快乐****生活 文档编号:3249522 上传时间:2024-06-26 格式:DOC 页数:16 大小:665.54KB 下载积分:8 金币
下载 相关 举报
建设工程检测试验收费标准.doc_第1页
第1页 / 共16页
建设工程检测试验收费标准.doc_第2页
第2页 / 共16页


点击查看更多>>
资源描述
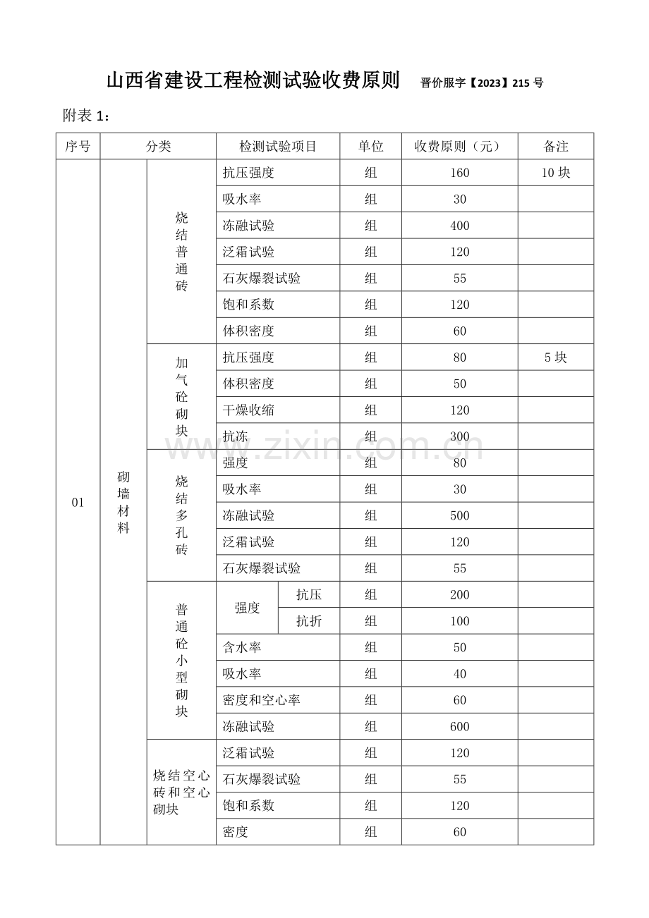
山西省建设工程检测试验收费原则 晋价服字【2023】215号 附表1: 序号 分类 检测试验项目 单位 收费原则(元) 备注 01 砌 墙 材 料 烧 结 普 通 砖 抗压强度 组 160 10块 吸水率 组 30 冻融试验 组 400 泛霜试验 组 120 石灰爆裂试验 组 55 饱和系数 组 120 体积密度 组 60 加 气 砼 砌 块 抗压强度 组 80 5块 体积密度 组 50 干燥收缩 组 120 抗冻 组 300 烧 结 多 孔 砖 强度 组 80 吸水率 组 30 冻融试验 组 500 泛霜试验 组 120 石灰爆裂试验 组 55 普 通 砼 小 型 砌 块 强度 抗压 组 200 抗折 组 100 含水率 组 50 吸水率 组 40 密度和空心率 组 60 冻融试验 组 600 烧结空心砖和空心砌块 泛霜试验 组 120 石灰爆裂试验 组 55 饱和系数 组 120 密度 组 60 附表2: 序号 分类 检测试验项目 单位 收费原则(元) 备注 02 保 温 隔 热 材 料 绝 热 材 料 密度 项 80 堆积密度 项 40 粒度 项 60 含水率 项 60 吸水率 项 80 吸湿率 项 160 导热系数 项 500 渣球含量 项 120 纤维平均直径 项 120 使用温度 项 250 抗压强度 项 80 抗折强度 项 80 水蒸气透过系数 项 250 憎水率 项 80 隔声 次 1200 热阻 次 1200 墙体传热系数(现场) 测区 3000 轻 质 板 材 面密度 项 80 抗冲击强度 项 120 单点吊挂 项 120 抗弯破坏荷载 项 250 外观 项 40 尺寸偏差 项 40 含水率 项 60 干燥收缩值 项 160 抗折强度保留率 项 160 抗拉强度 项 250 粘结强度及面积 项 250 附表3: 序号 分类 检测试验项目 单位 收费原则(元) 备注 03 水 泥 密度 项 40 细度 项 50 原则稠度 项 25 凝结时间 项 50 体积安定性 组 70 抗压、抗折强度 组 180 比表面积测定 项 120 胶砂流动度 项 40 MgO 项 50 SO3 项 150 碱含量 项 90 烧失量 项 40 不溶物 项 50 04 粉 煤 灰 强度比 项 180 细度 项 80 需水比 项 100 烧失量 项 70 SO3 项 70 05 粗 细 骨 料 一般混凝土用砂 密度 项 30 体积密度 项 25 吸水率 项 50 含水率 项 30 含泥量 项 40 轻物质含量 项 40 SO3 项 180 结实性 项 150 级配筛分 项 70 氯盐物含量 项 100 硫化物与硫酸盐含量 项 200 碱骨料反应 项 1000 云母含量 项 40 密度 项 30 体积密度 项 30 附表4: 序号 分类 检测试验项目 单位 收费原则(元) 备注 05 粗 、 细 骨 料 砼 用 碎 卵 石 吸水率 项 25 含水率 项 20 含泥量 项 40 泥块含量 项 25 级配筛分 项 70 针片状含量 项 60 有机物含量 项 40 结实性 项 150 轻物质含量 项 40 SO3 项 100 碱骨料反应 项 1200 压碎指标 项 100 松散容重 项 15 轻 骨 料 筒压强度 项 25 吸水率 项 25 颗粒容量 项 20 含泥量 项 25 结实性 项 120 抗冻性试验 项 45 级配筛分 项 40 煮沸重量损失 项 25 有机物含量 项 25 强度标号 组 200 抗压强度 100×100 组 25 150×150 组 30 附表5: 序号 分类 检测试验项目 单位 收费原则(元) 备注 06 混 凝 土 强度 抗压 100×100 组 25 150×150 组 35 200×200 组 40 抗折 100×100×400 组 50 150×150×600 组 60 劈裂 100×100×100 组 30 150×150×150 组 35 抗冻性试验 组循环/次 30 抗渗性试验<P8 组 P4为200 >P4时增长30元/P1 握裹力 组 50 收缩 组 300 徐变 组 300 碳化 组 300 砂浆中钢筋锈蚀 测点 50 砼中钢筋锈蚀 测点 500 含化分 抗压疲劳 组 500 静弹性模量 组 600 动弹性模量 组 500 一般砼配合比 组 400 一般砼配合比(掺外加剂) 组 500 轻 混 凝 土 抗拉强度 组 40 (劈裂法) 抗折强度 组 40 (劈裂法) 抗冻性试验 组/次 45 抗渗性试验<P8 组 P4为220 >P4时增长30元/P1 轴压 组 300 弹性模量 组 600 徐变试验 组 300 线膨胀系数 组 400 吸水率及软化系数 组 150 导热系数 组 500 轻砼与钢筋粘结力 组 200 配合比设计 个 350 附表6: 序号 分类 检测试验项目 单位 收费原则(元) 备注 07 砂浆 原 材 料 (石灰) 生石灰未消化残渣 测定 项 15 消石灰含水率 项 15 消化速度 项 30 消石灰细度 项 15 CaO+MgO含量 项 300 CO2 项 150 产浆量 项 40 砂 浆 抗压强度 组 20 配合比设计 个 200 砂浆配合比(掺外加剂) 个 250 08 钢 材 拉力 钢筋 Φ<10mm 根 15 Φ12-22mm 根 20 Φ24-30mm 根 25 Φ>30mm 根 30 型 钢 厚度10mm 根 15 不含加工费 厚度12-20mm 根 20 不含加工费 厚度>20mm 根 25 不含加工费 冷弯 钢 筋 Φ<10mm 根 15 Φ12-22mm 根 20 Φ24-30mm 根 25 Φ>30mm 根 30 型 钢 厚度10mm 根 15 不含加工费 厚度12-20mm 根 20 不含加工费 厚度>20mm 根 25 不含加工费 冷拔低碳钢丝 根 10 高强钢丝 根 15 钢绞线 拉伸 根 120 屈服强度σ0.2 根 350 弹性模量 根 90 钢筋反向弯曲 根 20 附表7: 序号 分类 检测试验项目 单位 收费原则(元) 备注 09 防水材料 沥 青 溶解度 组 60 软化点 组 80 针入度 组 70 延伸度 组 150 闪点 组 50 蒸发损失 组 50 水分 组 70 沥青胶结材料 玛蹄脂配合比 项 300 玛蹄脂耐热度 项 100 玛蹄脂粘结力 项 50 玛蹄脂柔韧性 项 90 沥青砼配合比 组 400 沥青砂浆配合比 组 300 饱水率 组 200 膨胀度 组 500 抗压强度试验20℃、50℃饱水后 组 100 渗透系数 组 400 防水卷村 拉力 无处理 组 100 加热处理 组 200 紫外线处理 组 200 碱处理 组 150 酸处理 组 150 可溶物含量 组 400 吸水性 组 60 不透水性 组 80 耐热度试验 组 60 柔 度 无处理 组 90 热处理 组 200 紫外线处理 组 200 碱处理 组 150 酸处理 组 150 附表8: 序号 分类 检测试验项目 单位 收费原则(元) 备注 09 防 水 材 料 防 水 涂 料 抗拉延伸率 无处理 组 70 热处理 组 180 紫外线处理 组 180 碱处理 组 120 酸处理 组 120 粘度(旋转粘度计法) 组 150 耐热度 组 100 固体含量 组 70 粘结性 组 90 不透水性 组 150 抗冻性 组 240 干燥时间 组 80 低温柔性 组 250 10 PVC 管 材 (件) 给 水 管 材 (件) 密度 组 80 维卡软化温度 组 250 纵向回缩率 组 80 三氯甲烷浸渍试验 组 180 落锤冲击试验 组 220 液压试验 组 1500 连接密封试验 组 1600 外观 组 40 尺寸测量 组 250 不透光性 组 40 坠落试验 组 80 吸水性 组 250 排 水 管 材 (件) 拉伸屈服强度 组 250 断裂伸长率 组 250 维卡软化温度 组 250 扁平试验 组 220 落锤冲击试验 组 220 纵向回缩率 组 80 外观及尺寸 组 300 承口深度 组 70 壁厚 组 70 烘箱试验 组 180 坠落试验 组 80 附表9: 序号 分类 检测试验项目 单位 收费原则(元) 备注 11 陶 瓷 砖 吸水率 项 100 耐急冷急热性 项 140 抗冻性能 次 20 弯曲强度 项 120 抗龟裂 项 300 耐腐性 项 200 耐酸性 项 200 12 石 材 、 装 饰 石 板 材 吸水率 项 100 体积密度 项 80 抗压强度 项 120 弯曲强度 项 120 光泽度 项 100 肖氏硬度 项 80 放射性 项 400 石材加工(切磨) 项 250 13 建 筑 门 窗 PVC 窗 气密性 组 500 水密性 组 500 抗风压 组 500 角强度(N) 组 80 增强型钢 组 80 窗扇开关力 组 80 开关疲劳 组 800 窗撑试验 组 80 推拉门窗弯曲 组 80 扭曲、对角线变形 组 40 外形高宽尺寸公差 组 25 对角线尺寸之差△L 组 40 框扇相邻构件装配间隙 组 40 相邻构件同平面度 组 40 框扇搭接量 组 40 密封条及安装 组 40 压条安装质量 组 40 外观 组 15 铝 合 金 窗 抗风压性能 组 500 气密性 组 500 水密性 组 500 启闭力 组 80 反复启闭性能 组 800 附表10: 序号 分类 检测试验项目 单位 收费原则(元) 备注 铝 合 金 窗 玻璃与槽口配合 组 40 窗框槽口宽度偏差 组 25 窗框槽口高度偏差 组 25 窗框对边尺寸之差 组 25 窗框对角线尺寸之差 组 25 窗框与扇搭接宽度之差 组 25 同一平面高下之差 组 40 装配间隙 组 40 隐框窗旳装配规定 组 70 14 建筑 幕墙 抗风压变形 单元 8000 雨水渗透性 单元 8000 空气渗透性能 单元 8000 平面内变形性能 单元 10000 15 铝 塑 型 材 PVC 型 材 拉伸强度 组 250 断裂延伸率 组 250 弯曲弹性模量 组 250 低温落锤冲击 组 180 维卡软化点 组 400 加热后状态 组 80 加热后尺寸变化率 组 250 高下温反复尺寸变化率 组 250 简支梁冲击强度 组 250 铝 合 金 型 材 壁厚 组 80 硬度 组 80 氧化膜厚 组 80 抗拉强度 组 180 规定非比例伸长应力 组 250 伸长率 组 180 16 砼 构 件 平板构造性能 块 700 大型屋面板构造性能 块 1000 空心板构造性能(强度、刚度、抗裂度) 块 500 超声回弹法测强 测区 50 超声法测缺陷 构件 500 回弹法测强 测区 25 钻芯法测强 点 600 附表11: 序号 分类 检测试验项目 单位 收费原则(元) 备注 拉拔法测强 点 250 砼内钢筋扫描(位置、规格、保护层厚度) 根项 15元/根项 砼电杆 每个规格 1500 砼排水管 每个规格 1500 铸铁排水管 每个规格 500 17 砌 体 测 强 砂浆贯入法 构件/每 250 简压法 构件/每 250 砖砌体抗压强度 3块/组 500 18 钢 结 构 焊 缝 超 声 探 伤 钢封对接焊缝 米 70 钢屋架节点焊接,24m 榀 600 钢屋架节点焊接,24m至36m 榀 800 钢屋架节点焊接,36m以上 榀 1000 网架焊接球节点Ф59如下 个 60 网架焊接球节点Ф59-108 个 100 网架焊接球节点Ф108以上 个 120 钢网架焊接空心球节点承载力试验 拉力 个 180 压力 个 180 19 外 加 剂 固含量 项 100 氯离子含量 项 120 硫酸钠含量 项 120 减水率 项 300 PH值 项 40 密度 项 50 砂浆减水率 项 120 泌水率比 项 200 含气量 项 250 凝结时间之差 项 350 抗压强度比 项 350 收缩率 项 600 附表12: 序号 分类 检测试验项目 单位 收费原则(元) 备注 钢筋锈蚀 项 350 坍落度增长值 项 200 坍落度保留值 项 200 凝结时间 项 300 90d收缩率比 项 600 抗冻性 循环/次 20 限制膨胀率 项 300 20 水 总固体、溶解性固体 项 40 PH值 项 15 总碱度 项 15 醋酸根 项 40 钙离子 项 30 镁离子 项 30 氯离子 项 30 砼用水(水泥胶砂强度比) 项 180 21 木 材 与 人 造 材 含水率 项 20 容重 项 30 顺纹抗压 项 30 弯曲强度 项 40 顺纹拉力 项 40 顺纹剪力 项 30 弹性模量 项 100 22 室 内 环 境 质 量 室内空气有害物含量 甲醛 点次 450 氨 点次 450 氡 点次 450 苯 点次 450 总挥发性有机化合物(TVOC) 点次 450 无机非金属材料放射性比活度 组 650 人造板材甲醛(穿孔法、干燥器法) 块 450 附表13: 序号 分类 检测试验项目 单位 收费原则(元) 备注 22 室内环境质量 建材有害物含量 人造板材甲醛(环境测试舱法) 块 6500 土壤中氡浓度 点次 200 涂 料 TVOC 组 500 苯 组 500 二甲苯 组 500 TDI(游离甲苯二异氰酸酯) 组 650 外加剂中氨释放量 组 650 木家俱游离甲醛浓度 组 400 胶 粘 剂 甲醛 组 400 TVOC 组 650 重金属 组 800 23 道 路 工 程 试 验 石灰(水泥)稳定土(砂砾) 击实试验 一组 200-300 分别为轻重型击实 抗压强度 一组(6-13个试样) 100 含取样成型,养护试验 级配筛分 一种样品 40 石灰(或水泥)剂(含)量原则曲线 一种样品五次以上试验 200 石灰(水泥)稳定土(砂砾) 现场取样 压实刻度 环刀法 点 22 灌砂法 点 300 灌水法 点 350 石灰(或水泥)剂(含量) 处 40 道路沥青 针入度 组 250 软化度 组 250 延伸度 组 500 含蜡量 组 4000 附表14: 序号 分类 检测试验项目 单位 收费原则(元) 备注 23 道 路 工 程 试 验 沥 青 混 合 料(沥青砼) 马歇尔 组 6000 沥青矿料(粗)粘附性 一种样品 50 矿粉 一种样品 50 原则额度 一种样品 50 现场取样 沥青抽提试验 一处 120 压实密度(水中重量法) 一处 50 马歇尔稳定度 一处 200 水泥砼路面 配合比 组 420 包括抗压、抗折试验 现场抽取 抗折 组 40 钻芯试压 组 60 含试样加工费,不含钻取样费 24 土 工 试 验 含水率 项 8 密度 项 30 土粒比重 项 35 液限 项 20 塑限 项 40 压缩 项 120 以四级荷重为基数,每增长一级加收10元 直剪、快剪 项 100 击实 轻型击实 项 400 混合料击实增长20%计费,粗料土击实增长20%计费 附表15: 序号 分类 检测试验项目 单位 收费原则(元) 备注 24 土工试验 重型击实 项 400 黄土自重湿陷 项 15 颗 粒 分 析 筛分析法 项 46 比重计法 项 95 相对密度 项 50 固结快剪 项 65 固结慢剪 项 100 密 实 度 环刀法 点 20 灌水法 点 300 灌砂法 点 350 25 其他 可靠性能鉴定 民用 砖混 m2 10-15 框架 m2 15-20 工业 m2 20-25 饰面砖粘结强度 组 800 锚固力检测 根次 500 预埋件检测 块 30 沉降观测 m2 10 载荷试验 m2 200 张拉设备校准(机械式) 台 300 张拉设备校准(液压式) 台 300 压力测定仪校准 台 260 玻璃幕墙 3000 单项
展开阅读全文

开通  VIP会员、SVIP会员  优惠大
下载10份以上建议开通VIP会员
下载20份以上建议开通SVIP会员


开通VIP      成为共赢上传

当前位置:首页 > 品牌综合 > 行业标准/行业规范

移动网页_全站_页脚广告1

关于我们      便捷服务       自信AI       AI导航        抽奖活动

©2010-2026 宁波自信网络信息技术有限公司  版权所有

客服电话:0574-28810668  投诉电话:18658249818

gongan.png浙公网安备33021202000488号   

icp.png浙ICP备2021020529号-1  |  浙B2-20240490  

关注我们 :微信公众号    抖音    微博    LOFTER 

客服