收藏 分销(赏)

昆明理工大学XML技术与应用XMLDTD与XMLSchema的使用实验二.doc

上传人:快乐****生活 文档编号:3056876 上传时间:2024-06-14 格式:DOC 页数:5 大小:73KB 下载积分:6 金币
下载 相关 举报
昆明理工大学XML技术与应用XMLDTD与XMLSchema的使用实验二.doc_第1页
第1页 / 共5页
昆明理工大学XML技术与应用XMLDTD与XMLSchema的使用实验二.doc_第2页
第2页 / 共5页


点击查看更多>>
资源描述
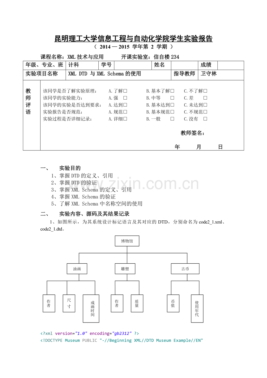
昆明理工大学信息工程与自动化学院学生实验报告 ( 2014 — 2015 学年第 2 学期 ) 课程名称:XML技术与应用 开课实验室:信自楼234 年级、专业、班 计科 学号 姓名 成绩 实验项目名称 XML DTD 与XML Schema的使用 指导教师 卫守林 教 师 评 语 该同学是否了解实验原理: A.了解□ B.基本了解□ C.不了解□ 该同学的实验能力: A.强 □ B.中等 □ C.差 □ 该同学的实验是否达到要求: A.达到□ B.基本达到□ C.未达到□ 实验报告是否规范: A.规范□ B.基本规范□ C.不规范□ 实验过程是否详细记录: A.详细□ B.一般 □ C.没有 □ 教师签名: 年 月 日 一、 实验目的 1、掌握DTD的定义、引用 2、掌握DTD的验证 3、掌握XML Schema的定义、引用 4、掌握XML Schema的验证 5、了解XML Schema中名称空间的使用 二、 实验内容、源码及其结果记录 1、如图所示,为其系统设计标记语言及其对应的DTD,分别命名为code2_1.xml、code2_1.dtd。 <?xml version="1.0" encoding="gb2312" ?> <!DOCTYPE Museum PUBLIC "-//Beginning XML//DTD Museum Example//EN" "code2_1.dtd"> <Museum> <OilPainting> <Author>c0500069</Author> <Size>20050517</Size> <Time>pending</Time> </OilPainting> <Sculpture> <Author>001</Author> <quality>10</quality> </Sculpture> <Coin> <MonetaryValue>c500701</MonetaryValue> <TheUseOfTime>20050712</TheUseOfTime> </Coin> </Museum> 2、在一个XML文档中,需要用到一个article的结点,这个结点结构如下: <article> <HeadLine section="business"> <MainHead>Main headline goes here</MainHead> <SubHead>A subheadline goes here</SubHead> </HeadLine> <ByLine> <Author>John Doe</Author> <title>Reporter</title> </ByLine> <DateLine>April 30, 2005</Dateline> <body>Content of story goes here…</body> <stats> <submitted>2005-03-02</submitted> <wordCount>1523</wordCount> </stats> </article> (1)请在分别定义HeadLine、ByLine、DateLine、stats结点的数据类型基础上,再定义article的复杂数据类型。 (2)若以上程序段多篇文章(articles),请为其建立完整的XML Schema文件,保存文件名为code3_1.xsd。 code3_1.xsd <?xml version="1.0"?> <xsd:schema xmlns:xsd="http://www.w3.org/2001/XMLSchema"> <xsd:element name="MainHead" type="xsd:string"/> <xsd:element name="SubHead" type="xsd:string"/> <xsd:element name="Author" type="xsd:string"/> <xsd:element name="title" type="xsd:string"/> <xsd:element name="DateLine" type="xsd:string"/> <xsd:element name="body" type="xsd:string"/> <xsd:element name="submitted" type="xsd:string"/> <xsd:element name="wordCount" type="xsd:string"/> <xsd:attribute name="section" type="xsd:string"/> <xsd:element name="article"> <xsd:complexType> <xsd:sequence> <xsd:element name="HeadLine"> <xsd:complexType> <xsd:sequence> <xsd:element ref="MainHead"/> <xsd:element ref="SubHead"/> </xsd:sequence> <xsd:attribute ref="section" use="required"/> </xsd:complexType> </xsd:element> <xsd:element name="ByLine"> <xsd:complexType> <xsd:sequence> <xsd:element ref="Author"/> <xsd:element ref="title"/> </xsd:sequence> </xsd:complexType> </xsd:element> <xsd:element ref="DateLine"/> <xsd:element ref="body"/> <xsd:element name="stats"> <xsd:complexType> <xsd:sequence> <xsd:element ref="submitted"/> <xsd:element ref="wordCount"/> </xsd:sequence> </xsd:complexType> </xsd:element> </xsd:sequence> </xsd:complexType> </xsd:element> </xsd:schema> 3、为 " code3_2.xml" XML 文档设计对应的XML Schema文件,保存文件名为code3_2.xsd。 <?xml version="1.0" encoding="ISO-8859-1"?> <shiporder orderid="889923" xmlns:xsi="http://www.w3.org/2001/XMLSchema-instance" xsi:noNamespaceSchemaLocation="shiporder.xsd"> <orderperson>George Bush</orderperson> <shipto> <name>John Adams</name> <address>Oxford Street</address> <city>London</city> <country>UK</country> </shipto> <item> <title>Empire Burlesque</title> <note>Special Edition</note> <quantity>1</quantity> <price>10.90</price> </item> <item> <title>Hide your heart</title> <quantity>1</quantity> <price>9.90</price> </item> </shiporder> code3_2.xsd <?xml version="1.0"?> <xsd:schema xmlns:xsd="http://www.w3.org/2001/XMLSchema"> <xsd:element name="orderperson" type="xsd:string"/> <xsd:element name="name" type="xsd:string"/> <xsd:element name="address" type="xsd:string"/> <xsd:element name="city" type="xsd:string"/> <xsd:element name="country" type="xsd:string"/> <xsd:element name="title" type="xsd:string"/> <xsd:element name="note" type="xsd:string"/> <xsd:element name="quantity" type="xsd:string"/> <xsd:element name="price" type="xsd:string"/> <xsd:attribute name="orderid" type="xsd:string"/> <xsd:element name="shiporder"> <xsd:complexType> <xsd:sequence> <xsd:element ref="orderperson"/> <xsd:element name="shipto"> <xsd:complexType> <xsd:sequence> <xsd:element ref="name"/> <xsd:element ref="address"/> <xsd:element ref="city"/> <xsd:element ref="country"/> </xsd:sequence> </xsd:complexType> </xsd:element> <xsd:element name="item"> <xsd:complexType> <xsd:sequence> <xsd:element ref="title"/> <xsd:element ref="note"/> <xsd:element ref="quantity"/> </xsd:sequence> </xsd:complexType> </xsd:element> </xsd:sequence> <xsd:attribute ref="orderid" use="required"/> </xsd:complexType> </xsd:element> </xsd:schema> 三、 实验结果、分析和结论 通过本节课,学会了DTD文档的书写,以及知道了DTD对于早期XML的作用,同时也了解了DTD文档的局限性,同时让我对schema有了更深的体会,本次试验获益匪浅。  学会了Schema的书写格式,同时也了解了Schema和DTD的异同点,相信,不久Schema会代替DTD的。
展开阅读全文

开通  VIP会员、SVIP会员  优惠大
下载10份以上建议开通VIP会员
下载20份以上建议开通SVIP会员


开通VIP      成为共赢上传

当前位置:首页 > 教育专区 > 其他

移动网页_全站_页脚广告1

关于我们      便捷服务       自信AI       AI导航        抽奖活动

©2010-2026 宁波自信网络信息技术有限公司  版权所有

客服电话:0574-28810668  投诉电话:18658249818

gongan.png浙公网安备33021202000488号   

icp.png浙ICP备2021020529号-1  |  浙B2-20240490  

关注我们 :微信公众号    抖音    微博    LOFTER 

客服