收藏 分销(赏)

城市轨道交通工程档案归档内容及范围范围表.doc

上传人:快乐****生活 文档编号:2957825 上传时间:2024-06-12 格式:DOC 页数:24 大小:1.14MB 下载积分:10 金币
下载 相关 举报
城市轨道交通工程档案归档内容及范围范围表.doc_第1页
第1页 / 共24页
城市轨道交通工程档案归档内容及范围范围表.doc_第2页
第2页 / 共24页


点击查看更多>>
资源描述
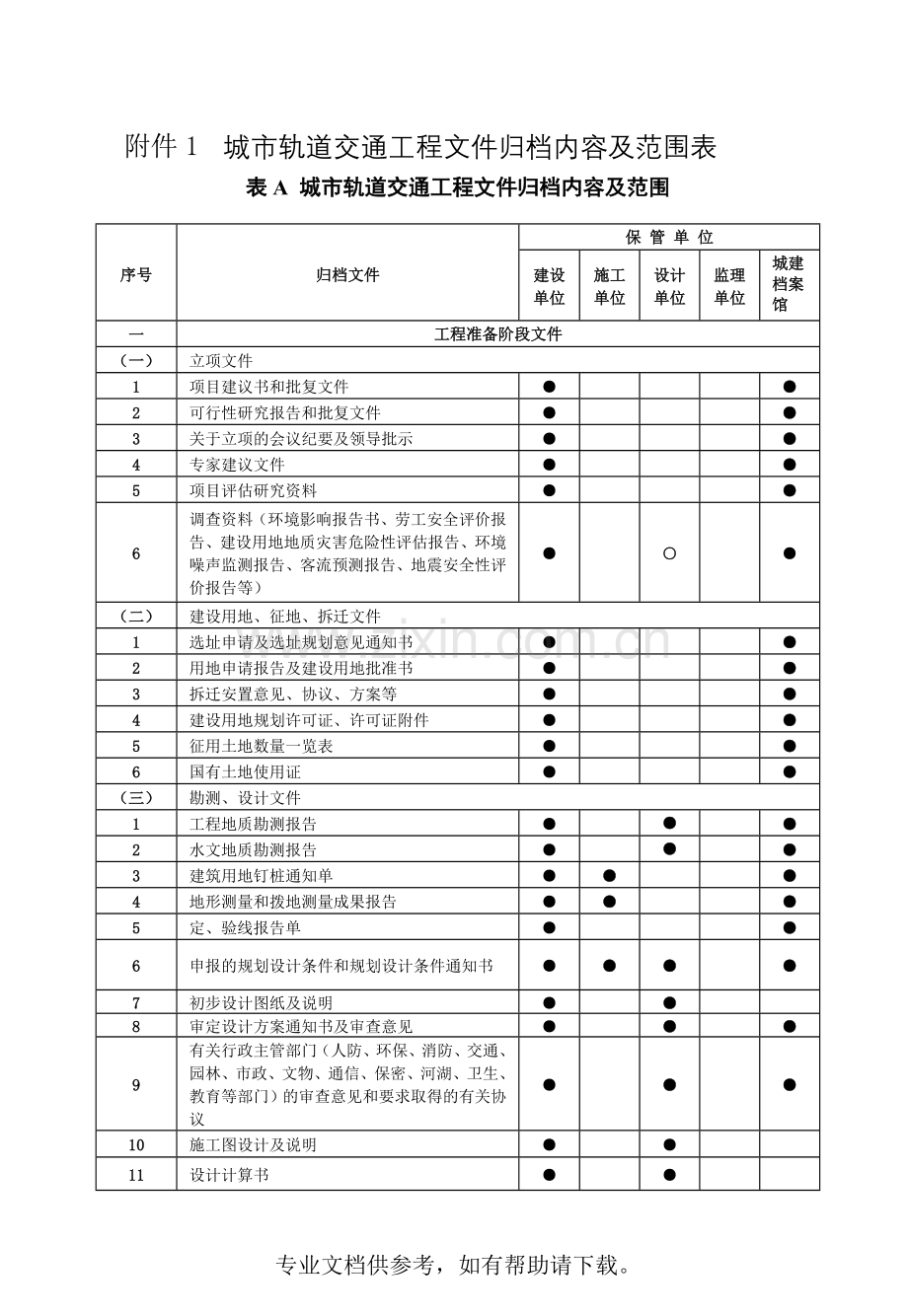
附件1 城市轨道交通工程文件归档内容及范围表 表A 城市轨道交通工程文件归档内容及范围 序号 归档文件 保 管 单 位 建设 单位 施工 单位 设计 单位 监理 单位 城建 档案馆 一 工程准备阶段文件 (一) 立项文件 1 项目建议书和批复文件 ● ● 2 可行性研究报告和批复文件 ● ● 3 关于立项的会议纪要及领导批示 ● ● 4 专家建议文件 ● ● 5 项目评估研究资料 ● ● 6 调查资料(环境影响报告书、劳工安全评价报告、建设用地地质灾害危险性评估报告、环境噪声监测报告、客流预测报告、地震安全性评价报告等) ● ○ ● (二) 建设用地、征地、拆迁文件 1 选址申请及选址规划意见通知书 ● ● 2 用地申请报告及建设用地批准书 ● ● 3 拆迁安置意见、协议、方案等 ● ● 4 建设用地规划许可证、许可证附件 ● ● 5 征用土地数量一览表 ● ● 6 国有土地使用证 ● ● (三) 勘测、设计文件 1 工程地质勘测报告 ● ● ● 2 水文地质勘测报告 ● ● ● 3 建筑用地钉桩通知单 ● ● ● 4 地形测量和拨地测量成果报告 ● ● ● 5 定、验线报告单 ● ● 6 申报的规划设计条件和规划设计条件通知书 ● ● ● ● 7 初步设计图纸及说明 ● ● 8 审定设计方案通知书及审查意见 ● ● ● 9 有关行政主管部门(人防、环保、消防、交通、园林、市政、文物、通信、保密、河湖、卫生、教育等部门)的审查意见和要求取得的有关协议 ● ● ● 10 施工图设计及说明 ● ● 11 设计计算书 ● ● 12 政府有关部门对施工图设计文件的审批意见 ● ● ● (四) 工程招投标文件、合同 1 测量、物探、勘测、设计招投标文件 ● ● 2 测量、物探、勘测、设计中标通知书及合同 ● ● ● 3 施工招投标文件 ● ● ● 4 施工中标通知书及施工合同 ● ● ● ● 5 监理招投标文件 ● ● 6 监理中标通知书及监理合同 ● ● ● 7 材料、设备采购招投标文件 ● 8 材料、设备采购中标通知书及采购合同 ● ● 9 其他招投标文件 ● 10 其他中标通知书及合同 ● ● (五) 建设项目开工审批文件 1 建设项目列入年度计划的申报文件 ● ● 2 建设项目列入年度计划的批复文件或年度计划项目表 ● ● 3 规划审批申报表及报送的文件和图纸 ● 4 建设工程规划许可证及其附件 ● ● ● 5 建设工程开工审查表 ● 6 建设工程施工许可证 ● ● 7 投资许可证、审计证明、缴纳绿化建设费等证明 ● ● 8 工程质量、安全监督手续文件 ● ● ● (六) 设备采购文件 1 设备购置(进口)相关文件 ● 2 购置(进口)设备申请、评估报告、项目计划等及批复文件 ● 3 与外商签订的合同、外商谈判情况汇报记录等 ● 4 进口设备免税文件、设备订购清单等 ● 5 进口单据、装箱单、商检证明文件 ● (七) 财务文件 1 工程投资估算材料 ● 2 工程设计概算材料 ● 3 施工图预算材料 ● 4 施工预算 ● (八) 建设施工监理机构及负责人 1 工程 项目管理组织机构(项目经理部)及负责人名单 ● ● 2 工程项目监理组织机构(项目监理部)及负责人名单 ● ● ● 3 工程项目施工组织机构(施工项目经理部)及负责人名单 ● ● ● 二 监理文件 (一) 施工管理 1 总监理工程师授权通知书、合同总监办人员配置(调整)通知书 ● ● ● 2 监理规划、监理实施细则 ● ● 3 涉及施工安全、质量或重要事项的会议纪要 ● ● ● ● 4 监理工程师通知单及回复 ● ● ● 5 监理工作联系单 ● ● ● 6 监理月报 ● ● 7 监理日志 ● (二) 施工安全控制 1 专项安全实施方案报批表 ○ ● ● 2 安全事故报告及处理资料 ● ● ● ● (三) 施工质量控制 1 监理抽查原材料及各种分项工程试验报告 ● ● 2 监理抽查各分项工程检查记录 ○ ● 3 施工放样测量复核 ● ● ● 4 监理旁站记录 ○ ● 5 中间交工证书、缺陷责任终止证书 ● ● ● 6 质量事故报告及处理资料 ● ● ● ● (四) 施工进度控制 1 施工进度计划报审表 ○ 2 工程开工报审表、停工令、复工令、工程延期申请表 ● ● ● ● (五) 造价控制 1 设计变更、洽商报审与签认资料 ● ● ● 2 工程变更通知单及变更令 ● ● ● 3 中间计量表、中间计量支付汇总表 ● ● 4 工程竣工决算审核资料 ● ● ● ● (六) 合同管理文件 1 工程量清单 ● ● ● 2 工程分包一览表 ● ● ● 3 费用索赔申请表及审批表、索赔评估报告 ● ● ● (七) 验收资料 1 单位工程竣工预验收报验单 ○ ● ● 2 竣工移交证书 ○ ● ● ● 3 监理竣工总结 ● ● ● 4 工程质量评估报告 ● ● ● ● 三 土建及附属工程施工文件 (一) 工程管理与工程质量检查验收资料 1 建设工程质量事故调(勘)查笔录 ● ● ● 2 建设工程质量事故报告 ● ● ● ● 3 室内(车站内)环境检测报告 ● ● 4 单位(子单位)工程质量竣工验收记录 ● ● ● ● 5 单位(子单位)工程质量控制资料核查记录 ● ● ● ● 6 单位(子单位)工程安全和功能检查资料核查及主要功能抽查记录 ● ● ● ● 7 单位(子单位)工程观感质量检查记录 ● ● ● 8 施工总结 ● ● ● 9 设计、勘察工作质量报告 ● ● ● (二) 施工管理资料 1 施工现场质量管理检查记录 ● ● 2 企业资质证书及相关专业人员岗位证书 ● 3 见证记录 ● ● 4 施工日志 ● 5 施工大事记 ● ● (三) 施工技术资料 1 施工组织设计及施工方案 ● ● 2 设计交底记录 ● ● ● ● ● 3 技术交底记录 ● 4 图纸会审记录 ● ● ● ● ● 5 设计变更通知单 ● ● ● ● ● 6 工程洽商记录 ● ● ● ● ● (四) 施工测量及监控量测记录 1 施工测量记录 (1) 工程测量交接桩记录 ● ● ● ● (2) 工程定位测量记录 ● ● ● ● (3) 基槽验线记录 ● ● ● (4) 平面放线记录 ● ● (5) 标高抄测记录 ● ● (6) 建(构)筑物垂直度、标高测量记录 ● ● ● (7) 初期支护净空测量记录 ○ ● ● (8) 车站/隧道净空测量记录 ○ ● ● ● (9) 二衬厚度测量记录 ● ● ● ● (10) 测量复核记录 ● ● ● ● (11) 竣工测量资料及记录 ● ● ● ● 2 监控量测记录 (1) 基坑支护变形监测记录 ● ● ● (2) 地面沉降观测记录 ● ● ● ● (3) 掌子面地质及支护状况观察记录 ● ● ● (4) 结构净空收敛观测记录 ● ● ● ● (5) 拱顶下沉观测记录 ● ● ● ● (6) 地中位移观测记录 ● ● ● ● (7) 建(构)筑物/地下管线变形和破坏监测记录 ● ● ● ● (8) 车站、区间结构沉降监测记录 ● ● ● ● (9) 车站、区间渗漏点监测 ● ● ● ● (五) 施工材料资料 1 建筑与结构工程 (1) 材料、构配件进场检验记录 ● ● (2) 材料、构配件出厂质量证明文件(钢筋、预制混凝土、管片、桥梁支座等) ● ● (3) 检测报告 1) 钢材性能检测报告 ● ● 2) 水泥性能检测报告 ● ● 3) 外加剂性能检测报告 ● ● 4) 防水材料性能检测报告 ● ● 5) 砖(砌块)性能检测报告 ● ● 6) 门、窗性能检测报告(建筑外窗应有三性检测报告) ● ● 7) 饰面材料性能检测报告 ● ● 8) 涂料性能检测报告 ● ● 9) 玻璃性能检测报告(安全玻璃应有安全检测报告) ● ● 10) 壁纸、墙布防火、阻燃性能检测报告 ● ● 11) 装修用胶粘剂性能检测报告 ● ● 12) 防火涂料性能检测报告 ● ● 13) 隔声/隔热/阻燃/防潮材料特殊性能检测报告 ● ● 14) 钢结构用焊接材料检测报告 ● ● 15) 高强度大六角头螺栓连接副扭矩系数检测报告 ● ● 16) 扭剪型高强度螺栓连接副预拉力检测报告 ● ● 17) 木结构材料检测报告(含水率、木构件、钢件) ● ● 18) 幕墙性能检测报告(三性试验) ● ● 19) 幕墙用材料检测报告 ● ● 20) 材料污染物含量检测报告(执行GB50325) ● ● (4) 复试报告 1) 钢材试验报告 ● ● 2) 水泥试验报告 ● ● 3) 砂试验报告 ● ● 4) 碎(卵)石试验报告 ● ● 5) 外加剂试验报告 ● ● 6) 掺合料试验报告 ● ● 7) 防水材料试验报告 ● ● 8) 砖(砌块)试验报告 ● ● 9) 轻集料试验报告 ● ● 10) 盾构管片密封垫试验报告 ● ● 11) 预应力筋复试报告 ● ● 12) 预应力锚具、夹具和连接器复试报告 ● ● 13) 装饰装修用材料复试报告 ● ● 14) 钢结构金相试验报告 ● ● 15) 钢结构用材料复试报告 ● ● 16) 木结构材料复试报告 ● ● 17) 幕墙用材料复试报告 ● ● (5) 设备开箱检验记录 ● ● 2 建筑电气工程 (1) 材料、构配件进场检验记录 ● ● (2) 主要设备、材料、构配件出厂质量证明文件[低压成套配电柜、动力、照明配电箱、电力变压器、柴油发电机组、高压成套配电柜、蓄电池柜、不间断电源柜、控制柜(屏、台)照明灯具、开关、插座、风扇及附件、电线、电缆等] ● ● (3) 主要设备安装技术文件 ● ● (4) 设备开箱检验记录 ● ● 3 智能建筑系统工程(执行国家现行标准、规范) 4 轨道工程 (1) 原材料出厂质量证明文件、检验报告。 [原材料包括螺母罩、螺母、螺栓、垫圈、扣板、道钉、绝缘垫、垫板、胶板、胶垫、轨距垫、橡胶套靴、鱼尾板、尼龙套管、挡板、挡板座、塑料垫片、车挡、钢轨、尖轨、异型轨、护轨装置、钢轨伸缩调节器、道岔、道岔塑料件、短轨枕、枕木、道砟等原材] ● ● (2) 钢轨焊接型式检验报告 ● ● (3) 钢轨焊接周期性检验报告 ● ● 5 声屏障 (1) 材料、构配件进场检验记录 ● ● (2) 主要设备、原材料、构配件质量证明文件 ● ● (3) 检测报告 1) 0 钢材试验报告 ● ● 2) 隔声板检验报告 ● ● 3) 吸声板检测报告 ● ● 6 其他附属工程(执行国家相关标准、规范) (六) 施工记录 1 地面及高架车站工程 (1) 桩(地)基施工记录 ● ● ● (2) 地基验槽检查记录 ● ● ● (3) 地基处理记录 ● ● ● (4) 地基钎探记录(应附图) ● ● ● (5) 构件吊装记录 ● (6) 地下工程防水效果检查记录 ● ● ● (7) 防水工程试水检查记录 ● ● ● (8) 预应力筋张拉记录 ● ● ● (9) 有粘结预应力结构灌浆记录 ● ● ● (10) 混凝土养护(包括测温)记录 ● (11) 混凝土浇筑记录 ● ● ● (12) 钢结构施工记录 ● ● ● (13) 网架(索膜)施工记录 ● ● ● (14) 木结构施工记录 ● ● (15) 幕墙注胶检查记录 ● ● (16) 隐蔽工程检查验收记录 ● ● ● 2 地下车站工程 (1) 施工降水记录 ● ● (2) 钻孔桩钻进记录(冲击钻) ● ● ● (3) 钻孔桩钻进记录(旋转钻) ● ● ● (4) 钻孔桩混凝土灌注前检查记录 ● ● (5) 钻孔桩水下混凝土浇筑记录 ● ● (6) 旋喷桩施工记录 ● ● ● (7) SMW桩施工记录 ● ● ● (8) 桩顶冠梁施工检查记录 〇 ● (9) 地下连续墙挖槽施工记录 〇 ● (10) 地下连续墙护壁泥浆质量检查记录 〇 ● (11) 地下连续墙接头施工检查记录 〇 ● (12) 地下连续墙混凝土浇筑记录 ● ● (13) 土方开挖施工记录 ● (14) 土钉墙施工记录 ● (15) 锚杆(索)成孔记录 ● (16) 锚杆(索)安装记录 ● ● (17) 锚杆(索)注浆记录 ● (18) 锚杆(索)张拉锁定记录 ● ● (19) 桩间喷射混凝土施工记录 ● (20) 钢管柱加工验收记录 ● ● (21) 钢管柱定位器安装检查记录 ● (22) 钢管柱与桩基连接施工记录 ● ● ● (23) 钢管柱施工检查记录 ● ● (24) 梁板柱节点施工检查记录 ● ● (25) 铺盖安装检查记录 ● ● (26) 盖挖逆筑法土模施工记录 ● (27) 大管棚施工记录 ● (28) 夯管帷幕施工检查记录 ● (29) 小导管注浆检查记录 ● ● (30) 波形钢瓦超前支护施工记录 ● ● (31) 冻结测温记录 ● (32) 暗挖开挖施工记录 ● ● ● (33) 钢格栅验收记录 ● ● ● (34) 初期支护检查记录 ● ● (35) 锁脚锚管(杆)施工检查记录 ● (36) 喷射混凝土配合比通知单 ● (37) 二衬背后注浆施工记录 ● ● ● (38) 钢支撑、钢围檩进场检查记录 ● (39) 钢围檩安装检查记录 ● (40) 钢支撑架设施工记录 ○ ● (41) 钢支撑预加力施加与锁定记录 ○ ● (42) 防水基面处理检查记录 ● (43) 防水层施工检查记录 ● ● ● (44) 细部构造(施工缝、变形缝、后浇带)防水施工检查记录 ● ● ● (45) 暗挖隧道模板台车施工检查记录 ● (46) 混凝土养护(包括测温)记录 ● (47) 构件吊装记录 ● (48) 混凝土浇筑记录 ● ● ● (49) 隐蔽工程检查验收记录 ● ● ● 3 明挖法区间隧道工程(包括区间U形槽工程) (1) 施工降水记录 ● ● (2) 钻孔桩钻进记录(冲击钻) ● ● ● (3) 钻孔桩钻进记录(旋转钻) ● ● ● (4) 人工挖孔桩挖孔记录 ● ● ● (5) 钻孔桩混凝土灌注前检查记录 ● ● ● (6) 钻孔桩水下混凝土浇筑记录 ● ● (7) 旋喷桩施工记录 ● ● ● (8) SMW桩施工记录 ● ● ● (9) 桩顶冠梁施工检查记录 〇 ● (10) 地下连续墙挖槽施工记录 〇 ● (11) 地下连续墙护壁泥浆质量检查记录 〇 ● (12) 地下连续墙接头施工检查记录 〇 ● (13) 地下连续墙混凝土浇筑记录 ● ● (14) 土方开挖施工记录 ● (15) 土钉墙施工记录 ● (16) 锚杆(索)成孔记录 ● (17) 锚杆(索)安装记录 ● ● (18) 锚杆(索)注浆记录 ● ● (19) 锚杆(索)张拉锁定记录 ● ● (20) 桩间喷射混凝土施工记录 ● (21) 钢支撑、钢围檩进场检查记录 ● (22) 钢围檩安装检查记录 ● (23) 钢支撑架设施工记录 ○ ● (24) 钢支撑预加力施加与锁定记录 ○ ● (25) 钢支撑拆除施工记录 ● (26) 防水基面处理检查记录 ● ● ● (27) 防水层施工检查记录 ● ● ● (28) 细部构造(施工缝、变形缝、后浇带)防水施工检查记录 ● ● ● (29) 混凝土养护(包括测温)记录 ● (30) 混凝土浇筑记录 ● ● ● (31) 隐蔽工程检查验收记录 ● ● ● 4 暗挖法区间隧道工程 (1) 施工降水记录 ● ● (2) 大管棚施工记录 ● (3) 小导管注浆检查记录 ● (4) 冻结测温记录 ● (5) 旋喷桩施工记录 ● ● ● (6) 暗挖开挖施工记录 ● ● ● (7) 钢格栅验收记录 ● ● (8) 初期支护检查记录 ● ● (9) 锁脚锚管(杆)施工检查记录 ● (10) 喷射混凝土配合比通知单 ● (11) 初支背后注浆施工记录 ● (12) 防水基面处理检查记录 ● ● ● (13) 防水层施工检查记录 ● ● ● (14) 细部构造(施工缝、变形缝)防水施工检查记录 ● ● ● (15) 暗挖隧道模板台车施工检查记录 ● (16) 混凝土养护(包括测温)记录 ● (17) 混凝土浇筑记录 ● ● ● (18) 隐蔽工程检查验收记录 ● ● ● 5 盾构法隧道工程 (1) 盾构隧道掘进施工记录 ● (2) 盾构隧道管片拼装记录 ● ● ● (3) 盾构隧道注浆检查记录 ● ● ● (4) 隐蔽工程检查验收记录 ● ● ● 6 路基及小桥涵工程 (1) 桩(地)基施工记录 ● ● ● (2) 地基验槽检查记录 ● ● ● (3) 地基处理记录 ● ● ● (4) 地基钎探记录(应附图) ● ● ● (5) 钻孔桩钻进记录(冲击钻) ● ● ● (6) 钻孔桩钻进记录(旋转钻) ● ● ● (7) 人工挖孔桩挖孔记录 ● ● ● (8) 钻孔桩混凝土灌注前检查记录 ● ● ● (9) 钻孔桩水下混凝土浇筑记录 ● (10) 旋喷桩施工记录 ● ● ● (11) 土方开挖施工记录 ● (12) 土钉墙施工记录 ● (13) 锚杆(索)成孔记录 ● (14) 锚杆(索)安装记录 ● (15) 锚杆(索)注浆记录 ● (16) 锚杆(索)张拉锁定记录 ● (17) 沉入桩施工检查记录 ● ● ● (18) 箱涵顶进施工记录 ● ● ● (19) 路基护坡喷射混凝土施工记录 ● (20) 挡墙砌筑施工记录 ● (21) 预制挡墙安装施工记录 ● (22) 路基压实施工检查记录 ● (23) 混凝土养护(包括测温)记录 ● (24) 混凝土浇筑记录 ● ● ● (25) 构件吊装施工记录 ● (26) 预应力筋张拉记录 ● ● (27) 有粘结预应力结构灌浆记录 ● ● ● (28) 隐蔽工程检查验收记录 ● ● ● 7 高架桥区间工程 (1) 桩(地)基施工记录 ● ● ● (2) 地基验槽检查记录 ● ● ● (3) 地基处理记录 ● ● ● (4) 地基钎探记录(应附图) ● ● ● (5) 钻孔桩钻进记录(冲击钻) ● ● ● (6) 钻孔桩钻进记录(旋转钻) ● ● ● (7) 人工挖孔桩挖孔记录 ● ● ● (8) 钻孔桩混凝土灌注前检查记录 ● ● (9) 钻孔桩水下混凝土浇筑记录 ● (10) 混凝土养护(包括测温)记录 ● (11) 混凝土浇筑记录 ● ● ● (12) 构件吊装施工记录 ● (13) 焊接材料烘焙记录 ● (14) 预应力筋张拉记录 ● ● ● (15) 预应力张拉孔道压浆记录 ● ● ● (16) 桥面防水施工记录 ● ● (17) 桥梁支座安装记录 ● ● ● (18) 钢箱梁安装检查记录 ● ● ● (19) 高强螺栓连接检查记录 ● ● ● (20) 焊缝综合质量记录 ● ● ● (21) 斜拉索安装张拉记录 ● ● ● (22) 人行道板安装记录 ● (23) 架桥机架桥施工记录 ● (24) 隐蔽工程检查验收记录 ● ● ● 8 车辆段与综合基地工程 (1) 基坑支护变形监测记录 ● (2) 桩(地)基施工记录 ● ● ● (3) 地基验槽检查记录 ● ● ● (4) 地基处理记录 ● ● ● (5) 地基钎探记录(应附图) ● ● ● (6) 构件吊装安装记录 ● (7) 焊接材料烘焙记录 ● (8) 地下工程防水效果检查记录 ● ● ● (9) 防水工程试水检查记录 ● ● ● (10) 预应力筋张拉记录 ● ● ● (11) 有粘结预应力结构灌浆记录 ● ● ● (12) 混凝土养护(包括测温)记录 ● (13) 混凝土浇筑记录 ● ● ● (14) 车辆段检查坑施工记录 ● (15) 钢结构施工记录 ● ● ● (16) 网架(索膜)施工记录 ● ● (17) 木结构施工记录 ● ● (18) 幕墙注胶检查记录 ● ● (19) 隐蔽工程检查验收记录 ● ● ● 9 轨道工程 (1) 橡胶套靴安装检查记录 ● ● (2) 承轨台混凝土浇筑记录 ● ● ● (3) 短轨枕式整体道床施工记录 ● ● (4) 碎石道床轨道底层道砟摊铺上渣记录 ● ● (5) 碎石道床有渣轨道铺轨、上渣整道、道岔铺设记录 ● ● (6) 支撑块整体道床工程检查记录 ● ● ● (7) 铺轨、轨道整理、钢轨打磨工程检查记录 ● ● (8) 道床线路锁定、伸缩调节器、道岔铺设整理工程检查记录 ● ● (9) 无缝线路锁定轨温、锁定日期记录 ● ● (10) 单元轨节应力放散及锁定记录 ● ● (11) 移动气压焊钢轨焊接工程检查记录 ● ● (12) 移动闪光接触焊钢轨焊接工程检查记录 ● ● (13) 钢轨基地接触焊钢轨焊接检查记录 ● ● (14)(21) 接触焊正火参数记录 ● ● (15) 铝热焊焊接记录 ● ● (16) 加道岔、交叉度线安装检查记录 ● ● 10 声屏障 (1) 钢结构焊接记录 ● ● (2) 立柱安装记录 ● ● (3) 钢结构组装、紧固件连接记录 ● ● (4) 吸、隔声板安装记录 ● ● (5) 人行步道板安装记录 ● ● (6) 护栏安装记录 ● ● 11 其他附属工程(执行国家相关标准、规范) (七) 施工试验记录 1 建筑与结构工程 (1) 锚杆、土钉锁定力(抗拔力)试验报告 ● ● (2) 地基承载力检验报告 ● ● ● (3) 桩检测报告 ● ● ● (4) 锚索张拉力检验报告 ● ● ● (5) 土壤压实度试验记录(环刀法) ● ● ● (6) 压实度试验记录(灌砂法) ● ● ● (7) 钢筋机械连接型式检验报告 ● ● (8) 钢筋连接工艺检验(评定)报告 ● ● (9) 钢筋连接试验报告 ● ● ● (10) 砂浆配合比通知单 ● (11) 砂浆抗压强度试验报告 ● ● ● (12) 砌筑砂浆试块强度统计、评定记录 ● ● (13) 混凝土配合比通知单 ● (14) 混凝土抗压强度试验报告 ● ● ● (15) 混凝土试块强度统计、评定记录 ● ● ● (16) 混凝土抗渗试验报告 ● ● ● (17) 混凝土碱总量计算书 ● ● (18) 饰面砖粘结强度试验报告 ● ● (19) 后置埋件拉拔试验报告 ● ● (20) 超声波探伤报告 ● ● (21) 超声波探伤记录 ● ● (22) 钢构件射线探伤报告 ● ● (23) 磁粉探伤报告 ● ● (24) 高强螺栓抗滑移系数检测报告 ● ● ● (25) 钢结构焊接工艺评定 ● ● ● (26) 网架节点承载力试验报告 ● ● (27) 钢结构涂料厚度检测报告 ● ● (28) 木结构胶缝试验报告 ● ● (29) 木结构构件力学性能试验报告 ● ● (30) 木结构防护剂试验报告 ● ● (31) 幕墙双组分硅酮结构胶混匀性及拉断试验报告 ● ● (32) 接地网检测报告、防雷检测 ● ● 2 建筑电气工程 (1) 电气接地电阻测试记录 ● ● ● (2) 电气防雷接地装置隐检与平面示意图 ● ● ● (3) 电气绝缘电阻测试记录 ● ● ● (4) 电气器具通电安全检查记录 ● ● ● (5) 电气设备空载试运行记录 ● ● ● (6) 建筑物照明通电试运行记录 ● ● ● (7) 大型照明灯具承载试验记录 ● ● (8) 高压部分试验记录 ● ● (9) 漏电开关模拟试验记录 ● ● (10) 电度表检定记录 ● ● (11) 大容量电气线路结点测温记录 ● ● (12) 避雷带支架拉力测试记录 ● ● 3 智能建筑工程(执行国家现行标准、规范) (执行现行标准、规范) 4 轨道工程 (1) 钢轨焊接检验报告(超声波探测) ● ● ● (2) 线路要素汇总(水准点表、控制桩表、平交道表、曲线表、坡度表、断链表) ● ● ● (3) 测量复核记录 ● ● ● (4) 线路中桩复测表 ● ● ● (5) 基桩高程表 ● ● ● (6) 控制基标竣工测量成果 ● ● ● (7) 标高测量表 ● ● ● (8) 长轨防爬桩设置、观测记录 ● ● 5 声屏障 声屏障降噪效果测试 ● ● (八) 施工质量验收记录 1 结构实体混凝土强度验收记录 ● ● ● 2 结构实体钢筋保护层厚度验收记录 ● ● ● ● 3 检验批质量验收记录 ○ ● ● 4 分项工程质量验收记录表 ○ ● ● 5 分部(子分部)工程验收记录表 ● ● ● ● 四 机电设备施工文件 (一) 综合管理文件 1 开工、竣工报告 ● ● ● ● 2 施工组织设计及审批 ● ● 3 图纸会审、设计交底记录 ● ● ● ● 4 技术交底记录 ● ● 5 设计变更通知单 ● ● ● ● 6 工程洽商记录 ● ● ● ● 7 施工现场质量管理检查记录 ● ● 8 现场管理制度、质量责任制 ● ● 9 企业资质及主要专业操作上岗证书 ● ● 10 工程质量事故处理记录 ● ● ● 11 施工安全、环保措施 ● ● 12 单位(子单位)工程质量竣工验收记录 ● ● ● ● 13 施工日记 ● 14 施工大事记 ● 15 施工总结 ● ● ●
展开阅读全文

开通  VIP会员、SVIP会员  优惠大
下载10份以上建议开通VIP会员
下载20份以上建议开通SVIP会员


开通VIP      成为共赢上传

当前位置:首页 > 环境建筑 > 铁路地铁

移动网页_全站_页脚广告1

关于我们      便捷服务       自信AI       AI导航        抽奖活动

©2010-2025 宁波自信网络信息技术有限公司  版权所有

客服电话:0574-28810668  投诉电话:18658249818

gongan.png浙公网安备33021202000488号   

icp.png浙ICP备2021020529号-1  |  浙B2-20240490  

关注我们 :微信公众号    抖音    微博    LOFTER 

客服