收藏 分销(赏)

防雷接地安全技术交底.doc

上传人:精*** 文档编号:2931575 上传时间:2024-06-11 格式:DOC 页数:4 大小:61.50KB 下载积分:5 金币
下载 相关 举报
防雷接地安全技术交底.doc_第1页
第1页 / 共4页
防雷接地安全技术交底.doc_第2页
第2页 / 共4页


点击查看更多>>
资源描述
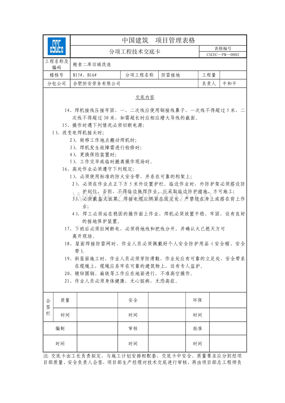
中国建筑 项目管理表格 分项工程技术交底卡 表格编号 CSCEC—PM—0803 工程名称及编码 粮食二库旧城改造 楼栋号 B15#、B16# 分项工程名称 防雷接地 工程量 分包公司 合肥恒安劳务有限公司 负责人 牛和平 交底内容 1、进入施工现场必须遵守安全生产六大纪律。 2、电焊时,严格遵守“十不烧”规程操作。 3、操作前应检查所有工具、电焊机、电源开关及线路是否良好,金属外壳应安全可靠接地,进出线应有完整的防护罩,进出线端应用铜线鼻子接牢。 4、每台电焊机应有专用电源开关。开关的保险丝容量,应为该机的1.5倍,严禁用其他金属丝代替保险丝。 5、电焊时的弧火花点必须与氧气瓶、乙炔瓶、木料、油类等危险物品的距离不少于10米。与易燃物品的距离不少于20米。 6、清除焊渣时,面部不应正对焊纹,防止焊渣溅入眼内。 7、注意安全用电,电线不准乱拖乱拉,电源线均应架空扎牢。 8、焊点周围和下方应采取防火措施,应有接火斗,备有灭火器材,并指定专人防火监护。 9、焊接操作及配合人员必须按规定穿戴劳动防护用品。并必须采取防止触电、高空坠落和火灾等事故的安全措施。 10、现场使用的电焊机,应设有防雨、防潮、防晒的措施,并应装设相应的消防器材。 11、使用前,应检查并确认初、次级线接线正确,输入电压符合电焊机的铭牌规定。接通电源后,严禁接触初级线路的带电部分。 12、雨、雪、风力六级以上(含六级)天气不得在露天电焊作业。雨、雪后应清除积水、积雪后方可作业。在潮湿地带作业时,操作人员应站在铺有绝缘物品的地方,并应穿绝缘鞋。 13、焊接时二次线必须双线到位,严禁借用金属管道、金属脚手架、及结构钢筋作回路地线。焊把线无破损,绝缘良好。 会签栏 质量 安全 环保 时间 时间 时间 编制 审核 批准 时间 时间 时间 注:交底卡由工长负责拟定,与施工计划安排相配套,交底卡中安全、质量要求应分别经项目部质量、安全负责人会签,项目部生产经理对技术交底进行审核,再由项目部总工程师负责批准。当地方主管部门对技术交底表格另有规定时,按地方规定执行。 中国建筑 项目管理表格 分项工程技术交底卡 表格编号 CSCEC—PM—0803 工程名称及编码 粮食二库旧城改造 楼栋号 B15#、B16# 分项工程名称 防雷接地 工程量 分包公司 合肥恒安劳务有限公司 负责人 牛和平 交底内容 14、焊机接线压接牢固,一、二次线应使用铜接线鼻子,一次线不得超过5米,二次线不得超过30米,如需超长时应相应增大导线的截面。 15、操作时遇下列情况必须切断电源: 1)、改变电焊机接头时; 2)、转移工作地点搬动焊机时; 3)、焊机发生故障需进行检修时; 4)、更换保险装置时; 5)、工作完毕或临时撤离操作现场时。 16、高处作业必须遵守下列规定: 1)、必须使用标准的防火安全带,并系在可靠的构架上; 2)、必须在作业点正下方5米外设置护栏。临边作业时,外防护架必须搭设防护到位,否则,不得临边施焊作业,应采取临边防护措施,方可施工; 3)、必须戴盔式面罩。焊接电缆应绑紧在固定处,严禁绕在身上或搭在背上作业; 4)、焊工必须站在稳固的操作面上作业,焊机必须放置平稳、牢固,设有良好的接地保护装置。 17、下班后必须拉闸断电,必须将地线和把线分开。并确认火已熄灭方可 离开现场。 18、屋面焊接防雷网时,作业人员必须佩戴好个人安全防护用品(安全帽、安全带)。 19、斜屋面施工时,作业人员必须穿防滑鞋,作业处应有可靠的立足处,安全带系在缆绳上,缆绳应系牢在可靠的建筑物上,设有专人监护。 20、镀锌圆钢、扁铁等工作应在地面进行,不准高空操作。 21、作业人员必须身体健康,无心脏病,无恐高症。 会签栏 质量 安全 环保 时间 时间 时间 编制 审核 批准 时间 时间 时间 注:交底卡由工长负责拟定,与施工计划安排相配套,交底卡中安全、质量要求应分别经项目部质量、安全负责人会签,项目部生产经理对技术交底进行审核,再由项目部总工程师负责批准。当地方主管部门对技术交底表格另有规定时,按地方规定执行。 中国建筑 项目管理表格 分项工程技术交底卡 表格编号 CSCEC—PM—0803 工程名称及编码 粮食二库旧城改造 楼栋号 B15#、B16# 分项工程名称 防雷接地 工程量 分包公司 合肥恒安劳务有限公司 负责人 牛和平 交底内容 22、严禁酒后操作。 23、每台电气设备应使用单独开关(一机、一闸、一漏、一箱),严禁用同一个开关直接控制二台及二台以上电气设备。 24、开关箱应装设在干燥、通风及常温场所,安装牢固,有门锁并设警告牌,高出地面,附近不得堆放杂物。 会签栏 质量 安全 环保 时间 时间 时间 编制 审核 批准 时间 时间 时间 注:交底卡由工长负责拟定,与施工计划安排相配套,交底卡中安全、质量要求应分别经项目部质量、安全负责人会签,项目部生产经理对技术交底进行审核,再由项目部总工程师负责批准。当地方主管部门对技术交底表格另有规定时,按地方规定执行。
展开阅读全文

开通  VIP会员、SVIP会员  优惠大
下载10份以上建议开通VIP会员
下载20份以上建议开通SVIP会员


开通VIP      成为共赢上传

当前位置:首页 > 品牌综合 > 技术交底/工艺/施工标准

移动网页_全站_页脚广告1

关于我们      便捷服务       自信AI       AI导航        抽奖活动

©2010-2026 宁波自信网络信息技术有限公司  版权所有

客服电话:0574-28810668  投诉电话:18658249818

gongan.png浙公网安备33021202000488号   

icp.png浙ICP备2021020529号-1  |  浙B2-20240490  

关注我们 :微信公众号    抖音    微博    LOFTER 

客服