收藏 分销(赏)

16拆模后预埋件检验批质量验收记录.doc

上传人:快乐****生活 文档编号:2667703 上传时间:2024-06-04 格式:DOC 页数:2 大小:67.04KB 下载积分:5 金币
下载 相关 举报
16拆模后预埋件检验批质量验收记录.doc_第1页
第1页 / 共2页
16拆模后预埋件检验批质量验收记录.doc_第2页
第2页 / 共2页
本文档共2页,全文阅读请下载到手机保存,查看更方便
资源描述
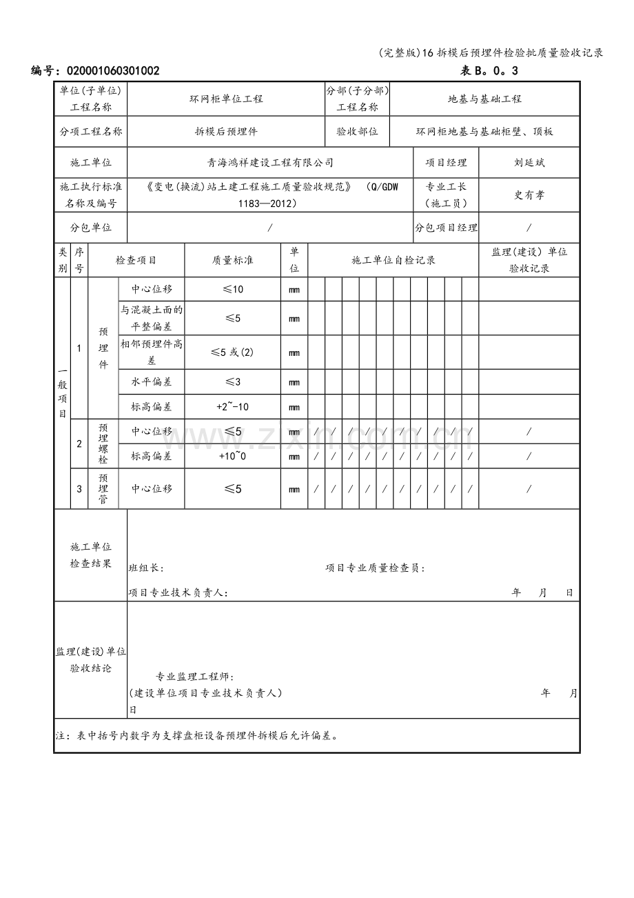
(完整版)16拆模后预埋件检验批质量验收记录 拆模后预埋件检验批质量验收记录 编号:020001060301001 表B.0.3 单位(子单位) 工程名称 环网柜单位工程 分部(子分部)工程名称 地基与基础工程 分项工程名称 拆模后预埋件 验收部位 环网柜地基与基础柜壁、顶板 施工单位 青海鸿祥建设工程有限公司 项目经理 刘延斌 施工执行标准 名称及编号 《变电(换流)站土建工程施工质量验收规范》 (Q/GDW 1183—2012) 专业工长 (施工员) 史有孝 分包单位 / 分包项目经理 / 类别 序号 检查项目 质量标准 单 位 施工单位自检记录 监理(建设)单位 验收记录 一般 项 目 1 预 埋 件 中心位移 ≤10 mm 与混凝土面的平整偏差 ≤5 mm 相邻预埋件高差 ≤5或(2) mm 水平偏差 ≤3 mm 标高偏差 +2~-10 mm 2 预埋螺栓 中心位移 ≤5 mm / / / / / / / / / / / 标高偏差 +10~0 mm / / / / / / / / / / / 3 预埋管 中心位移 ≤5 mm / / / / / / / / / / / 施工单位 检查结果 班组长: 项目专业质量检查员: 项目专业技术负责人: 年 月 日 监理(建设)单位验收结论 专业监理工程师: (建设单位项目专业技术负责人) 年 月 日 注:表中括号内数字为支撑盘柜设备预埋件拆模后允许偏差。 拆模后预埋件检验批质量验收记录 编号:020001060301002 表B。0。3 单位(子单位) 工程名称 环网柜单位工程 分部(子分部)工程名称 地基与基础工程 分项工程名称 拆模后预埋件 验收部位 环网柜地基与基础柜壁、顶板 施工单位 青海鸿祥建设工程有限公司 项目经理 刘延斌 施工执行标准 名称及编号 《变电(换流)站土建工程施工质量验收规范》 (Q/GDW 1183—2012) 专业工长 (施工员) 史有孝 分包单位 / 分包项目经理 / 类别 序号 检查项目 质量标准 单 位 施工单位自检记录 监理(建设)单位 验收记录 一般 项 目 1 预 埋 件 中心位移 ≤10 mm 与混凝土面的平整偏差 ≤5 mm 相邻预埋件高差 ≤5或(2) mm 水平偏差 ≤3 mm 标高偏差 +2~-10 mm 2 预埋螺栓 中心位移 ≤5 mm / / / / / / / / / / / 标高偏差 +10~0 mm / / / / / / / / / / / 3 预埋管 中心位移 ≤5 mm / / / / / / / / / / / 施工单位 检查结果 班组长: 项目专业质量检查员: 项目专业技术负责人: 年 月 日 监理(建设)单位验收结论 专业监理工程师: (建设单位项目专业技术负责人) 年 月 日 注:表中括号内数字为支撑盘柜设备预埋件拆模后允许偏差。
展开阅读全文

开通  VIP会员、SVIP会员  优惠大
下载10份以上建议开通VIP会员
下载20份以上建议开通SVIP会员


开通VIP      成为共赢上传

当前位置:首页 > 包罗万象 > 大杂烩

移动网页_全站_页脚广告1

关于我们      便捷服务       自信AI       AI导航        抽奖活动

©2010-2026 宁波自信网络信息技术有限公司  版权所有

客服电话:0574-28810668  投诉电话:18658249818

gongan.png浙公网安备33021202000488号   

icp.png浙ICP备2021020529号-1  |  浙B2-20240490  

关注我们 :微信公众号    抖音    微博    LOFTER 

客服