收藏 分销(赏)

现代材料分析方法教学大纲.doc

上传人:精**** 文档编号:2242479 上传时间:2024-05-23 格式:DOC 页数:5 大小:69.01KB 下载积分:6 金币
下载 相关 举报
现代材料分析方法教学大纲.doc_第1页
第1页 / 共5页
现代材料分析方法教学大纲.doc_第2页
第2页 / 共5页


点击查看更多>>
资源描述
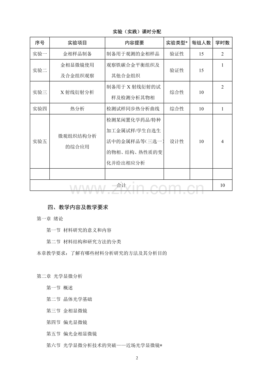
《现代材料分析方法》教学大纲 一、基本信息 课程名称 现代材料分析方法 课程编号 MEEN3306 英文名称 Modern Characterization of materials 课程类型 专业基础课 总学时 32 理论学时 22 实验学时 10 实践学时 学分 2 预修课程 材料科学基础 适用对象 材控专业 课程简介 (200字左右) 《现代材料分析方法》是材料成型及控制工程专业的一门必修课。该专业覆盖各类材料及其成形领域,因此本课程介绍用于分析检测材料成分与结构的光学显微分析、X射线衍射、透射电子显微镜、扫描电子显微镜、热分析、光谱分析等方法,是材料科学研究的重要工具。本课程的学习为今后的研究与实践打下坚实的理论基础。 二、教学目标及任务   本课程是材料科学与工程系的一门专业课,目的在于培养学生掌握材料的光学显微分析、X射线衍射分析、电子显微分析、光谱分析、热分析等所必需的基本理论、基本技能。通过学习本课程,学生应达到如下基本要求: 1.了解光学显微分析、X射线衍射、电子衍射和电子显微分析、热分析、光谱等方法在材料科学领域中所能解决的问题及基本原理和方法。 2.能读懂一般专业文献中有关X射线衍射、电子显微分析、热分析的图谱和结论。 3.为今后从事X射线、电子显微分析等工作打下初步基础。 4. 了解热分析技术、光谱分析等方法在材料科学领域中所能解决的问题、基本原理。 三、学时分配 教学课时分配 章节 章节内容 讲课 实验 实践 合计 第一章 绪论 0.5 第二章 光学显微分析 3 4 第三章 X射线衍射分析 7 2 第四章 电子显微分析 9 2 第五章 热分析 1 2 第六章 其他分析方法 1.5 合计 22 10 实验(实践)课时分配 序号 实验项目 内容提要 实验类型* 每组人数 学时数 实验一 金相样品制备 制备用于观测的金相样品 验证性 15 2 实验二 金相显微镜使用 及合金组织观察 观察铁碳合金平衡组织及其他合金组织 验证性 15 1 实验三 X射线衍射分析 制备用于X射线衍射的试样及检测分析其物相 综合性 10 2 实验四 热分析 检测试样同步热分析曲线 综合性 10 1 实验五 微观组织结构分析 的综合应用 检测某闲置化学药品/特种加工金属试样/学生自选生活中的金属样品等(三选一)的物相、结构、热性质的变化并给出相应分析 设计性 10 4 合计 10 四、教学内容及教学要求  第一章 绪论 第一节 材料研究的意义和内容 第二节 材料结构和研究方法的分类 本章教学要求:了解有哪些材料分析研究的方法及其分析目的 第二章 光学显微分析 第一节 概述 第二节 晶体光学基础 第三节 金相显微镜 第四节 偏光显微镜 第五节 偏光金相显微镜 第六节 光学显微分析技术的突破——近场光学显微镜* 习题要点:光学显微分析方法以及金相样品的制备 本章重点、难点:金相组织分析、偏光显微镜原理 本章教学要求:掌握光学显微分析的实验方法与结果分析 第三章 X射线衍射分析 第一节 X射线的物理基础 第二节 X射线衍射原理 第三节 X射线衍射束的强度 第四节 实验方法及样品制备 第五节 X射线粉末衍射物相定性分析 第六节 X射线物相定量分析* 第七节 X射线衍射技术在其他方面的应用* 习题要点:X射线衍射图谱中衍射峰的标定(衍射角度与对应晶面间的关系) 本章重点、难点:X射线衍射的原理及定性分析 本章教学要求:理解X射线衍射分析的原理;掌握X射线衍射图谱的基本分析方法 第四章 电子显微分析 第一节 概述 第二节 透射电镜 第三节 扫描电镜 第四节 电子探针仪 第五节 电镜的近期发展* 第六节 电子光学表面分析仪* 习题要点:扫描电镜与透射电镜测试结果的分析处理(电镜图片与图谱、衍射花样) 本章重点、难点:SEM与TEM的适用范围、测试目的;SEM与TEM测试结果的基本分析 本章教学要求:了解SEM与TEM的原理及应用;掌握SEM与TEM测试结果基本分析方法 第五章 热分析 第一节 概述 第二节 差热分析 第三节 差示扫描量热分析法 第四节 热重分析 第五节 热膨胀和热机械分析* 习题要点:DTA、DSC、TG的测试方法与测试结果曲线的初步分析 本章重点、难点:热分析测试结果的基本分析 本章教学要求:了解几种热分析方法的原理及应用范围;掌握热分析结果的基本分析方法 第六章 光谱分析* 第七章 核磁共振分析* 第八章 质谱分析* 第九章 材料测试方法的综合应用* 五、考核方式及要求   考核方式:闭卷考试 考试题型:主客观题相结合,包括名词解释、填空题、选择题和问答题、综合分析题等形式。平时考核(课堂表现、作业等)占20%,试验成绩占20%,期末考试占60% 六、推荐教材及教学参考书  教  材:《材料研究方法》,王培铭等编著,科学出版社,2005年,标准书号:7030144880。 参考书:《材料研究方法》,黄新民编著,哈尔滨工业大学出版社,2008年,标准书号:9787560317403。 《材料分析方法》,周玉编著, 《材料近代分析测试方法》,常铁军等著,哈尔滨工业大学出版社,2008年,标准书号:9787560313870。 《现代分析测试技术》,祁景玉编著,同济大学出版社,2006年,标准书号:9787560831770 七、说明 由于课时所限,只教授最重要的基础内容,其余部分感兴趣的学生自学;不教授、不考核的章节后已用*标出。 大纲修订人: 陈 可 大纲审定人: 路 琴 修订日期:2015年5月12日 5
展开阅读全文

开通  VIP会员、SVIP会员  优惠大
下载10份以上建议开通VIP会员
下载20份以上建议开通SVIP会员


开通VIP      成为共赢上传

当前位置:首页 > 教育专区 > 其他

移动网页_全站_页脚广告1

关于我们      便捷服务       自信AI       AI导航        抽奖活动

©2010-2025 宁波自信网络信息技术有限公司  版权所有

客服电话:0574-28810668  投诉电话:18658249818

gongan.png浙公网安备33021202000488号   

icp.png浙ICP备2021020529号-1  |  浙B2-20240490  

关注我们 :微信公众号    抖音    微博    LOFTER 

客服