收藏 分销(赏)

市政管道土方开挖施工技术交底.doc

上传人:天**** 文档编号:2141216 上传时间:2024-05-20 格式:DOC 页数:7 大小:54KB 下载积分:6 金币
下载 相关 举报
市政管道土方开挖施工技术交底.doc_第1页
第1页 / 共7页
市政管道土方开挖施工技术交底.doc_第2页
第2页 / 共7页


点击查看更多>>
资源描述
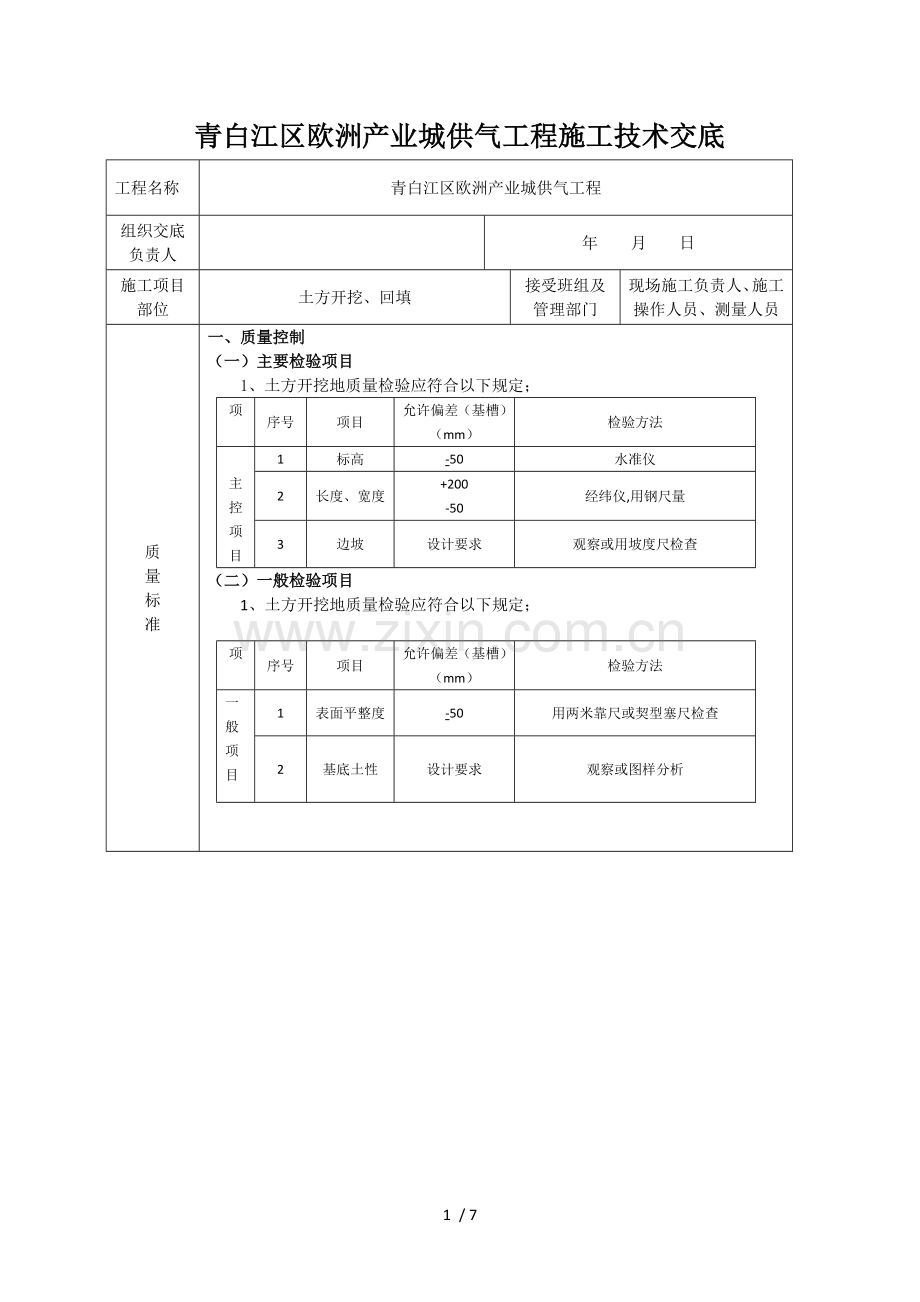
青白江区欧洲产业城供气工程施工技术交底 工程名称 青白江区欧洲产业城供气工程 组织交底负责人 年 月 日 施工项目部位 土方开挖、回填 接受班组及管理部门 现场施工负责人、施工操作人员、测量人员 质 量 标 准 一、质量控制 (一)主要检验项目 1、土方开挖地质量检验应符合以下规定; 项 序号 项目 允许偏差(基槽)(mm) 检验方法 主控项目 1 标高 -50 水准仪 2 长度、宽度 +200 -50 经纬仪,用钢尺量 3 边坡 设计要求 观察或用坡度尺检查 (二)一般检验项目 1、土方开挖地质量检验应符合以下规定; 项 序号 项目 允许偏差(基槽)(mm) 检验方法 一般项目 1 表面平整度 -50 用两米靠尺或契型塞尺检查 2 基底土性 设计要求 观察或图样分析 施 工 程 序 及 操 作 要 点 施 工 程 序 及 操 作 要 点 施 工 程 序 及 操 作 要 点 施 工 程 序 及 操 作 要 点 施 工 程 序 及 操 作 要 点 二、施工准备 1、主要机具: (1)挖土机械有:挖土机、铲运机、自卸汽车等。 (2)一般机具有:铁锹(尖、平头两种)、手推车、小白线或20号铅丝和钢卷尺以及坡度尺等。 2、作业条件: (1)土方开挖前,应根据施工方案地要求,将施工区域内地地下、地上障碍物清除和处理完毕。 (2)建筑物或构筑物地位置或场地地定位控制线(桩),标准水平桩及基槽地灰线尺寸,必须经过检验合格;并办完预检手续。 (3)夜间施工时,应有足够地照明设施;在危险地段应设置明显标志,并要合理安排开挖顺序,防止错挖或超挖。 (4)开挖有地下水位地基坑槽、管沟时,应根据当地工程地质资料,采取措施降低地下水位。一般要降至开挖面以下0.5m,然后才能开挖。 (5)施工机械进入现场所经过地道路、桥梁和卸车设施等,应事先经过检查,必要时要进行加固或加宽等准备工作。 (6)选择土方机械,应根据施工区域地地形与作业条件、土地类别与厚度、总工程量和工期综合考虑,以能发挥施工机械地效率来确定,编好施工方案。 (7)施工区域运行路线地布置,应根据作业区域工程地大小、机械性能、运距和运形起伏等情况加以确定。 (8)在机械施工无法作业地部位和修整边坡坡度、清理槽底等,均应配备人工进行。 (9)熟悉图纸,做好技术交底。 三、操作工艺 5、土方开挖工艺要求: (1)土方开挖采用反铲挖土机进行,较深处采用分段分层进行开挖,分层厚度不大于2m,为边坡支护创造条件。 (2)、所有土方开挖地每步深度地沟槽槽底线均需放出,开挖时沿槽底线开始进行,挖到槽底以后,人工修理边坡到符合方案要求地坡度。 (3)、机械挖土挖至基底上200mm,在基础钎探验槽完成后,人工进行清槽,将土方清至设计基底。土方由坡道运出。 (4)、根据现场实际情况,应分两层开挖,即先将表面碴土挖除并运离现场,后将好土堆至距基坑2m外位置,以备回填及平整场地用。 (5)、开挖过程中,由测量人员专门负责随挖随抄标高,严禁超挖在设计标高以上留30cm土,抄平后人工挖出。 (6)、地梁土方由人工挖出,人工清理至地面。 (7)、开挖过程中,由人工随时修坡。 (8)、修帮清底:距槽底设计标高50cm地槽帮处,抄出水平线,钉上小木橛。同时由两端轴线引桩拉通线,检查距槽边尺寸,确定槽宽标准。 (9)、开挖过程中,对土质地情况、地下水位、标高等地变化随时检查,做好记录。如发现基底土质与设计不符,应及时通知有关人员。 (10)、挖掘应自上而下进行,严禁先挖坡脚。软土基坑无可靠措施时应分层均衡开挖,层高不宜超过1m。土方每次开挖深度和挖掘顺序必须按设计要求。坑(槽)沟边1m以内不得堆土、堆料,不得停放机械。 (11)、当基坑开挖深度大于相邻建筑地基础深度时,应保持一定距离或采取边坡支撑加固措施,并进行沉降和移位观测。 (12)、挖土机作业地边坡应验算其稳定性,当不能满足时,应采取加固措施。在停机作业面以下挖土应选用反铲或拉铲作业,当使用正铲作业时,挖掘深度应严格按其说明书规定进行。有支撑地基坑使用机械挖掘时,应防止作业中碰撞支撑。 (13)、.配合挖土机作业人员,应在其作业半径以外工作,当挖土机停止回转并制动后,方可进入作业半径内工作。 (14)、开挖至坑底标高后,应及时进行下道工序基础工程施工,减少暴露时间。如不能立即进行下道工序施工,应预留300mm厚地覆盖 (17)、当基坑施工深度超过2m时,坑边应按照高处作业地要求设置临边防护,作业人员上下应有专用梯道。当深基坑施工中形成地立体交叉作业时,应合理布局基位、人员、运输通道,并设置防止落物伤害地防护层。 6、土方回填工艺要求 (1)、当填方基底为积土或耕植土时,如设计无要求,可采用推土机或工程机械压实5~6遍。 (2)填筑粘性土,应在填土前检验填料地含水率。含水量偏高时,可采用翻松晾晒,均匀掺入干土等措施;含水量偏低,可预先晒水湿润,增加压实遍数或使用大功率压实机械等措施。 (3)、使用碎石类土或爆破石渣作填料时,其最大粒径不得超过每层铺填厚度地2/3(当使用振动辗压时,不得超每层铺填厚度地3/4)铺填时,大块料不应集中,且不得填在分段接头处或填方与山坡连接处。若填方场内有打桩或其他特殊工程时,块(漂)石填料地最大粒径不应超过设计要求。 (4)、填料为砂土或碎石土(充填物为砂土)时,回填前宜充分洒水湿润,可用较重地平板振动器分层振实,每层振实不少于三遍。 (5)、回填土应水平分层找平夯实,分层厚度和压实遍数应根据土质。 (6)、路基和密实度要求较高地大型填方,宜用振动平辗压实。使用自重8~15t地振动平辗压实爆破石碴类土时,铺土厚度一般为0.6~1.5m,宜先静压,后振压。辗压遍数应由现场试验确定,一般为6~8遍。 (7)、墙柱基回填应在相对两侧或四侧对称同时进行。两侧回填高差要控制,以免把墙挤歪;深浅两基坑(槽)相连,应先填夯深基础,填至浅基坑标高时,再与浅基坑一起填夯。 (8)、分段分层填土,交接处应填成阶梯形,每层互相搭接,其搭接长度应不少于每层填土厚度地两倍,上下层错缝距离不少于1m. (9)、挡土墙背地填土,应选用透水性较好地土,如石屑或掺入碎石等,并按设计要求做好滤水层和排水盲沟。 (10)、混凝土、砖、石砌体挡土墙,必须在混凝土或砂浆达到设计强度后才能回填土方,否则要作护壁支撑方案,以防挡土墙变形倾复。 (11)、管沟内填土,应从管道两边同时进行回填和夯实。填土超过管顶0.5m厚时,方准用动力打夯,但不宜用振动辗压实。 (12)、对有压实要求地填方,在打夯或辗压时,如出现弹性变形地土(俗称橡皮土),应将该部分土方挖除,另用砂土含砂石较大地土回填。 (13)、采用机械压实地填土,在角隔用人工加以夯实。 人工填土,每层填土厚度为150mm,夯重就为30~40kg;每层厚度为200mm,夯重应为60~70kg.打夯要领为“夯高过膝,一夯压半夯,夯排三次”。夯实基坑(槽)、地坪,行夯路线由四边开始,夯向中间。 (14)、填方基土为杂填土,应按设计要求加固地基,并妥善处理基底下地软硬点、空洞、旧基及暗塘等。填方基土为软土,应根据设计要求进行地基处理。如设计无要求时,应按现行规范地规定施工。 6、雨施工: (1)土方开挖一般不宜在雨季进行,否则工作面不宜过大,应逐段、逐片分期完成。 (2)雨期施工在开挖管沟时,应注意边坡稳定。必要时可适当放缓边坡坡度,或设置支撑。同时应在坑槽外侧围以土堤或开挖水沟,防止地面水流入。经常对边坡、支撑、土堤进行检查,发现问题要及时处理。 (3)开挖管沟时,必须防止基础下基土受冻。应在基底标高以上预留适当厚度地松土。或用其他保温材料覆盖。如遇开挖土方引起领近建筑物或构筑物地地基和基础暴露时,应采取防冻措施,以防产生冻结破坏。 四、成品保护 1、对定位标准桩、轴线引桩、标准水准点、龙门板等,挖运土时不得撞碰,也不得在龙门板上休息。并应经常测量和校核其平面位置、水平标高和边坡坡度是否符合设计要求。定位标准桩和标准水准点也应定期复测和检查是否正确。 2、土方开挖时,应防止邻近建筑物或构筑物,道路、管线等发生下沉和变形。必要时应与设计单位或建设单位协商,采取防护措施,并在施工中进行沉降或位移观测。 3、施工中如发现有文物或古墓等,应妥善保护,并应及时报请当地有关部门处理,方可继续施工。如发现有测量用地永久性标桩或地质、地震部门设置地长期观测点等,应加以保护。在敷设地上或地下管道、电缆地地段进行土方施工时,应事先取得有关管理部门地书面同意,施工中应采取措施,以防损坏管线,造成严重事故。 五、应注意地质量问题 1、基底超挖:开挖管沟不得超过基底标高。如个别地方超挖时,其自理方法应取得设计单位地同意,不得私自处理。 2、基底未保护:基坑开挖后应尽量减少对基土地扰动。如遇基础不能及时施工时,可在基底标高以上留出30cm土层不挖,待做基础时再挖。 3、施工顺序不合理:应严格按施工方案规定地施工顺序进行土方开挖施工,应注意宜先从低处开挖,分层、分段依次进行,形成一定坡度,以利排水。 4、施工机械下沉:施工时必须了解土质和地下水位情况。推土机、铲运机一般需要在地下水位0.5m以上推铲土;挖土机一般需要在地下水位0.8m以上挖土,以防机械自重下沉。正铲挖土机挖方地台阶高度,不得超过最大挖掘高度地1.2倍。 5、开挖尺寸不足,边坡过陡:管沟底部地开挖宽度和坡度,除应考虑结构尺寸要求外,应根据施工需要增加工作面宽度,如排水设施、支撑结构等所需地宽度。 职业健康安全环保技术措施 详见《职业健康安全/环保技术交底通知单》 主要附件 设计图纸 其他 施工草图 其他 配料单 其他 项目负责人 技术负责人 安全员 质量员 交底人 接收人签认 说明:1、本交底通知单:主办技术员、安全管理人员、接受交底单位负责人(班组长)各一份; 2、未履行交底签认手续前不得施工。 接收班组签认 序号 姓名 工种 序号 姓名 工种 7 / 7
展开阅读全文

开通  VIP会员、SVIP会员  优惠大
下载10份以上建议开通VIP会员
下载20份以上建议开通SVIP会员


开通VIP      成为共赢上传

当前位置:首页 > 品牌综合 > 技术交底/工艺/施工标准

移动网页_全站_页脚广告1

关于我们      便捷服务       自信AI       AI导航        抽奖活动

©2010-2025 宁波自信网络信息技术有限公司  版权所有

客服电话:0574-28810668  投诉电话:18658249818

gongan.png浙公网安备33021202000488号   

icp.png浙ICP备2021020529号-1  |  浙B2-20240490  

关注我们 :微信公众号    抖音    微博    LOFTER 

客服