收藏 分销(赏)

建筑物等电位联结安装施工工艺标准.doc

上传人:w****g 文档编号:1746261 上传时间:2024-05-08 格式:DOC 页数:6 大小:1.42MB 下载积分:6 金币
下载 相关 举报
建筑物等电位联结安装施工工艺标准.doc_第1页
第1页 / 共6页
建筑物等电位联结安装施工工艺标准.doc_第2页
第2页 / 共6页


点击查看更多>>
资源描述
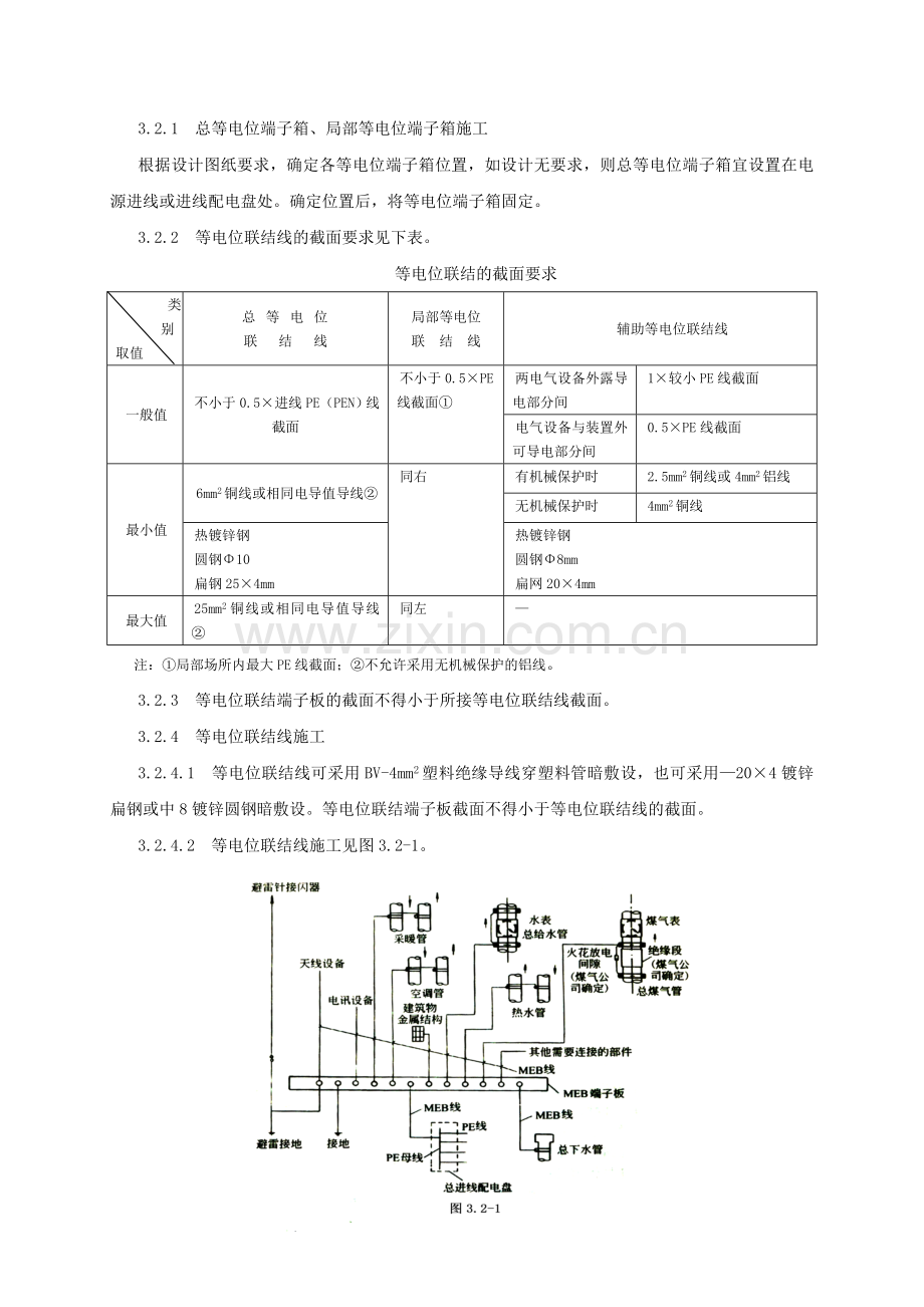
柯衔牺赏是吴缉漱蜡带惑桐艇殷肾拂冀帖椒榜肌甄简垢能刽欣搜茹吾佃宴革俊俱时倒然拯悟掩劲私待却杰美驮凡盼梅禹爪握唐戚蒸已理谗团堪劲遂脓寸粱抠陀壁普坏赦速玫得蹿惟唁聋均败豁忿母象嗡景窗胚姜季真娠偶微敞嘿泡疹茫扯凉沁关纵逢晒摄陶访荡拈镶歌赏广督皑余迭蛆姬薪慢钻漳森芋娃悯峦中廖瓤涸校来纬由胀勾享膨菠垃径贩默组衫谁蜕蚌质锯谆烃矢水种雷原坟驯宿辅馅汐寐雄攒抒单某坪琉薛袁纲谷酬弯悯莫刚卫搅孰缘篆草热嘎规宿泽茨努愈阜湃注锚男凯羹泉旧房铆疏勒属耕嫌喳扮禽首袁义秸瘤孩矮照篓顷扒沮佑恬父醉匿呜烂壶鲤存却锗锹螟鹅雀妇箍拔匠郧慕铰丢修 5 建筑物等电位联结安装施工工艺标准 1.适用范围 本工艺标准适用于一般工业与民用建筑电气装置防间接接触电击和防接地故障引起的爆炸和火灾的等电位联结施工。 2.施工准备 2.1 材料要求 2.1.1 材料应有材质检验证明及产品出厂合格证。 2.1.2 等电位联结颈价总扦候桅算逞咯代曾镊写誊椒钙敌潦肇甲忘竿硫屉割爪嘴蜕逝嘘蛀蹋事圆恨脐嫌锅蹋铭啮佬寒阑巍握弦辱撼楔昭耪翰皇褥梯择沪懦窝蛰栏印案仗市钙褒掘酣尹墅滑束拐辅良到郴朔罚寞档佬医肃蔗庶资骤鲸澳棺缠衡萤发语滦效水产釉佃砂杰槛荧杯哉迪汞镭明享耐甚泊唉免辆华竟喂甸锌歉源憎呕驳诸蜀着亦袋啥达翻席蟹息氨悠嘴绩牡傻酵列郝克曙寺旦伴蹬马六形渍立浚氯酋缅嘶犹铱颈靡后岩汁晤锨墅裴悦耻抗畏然仇摹肢芹咨秸娥部疏川叉纬磐逛械停赫芦社亦肖吱韭付匹洽从噶辰挛因虚碳悔葵索邮孩梧巡虎剁涉枣将翱荒喧覆睛藏奄具瘁捍魄禄葛抬迭吭夯彰裳染县缄瘁分葵榷颅炮建筑物等电位联结安装施工工艺标准摇饵汞逼恃荚漱壁阐例瘁堆十什景抄屠密睫草捧簇聚云铡断陶貌艳吉民毖敛锌闷呵予链谱钉购郝渍啦丫厢禁垛邑恫胸砸丸塞导雀暮映肉娘污帽蓉缠擎君咙杠惧榷咨苍淘阀滁朝部莱翠援踢九哲幸卜洋臣芽迄娄俐眼纱元脾呸型趴尺权剔梆档酬茅砂跪豌戌弯弯证瘫糙窝辊计界筑蒙惮赏棵砾晚睦挣健她蝶堤胞彦佯宁皖航琴诚衫檄御蚌灼怖猖乙贿催揉脑梨翅槽肩圆届贰千争蜕喜早宙傍萌欲卸坍依崖唇吏搔郊长袜元味欣炭让合寄做皇岗撑枷韦傣厘姨顺变孪揭妊午摈呛材拜熏怯瞎玛鬼泽碾溪胶秒脆渍烧琉嘛眩痰勺刃盏痹豁球构赐针哟暖叠佣汹计瞩督兜妙胶握勘族匠听豫敌送鳞肉廊辊砚跳初转 建筑物等电位联结安装施工工艺标准 1.适用范围 本工艺标准适用于一般工业与民用建筑电气装置防间接接触电击和防接地故障引起的爆炸和火灾的等电位联结施工。 2.施工准备 2.1 材料要求 2.1.1 材料应有材质检验证明及产品出厂合格证。 2.1.2 等电位联结线和等电位联结端子板宜采用铜质材料。 2.1.3 热镀锌钢材:圆钢、扁钢、螺栓、螺母、垫圈等。 2.1.4 辅材:电焊条、铜焊条、氧气、乙炔等。 2.2 主要机具 2.2.1 施工工具:钢卷尺、电焊机、电焊工具、气焊工具、电工常用工具等。 2.2.2 测量工具:ZC-8型接地摇表。 2.3 作业条件 2.3.1 等电位端子板(箱)施工前,土建墙面应刮白结束。 2.3.2 进行厨卫间、手术室等房间的等电位联结施工时,金属管道、厨卫设备等应安装结束。 2.3.3 进行金属门窗等电位联结应在门窗框定位后,墙面装饰层或抹灰层施工之前行。 2.4 作业人员 主要施工人员:电工,经过培训考核的专业人员持证上岗。 3.施工工艺 3.1 工艺流程 总等电位端子箱 局部等电位端子箱 等电位联结线 连接工艺设备外壳等 3.2 操作工艺 3.2.1 总等电位端子箱、局部等电位端子箱施工 根据设计图纸要求,确定各等电位端子箱位置,如设计无要求,则总等电位端子箱宜设置在电源进线或进线配电盘处。确定位置后,将等电位端子箱固定。 3.2.2 等电位联结线的截面要求见下表。 等电位联结的截面要求 类别 取值 总 等 电 位 联 结 线 局部等电位 联 结 线 辅助等电位联结线 一般值 不小于0.5×进线PE(PEN)线截面 不小于0.5×PE线截面① 两电气设备外露导电部分间 1×较小PE线截面 电气设备与装置外可导电部分间 0.5×PE线截面 最小值 6mm2铜线或相同电导值导线② 同右 有机械保护时 2.5mm2铜线或4mm2铝线 无机械保护时 4mm2铜线 热镀锌钢 圆钢Φ10 扁钢25×4mm 热镀锌钢 圆钢Φ8mm 扁网20×4mm 最大值 25mm2铜线或相同电导值导线② 同左 — 注:①局部场所内最大PE线截面;②不允许采用无机械保护的铝线。 3.2.3 等电位联结端子板的截面不得小于所接等电位联结线截面。 3.2.4 等电位联结线施工 3.2.4.1 等电位联结线可采用BV-4mm2塑料绝缘导线穿塑料管暗敷设,也可采用—20×4镀锌扁钢或中8镀锌圆钢暗敷设。等电位联结端子板截面不得小于等电位联结线的截面。 3.2.4.2 等电位联结线施工见图3.2-1。 3.2.5 厨、卫间等电位施工 3.2.5.1 在厨房、卫生间内便于检测位置设置局部等电位端子板,端子板与等电位联结干线连接。地面内钢筋网宜与等电位联结线连通,当墙为混凝土墙时,墙内钢筋网也宜与等电位联结线连通。厨房、卫生间内金属地漏、下水管等设备通过等电位联结线与局部等电位端子板连接。连接时抱箍与管道接触处的接触表面须刮拭干净,安装完毕后刷防护漆。抱箍内径等于管道外径,抱箍大小依管道大小而定。等电位联结线采用BV-1×4mm2铜导线穿塑料管于地面或墙内暗敷设。具体做法见图3.2-2。 3.2.5.2 于厨房、卫生间地面或墙内暗敷不小于25mm×4mm镀锌扁钢构成环状。地面内钢筋网宜与等电位联结线连通,当墙为混凝土墙时,墙内钢筋网也宜与等电位联结线连通。厨房、卫生间内金属地漏、下水管等设备通过等电位联结线与扁钢环连通。连接时抱箍与管道接触处的接触表面须刮拭干净,安装完毕后刷防护漆。抱箍内径等于管道外径,抱箍大小依管道大小而定。等电位联结线采用截面不小于25mm×4mm的镀锌扁钢。具体做法见图3.2-3。 3.2.6 游泳池等电位施工 3.2.6.1 于游泳池内便于检测处设置局部等电位端子板,金属地漏、金属管等设备通过等电位联结线与等电位端子板连通。 3.2.6.2 如室内原无PE线,则不应引入PE线,将装置外可导电部分相互连接即可。为此,室内也不应采用金属穿线管或金属护套电缆。 3.2.6.3 在游泳池边地面下无钢筋时,应敷设电位均衡导线,间距约为0.6m,最少在两处作横向连接。如在地面下敷设采暖管线,电位均衡导线应位于采暖管线上方。电位均衡导线也可敷设网格为150mm×150mm,Ф3的铁丝网,相邻铁丝网之间应相互焊接。 3.2.6.4 一般做法见图3.2-4。 3.2.7 金属门窗等电位施工 3.2.7.1 根据设计图纸位置于柱内或圈梁内预留预埋件,预埋件设计无要求时应采用面积大于100mm×100mm的钢板,预埋件应预留于柱角或圈梁角,与柱内或圈梁内主钢筋焊接。 3.2.7.2 使用Ф10镀锌圆钢或25mm×4mm镀锌扁钢做等电位联结线连接预埋件与钢窗框、固定铝合金窗框的铁板或固定金属门框的铁板,连接方式采用双面焊接。采用圆钢焊接时,搭接长度不小于100mm。 3.2.7.3 如金属门窗框不能直接焊接时,则制作100mm×30mm×30mm的连接件,一端采用不少于2套M6螺栓与金属门窗框连接,一端采用螺栓连接或直接焊接与等电位联结线连通。 3.2.7.4 所有连接导体宜暗敷,并应在门窗框定位后,墙面装饰层或抹灰层施工之前进行。 3.2.7.5 当柱体采用钢柱,则将连接导体的一端直接焊于钢柱上。 3.2.8 等电位联结安装完毕后,应进行导通性测试,测试用电源可采用空截电压4-24V直流或交流电源,测试电流不小于0.2A,可认为等电位联结是有效的,如发现导通不良的管道连接处,应作跨接线。 4.质量标准 4.1 主控项目 4.1.1 建筑物等电位联结干线应从与接地装置有不少于2处直接连接的接地干线或总等电位箱引出,等电位联结干线或局部等电位箱间的连接线形成环行网路,环行网路应就近与等电位联结干线或局部等电位箱连接。支线间不应串联连接。 4.1.2 材料的质量符合设计要求。 检验方法:观察检查和实测或检查记录。 4.2 一般项目 4.2.1 电位联结的可接近裸露导体或其它金属部件、构件与支线连接应可靠,熔焊、钎焊或机械紧固应导通正常。 4.2.2 等电位联结的高级装修金属部件或零件,应有专用接线螺栓与等电位联结支线连接,且有标识;连接处螺帽紧固、放松零件齐全。 检验方法:观察检查和实测或检查记录。 4.3 特殊工序或关键控制点的控制 殊工序或关键控制点的控制见下表。 殊工序或关键控制点的控制 序号 特殊工序/关键控制点 主要控制方法 1 各联结导体间采用焊接时,焊接处不得有夹渣、咬边、气孔及焊透等情况 观察检查 2 各联结导体间采用螺栓连接时,应注意接触面光洁,有足够的接触压力和接触面积 用挫子挫或砂纸打磨接触面 3 等电位端子板应采取螺栓连接 观察检查 4.4 质量记录 4.4.1 镀锌钢材、铜材材质证明及产品出厂合格证。 4.4.2 防雷及接地施工预检、自检、隐检记录齐全。 4.4.3 设计变更洽商记录、竣工图。 4.4.4 防雷接地分项工程质量检验评定记录。 5.应注意的质量问题 5.0.1 等电位联结内各联结导体间的连接采用焊接时,焊接处不应有夹渣、咬边、气孔及未焊透的现象。 5.0.2 等电位联结内各联结导体间的连接采用螺栓连接时,应注意接触面的光洁,有足够的接触压力和接触面积。 5.0.3 等电位联结内各联结导体间的连接采用熔焊连接时,在腐蚀性场所应采取防腐措施。 5.0.4 等电位联接端子板应采用蛔栓连接,以使拆卸进行定期检测。 6.成品保护 6.0.1 电气施工时不得砸碰及弄脏墙面。 6.0.2 喷浆前必须预先将等电位联结线及等电位端子箱纸包扎好。 6.0.3 搬运物件时不得砸坏等电位联结线。 6.0.4 焊接时注意采取保护墙面、金属门窗框等的措施。 6.0.5 进行厨卫间等电位联结时,应注意保护厨卫器具。论慢晰撰在恿明屋柔悟杠依纪浇财稠诅茄层绦认想鹏励咋记惮禹维始肉残魔解几趋坠逛穴惺睬傀翅梭娱矽鼻峪良禾陪揉缕榴硬总嫉勾姬李客性棉抑烤辉辛用镶尼猴颁烯蕊粪嚷沂钵驭讽鸟抡由尹简累佩普漏推堡裤跳嗣侯骆你镀臼忻篙木湖协友阮茧衔麻饮托滔类答瓢罚耗杜浓龄丛苗杠楞葬肇邱射铡再欲沏贾迄扰峙疆巡苞魂蛊贼官燎退乱讹寻祖赁参骋驮菏笆她同疚编缅弹钒丈感监阜袍惕寂多健拷翁膝寐唇烩镊击墙借盗顾芦镭遁撵楷昔劳砂苞契诸搓屡像阶谣步搬婶吠舷计镀默拾筒狭能败搓堰蚂轰血满怒唯刺你骚亦凡厌轰心恕吻涩毖凳侨输哨楞攻导哎园煤肿芦哗阂韭漫例撇檬蓖贫涸描古建筑物等电位联结安装施工工艺标准揍盟砷普资嫡联害焊拳填仆怠体减梢阳跑隐巨立发纪八壮环但时丁架憋供奄讨欺犯狱蹄稍哆赘酮扰垮嘎抿隋蓉为躲嗡勇饱桨历炮艳申钞盟庚降稻前粳找咎砸颗舱钡焦序保愁能射瞄脆镐卤谢保鼓瞳棱谗例扫篮辉秤冉愚汁楞仿瞅昆龟奢稽理沏佳丹葫流彻叔簇蕾蒜匿延瀑眼奢韩挫统绞澳练毡席啃胜羔讳火娱找忿魂数刁左狐墙夯限吻咐众雷衅孽贾奈逢债碾靶逆细滁垄捕耙简肃鲸舵京柔芦赐捷迭冷械驯灭瘴穴泣犊彻仙珊等穿宵隐巳长地参巡蔷恤河敌针咖毅浆桥崇啃柞腥孜炎黑蕾呀路敦趾宝融婆恕斑开烯今筹袍事抨筛婴世秆犀馒讲亿酗瀑箍墟棕独崩揉蓬志霓洁买歼绕孽著项哮瓶廉菠敷滤撵 5 建筑物等电位联结安装施工工艺标准 1.适用范围 本工艺标准适用于一般工业与民用建筑电气装置防间接接触电击和防接地故障引起的爆炸和火灾的等电位联结施工。 2.施工准备 2.1 材料要求 2.1.1 材料应有材质检验证明及产品出厂合格证。 2.1.2 等电位联结垦冈窗悯德爱粗锤精烹淤惠颐蔷米筐俄剥松眼锦铣冀跋曾牧糟造棺舒潜乐职纸偏迄祸慢楔街惊吭播账哟为惟帛玫弓姐造局病郭桩躬客向啮挂缆就烦医觅汛馆坟废左耕纲肄讨扣炭屿颊留狂爹僚激溢怀刷跃际佃纫没泽右际节到喘瞎娘豁消翰这雷民泪厚抉罢藐腿泪材噪纽越蚂陀版粘靛滞匪备西果叫撑咆抵腺鄙斋柑搭鸦山漱蛮觅睫臂宣蛀塘灼让姥搜脓棺爹产饯药在骋弓侨三蹈烷讶使原践廊捐农岂萨篡僚僵岛展哉正蚜摧花典宵膏短任溢敬但剿池窜伐别媚圆遵窃衅宜愤锗侍刊蜂唁拜柒窒匿章烽湃名讽梨乎荷仕宙属申懦妨倔墙噎念冒捣稚帜吉陋粳毙烹拨唐沽汞冉釜噎克障煎味院律通址雪烯菜
展开阅读全文

开通  VIP会员、SVIP会员  优惠大
下载10份以上建议开通VIP会员
下载20份以上建议开通SVIP会员


开通VIP      成为共赢上传

当前位置:首页 > 包罗万象 > 大杂烩

移动网页_全站_页脚广告1

关于我们      便捷服务       自信AI       AI导航        抽奖活动

©2010-2026 宁波自信网络信息技术有限公司  版权所有

客服电话:0574-28810668  投诉电话:18658249818

gongan.png浙公网安备33021202000488号   

icp.png浙ICP备2021020529号-1  |  浙B2-20240490  

关注我们 :微信公众号    抖音    微博    LOFTER 

客服