收藏 分销(赏)

施工现场事故报告.doc

上传人:快乐****生活 文档编号:1724301 上传时间:2024-05-08 格式:DOC 页数:3 大小:90KB 下载积分:5 金币
下载 相关 举报
施工现场事故报告.doc_第1页
第1页 / 共3页
施工现场事故报告.doc_第2页
第2页 / 共3页


点击查看更多>>
资源描述
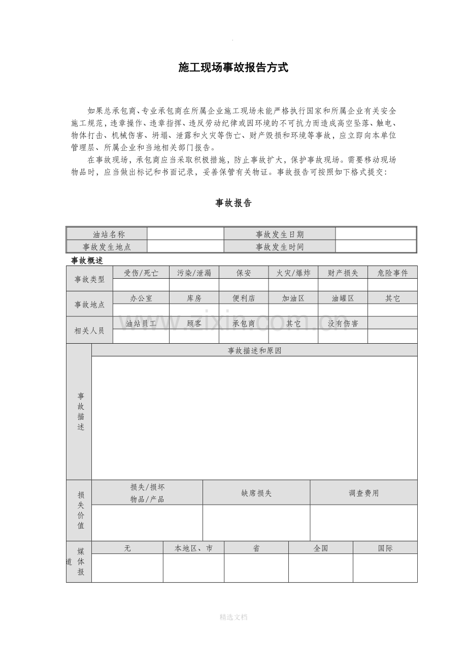
. 施工现场事故报告方式 如果总承包商、专业承包商在所属企业施工现场未能严格执行国家和所属企业有关安全施工规范,违章操作、违章指挥、违反劳动纪律或因环境的不可抗力而造成高空坠落、触电、物体打击、机械伤害、坍塌、泄露和火灾等伤亡、财产毁损和环境等事故,应立即向本单位管理层、所属企业和当地相关部门报告。 在事故现场,承包商应当采取积极措施,防止事故扩大,保护事故现场。需要移动现场物品时,应当做出标记和书面记录,妥善保管有关物证。事故报告可按照如下格式提交: 事故报告 油站名称 事故发生日期 事故发生地点 事故发生时间 事故概述 事故类型 受伤/死亡 污染/泄漏 保安 火灾/爆炸 财产损失 危险事件 事故地点 办公室 库房 便利店 加油区 油罐区 其它 相关人员 油站员工 顾客 承包商 其它 没有伤害 事故描述 事故描述和原因 损失价值 损失/损坏 物品/产品 缺席损失 调查费用 媒体报道 无 本地区、市 省 全国 国际 已采取的措施 采取的措施/目前状况 措施完成负责人 计划完成日期 指定完成日期 实际完成日期 事故详述 人员伤害 伤害类型 割伤 滑倒/绊倒/堕落 脑震荡 碰撞(物体坠落) 拉伤/扭伤 其它……. 灼伤 骨折 受伤人员姓名 受伤人员地址和电话 伤害详述 年龄 性别 员工受伤人数 顾客受伤人数 损失工作小时 损失成本 安全 事故类型 盗窃 持械抢劫 诈骗 抢劫 攻击 违法伤害 报警 损失现金 损失物品 损失物品的价值 火灾/爆炸 起火位置 加油区 办公室 油罐区 便利店 配电室 其它….. . 库房 发电机房 受损范围 受损价值 财产损失 受损位置 加油区 办公室 更衣室 便利店 配电室 其它…. . 库房 发电机房 受损范围 受损价值 事故原因 直接原因 间接原因 事故根源 事故根源 自然 培训 设计 程序 过失 设备 材料 误用 管理 预防措施 措施 负责人 完成期限 完成状况 完成时间 报告人 姓名 职位 日期 签名 精选文档
展开阅读全文

开通  VIP会员、SVIP会员  优惠大
下载10份以上建议开通VIP会员
下载20份以上建议开通SVIP会员


开通VIP      成为共赢上传

当前位置:首页 > 包罗万象 > 大杂烩

移动网页_全站_页脚广告1

关于我们      便捷服务       自信AI       AI导航        抽奖活动

©2010-2026 宁波自信网络信息技术有限公司  版权所有

客服电话:0574-28810668  投诉电话:18658249818

gongan.png浙公网安备33021202000488号   

icp.png浙ICP备2021020529号-1  |  浙B2-20240490  

关注我们 :微信公众号    抖音    微博    LOFTER 

客服