收藏 分销(赏)

第二章PLC基本指令系统.doc

上传人:w****g 文档编号:1460590 上传时间:2024-04-27 格式:DOC 页数:24 大小:817.50KB 下载积分:10 金币
下载 相关 举报
第二章PLC基本指令系统.doc_第1页
第1页 / 共24页
第二章PLC基本指令系统.doc_第2页
第2页 / 共24页


点击查看更多>>
资源描述
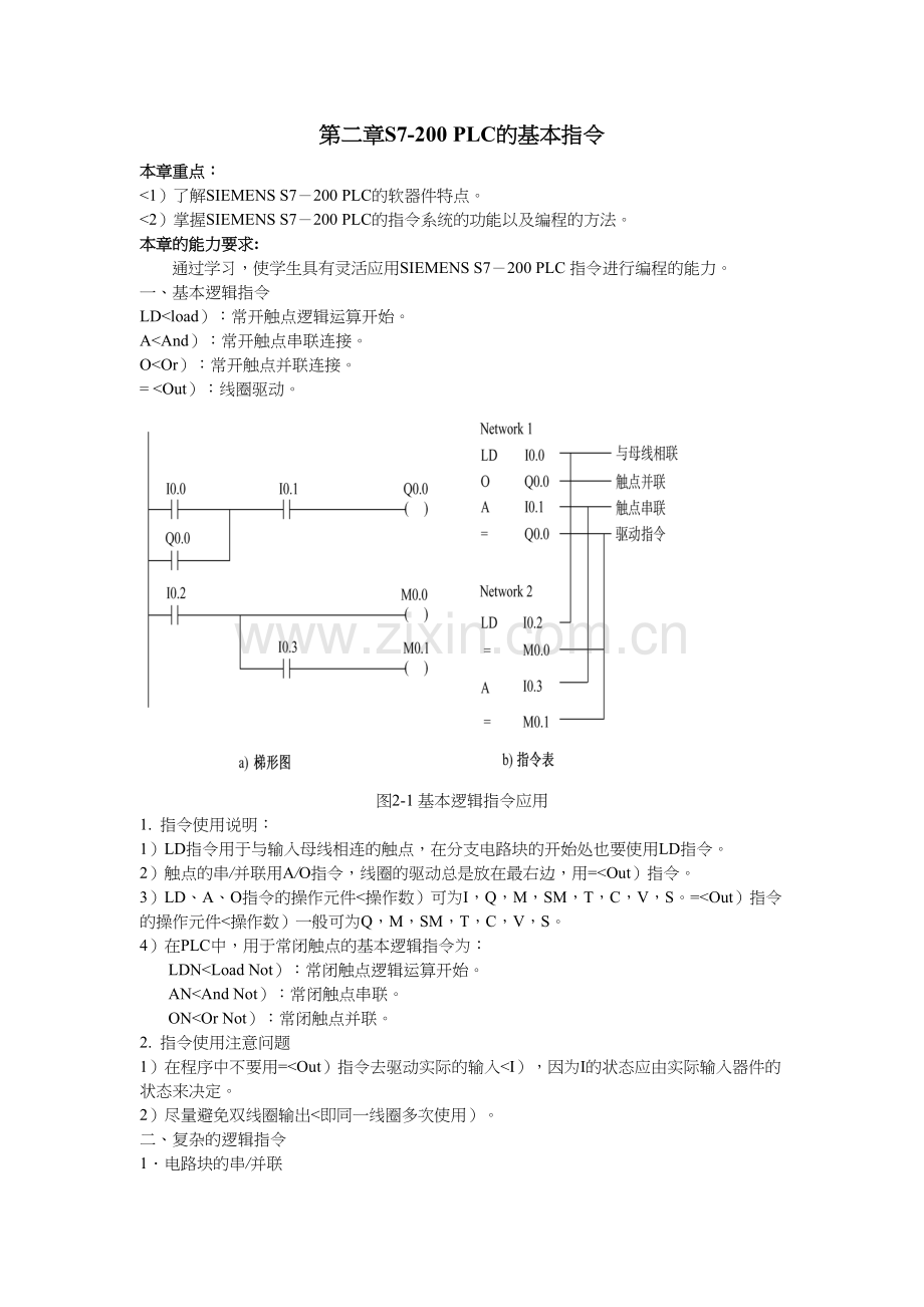
第二章S7-200 PLC的基本指令 本章重点: <1)了解SIEMENS S7-200 PLC的软器件特点。 <2)掌握SIEMENS S7-200 PLC的指令系统的功能以及编程的方法。 本章的能力要求: 通过学习,使学生具有灵活应用SIEMENS S7-200 PLC 指令进行编程的能力。 一、基本逻辑指令 LD<load):常开触点逻辑运算开始。 A<And):常开触点串联连接。 O<Or):常开触点并联连接。 = <Out):线圈驱动。 图2-1 基本逻辑指令应用 1. 指令使用说明: 1)LD指令用于与输入母线相连的触点,在分支电路块的开始处也要使用LD指令。 2)触点的串/并联用A/O指令,线圈的驱动总是放在最右边,用=<Out)指令。 3)LD、A、O指令的操作元件<操作数)可为I,Q,M,SM,T,C,V,S。=<Out)指令的操作元件<操作数)一般可为Q,M,SM,T,C,V,S。 4)在PLC中,用于常闭触点的基本逻辑指令为: LDN<Load Not):常闭触点逻辑运算开始。 AN<And Not):常闭触点串联。 ON<Or Not):常闭触点并联。 2. 指令使用注意问题 1)在程序中不要用=<Out)指令去驱动实际的输入<I),因为I的状态应由实际输入器件的状态来决定。 2)尽量避免双线圈输出<即同一线圈多次使用)。 二、复杂的逻辑指令 1.电路块的串/并联 OLD<Or Load):电路块的并联。 ALD<And Load):电路块的串联。 每个电路块开始用LD、LDN指令,OLD指令用于电路块的并联,ALD指令用于电路块的串联,OLD及ALD指令均没有操作元件。 图2-2 串并联 练习:根据下列梯形图写出指令表。 图2-3 练习1 2、逻辑堆栈的操作 LPS<Logic Push):逻辑入栈指令<分支电路开始指令)。在梯形图的分支结构中,LPS指令用于生成一条新的母线,其左侧为原来的主逻辑块,右侧为新的从逻辑块,可直接编程。 LRD<Logic Read):逻辑读栈指令。在梯形图的分支结构中,当新母线左侧为主逻辑块时,LPS开始右侧的第一个从逻辑块编程,LRD开始第二个以后的从逻辑块编程。 LPP<Logic Pop):逻辑出栈指令<分支电路结束指令)。在梯形图的分支结构中,LPP用于LPS产生的新母线右侧的最后一个从逻辑块编程,它在读取完离它最近的LPS压入堆栈内容的同时,复位该条新母线。 S7-200 PLC中有一个9层堆栈,用于处理逻辑运算结果,称为逻辑堆栈。 例2-1:根据下列梯形图写出指令表。 图2-4 三、置位/复位指令 置位/复位指令的STL、LAD形式及功能如表2-1。 表2-1置位/复位指令的STL、LAD形式及功能 指令名称 STL LAD 功能 置位指令 S bit,n bit —( S > n 从bit开始的n个元件置1并保持 复位指令 R bit,n bit —( R > n 从bit开始的n个元件清0并保持 图2-5表示:输入继电器I0.0为1使Q0.0接通并保持,输入继电器I0.1为1使Q0.0断开并保持。若I0.0和I0.1同时为1,R指令写在后面但有优先权,则Q0.0为0。 说明: 1)S/R指令具有保持功能,当置位或复位条件满足时,输出状态保持为1或0。 2)对同一元件可多次使用S/R指令。 3)因为是扫描工作方式,故写在后面的指令有优先权。 4)对计数器和定时器复位,计数器和定时器的当前值将被清为0。 5)置位/复位元件bit可为I、Q、M、SM、T、C、V、S等。 6)置位/复位元件数目n取值范围为1~255。 图2-5 例2-2 根据梯形图以及输入继电器的时序画出输出继电器时序。 图2-6 例2-3用基本逻辑指令实现置位/复位功能。 图2-7 四、边沿脉冲指令 EU指令在对应输入条件有一个上升沿<由OFF到ON)时,产生一个宽度为一个扫描周期的脉冲,驱动其后面的输出线圈;而ED指令则对应输入条件有一个下降沿<由ON到OFF)时,产生一个宽度为一个扫描周期的脉冲,驱动其后的输出线圈。 表2-2 边沿脉冲指令 指令 STL LAD 功能 操作 上升沿 EU ┤P├ 上升沿微分 无 下降沿 ED ┤N├ 下降沿微分 无 图2-8 例2-4用基本逻辑指令实现边沿脉冲指令功能。 图2-9 五、定时器指令 每个定时器均有一个16位当前值寄存器及一个的状态位<反映其触点状态)。 1.定时器指令使用说明 <1)定时器号:定时器总数有256个,定时器号范围为<T0-T255)。 <2)分辨率与定时时间的计算:S7-200PLC定时器有三种分辨率:1ms、10ms和100ms。 定时器定时时间T的计算:T=PT×S PT —— 定时设定值,均用16位有符号整数来表示,最大计数值为32767。 S —— 分辨率,单位为ms。 2.定时器指令 图2-10通电延时 图2-11断电延时 <1)通电延时定时器TON 如图2-10,当IN接通时,定时器位为0,当前值从0开始计时,当前值等于或大于PT端的设定值时,定时器位变为1,梯形图中对应定时器的常开触点闭合,常闭触点断开,当前值仍连续计数到32767。输入端断开,定时器自动复位,当前值被清零,定时器位为0。 <2)断电延时定时器TOF 如图2-11,输入端IN接通时,定时器位变为1,当前值为0。当输入端IN由接通到断开时,定时器开始定时,当前值达到PT端的设定值时,定时器位变为0,常开触点断开,常闭触点闭合,停止计时。 <3)保持型通电延时定时器TONR 图2-12 保持型 上电或首次扫描时,定时器位为0,当前值保持在掉电前的值。输入端IN接通时,当前值从上次的保持值开始继续计时,当累计当前值等于或大于PT端的设定值时,定时器位变为1,当前值可继续计数到32767。 输入端IN断开时,定时器的当前值保持不变,定时器位不变。TONR指令只能用复位指令R使定时器的当前值为0,定时器位为0。 注意: 1)不能把一个定时器号同时用作TOF和TON指令。 2)使用复位指令R对定时器复位后,定时器位为0,定时器当前值为0。 3)TONR指令只能通过复位指令进行复位操作。 3.定时器的刷新方法 <1)1ms定时器:由系统每隔1ms刷新一次,与扫描周期及程序处理无关,即采用中断刷新方式。 <2)10ms定时器:由系统在每个扫描周期开始时自动刷新。 <3)100ms定时器:在该定时器指令执行时被刷新。 六、计数器 计数器是对输入端的脉冲进行计数。 每个计数器均有一个16位当前值寄存器及一个状态位<反映其触点状态)。计数器的当前值、设定值均用16位有符号整数来表示,最大计数值为32767。计数器总数有256个,计数器号范围为<C0~C255)。 1.增计数器CTU 当复位输入端R为0时,计数器计数有效;当增计数输入端CU有上升沿输入时,计数值加1,计数器作递增计数,当计数器当前值等于或大于设定值PV时,该计数器位为1,计数至最大值32767时停止计数。复位输入端R为1时,计数器被复位,计数器位为0,并且当前值被清零。 2.减计数器CTD图2-13 当装载输入端LD为1时,计数器位为0,并把设定值PV装入当前值寄存器中。当装载输入端LD为0时,计数器计数有效;当减计数输入端CD有上升沿输入时,计数器从设定值开始作递减计数,直至计数器当前值等于0时,停止计数,同时计数器位被置位。 图2-14 减计数器 3.增/减计数器CTUD 图2-15增/减计数器 当复位输入端R为0时,计数器计数有效;当增计数输入端CU有上升沿输入时,计数器作递增计数;当减计数输入端CD有上升沿输入时,计数器作递减计数。当计数器当前值等于或大于设定值PV时,该计数器位为1。当复位输入端R为1时,计数器当前值为0,计数器位为0。 注意: 1)在一个程序中,同一计数器号不要重复使用,更不可分配给几个不同类型的计数器。 2)当用复位指令R复位计数器时,计数器位被复位,并且当前值清零。 3)除了常数外,还可以用VW、IW、QW、MW、SW、SMW、AC等作为设定值。 例2-7根据图5-20梯形图,说明其功能。 当I0.0来4个脉冲,C48位为1,其常开触点接通,C49计数一次,第二次扫描C48常开触点复位C48,当前值为0;当I0.0再来4个脉冲,C49又计数一次,…。当I0.0来4×5个脉冲时,C49位为1,其常开触点接通,Q0.0为1。 七、比较指令 将两个操作数按指定的条件作比较,条件成立时,触点就闭合。 IN为位型数据,“×”表示操作数IN1和IN2所需满足的条件:“>”大于、“>=”大于等于、“<”小于、“<=” 小于等于、“<>”不等于、“=”等于<STL中为“=”,LAD中为“==”);“口”表示操作数IN1和IN2的数据类型:“B”<BYTE)字节比较、 “I”<INT)整数比较<STL中为“W”,LAD中为“I”)、“D”<DINT)双字整数比较、“R”<REAL)实数的比较。 图2-16 表2-3比较指令 STL LAD 功能 LD□× IN1,IN2 IN1 ×□ IN2 比较触点接起始总线 LD IN A□× IN1,IN2 IN IN1 ×□ IN2 比较触点的“与” LD IN O□× IN1,IN2 IN1 ×□ IN2 IN 比较触点的“或” 例2-8根据图2-17梯形图,说明其功能。 当VB0=VB1时,Q0.0为1;或当VB2>VB3时,Q0.0为1。 八、取反指令及空操作指令 1.取反指令NOT: 该指令将复杂逻辑结果取反,它无操作数。 2.空操作指令NOP: 该指令为空操作,它对用户程序的执行没有影响。 图2-17 表2-4取反指令及空操作指令 指令名称 STL LAD 功能 操作元件 取反指令 NOT 逻辑结果 取反 无 空操作指令 NOP n 空操作 n:0~255 NOT NOP n 九、程序控制指令 1.结束指令END和MEND END:条件结束指令,执行条件成立<左侧逻辑值为1)时结束主程序,返回主程序起点。 MEND:无条件结束指令,结束主程序,返回主程序起点。指令不含操作数。 图2-18结束指令 图2-19 停止指令 2.停止指令STOP STOP指令的执行条件成立<左侧逻辑值为1)时,可以使主机CPU的工作方式由RUN切换到STOP,从而立即中止用户程序的执行。指令不含操作数。 3.跳转指令JMP与标号指令LBL JMP指令的执行条件成立时,使程序的执行跳转到指定的标号。LBL指令指定跳转的目标标号n。操作数n:0~255。 图2-30 作业:P44,2,5,6 第三章 数字量控制系统梯形图程序设计方法 第一节 梯形图的经验设计法 一、复杂逻辑指令应用 复杂逻辑指令主要有电路块的串/并联及逻辑堆栈操作。 例1:写出图5-23梯形图的语句表。 图5-23 二、根据梯形图和给出时序,画出输出的时序图。 例2: 图5-24 例3: 图5-25 三、定时器指令的应用 例4:延时接通断开电路 图5-26 例5:闪烁电路 图5-27 作业:P117,5-4,5-5,5-6 第二节 S7-200 PLC的基本指令应用程序分析<二) 例6:指出图5-28的错误。 图5-28 分析:I0.3的常开触点不能放在线圈的右边,梯形图中不能出现两个Q0.3的线圈,M0.8中的位地址不能大于7,立即输入触点只能用于输入位I,Q0.3的线圈不能直接连接在左侧母线上,T32是1ms定时器,其常闭触点不能接在它自己的IN输入端,T32无设定值。 例7:分析图5-29所示梯形图,详细说明梯形图的功能。 图5-29 分析:T37——定时时间5s,I0.0接通后,T37开始计时,5s时间到,C48计数一次,计数40次,即经过40*5s=200s后,C48位为1,常开触点接通,Q0.0为1。I0.1用于复位C48。 例8:用接在I0.0输入端的光电开关检测传送带上通过的产品,有产品通过时I0.0为ON,如果在10s内没有产品通过,由Q0.0发出报警信号,用I0.1输入端外接的开关解除报警信号。画出梯形图,并写出对应的语句表。 梯形图: 语句表: LDN I0.0 TON T37,100 LD T37 AN I0.1 = Q0.0 例9:在按钮I0.0按下后Q0.0变为1状态并保持<图5-30),I0.1输入3个脉冲后<用C1计时),T37开始定时,5s后Q0.0变为0状态,同时C1复位,在可编程序控制器刚开始执行用户程序时,C1也被复位,设计梯形图。 图5-30 梯形图: 作业:P118,5-7,5-8,5-9 第三节S7-200 PLC的顺序控制指令 一、顺序控制指令 1.顺序功能图 顺序功能图又简称功能图,它是一种描述顺 序控制系统的图解表示方法,是专为工业顺序控 制程序设计的一种功能说明性语言。它能完整地 描述控制系统的工作过程、功能和特性。 功能图主要由步、转移条件及动作三要素组 成。 <1)步 表示了控制系统中的某个状态,用矩形<单线或双线)表示。 当系统正处于某一步所在的阶段时,该步处于活动状态,称该步为“活动步” 。 <2)转移条件 当某一活动步满足一定的条件时,转换为下一步。步与步之间用一个有向线段来表示转移的方向,有向线段上再用一段横线表示转移的条件。 注意: 当有向线段从下向上画时,必须画上箭头,以表示方向;其它情况可省略箭头。 <3)动作 在每个稳定的活动步下,可能有相应的动作。 2. 顺序控制指令 ( SCRT> n ( SCRE> SCR n 指令名称 STL LAD 功能 操作元件  装载顺序控制 继电器指令  LSCR n 顺控状态开始 n:S位   顺序控制继电器 转换指令   SCRT n 顺控状态转移 n:S位 顺序控制继电器 结束指令 SCRE    顺控状态结束 无 二、功能图的主要类型 1. 单流程 其动作过程是一个一个完成的。功能图中的每一个状态仅连接一个转移,每个转移也仅连接一个状态。 2. 并行分支/汇合 在顺序控制流程中,一个顺序控制状态流必须分成两个或多个不同分支控制状态流,这就是并行流程分支。当多个控制状态流产生的结果相同时,可以将这些控制状态流合并成一个控制状态流,即并行分支的汇合。 3. 选择分支/汇合 在顺序控制流程中,具有多条分支控制状态流需要选择,即分支选择。它是一个控制流可能转入多个分支控制流中的某一个,但不允许多路分支同时执行。实际流程中到底进入哪一个分支,取决于控制流前面的转移条件是否满足。 第四节 S7-200 PLC的功能指令 一、功能指令的一般形式 功能指令的主体是功能框。框题头是指令的助记符,ADD-加法,I-整数。功能框左上方与EN相连的是执行条件。 功能框左边的操作数通常是源操作数,功能框右边的操作数通常是目标操作数。操作数的长度应符合规定。功能指令可处理的数据包括位<bit)、字节<B=8bit)、无符号整数<W=16bit)、无符号双整数<DW=32bit)、有符号整数<I=16 bit)、有符号双整数(DI=32 bit>、实数(R=32 bit>。 ENO为功能指令成功执行的标志位输出,即功能指令正常执行,ENO=1。 二、数学运算指令 1. 加法指令 当加法允许信号EN=1时,把两个输入端IN1,IN2指定的数相加,结果送到输出端OUT指定的存储单元中。加法指令可分为整数<_I)、双整数<_DI)、实数<_R)加法指令。它们各自对应的操作数数据类型分别是有符号整数、有符号双整数、实数。 对标志位的影响:SM1.0<零),SM1.1<溢出),SM1.2<负)。 2. 减法指令 当减法允许信号EN=1时,被减数IN1与减数IN2相减,其结果送到输出端OUT指定的存储单元中。减法指令可分为整数<_I)、双整数<_DI)、实数<_R)减法指令。它们各自对应的操作数数据类型分别是符号整数、有符号双整数、实数。 对标志位的影响:SM1.0<零),SM1.1<溢出),SM1.2<负)。 3. 乘法指令 当乘法允许信号EN=1时,把两个输入端IN1和IN2指定的数相乘,结果送到输出端OUT指定的存储单元中去。乘法指令可分为整数<_I)、双整数<_DI)、实数<_R)乘法指令和整数完全乘法指令。前三种指令各自对应的操作数的数据类型分别为有符号整数、有符号双整数、实数。整数完全乘法指令,把输入端IN1与IN2指定的两个16位整数相乘,产生一个32位乘积,并送到输出端OUT指定的存储单元中去。 对标志位的影响:SM1.0<零),SM1.1<溢出),SM1.2<负)。 4. 除法指令 当除法允许信号EN=1时,被除数与IN1与除数IN2指定的数相除,结果送到输出端OUT指定的存储单元中去。除法指令可分为整数<_I)、双整数<_DI)、实数<_R)除法指令和整数完全除法指令。前三种指令各自对应的操作数分别为有符号整数、有符号双整数、实数。整数完全除法指令,把输入端IN1与IN2指定的两个16位整数相除,产生一个32位结果,并送到输出端OUT指定的存储单元中去。其中高16位是余数,低16位是商。 对标志位的影响:SM1.0<零),SM1.1<溢出),SM1.2<负),SM1.3<除数为0)。 5. 加1减1指令 当加1或减1指令允许信号EN=1时,把输入端IN数据加1或减1,并把结果存放到输出单元OUT。加1和减1指令按操作数的数据类型可分为字节<_B)、字<_W)、双字<_DW)加1/减1指令。 字节加1和减1指令的操作数数据类型是无符号字节型,对标志位的影响:SM1.0<零)、SM1.1(溢出>。 字、双字加1和减1指令的操作数的数据类型分别是有符号整数、有符号双字整数,对标志位的影响:SM1.0<零),SM1.1<溢出),SM1.2<负)。 三、逻辑运算指令 逻辑运算指令的操作数均为无符号数。 1. 逻辑“与”指令 当逻辑“与”允许信号EN=1时,两个输入端IN1和IN2的数据按位“与”,结果存入OUT单元。逻辑“与”指令按操作数的数据类型可分字节<_B)、字<_W)、双字<_DW)“与”指令. 2. 逻辑“或”指令 当逻辑“或”允许信号EN=1时,两个输入端IN1和IN2的数据按位“或”,结果存入OUT单元。逻辑“或”指令按操作数的数据类型可分字节<_B)、字<_W)、双字<_DW)“或”指令。 3. 逻辑“异或”指令 当逻辑“异或”允许信号EN=1时,两个输入端IN1和IN2的数据按位“异或”,结果存入OUT单元。逻辑“异或”指令按操作数的数据类型可分字节<_B)、字<_W)、双字<_DW)“异或”指令 例根据下列逻辑运算指令的梯形图,写出运算结果。 4.取反指令 当取反允许信号EN=1时,对输入端IN指定的数据按位取反,结果存入OUT单元。取反指令按操作数的数据类型可分为字节<_B)、字<_W)、双字<_DW)取反指令。 逻辑运算指令影响的标志位:SM1.0(零>。 四、传送指令 1. 数据传送指令 当数据传送允许信号EN=1时,输入端IN指定的数据传送到输出端OUT,传送过程中数据值保持不变。数据传送指令按操作数的数据类型可分为字节<_B)、字<_W)、双字<_DW)、实数 (_R> 传送指令。 2. 字节交换指令 当字节交换允许信号EN=1时,输入端IN指定字的高字节内容与低字节内容互相交换。交换结果仍存放在输入端IN指定的地址中。操作数数据类型为无符号整数。 五、移位指令 移位指令均为无符号数操作。 1. 右移位指令 当右移位允许信号EN=1时,输入端IN指定的数据右移N位,结果存入OUT单元。右移位指令按操作数的数据类型可分为字节<_B)、字<_W)、双字<_DW)右移位指令。 2.左移位指令 当左移位允许信号EN=1时,输入端IN指定的数据左移N位,结果存入OUT单元。左移位指令,按操作数的数据类型可分为字节<_B)、字<_W)、双字<_DW)左移位指令。字节、字、双字移位指令的实际最大可移位数分别为8、16、32。 右移位和左移位指令,对移位后的空位自动补零。移位后SM1.1(溢出>的值就是最后一次移出的位值。如果移位的结果是0,SM1.0置位。 3. 移位寄存器指令 移位寄存器指令把输入端DATA的数值送入移位寄存器,S_BIT指定移位寄存器的最低位,N 指定移位寄存器的长度<从S_BIT开始,共N位)和移位的方向<正数表示左移,负数为右移)。 当移位寄存器允许输入端EN有效时,每个扫描周期寄存器各位都移动一位,移出的数据影响SM1.1。N为字节型数据类型,移位寄存器的最大长度为64位。操作数DATA、S_ BIT为位型数据类型。 由移位寄存器的最低有效位S_BIT和移位寄存器的长度N可计算出移位寄存器最高有效位MSB.b的地址。 计算公式为 MSB.b={S_BIT的字节号+[<| N |-1+S_BIT的位号)÷ 8]的商}.{[<| N |-1+S_BIT的位号)÷8]的余数} 例如,如果S_BIT是V20.4,N是9,那么MSB.b是V21.4。具体计算如下 MSB.b={V20+[(9-1+4>÷8]的商}.{[(9-1+4>÷8]的余数}=V21.4 例在下列移位寄存器的梯形图中, VB100 中的内容为30H,移位后VB100中的内容为多少? 六、数据转换指令 1. BCD码与整数的转换 BCD_I指令在允许信号EN=1时,将输入端IN指定的0~9999范围内的BCD码转换成整数,并将结果存放到输出端OUT指定的存储单元中去。 I_BCD指令在允许信号EN=1时,将输入端IN指定的0~9999范围内的整数转换成BCD码,并将结果存放到输出端OUT指定的存储单元中去。 转换的数据均为无符号数。指令影响的标志位:SM1.6<非法BCD码)。 2.译码、编码指令 译码DECO指令在允许信号EN=1时,根据输入字节IN的低四位的二进制值所对应的十进制数<0~15),将输出字OUT的相应位置为1,其他位置0。 编码指令ENCO在允许信号EN=1时,将输入字IN中值为1的最低位的位号<0~15)编码成4位二进制数,写到输出字节OUT的低四位。
展开阅读全文

开通  VIP会员、SVIP会员  优惠大
下载10份以上建议开通VIP会员
下载20份以上建议开通SVIP会员


开通VIP      成为共赢上传

当前位置:首页 > 包罗万象 > 大杂烩

移动网页_全站_页脚广告1

关于我们      便捷服务       自信AI       AI导航        抽奖活动

©2010-2026 宁波自信网络信息技术有限公司  版权所有

客服电话:0574-28810668  投诉电话:18658249818

gongan.png浙公网安备33021202000488号   

icp.png浙ICP备2021020529号-1  |  浙B2-20240490  

关注我们 :微信公众号    抖音    微博    LOFTER 

客服