收藏 分销(赏)

中板框架梁施工技术交底.doc

上传人:精**** 文档编号:12592011 上传时间:2025-11-07 格式:DOC 页数:8 大小:1.12MB 下载积分:6 金币
下载 相关 举报
中板框架梁施工技术交底.doc_第1页
第1页 / 共8页
中板框架梁施工技术交底.doc_第2页
第2页 / 共8页


点击查看更多>>
资源描述
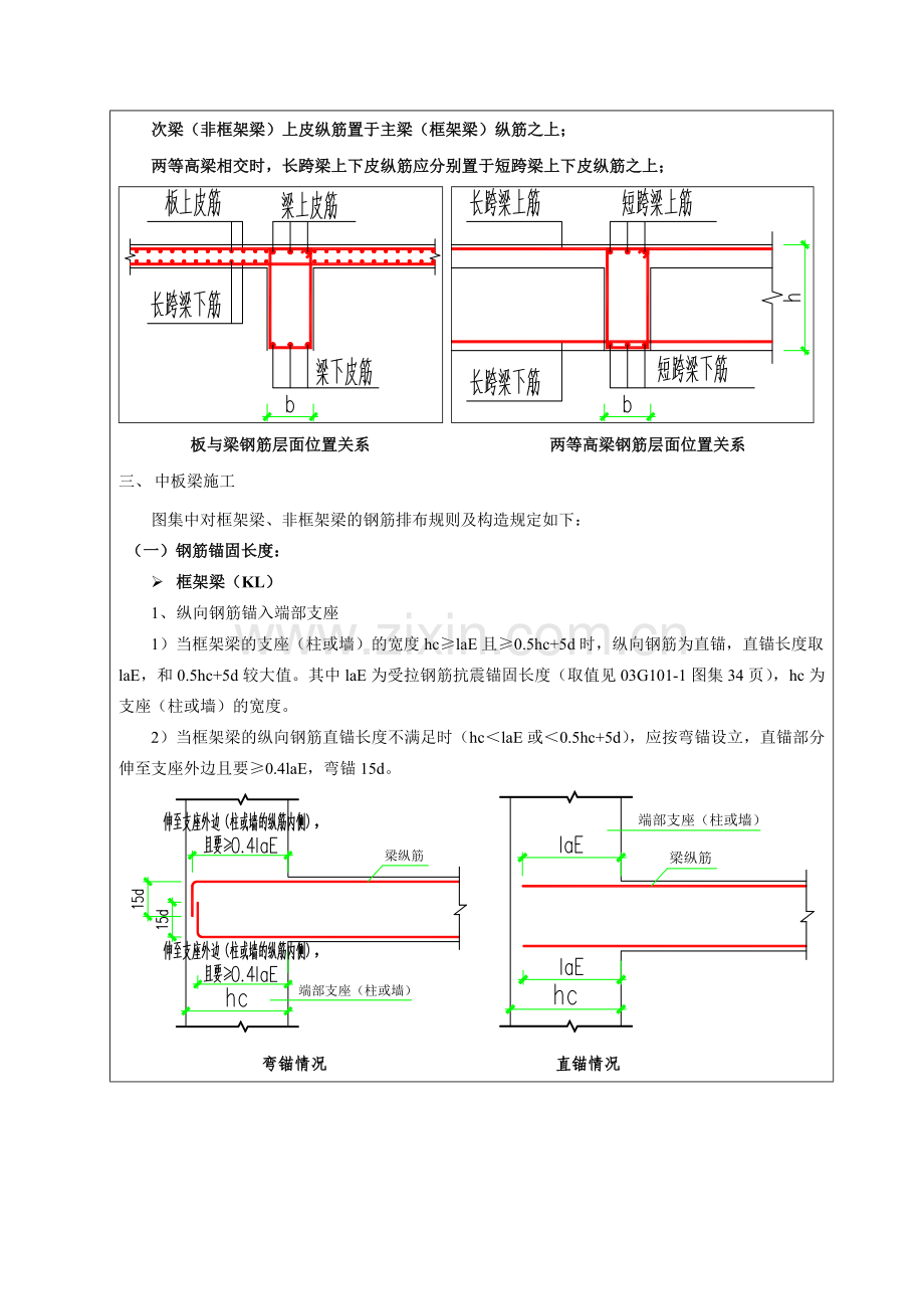
施工技术交底记录 津市政C1-6 工程名称 施工单位 分部分项工程名称 交底日期 交底内容: 本交底用于出租车停车场夹层板施工,夹层板范围如下图所示,夹层板顶标高为-1.972m。 夹层板平面示意图 一、 图纸规定 1、 钢筋大样图中弯折钢筋均应在弯折处做R=150mm圆角。 2、 双排钢筋净间距不应小于25mm和钢筋直径。 3、 纵向通常钢筋遇洞口处截断,遇侧墙锚入侧墙35d。 4、 钢筋净保护层:侧墙迎水面均为60mm,背水面为50mm;中板钢筋净保护层为25mm;梁为35mm;柱为40mm。 5、 出租车停车场地下结构抗震等级为三级 二、 中板施工 1、 严格按照已审批的方案或交底搭设模板支架,模板标高较结构底标高高出1cm,作为预留沉降量。模板拼接接缝用胶条密封,拼接牢固。 2、 板筋、梁筋钢筋层面布置顺序 板筋横纵向无上下位置限制,但选定一个方式布置(横向在上,纵向在下或是横向在下,纵向在上)后,整个夹层板板筋都应按这个方式布置; 板上皮纵筋置于梁筋之上; 次梁(非框架梁)上皮纵筋置于主梁(框架梁)纵筋之上; 两等高梁相交时,长跨梁上下皮纵筋应分别置于短跨梁上下皮纵筋之上; 板与梁钢筋层面位置关系 两等高梁钢筋层面位置关系 三、 中板梁施工 图集中对框架梁、非框架梁的钢筋排布规则及构造规定如下: (一)钢筋锚固长度: Ø 框架梁(KL) 1、 纵向钢筋锚入端部支座 1) 当框架梁的支座(柱或墙)的宽度hc≥laE且≥0.5hc+5d时,纵向钢筋为直锚,直锚长度取laE,和0.5hc+5d较大值。其中laE为受拉钢筋抗震锚固长度(取值见03G101-1图集34页),hc为支座(柱或墙)的宽度。 2) 当框架梁的纵向钢筋直锚长度不满足时(hc<laE或<0.5hc+5d),应按弯锚设立,直锚部分伸至支座外边且要≥0.4laE,弯锚15d。 弯锚情况 直锚情况 纵向钢筋弯折规定 2、 纵向钢筋锚入中间支座 纵向钢筋的中间支座锚固值取laE和0.5hc+5d的大值。 框架梁中间支座下部非通长纵筋锚固示意图 3、 上部非通长钢筋向跨中延伸长度 第一排非通长筋及与跨中直径不同的通长筋自柱外边线向跨中延伸ln/3;第二排非通长筋自柱外边线向跨中延伸ln/4,其中ln的取值规定:对于端部支座,ln取本跨的净跨值,对于中间支座,ln取支座两边较大一跨的净跨值。 端部支座处上皮非通长纵筋锚固示意图 中间支座处上皮非通长纵筋锚固示意图 4、 侧面构造筋及受扭钢筋的锚固 3) 构造钢筋为G打头,受扭钢筋为N打头。 4) 当梁腹板高度(下返或上返的高度)hw≥450mm时,须配置构造纵向构造钢筋,具体按设计图纸为准,图纸中标注的构造钢筋根数为两侧总配筋,且两侧应对称布置,并应布置φ8拉筋 侧面构造钢筋及受扭钢筋示意图 5) 当有受扭钢筋时,不再反复布置侧面构造钢筋。 6) 梁侧面构造钢筋的搭接与锚固长度可取15d 7) 梁侧面受扭钢筋的搭接长度为llE,锚固长度为laE(第61页)。其中llE为纵向受拉钢筋抗震绑扎搭接长度(取值见03G101-1图集34页) Ø 非框架梁(L) 1、 纵向钢筋锚入端部支座 1) 当非框架梁的支座(墙或主梁)的宽度hc≥la时,上部纵向纵向钢筋为直锚,直锚长度取la。其中la为受拉钢筋抗固长度(取值见03G101-1图集33页),hc为支座(柱、墙或主梁)的宽度;下部纵向钢筋锚固一律为12d。 2) 当非框架梁的纵向钢筋直锚长度不满足时(hc<la),应按弯锚设立,其中直锚至支座外边且要≥0.4la,再弯锚15d。 弯锚情况 直锚情况 2、 上部非通长钢筋向跨中延伸长度 1) 中间支座 第一排非通长筋及与跨中直径不同的通长筋自柱外边线向跨中延伸ln/3;第二排非通长筋自柱外边线向跨中延伸ln/4,其中ln的取值规定:对于端部支座,ln取本跨的净跨值,对于中间支座,ln取支座两边较大一跨的净跨值。 2) 端部支座 非通长筋及与跨中直径不同的通长筋自柱外边线向跨中延伸ln/5; 端部支座处上皮非通长纵筋锚固示意图 中间支座处上皮非通长纵筋锚固示意图 3、 下部纵向钢筋锚固长度 非框架梁的下部纵筋锚固长度只需12d。 非框架梁中间支座下部非通长纵筋锚固示意图 4、 侧面构造筋及受扭钢筋的锚固 1) 当有受扭钢筋时,不再反复布置侧面构造钢筋。 2) 构造筋、受扭钢筋的间距、拉筋布置同框架梁 3) 梁侧面构造钢筋的搭接与锚固长度可取15d 4) 梁侧面受扭钢筋的搭接长度为llE,锚固长度同梁下部纵向钢筋。其中llE为纵向受拉钢筋抗震绑扎搭接长度(取值见03G101-1图集34页) (二)梁箍筋、吊筋相关规定 1、 梁常规箍筋 1) 框架梁与非框架梁箍筋加密区范围为支座向跨内延伸1.5hb(hb为梁截面高度),剩余跨中区域即为非加密区,如下图所示: 框架梁与非框架梁箍筋加密与非加密区示意图 2) 梁、柱节点处柱的箍筋加密设立(见03G101-1图集40页),故框架梁在柱内不需要布置箍筋,梁箍筋与圆柱相交时箍筋起始位置如下: 3) 主、次梁(即为框架梁与非框架梁)相交处,主梁箍筋不受影响,按正常箍筋或加密区箍筋照设,次梁箍筋从主梁外侧50mm开始布置。 4) 次梁与次梁相交时,一方面应判断强梁,截面尺寸大者为强梁(梁宽相同,梁高者为强梁;梁高相同,梁宽者为强梁),强梁箍筋不受影响通长布置,弱梁箍筋从强梁外侧50mm开始布置。 5) 附加箍筋及吊筋布置 主梁与次梁相交、次梁与次梁相交节点处,在两相交梁内每侧布置3根附加箍筋(梁内正常箍筋不受附加箍筋影响照常布置),直径同相应梁箍筋,间距50mm 同时在主梁与次梁相交处,假如图纸中标注的有附加吊筋,则应在主梁内沿两宽度方向布置3根附加吊筋,示意图如下 主次梁节点、次梁与次梁节点附加箍筋示意图 主次梁节点附加吊筋示意图 (三)纵向钢筋连接接头规定: 具体详见06G901-1图集第2-1页。 四、 梁变截面解决(详见03G101-1图集61页及66页) 1、框架梁中间支座两边变截面 1)支座两边框架梁截面高度不同样,当高差值c/hc>1/6时,需将高梁上皮筋(底梁下皮筋)伸入柱内0.4lae后再弯锚15d;当高差值c/(hc-50)≤1/6时,高梁上皮筋(底梁下皮筋)可连续布置 2)支座两边梁宽不同样(或支座两边梁纵筋根数不同)时,将宽梁宽出部分的梁纵筋(或多余的梁纵筋)伸入柱内0.4lae后再弯锚15d 具体见下图所示,图中当hc≥lae时,纵向钢筋可直接直锚入柱内lae,不必弯锚 c/hc>1/6时 c/(hc-50)≤1/6时 梁宽不同样或支座两边纵筋根数不同时 2、 非框架梁中间支座两边变截面 1)支座两边框架梁截面高度不同样,当高差值c/b>1/6时,需将高梁上皮筋(底梁下皮筋)伸入柱内0.4la后再弯锚15d;当高差值c/b≤1/6时,高梁上皮筋(底梁下皮筋)可连续布置 2)支座两边梁宽不同样(或支座两边梁纵筋根数不同)时,将宽梁宽出部分的梁纵筋(或多余的梁纵筋)伸入柱内0.4la后再弯锚15d 具体见下图所示 c/b>1/6时 c/(b-50)≤1/6时 梁宽不同样或支座两边纵筋根数不同时 交底人 参与人 注:施工组织设计交底及分项、分部工程交底 年 月 日
展开阅读全文

开通  VIP会员、SVIP会员  优惠大
下载10份以上建议开通VIP会员
下载20份以上建议开通SVIP会员


开通VIP      成为共赢上传

当前位置:首页 > 品牌综合 > 技术交底/工艺/施工标准

移动网页_全站_页脚广告1

关于我们      便捷服务       自信AI       AI导航        抽奖活动

©2010-2026 宁波自信网络信息技术有限公司  版权所有

客服电话:0574-28810668  投诉电话:18658249818

gongan.png浙公网安备33021202000488号   

icp.png浙ICP备2021020529号-1  |  浙B2-20240490  

关注我们 :微信公众号    抖音    微博    LOFTER 

客服