收藏 分销(赏)

1.施工方案与技术措施4.docx

上传人:仙人****88 文档编号:11978834 上传时间:2025-08-25 格式:DOCX 页数:96 大小:3.87MB 下载积分:10 金币
下载 相关 举报
1.施工方案与技术措施4.docx_第1页
第1页 / 共96页
1.施工方案与技术措施4.docx_第2页
第2页 / 共96页


点击查看更多>>
资源描述
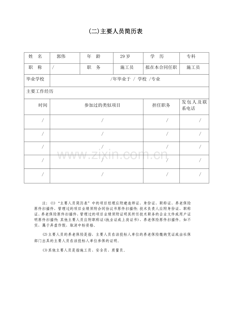
(二)主要人员简历表 姓 名 郭伟 年 龄 29岁 学 历 专科 职 称 / 职 务 施工员 拟在本合同任职 施工员 毕业学校 /年毕业于 / 学校 /专业 主要工作经历 时间 参加过的类似项目 担任职务 发包人及联系电话 / / / / / / / / / / / / / / / / / / / / 注:(1)“主要人员简历表”中的项目经理应附建造师证、身份证、职称证、养老保险原件扫描件,管理过的项目业绩须附合同协议书原件扫描件;技术负责人应附身份证、职称证、养老保险原件扫描件,管理过的项目业绩须附证明其所任技术职务的企业文件或用户证明原件扫描件;其他主要人员应附职称证(执业证或上岗证书)、养老保险原件扫描件。如不实,属于弄虚作假,取消中标资格。 (2) 主要人员的养老保险是指,主要人员在该投标人单位的养老保险缴纳凭证或由社保部门出具的主要人员在该投标人单位参保的证明。 (3) 其他主要人员是指施工员、安全员、质量员。 (二)主要人员简历表 姓 名 史大刚 年 龄 35岁 学 历 专科 职 称 / 职 务 质量员 拟在本合同任职 质量员 毕业学校 /年毕业于 /学校 /专业 主要工作经历 时间 参加过的类似项目 担任职务 发包人及联系电话 / / / / / / / / / / / / / / / / / / / / / / / / / / / / 注:(1)“主要人员简历表”中的项目经理应附建造师证、身份证、职称证、养老保险原件扫描件,管理过的项目业绩须附合同协议书原件扫描件;技术负责人应附身份证、职称证、养老保险原件扫描件,管理过的项目业绩须附证明其所任技术职务的企业文件或用户证明原件扫描件;其他主要人员应附职称证(执业证或上岗证书)、养老保险原件扫描件。如不实,属于弄虚作假,取消中标资格。 (2)主要人员的养老保险是指,主要人员在该投标人单位的养老保险缴纳凭证或由社保部门出具的主要人员在该投标人单位参保的证明。 (3)其他主要人员是指施工员、安全员、质量员。 (二)主要人员简历表 姓 名 张天见 年 龄 33岁 学 历 专科 职 称 / 职 务 安全员 拟在本合同任职 安全员 毕业学校 /年毕业于 /学校 /专业 主要工作经历 时间 参加过的类似项目 担任职务 发包人及联系电话 / / / / / / / / / / / / / / / / / / / / / / / / / / / / 注:(1)“主要人员简历表”中的项目经理应附建造师证、身份证、职称证、养老保险原件扫描件,管理过的项目业绩须附合同协议书原件扫描件;技术负责人应附身份证、职称证、养老保险原件扫描件,管理过的项目业绩须附证明其所任技术职务的企业文件或用户证明原件扫描件;其他主要人员应附职称证(执业证或上岗证书)、养老保险原件扫描件。如不实,属于弄虚作假,取消中标资格。 (2)主要人员的养老保险是指,主要人员在该投标人单位的养老保险缴纳凭证或由社保部门出具的主要人员在该投标人单位参保的证明。 (3)其他主要人员是指施工员、安全员、质量员。 (二)主要人员简历表 姓 名 袁忠琴 年 龄 43岁 学 历 专科 职 称 / 职 务 材料员 拟在本合同任职 材料员 毕业学校 /年毕业于 /学校 /专业 主要工作经历 时间 参加过的类似项目 担任职务 发包人及联系电话 / / / / / / / / / / / / / / / / / / / / / / / / / / / / 注:(1)“主要人员简历表”中的项目经理应附建造师证、身份证、职称证、养老保险原件扫描件,管理过的项目业绩须附合同协议书原件扫描件;技术负责人应附身份证、职称证、养老保险原件扫描件,管理过的项目业绩须附证明其所任技术职务的企业文件或用户证明原件扫描件;其他主要人员应附职称证(执业证或上岗证书)、养老保险原件扫描件。如不实,属于弄虚作假,取消中标资格。 (2)主要人员的养老保险是指,主要人员在该投标人单位的养老保险缴纳凭证或由社保部门出具的主要人员在该投标人单位参保的证明。 (3)其他主要人员是指施工员、安全员、质量员。 (二)主要人员简历表 姓 名 李仕蓉 年 龄 29岁 学 历 专科 职 称 / 职 务 造价员 拟在本合同任职 造价员 毕业学校 /年毕业于 /学校 /专业 主要工作经历 时间 参加过的类似项目 担任职务 发包人及联系电话 / / / / / / / / / / / / / / / / / / / / / / / / / / / / 注:(1)“主要人员简历表”中的项目经理应附建造师证、身份证、职称证、养老保险原件扫描件,管理过的项目业绩须附合同协议书原件扫描件;技术负责人应附身份证、职称证、养老保险原件扫描件,管理过的项目业绩须附证明其所任技术职务的企业文件或用户证明原件扫描件;其他主要人员应附职称证(执业证或上岗证书)、养老保险原件扫描件。如不实,属于弄虚作假,取消中标资格。 (2)主要人员的养老保险是指,主要人员在该投标人单位的养老保险缴纳凭证或由社保部门出具的主要人员在该投标人单位参保的证明。 (3)其他主要人员是指施工员、安全员、质量员。 合江县 2015 年新出险小型病险水库除险加固项目施工(四标段)天堂咀水库 施工标段施工招标 投 标 文 件 投标文件内容: 技术标部分 投标人: (法定名称) 2015 年 12 月 9 日 一、施工组织设计 1. 投标人编制施工组织设计的要求:编制时应采用文字并结合图表形式说明施工方法;拟投入本标段的主要施工设备情况、拟配备本标段的试验和检测仪器设备情况、劳动力计划等;结合工程特点提出切实可行的工程质量、安全生产、文明施工、工程进度、技术组织措施,同时应对关键工序、复杂环节重点提出相应技术措施,如冬雨季施工技术、减少噪音、降低环境污染、地下管线及其他地上地下设施的保护加固措施等。 2. 施工组织设计除采用文字表述外可附下列图表,图表及格式要求附后。投标人根据其施工组织设计的要求可自行把下列图表添加到相应的项目中。 附表一 拟投入本标段的主要施工设备表 附表二 拟配备本标段的试验和检测仪器设备表 附表三 劳动力计划表 附表四 计划开、竣工日期和施工进度网络图 附表五 施工总平面图 附表六 临时用地表 附表七 施工组织设计(暗标)编制要求 目 录 第一章 施工方案与技术措施 第二章 质量管理体系与措施 第三章 安全管理体系与措施 第四章 环境保护管理体系与措施 第五章 工程进度计划与措施 第六章 资源配备计划 附表一:拟投入本标段的主要施工设备表 附表二:拟配备本标段的试验和检测仪器设备表 附表三:劳动力计划表 附表四:计划开、竣工日期和施工进度网络图 附表五:施工总平面图 附表六:临时用地表 附表七:施工组织设计(暗标)编制要求 第一章 施工方案与技术措施 1.1编制说明 1.1.1编制原则 1、本工程严格按照设计图行,并以此来编制施工组织设计,以满足业主、设计及监理单位对工程质纸、现行国家标准、行业标准、施工技术规范和招标文件有关规定执量、工期、安全、环保等诸方面的要求为宗旨。 2、在仔细踏勘工地现场,认真研究招标文件和有关规定的基础上,充分考虑工程的特点以及场地、交通、水位、料源、民情、水电供应、气候等实际情况,科学合理地组织施工。 3、在施工中严格进行施工质量控制,建立健全质量保证体系,强化安全、质量等先进保证措施,使各项工作落到实处,为本工程施工的顺利高效进行创造良好的条件。 4、在施工组织机构建立上立足专业化,选配最有经验的管理人员和最有技术专长的技术员,组成强有力的施工组织机构,形成施工组织管理核心层。并且全面负责工程安全、质量、进度,保证人力、物力和财力的合理分配等,直接对建设单位和监理工程师负责,对工程负责。 5、在机械设备及检测仪器配置方面立足高效的机械化检测手段,为质量、工期按要求完成提供强有力的设备和检测保证。 6、在工期安排上充分考虑各分项单位工程的施工工期,立足于合理化,仔细分析、精心安排各项工程的施工顺序,避免不合理的安排造成施工干扰及窝工现象。 7、在施工方案的制定、施工工艺的选择、施工技术的实施方面立足于规范化及标准化,优先选用科学、先进的施工方法,确保工程质量、确保工程工期。 8、在安全保证措施的方面,立足全面性、预见性、可靠性及可操作性,建全安全岗位责任制,确保工程顺利进行。 9、坚持积极推广应用“四新”成果,在各项工序施工中,对于能够提高或保证工程施工质量、施工进度、降低工程成本的新技术、新设备、新工艺、新材料积极采用,发挥科技在施工中的先导作用。 10、我们的目标是通过精心组织、精心施工,实现安全、质量、工期、成本及社会信誉的预期目标,向建设单位交一项用户满意的工程。在工程实施过程中,树立良好的企业形象,把自身的经济效益同社会效益结合起来,真正做到“干一项工程,塑一座丰碑,拓一方市场,交一方朋友”。 1.1.2编制依据 (一)招标文件、图纸及其它资料 1、合江县 2015 年新出险小型病险水库除险加固项目施工(四标段)天堂咀水库 招标文件、工程量清单、施工图纸等。 2、通过标前会踏勘现场及施工调查所收集的相关资料。业主及当地人民政府在道路建设各方面的具体规定和要求以及沿线的风土人情等。 3、本投标人拥有的科技成果、机械机具设备、技术装备以及多年积累的类似工程施工经验。 4、建设部颁发的关于环境保护及文明施工标准。 1.2工程概况 1.2.1工程简介 (一)位置与环境 该项目位于合江县境内 。 (二)工程质量要求 达到国家现行施工规范合格标准 。 (三)建设工期 60日历天,计划开工日期:/年/月/日(具体时间以监理工程师下发的开工令为准),计划竣工日期:/年/月/日(具体时间以竣工验收报告上面为准)。 (四)主要工程内容 新出险小型病险水库除险工程。 1.2.2 施工条件与工程特点 一、施工条件 1、交通条件 根据招标文件提供的资料,结合现场考察结果,本工程沿现有道路铺以临时道路运输至现场。 2、电力来源 场内用电可从业主指定地点接入,搭当地电网拱电,同时我公司投入发电机两台,以保证不致因停电而影响工程施工的连续作业。 3、交通条件 根据招标文件提供的资料,结合现场考察结果,本工程沿现有道路铺以临时道路运输至现场。 4、通讯 本工程沿线均有中国移动和中国联通的信号覆盖,可采用移动电话和对讲机通讯,在项目经理部安装一台固定电话,以保证联络。 5、用水来源 路线所经过地区水源丰富,可满足工程用水和生活用水的需要。 1.3施工组织及布署原则 1.3.1施工组织机构 本投标人若能够取胜,有幸中标,在接到中标通知书后,就立即着手施工组织机构组建和施工进场准备工作。根据本工程分部分项多、交叉工序多、防护保通要求高、工程质量要求高、合同工期紧等施工特点,实行项目法施工。将选派一批具有土地整理工程施工经验,业务能力及管理水平较高的人员,在施工现场组建“合江县 2015 年新出险小型病险水库除险加固项目施工(四标段)天堂咀水库 工程项目经理部”。项目部由项目经理、项目技术负责人组成,下设工程技术部、质量安全部、计划财务部及综合办公室等,对本工程施工合同的实施负全面责任。各职能部门的专业组室均由专业人员组成并负责指导、监督和管理各下属施工作业队,完成相关的施工任务。 各组织机构框图见下表: 施工组织机构图 施工队 清除地表植被 测量放线 施工队 项目技术负责人 安监组 试验室 后勤组 技术组 财务组 材料组 质检组 计划组 保安组 预算组 工程技术部 计划财务部 质量安全部 综合办公室 项目经理 说明:整个施工程序根据实际由项目部统一安排。项目经理直接管理项目各科室,直接对公司负责。项目技术负责人协助项目经理共同管理全面工作。综合办公室负责综合事务及后勤工作;工程技术部负责工程技术、材料的供应及设备的维修;计划财务部负责财务、计划统计及预决算事宜;质量安全部负责质量管理、施工安全工作。部门各组直接管理各下属工程处。各施工组织均由专业施工人员组成并负责各相关工程的施工事宜。 1.3.2 各职能部门的职责 一、施工技术部职责 1)具体负责指挥现场的施工和测量工作,监督项目按图施工,解决施工中的技术难点。 2)参加实施性施工组织设计及难点、重点工程施工方案的编制、并组织实施。负责编制开工报告及施工技术交底,办理变更事宜。 3)负责中心、水平测量定位和边桩的放样复核,指导现场试验室的相关工作,使其与施工工作密切合作。协助计算需要通过测量进行测定的工程量,负责收集索赔有关资料。 4)参加QC 小组活动,开展技术革新和推广“四新”成果。 5)参加设计文件和施工图审核,并做好记录,负责竣工文件的编制和保管工作。协调施工图纸设计、原材料和施工部门之间的工作,保证施工进度符合项目目标的要求。 6)负责调查物资采购渠道,制定合格分供方名录,编制采购计划拟制订货合同,报项目经理批准后,按时组织采购,并对供应物资的质量负责。 7)根据施工的情况,及时修正材料进场计划,以满足施工进度的要求。负责对供应商提供的物资组织验收、贮存、防护和发放。负责组织对不合格物资的评审和处置,并对实施情况进行监督检查。 8)负责组织对购进物资的产品标识,对拟购和购进物货通知试验室做试验,接到试验报告合格后方可进货,并对检验和试验状态标识。 9)负责按规范制度组织物资的搬运、贮存、建帐登记、发放编制报表,标识传递和保管等物资技术资料管理。 10)负责主要施工机械、车辆的调派、检查、监督车辆的使用、保养、维修和标识,使其处于完好的技术状态,满足施工生产的需要。 二、质量安全部职责 1)负责施工过程的质量控制和最终检查,制定安全手册。 2)负责编制工序检查及中间交工证书的送审和报批。 3)负责分项、分部、单位工程的质量检验评定。 4)每月汇总当月质量存在的问题,找出主要问题,分析原因,提出纠正措施。 5)负责产品标识和状态标识检查,实现过程标识可追溯性。 6)负责组织开展QC小组活动及统计技术应用,及时排除可能造成危害的隐患。定期与不定期检查施工操作的安全性。 7)负责特殊工种、质检人员技证检查登记,对存在问题及时向领导提出整改意见。 8)负责现场安全生产检查,对存在的问题向领导提出整改意见并上报安全报表。 三、计划财务部职责 1)负责工程项目的财务管理,严格执行国家会计法及有关财经法纪,组织开展工程责任内部成本核算、分析、考核工作,实施项目部的劳资社保工作。 2)按施工组织设计要求,负责编制实质性的年、期、月、旬施工计划和材料设备供应计划,经项目总经理批准后组织实施。 3)根据合同要求进行计量支付工作,敦促现场签证工作,收集变更、索赔资料。 4)依据合同相关要求,整理签证资料,进行工程分析测算和工程竣工决算工作。 5)协助项目经理对工程进度和费用进行审查和评价。 6)制定综合网络计划,根据工程估算和进度计划编制费用支出计划。 7)及时跟踪工程施工进度情况,确保关键线路的顺利进行,及早发现进度计划的问题和解决问题的措施。 8)编制工程月报和请款报告,对施工队进行验工计价,及时对比分析。 四、综合办公室职责 1)协助主管领导搞好宣传教育工作,传达上级指示、通知和决定,参与现场的宣传标语的制作。 2)协助主管领导搞好与社会各方面的公共关系。负责日常行政管理和文秘工作,做好文工件的收集、登记、发放和传阅。 3)根据实际需要编制年度职培训计划报处办并按处下达的年度培训计划组织实施,保存培训、考核、发证记录。负责内部临时用工的管理工作,定期对其进行考评,对不称职人员进行解聘。 4)负责施工现场的文明施工和环境保护。妥善安排解决项目职工生活,加强食堂卫生管理,为工程的实施奠定基本保障。 5)建立良好的信息沟通渠道,保证工程的各项任务按计划执行。 1.3.3各任职人员岗位职责 一、项目经理职责 1)认真贯彻国家和上级有关方针、政策及公司的各项规章制度,维护企业利益,确保各项经济技术指标完成。 2)全面履行施工承包合同,对项目工程进度、质量、安全、计价、材料等实行全过程的管理,为实现以上目标负全责。 3)组织制定施工组织设计,编制各项技术方案,及安全生产和保证质量的措施,并按批准的“ISO6001—2000 工程项目质量计划”组织贯彻执行。 4)组织制定项目部人员的职责权限和各项规章制度,搞好与公司机关各职能部门的业务联系。 5)科学组织和管理进入项目工程的人、财、物资源,协调关系,理顺人员、物力和机械设备的调配与供应,及时解决施工中出现的问题。 6)根据项目施工生产计划,编制劳动力、材料、构件和机械使用计划。 7)严格财经制度,加强财务、预算管理,正确处理利益关系。 二、项目技术负责人职责 1)在项目经理的领导下,对现场技术问题、安全保障和质量控制问题负有基本责任。 2)负责组织编写实施性施工组织设计,重点、难点工程的施工方案和年、期施工计划并监督实施。 3)负责组织有关人员会审设计文件,正确进行技术交底,组织科研成果的实践,审定QC 项目,参与质量事故的原因调查,处理质量事故的技术问题。 4)监督现场的测量控制工作、现场试验和质量检查工作,协助贯彻安全规程,解决有关工程技术问题。 5)参加每周工程例会,在会上分析有关工程问题,协助项目经理安排好下周的工作。 6)加强技术管理基础工作和科技攻关工作,积极采用“四新”成果,推进技术进步与提高工程质量。 7)协助项目经理对拟竣工的项目进行最后检查。 三、质检工程师职责 在总工程师领导下,全面负责项目质量监督检查工作。 协助总工程师主持项目质量管理和质量保证体系的日常工作。 负责工程施工原始记录表格中属于质检人员检查稚的各项签认事宜,按规定时间向上级报送工程质量统计报表。 负责施工全过程的工程质量监督检查级各工序交接的质量验收工作。 负责配合建设单位、监理工程师进行有关工程质量检查及各种原始记录、工程检查证的签字验收工作,对监理工程师指出的有关工程质量方面存在的问题提出具体的处理意见。协助搞好工程成本控制。 督促、检查作业班、组、中心试验室、测量人员有关施工技术资料的整理工作。对测量原始记录、试验检测报告以及送交监理工程师的签证资料和各项试验资料是否齐全,数据是否准确,内容是否正确等进行认真审查,履行签证手续。 审查试验室所做的各种建筑材料的分析鉴定的配合比、混凝土强度及其它技术指标,未经监理工程师签认的材料不能批量进货,经检验属不合格材料不准使用。 参加经理部组织的工程质量检查及有关工程质量方面的会议。对项目采用的新技术、新工艺在实施过程中对其关键工序进行检查。 对由于质检工作疏漏、失职造成的工程质量事故承担责任。 四、安检工程师职责 对工程的安全负责,认真贯彻安全方针,坚持预防为主,防患于未然的思想,将一切不安全因素消除在事故发生之前,作好入场前的安全教育。负责安全文明生产制度的制定、实施与监督。负责安全检查及安全施工技术交底。对施工场地的文明施工全面负责。 五、测量工程师职责 根据施工组织设计和施工安排,编制项目施工测量计划,并组织全体测量人员努力实施。 负责做好控制测量工作,熟悉各主要控制樗的位置,保护好测量标志。 负责向施工测量组交付测量标志和测量结果,实行现场测量交底签认制度。 负责做好施工放样工作,对关键部位的放样,必须实行一种方法测量、多种方法复核的观测程序,做好记录报监理签认。 经常对测量标志进行检查复核,确保测量标志位置正确。如因测量标志变位而造成损失,测量人员应负主要责任。 制定测量仪器专人保管、定期保养等规章制度,建立仪器设备台帐。妥善保存测量资料。 指导测量人员正确使用测量仪器,严禁无关人员和不了解仪器性能的人员动用仪器。负责保护好测量仪器,定期进行检查,做好仪器的防腐、防晒、防雨、防尘工作,确保仪器处于良好状态。不得使用缺损的仪器进行测量。 1.3.4施工任务划分 针对本工程的特点和存在的问题,考虑工期安排的紧凑性,我公司制订如下具体的施工方案: 安排四个作业队进场施工,各施工作业队施工任务划分如下: ① 施工队一负责建筑施工工作。 ② 施工队二负责金属结构安装工作。 ③ 施工队三主要负临时设施及其他工程。 1.3.5施工准备 一、施工现场的准备 在通知进场后立即进行施工现场的准备工作,按施工总平面布置的要求进行施工现场建设。队伍进场后首先考虑施工驻地的建设与进场道路的疏通,为进一步工作创造良好的条件。 二、施工技术准备及协调关系 1、做好前期技术准备 第一批施工人员进驻现场后,立即进行技术准备工作,技术准备工作可分为内业技术准备和外业技术准备。 (1)内业技术准备主要包括: ① 认真阅读、审核施工设计图纸及设计文件,编写审核报告。②根据工程地质资料和技术经济资料,熟悉周围建筑物及道路、管线的分布和周围环境,进行临时工程设施建设的具体设计。③ 编写实施性的施工组织设计、施工计划、材料计划、建立计量台帐。④ 编写各种针对性的保证措施。⑤ 结合工程施工特点,编写技术管理办法和实施细则。⑥ 准备必要的施工资料,认真抓好施工技术交底工作。⑦ 根据合同条款、技术规范的规定与要求,对各种临时设施符合性数据的采集。⑧ 根据招标文件要求,提供给业主及监理工程师其它的相关资料。 (2)外业技术准备主要包括: ① 现场详细调查与地质踏勘。② 做好现场桩点的交接、埋设及复测和测量网点的布置。③ 各种工程材料及仪器设备的调查与合格性测试分析并编写试验报告。④ 施工作业中所涉及的各种外部技术数据的收集。 技术准备工作按时间进程分为前、中、后三个阶段,前期打基础,中期搞强化,后期抓完善。技术准备工作坚决做到:准备项目齐全、针对标准正确、内容完善齐全,超前计划布局,及时指导交底,重在检查落实。 施工人员进驻现场后立即对施工范围内的地质、水文、障碍物、文物古迹及各种管线等情况进行详细调查。路基施工前开始场地清理工作,严格按照图纸所示或监理工程师的要求,清理工地范围内阻碍施工的各种构筑物、障碍物以及树杆、树桩、树根和其它植物,完善排水系统,为临时和主体工程施工创造条件。 清理场地范围为施工需要的最小使用范围,作业时应该小心谨慎,发现异常情况(如古墓、文物、地下设施)立即报告业主并遵守其指示妥善处理。 2、密切当地政府、群众关系。一项工程得以顺利实施,主要取决于投标人自身的施工技术实力与管理水平,同时,周围的社会环境、公共关系也起着重要的作用,相反,社会环境条件差,对周边的公共关系处理不好,则对工程的进展起着消极或延缓作用,本投标人一向注重社会公共关系,把同当地民众和睦友好相处当成一件大事来抓,在创建优良工程的同时,树立良好的企业形象,恰到好处的把经济效益与社会效益结合起来,真正做到“六个一”即:干一项工程,出一项精品,铸一块金牌,留一片美声,占一席市场,交一方朋友。具体抓好以下六个方面的工作: ① 积极宣传本工程修建的现实与深远意义,采用标语、广播、传单、标牌等方式,使当地群众家喻户晓,从而赢得社会的理解、关注与支持。 ② 听取当地群众的意见,维护群众利益,在发生矛盾的时候,要耐心解释,妥善解决。 ③ 听众业主批示,服人监理工程师的指令。同有关行政单位、公益企事业单位保持密切联系。 ④ 规范作业,文明施工,工程结束后要做好收尾配套工作。 ⑤ 强化环保意识,珍惜土地资源,把施工与环境保护紧密联系起来。 ⑥ 自觉遵守与维护当地政府的有关政策入乡随俗,尊重当地民众的风俗习惯,维护社会治安秩序。 三、做好施工前的测量、试验工作 1、根据本工程特点,本投标人在现场配置试验室,试验室由试验室主任、试验工程师、试验员组成,试验室按技术规范或监理工程师的要求完成原材料取样试验及选定配合比等工作。 对图纸所示的挖方、借土场的路堤填料取有代表性的土样进行试验,试验方法按《道路土工试验规程》执行,试验项目如下:a液限、塑限、塑性指数、天然稠度。b颗粒大小分析试验。c含水量试验。d密度试验。e相对密度试验。f土的击实试验。 2、本投标人在现场组建测量队,测量组由工程技术部部长、测量工程师、测量员组成。第一批先遣人员和设备到场后5天内,完成复测工作,整理出复测资料报监理工程师核批。 施工前的测量工作,复核设计图中的地面高程和土石方工程数量,如有误差即时报告监理工程师和业主,复测完后向监理工程师报告,在监理工程师签认后打开工报告。 1.4现场总平面布置 1.4.1 施工总平面布置原则及依据 一、规划布置原则 施工总平面布置原则:布局合理,节省投资,减少用地,节省劳力,因地制宜,就地取材,方便施工,尽量利用既有设施。为坚持施工总平面布置的原则,保证工程施工顺利进行,施工平面布置主要采取如下措施: 1、尽量采用装配式临时设施,提高装配速度,尽快投入使用。 2、合理布置机械设备,规划好施工道路和场地,减少运输费用和场内二次搬运。 3、临时设施按建设工地文明施工现场要求设置,布置要符合现场卫生、安全防火和环境保护等要求。 二、布置依据 1、招标文件有关要求; 2、现场、道路布置图等; 4、总进度计划红线、临界线、水源、电源位置以及现场勘察结果; 3、总平面图及资源需用量计划; 5、总体部署和主要施工方案; 6、安全文明施工及环境保护要求。 1.4.2施工总平面布置 一、从现场考察来看,施工驻地设一个,布置在中心桩号左侧,修建临时道路与外界连接,施工的运输可部分利用现有的道路,交通较为方便。项目部及各施工队办公室安装电话,主要管理人员配有移动电话,保证通讯联络畅通。 临时设施布置位置详见(施工总平面图)。 在工程施工现场设置砂浆及混凝土搅拌站,提供混凝土及砌体工程施工的需求。 二、施工平面布置顺序: 1、进场后首先场地平整,清理场内垃圾,修建临时道路。在现场设置职工住宅区、临时办公室、混凝土试件养护室、材料堆放及加工场地等。 2、接通临时水源,保证必要的生产、生活及消防用水。 3、接通电源,由附近的大坝施工电源点接出安表计度后,引至我方专用配电房,供生产、生活用电。 三、施工临时用水计划 在施工现场就近取水 四、施工临时用电计划 1、施工临时用电布置 现场临时用电采用TN—S系统(三相五线制),根据施工机具设备容量计算导线截面大小,从用铜芯护套线BV3×35MM2+2×16MM2从业主提供的电源点接出,经安表计度后引入施工现场配电房。 2、其余施工区:采用铜芯护套线BV3×35MM2+2×16MM2从业主提供的电源引入施工现场配电房。其余施工用电采用电缆从配电房接出后立杆架空布设,电杆间距20~30m,在每根电线杆下设一二级开关箱。 3、为保证施工正常进行,我公司计划自备100kW 的发电机组两台,以备现场停电时或应急使用。 五、施工临时用地 施工临时生产用房在现场搭设,做到整洁、美观、适用。 所有临时设施均采用组合装配式临时房屋。(详见临时用地表) 六、搅拌站及堆料场 在本工程附近设置1个混凝土搅拌站。混凝土、砂浆采用胶轮车运送。堆料场地坪采用10cm厚C10混凝土硬化。 七、施工排水计划 施工过程除了做好施工现场和临时道路的排水与生活污水的排放工作外,还注意以下排水工作。 1、基槽施工的排水:由于本工程在山腰上施工,地势较高,施工现场排水主要为基槽、基坑排水和雨季排水。在基槽(坑)中每50米设置一个降水积水坑,道路路槽采用在槽底边两侧挖0.3m×0.3m 的土渠,把雨水和渗漏水排向积水坑,再用潜水泵抽水至施工水池加以利用。除此之外还应做好道路边坡表面积水排除。 2、施工现场排水:拟在施工临时设施:搅拌点、钢筋、模板加工点、水泥仓库、钢筋仓库、地材堆放点等临时搭设处周边砌30cm×40cm 排水沟,与场地排水渠连接,形成排水系统,排除地表水。 3、其他排水:混凝土施工结束后,对洗刷运输翻斗车和搅拌机的污水,先进行初步处理(如沉淀处理)除去杂质后,再排入沟渠中或回收使用。 1.5 施工方案及技术措施 1.5.1测量放线施工 一、测量前的技术准备工作 1.施工测量人员应全面熟悉施工总平面图和各种结构物的顶面标高、相互关系,根据现场条件制定各阶段的施测操作方案。 2.施工测量人员使用的测量仪器应做好校验工作,并在校验有效期内。 3.测量前会同建设单位、监理单位相关人员核对各部位的标高、座标位置有无变化。 二、施工测量控制 1.测量控制:针对本工程的特点,现场建立平面及高程控制系统,以便在整个施工期间针对其他工程项目的施工进行测量控制。 2.平面控制系统:拟采用导线测量的方法建立平面控制系统,测量仪器采用SET600全站仪及100m钢卷尺。用业主提供的控制点进行控制,设置直线控制桩,控制桩位置应在稳定可靠、便于施工期间保护及使用方便。 3.高程控制系统:测量仪器采用S3水准仪,根据业主提供的水准点,将标高引至水准点上,临时水准点必须坚固稳定,距离不得大于100m且前后通视,临时水准点与设计水准点复测闭合。 4.施工控制网的观测时间选在通视条件良好,成像清晰稳定,无大气折光的影响下进行观测。在观测过程中重新调平仪器,使对中系统误差变为测组间的偶然误差。施工控制点采用砼桩埋入地下约1m,施工控制点选在易于扩展,通视良好且能长期保存的地方。 三、测量临时水准点 工程施工之前,应根据图纸指定水准系统的已知水准点,引导至施工范围内,设置临时水准点,当施工牵涉到的水准系统不是一个标准时,应同意换算为工程的施工水准系统,据此设立临时水准点。 临时水准点设置后,要逐一编号,其精度要求闭合差不得超过规范要求,并标在图纸上。根据需要和设置的牢固程度应定期进行复测。临时水准点的设置要求是: 1.应设置在坚硬的固定建筑物、构筑物上,或者设置在不受影响和外界干扰的稳定土层内。 2.每100m设置一个水准点。 3.两水准点之间能保持通视。 四、平面放线 根据工程的起点、终点、导线桩和转折点的设计坐标,计算出这些点与附近控制点或建筑物之间的关系,然后根据这些关系把各个放线点用标桩固定在地面上。为了避免差错,每个点在接到监理的交点后都要进行复核,并将复核结果报于监理。 平面放线时,在工程的起点、导线桩、终点和转折点均已打桩核定后,再进行中心线和转角测量。中心线测量时,应每隔20~30m打一中心桩,中心桩的间距应统一,以便于统计距离和施工取料。然后根据工程规定需要的宽度用白灰撒出开挖边线。 五、纵断面水准测量 纵断面水准测量之前,应先沿工程的施工线路每隔100m的距离设置临时水准点,以此水准点测出中心各桩位地面的高程,以检查设计图地面高程和实际地面高程是否相同,并以次来确定土方开挖的深度。 本工程道路、沟渠的计量采用断面法。为此,本工程对于道路、沟渠的测量要由专人负责进行,并及时予以签证。放线时要控制好导线桩,以及起点和终点桩的监测和保护。 六、复测、定位 施工方应根据监理的现场交桩和书面资料,对主要原始基准点(包括导线桩、水准点)进行认真复测,在交桩后7天内,将结果报甲方认定后,作为永久保护,复测中如发现有超出容许范围的误差,要及时报告甲方、监理复测、纠正,在重新交桩后,施工方应再次按上述程序上报,直至准确无误,甲方认定为止。 七、竣工测量 工程施工结束后,即进行竣工测量,包括平面测量、断面测量、平面控制系统的复核。 1.为防止施工过程中控制桩位移引起测量误差,竣工测量前须重新施测。 2.根据控制桩施测排水沟渠、道路的中心线,并在原施工图断面位置上布桩,定出断面线,测量方法同放样,即:室内计算测放数据,现场用全站仪极坐标法施测,并进行校核。 3.根据规范及设计要求,检查路面宽度、轴线偏移、坡度情况、沟渠底宽、边坡、高程、中心线,对不合格的进行整修,合格后进行断面测量。 4.用两架水准仪测量横断面,按原设计断面位置测量,测点间距用视距仪测量,高差较大的采用经纬仪测视距,并测渠身、道路纵断面图,通过内业计算绘图,采用设计图纸比例,以便比较工程实现设计意图的程度。 5.地形图的测绘,因工程施工精度在规范标准以内,用原设计图可以作为竣工图,但对有变化及修改设计的部分需另行增测补充。 6.所有测量、计算、绘图资料要项目齐全,数据准确,图表清晰,符合质量要求。 1.5.2挡水工程 1.5.2.1土石方工程 1.1施工准备 对全线土石按开挖方法进行分类,合理布置施工机械,并对路堑边线、中线进行测设。挖除地表植物及腐植土,施工截水沟并做好临时排水设施。 A、施工前仔细查明地上、地下有无管线,对施工有影响的相关单位,对其进行保护或改移。还需注意开挖边界以外的建筑物是否安全。 B、开挖前,首先测量放线,依据设计挖深及边坡坡率推算测出开挖边界,并及早完成堑顶截水沟的修建。由高到低,从上而下,由外向里逐层开挖,最后刷坡至边坡线,严禁掏底开挖。 C、施工最好避开雨季,及时做好排水工作。剥除开挖区地表植被、腐植土及其它不宜作填料的土层,弃运于指定地点。 D、在路堑施工前,根据现场收集到的情况,核实的工程数量,工期要求,施工难易程度和人员、设备、材料编制实施性施工组织设计,报监理工程师审批。 E、根据测设路线中桩,设计图表定出路堑堑顶边线、边沟位置桩。在距路线中心一定安全距离设置控制桩。对于深挖地段,每挖深5米,复测中心桩一次,测定其标高及宽度,以控制边坡的大小。 施工准备 清除地表植被 测量放线 清除地表植被 测量放线 机械分层开挖 机械装运 机械碾压堑底 碾压 路基面整修 挖方路基施工工艺流程图 挖方路基施工工艺流程 1.2土路堑开挖施工 A、根据路堑的深度、长度和开挖方的运输距离选择施工机械及开挖方法: 短而深的地段采用分层横向开挖法(如分层横向开挖法示意图所示):每层3~4米。若以挖作填,运距较近时(20~80米),用推土机进行,运距较远时用推土机堆积。 1 1 上层 下层 1—1剖面 分层横向开挖法示图
展开阅读全文

开通  VIP会员、SVIP会员  优惠大
下载10份以上建议开通VIP会员
下载20份以上建议开通SVIP会员


开通VIP      成为共赢上传

当前位置:首页 > 品牌综合 > 施工方案/组织设计

移动网页_全站_页脚广告1

关于我们      便捷服务       自信AI       AI导航        抽奖活动

©2010-2025 宁波自信网络信息技术有限公司  版权所有

客服电话:0574-28810668  投诉电话:18658249818

gongan.png浙公网安备33021202000488号   

icp.png浙ICP备2021020529号-1  |  浙B2-20240490  

关注我们 :微信公众号    抖音    微博    LOFTER 

客服