收藏 分销(赏)

全套含图纸土木工程毕业设计五层钢混框架教学楼样本.doc

上传人:精**** 文档编号:11160590 上传时间:2025-07-03 格式:DOC 页数:62 大小:1.17MB 下载积分:16 金币
下载 相关 举报
全套含图纸土木工程毕业设计五层钢混框架教学楼样本.doc_第1页
第1页 / 共62页
全套含图纸土木工程毕业设计五层钢混框架教学楼样本.doc_第2页
第2页 / 共62页


点击查看更多>>
资源描述
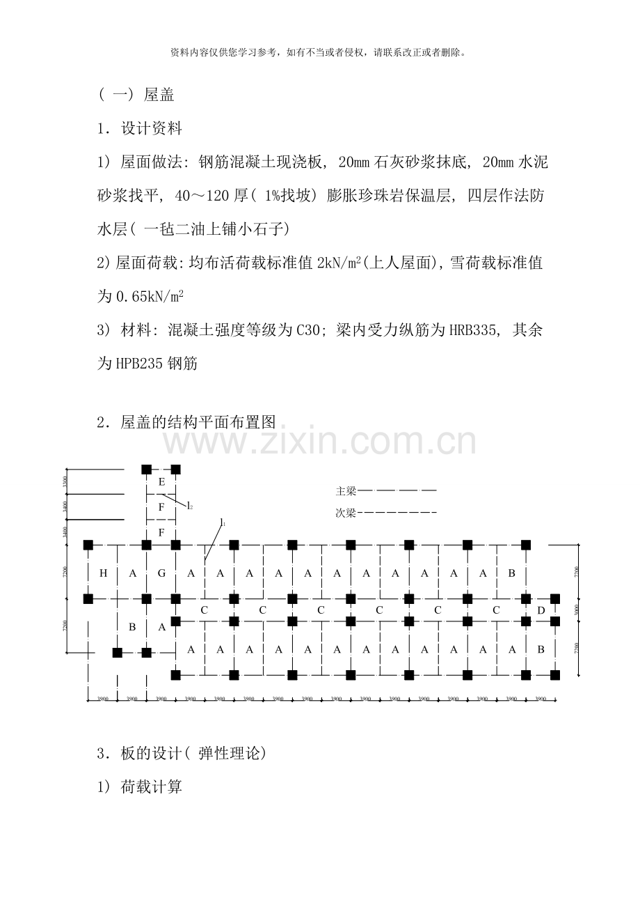
资料内容仅供您学习参考,如有不当或者侵权,请联系改正或者删除。 ( 全套计算书和图纸加QQ索要) 一 工程概况 本工程为某高校教学楼。工程为五层现浇钢筋混凝土框架结构。屋面板顶面标高为18.6m。 工程所在地抗震设防烈度为7度, 设计基本地震加速度为0.10g, 设计地震分组为第一组, 场地类别为Ⅱ类。 屋面做法: 钢筋混凝土现浇板, 20mm石灰砂浆抹底, 20mm水泥砂浆找平, 40~120厚( 1%找坡) 膨胀珍珠岩保温层, 四层作法防水层( 一毡二油上铺小石子) 。 楼面做法: 钢筋混凝土现浇板, 20mm石灰砂浆抹底, 20mm水泥砂浆找平, 水磨石面层。 墙身做法: 由普通砖砌筑而成, 普通砖自重18kN/m3, 厚度240mm。 门窗做法: 门为木门, 自重0.2 kN/m2, 窗为钢窗玻璃窗, 自重0.4 kN/m2。 风荷载标准值0.4kN/m2, 雪荷载标准值0.65kN/m2。 活荷载: 上人屋面均布活荷载标准值2.0kN/m2, 楼面活荷载标准值2.0kN/m2。 本设计计算书包括屋盖、 楼盖、 框架主体结构、 楼梯、 基础等部分的计算和设计。 二 屋盖、 楼盖设计 ( 一) 屋盖 1.设计资料 1) 屋面做法: 钢筋混凝土现浇板, 20mm石灰砂浆抹底, 20mm水泥砂浆找平, 40~120厚( 1%找坡) 膨胀珍珠岩保温层, 四层作法防水层( 一毡二油上铺小石子) 2) 屋面荷载: 均布活荷载标准值2kN/m2(上人屋面), 雪荷载标准值为0.65kN/m2 3) 材料: 混凝土强度等级为C30; 梁内受力纵筋为HRB335, 其余为HPB235钢筋 2.屋盖的结构平面布置图 3.板的设计( 弹性理论) 1) 荷载计算 由于屋面均布活荷载标准值大于屋面雪荷载标准值, 故取前者进行计算 恒荷载标准值: 20厚水泥混凝土找平0.02×20=0.46kN/m2 40~120厚( 1%找坡) 膨胀珍珠岩(0.08+0.16)÷2×7=0.546kN/m2 四层作法防水层 0.36kN/m2 100mm厚钢筋混凝土楼板 0.1×25=2.56kN/m2 20mm厚石灰砂浆抹底 0.02×17=0.34kN/m2 小计 4.08 kN/m2 荷载设计值 g=1.2×4.08=4.90kN/m2 , q=1.4×2.0=2.8kN/m2 q/2=1.4kN/m2, g+q/2=6.3kN/m2, g+q=7.7kN/m2 2) 弯矩计算 计算过程见下页表中 3) 截面设计 截面有效高度: 假定选用Φ8钢筋, 则l01方向跨中截面的h01=80mm; l02方向跨中截面的h02=70mm; 支座截面h0=80mm。 最小配筋率: 因为, 故取ρsmin=0.27%, 则Asmin=0.27%×1000×100=270mm2 截面设计时取用的弯矩设计值: 中间跨的跨中截面及中间支座截面减小20%; 边跨跨中截面及楼板边缘算起的第二个支座截面处, 当lb/l0<1.5时减小20%, 当lb/l0=1.5~2.0时减小10%; 楼板的角区格不折减。 弯矩值计算表 A B C D E F G H l01 (m) 3.9 3.9 3.0 3.0 3.3 3.4 3.9 3.9 l02 (m) 7.2 7.2 7.8 3.9 3.9 3.9 7.2 7.2 l01/l02 0.54 0.54 0.38 0.77 0.85 0.87 0.54 0.54 m1 (0.0388+0.2×0.0052) ×6.3×3.92+ (0.0232+0.2×0.0810) ×1.4×3.92=4.58 (0.0388+0.2×0.0052) ×6.3×3.92+ (0.0535+0.2×0.0099) ×1.4×3.92=5.00 (0.0400+0.2×0.0038) ×6.3×3.92+ (0.0965+0.2×0.0174) ×1.4×3.92=3.57 (0.0285+0.2×0.0136) ×6.3×3.92+ (0.0376+0.2×0.0196) ×1.4×3.92=2.14 (0.0246+0.2×0.0156) ×6.3×3.92+ (0.0225+0.2×0.0255) ×1.4×3.92=2.32 (0.0235+0.2×0.0159) ×6.3×3.92+ (0.0329+0.2×0.0124) ×1.4×3.92=2.52 (0.0388+0.2×0.0052) ×6.3×3.92+ (0.0907+0.2×0.0203) ×1.4×3.92=5.84 (0.0388+0.2×0.0052) ×6.3×3.92+ (0.0121+0.2×0.0504) ×1.4×3.92=4.29 m2 (0.0052+0.2×0.0388) ×6.3×3.92+ (0.0810+0.2×0.0232) ×1.4×3.92=3.07 (0.0052+0.2×0.0388) ×6.3×3.92+ (0.0099+0.2×0.0535) ×1.4×3.92=1.68 (0.0038+0.2×0.0400) ×6.3×3.92+ (0.0174+0.2×0.0965) ×1.4×3.92=1.13 (0.0136+0.2×0.0285) ×6.3×3.92+ (0.0196+0.2×0.0376) ×1.4×3.92=1.44 (0.0156+0.2×0.0246) ×6.3×3.92+ (0.0255+0.2×0.0225) ×1.4×3.92=1.87 (0.0159+0.2×0.0235) ×6.3×3.92+ (0.0124+0.2×0.0329) ×1.4×3.92=1.81 (0.0052+0.2×0.0388) ×6.3×3.92+ (0.0203+0.2×0.0907) ×1.4×3.92=2.06 (0.0052+0.2×0.0388) ×6.3×3.92+ (0.504+0.2×0.0121) ×1.4×3.92=2.37 m’1 -0.0817×7.7×3.92= -9.57 -0.0817×7.7×3.92= -9.57 -0.0829×7.7×3.02= -5.74 -0.0686×7.7×3.02= -4.75 -0.0626×7.7×3.32= -5.25 -0.0611×7.7×3.42= -5.44 -0.0817×7.7×3.92= -9.57 -0.0817×7.7×3.92= -9.57 m’2 -0.0571×7.7×3.92= -6.69 -0.0571×7.7×3.92= -6.69 -0.0570×7.7×3.02= -3.95 -0.0563×7.7×3.02= -3.90 -0.0551×7.7×3.32= -4.62 -0.0547×7.7×3.42= -4.87 -0.0571×7.7×3.92= -6.69 -0.0571×7.7×3.92= -6.69 为了便于计算, 近似取γ=0.95, 计算过程见下表 屋面板配筋计算表 跨中截面 h0 (mm) m (kN∙m) As (mm2) 配筋 实配 As (mm2) A l01方向 80 0.8×4.58=3.66 229.3 Φ8@180 282 l02方向 70 0.8×3.07=2.45 175.4 Φ8@180 282 B l01方向 80 5.00 313.3 Φ8@150 335 l02方向 70 1.68 120.3 Φ8@180 282 C l01方向 80 0.8×3.57=2.86 179.2 Φ8@180 282 l02方向 70 0.8×1.13=0.91 65.2 Φ8@180 282 D l01方向 80 2.14 134.1 Φ8@180 282 l02方向 70 1.44 103.1 Φ8@180 282 E l01方向 80 2.32 145.4 Φ8@180 282 l02方向 70 1.87 133.9 Φ8@180 282 F l01方向 80 0.8×2.52=2.01 125.9 Φ8@180 282 l02方向 70 0.8×1.81=1.45 103..8 Φ8@180 282 G l01方向 80 0.8×5.84=4.67 292.6 Φ8@160 318 l02方向 70 0.8×2.06=1.65 118.2 Φ8@180 282 H l01方向 80 4.29 268.8 Φ8@180 282 l02方向 70 2.37 169.7 Φ8@180 282 支座截面 h0 (mm) m (kN∙m) As (mm2) 配筋 实配As (mm2) A-A 80 -0.8×9.57=-7.65 479.3 Φ10@160 491 A-B l01方向 80 -0.8×9.57=-7.65 479.3 Φ10@160 491 l02方向 80 -0.8×6.69=-5.35 335.2 Φ10@200 393 A-C l01方向 80 -0.8×9.57=-7.65 479.3 Φ10@160 491 l02方向 80 -0.8×6.69=-5.35 335.2 Φ10@200 393 A-G l01方向 80 -0.8×9.57=-7.65 479.3 Φ10@160 491 l02方向 80 -0.8×6.69=-5.35 335.2 Φ10@200 393 A-H 80 -0.8×9.57=-7.65 479.3 Φ10@160 491 B-D 80 -0.8×6.69=-5.35 335.2 Φ10@200 393 C-C 80 -0.8×3.95=-3.16 198.0 Φ10@200 393 C-D 80 -0.8×3.95=-3.16 198.0 Φ10@200 393 E-F 80 -0.8×5.44=-4.35 272.6 Φ10@200 393 F-F 80 -0.8×5.44=-4.35 272.6 Φ10@200 393 F-G 80 -0.8×6.69=-5.35 335.2 Φ10@200 393 边缘支座截面 h0 (mm) m (kN∙m) As (mm2) 配筋 实配As (mm2) A 80 -6.69 419.2 Φ10@180 436 B l01方向 80 -9.57 599.6 Φ10@180 654 l02方向 80 -6.69 419.2 Φ10@180 436 D l01方向 80 -4.75 297.6 Φ10@200 393 l02方向 80 -3.90 244.4 Φ10@200 393 E l01方向 80 -5.25 328.9 Φ10@200 393 l02方向 80 -4.62 289.5 Φ10@200 393 F 80 -4.87 305.1 Φ10@200 393 H l01方向 80 -9.57 599.6 Φ10@180 654 l02方向 80 -6.69 419.2 Φ10@180 436 4.次梁的设计 1) 次梁l1 次梁l1跨度7.2m, 次梁截面高度h=l/18~l/12=7200/18~7200/12=400mm~600mm, 取h=600mm, 截面宽度取b=200mm。 ( 1) 荷载设计值 板传来的荷载p=2pe=27.44kN/m 次梁自重0.2×(0.6-0.1)×25×1.2=3kN/m 次梁粉刷0.02×[(0.6-0.1)×2+0.2]×17×1.2=0.5kN/m 则荷载总设计值g+q=30.94kN/m ( 2) 内力计算 弯矩设计值: 跨中 支座 剪力设计值: 跨中 支座 ( 3) 正截面受弯承载力计算 跨中按T形截面计算 翼缘宽度的确定如下: ,,,, ,, 取,,三者中的最小值, 即=1400mm 混凝土强度等级为C30, fc=14.3N/mm2, ft=1.43N/mm2。纵向受力钢筋采用HRB335, fy=300N/mm2;箍筋采用HPB235, fyv=210N/mm2 故跨中为第一类T形截面, 可按矩形截面进行计算 Asmin=200×565×max{0.2%,0.45×1.43/300}=242mm2 跨中: 配置416(As=804mm2) 支座: 配置314(As=462mm2) ( 4) 斜截面受剪承载力计算 ①验算截面尺寸 ,, 由下式 可知截面尺寸满足要求 ②计算所需箍筋 采用Φ6双肢箍筋, 计算截面尺寸 由,得 故根据构造确定箍筋间距, 取s=200mm 2) 次梁l2 次梁l2跨度3.9m, 次梁截面高度h=l/18~l/12=3900/18~3900/12=217mm~325mm, 取h=320mm, 截面宽度取b=150mm。 ( 1) 荷载设计值 板传来的荷载p=2pe=18.28kN/m 次梁自重0.15×(0.32-0.1)×25×1.2=0.99kN/m 次梁粉刷0.02×[(0.32-0.1)×2+0.15]×17×1.2=0.24kN/m 则荷载总设计值g+q=19.51kN/m ( 2) 内力计算 弯矩设计值: 跨中 支座 剪力设计值: 跨中 支座 ( 3) 正截面受弯承载力计算 跨内按T形截面计算 翼缘宽度=1350mm, h0=285mm 故跨中为第一类T形截面, 可按矩形截面进行计算 Asmin=150×285×max{0.2%,0.45×1.43/300}=92mm2 跨中: 配置214(As=308mm2) 支座: 配置212(As=226mm2) ( 4) 斜截面受剪承载力计算 ①验算截面尺寸 ,, 由下式 可知截面尺寸满足要求 ②计算所需箍筋 采用Φ6双肢箍筋, 计算截面尺寸 由,得 故根据构造确定箍筋间距, 取s=200mm ( 二) 楼盖 以第四层楼盖为例 1.设计资料 1) 楼面做法: 钢筋混凝土现浇板, 20mm石灰砂浆抹底, 20mm水泥砂浆找平, 水磨石面层。 2) 楼面荷载: 均布活荷载标准值2kN/m2 3) 材料: 混凝土强度等级为C30; 梁内受力纵筋为HRB335, 其余为HPB235钢筋 2.楼盖盖的结构平面布置图 见下页 3.板的设计( 弹性理论) 1) 荷载计算 恒荷载标准值: 水磨石面层 0.65 kN/m2 20厚水泥混凝土找平0.02×20=0.46kN/m2 100mm厚钢筋混凝土楼板 0.1×25=2.56kN/m2 20mm厚石灰砂浆抹底 0.02×17=0.34kN/m2 小计 4.01 kN/m2 荷载设计值 g=1.2×4.01=4.81kN/m2 , q=1.4×2.0=2.8kN/m2 q/2=1.4kN/m2, g+q/2=6.21kN/m2, g+q=7.61kN/m 2) 弯矩计算 计算过程见第13页表中 3) 截面设计 截面有效高度: 假定选用Φ8钢筋, 则l01方向跨中截面的h01=80mm; l02方向跨中截面的h02=70mm; 支座截面h0=80mm。 最小配筋率ρsmin=0.27%, 则Asmin=0.27%×1000×100=270mm2 截面设计时取用的弯矩设计值: 中间跨的跨中截面及中间支座截面减小20%; 边跨跨中截面及楼板边缘算起的第二个支座截面处, 当lb/l0<1.5时减小20%, 当lb/l0=1.5~2.0时减小10%; 楼板的角区格不折减。 为了便于计算, 近似取γ=0.95, 计算过程见下表 楼面板配筋计算表 跨中截面 h0 (mm) m (kN∙m) As (mm2) 配筋 实配 As (mm2) A l01方向 80 0.8×4.53=3.62 226.8 Φ8@180 282 l02方向 70 0.8×3.05=2.44 174.7 Φ8@180 282 B l01方向 80 4.94 309.5 Φ8@150 335 l02方向 70 1.66 118.9 Φ8@180 282 C l01方向 80 0.8×3.54=2.83 177.3 Φ8@180 282 l02方向 70 0.8×1.12=0.90 64.5 Φ8@180 282 D l01方向 80 2.12 132.8 Φ8@180 282 l02方向 70 1.42 101.7 Φ8@180 282 E l01方向 80 2.30 144.1 Φ8@180 282 l02方向 70 1.85 132.5 Φ8@180 282 F l01方向 80 0.8×2.49=1.99 124.7 Φ8@180 282 l02方向 70 0.8×1.79=1.43 102.4 Φ8@180 282 G l01方向 80 0.8×5.78=4.62 289.5 Φ8@160 318 l02方向 70 0.8×2.04=1.63 116.7 Φ8@180 282 弯矩值计算表 A B C D E F G l01 (m) 3.9 3.9 3.0 3.0 3.3 3.4 3.9 l02 (m) 7.2 7.2 7.8 3.9 3.9 3.9 7.2 l01/l02 0.54 0.54 0.38 0.77 0.85 0.87 0.54 m1 (0.0388+0.2×0.0052) ×6.21×3.92+ (0.0232+0.2×0.0810) ×1.4×3.92=4.53 (0.0388+0.2×0.0052) ×6. 21×3.92+ (0.0535+0.2×0.0099) ×1.4×3.92=4.94 (0.0400+0.2×0.0038) ×6. 21×3.92+ (0.0965+0.2×0.0174) ×1.4×3.92=3.54 (0.0285+0.2×0.0136) ×6. 21×3.92+ (0.0376+0.2×0.0196) ×1.4×3.92=2.12 (0.0246+0.2×0.0156) ×6. 21×3.92+ (0.0225+0.2×0.0255) ×1.4×3.92=2.30 (0.0235+0.2×0.0159) ×6. 21×3.92+ (0.0329+0.2×0.0124) ×1.4×3.92=2.49 (0.0388+0.2×0.0052) ×6. 21×3.92+ (0.0907+0.2×0.0203) ×1.4×3.92=5.78 m2 (0.0052+0.2×0.0388) ×6. 21×3.92+ (0.0810+0.2×0.0232) ×1.4×3.92=3.05 (0.0052+0.2×0.0388) ×6. 21×3.92+ (0.0099+0.2×0.0535) ×1.4×3.92=1.66 (0.0038+0.2×0.0400) ×6. 21×3.92+ (0.0174+0.2×0.0965) ×1.4×3.92=1.12 (0.0136+0.2×0.0285) ×6. 21×3.92+ (0.0196+0.2×0.0376) ×1.4×3.92=1.42 (0.0156+0.2×0.0246) ×6. 21×3.92+ (0.0255+0.2×0.0225) ×1.4×3.92=1.85 (0.0159+0.2×0.0235) ×6. 21×3.92+ (0.0124+0.2×0.0329) ×1.4×3.92=1.79 (0.0052+0.2×0.0388) ×6. 21×3.92+ (0.0203+0.2×0.0907) ×1.4×3.92=2.04 m’1 -0.0817×7.61×3.92= -9.46 -0.0817×7. 61×3.92= -9.46 -0.0829×7. 61×3.02= -5.68 -0.0686×7. 61×3.02= -4.70 -0.0626×7. 61×3.32= -5.19 -0.0611×7. 61×3.42= -5.38 -0.0817×7. 61×3.92= -9.46 m’2 -0.0571×7. 61×3.92= -6.61 -0.0571×7. 61×3.92= -6.61 -0.0570×7. 61×3.02= -3.90 -0.0563×7. 61×3.02= -3.86 -0.0551×7. 61×3.32= -4.57 -0.0547×7. 61×3.42= -4.81 -0.0571×7. 61×3.92= -6.61 楼面板配筋计算表( 续表) 支座截面 h0 (mm) m (kN∙m) As (mm2) 配筋 实配As (mm2) A-A 80 -0.8×9.46=-7.57 474.3 Φ10@160 491 A-B l01方向 80 -0.8×9.46=-7.57 474.3 Φ10@160 491 l02方向 80 -0.8×6.61=-5.29 331.5 Φ10@200 393 A-C l01方向 80 -0.8×9.46=-7.57 474.3 Φ10@160 491 l02方向 80 -0.8×6.61=-5.29 331.5 Φ10@200 393 A-G l01方向 80 -0.8×9.46=-7.57 474.3 Φ10@160 491 l02方向 80 -0.8×6.61=-5.29 331.5 Φ10@200 393 C-C 80 -0.8×3.90=-3.12 195.5 Φ10@200 393 C-D 80 -0.8×3.90=-3.12 195.5 Φ10@200 393 E-F 80 -0.8×5.38=-4.30 269.4 Φ10@200 393 F-F 80 -0.8×5.38=-4.30 269.4 Φ10@200 393 F-G 80 -0.8×6.61=-5.29 331.5 Φ10@200 393 边缘支座截面 h0 (mm) m (kN∙m) As (mm2) 配筋 实配As (mm2) A 80 -6.61 414.2 Φ10@180 436 B l01方向 80 -9.46 592.7 Φ10@180 654 l01方向 80 -6.61 414.2 Φ10@180 436 D l01方向 80 -4.70 294.5 Φ10@200 393 l01方向 80 -3.86 241.9 Φ10@200 393 E l01方向 80 -5.19 325.2 Φ10@200 393 l01方向 80 -4.57 286.3 Φ10@200 393 F 80 -4.81 301.4 Φ10@200 393 4.次梁的设计 1) 次梁l1 次梁l1跨度7.2m, 次梁截面高度h=l/18~l/12=7200/18~7200/12=400mm~600mm, 取h=600mm, 截面宽度取b=200mm。 ( 1) 荷载设计值 板传来的荷载p=2pe=25.94kN/m 次梁自重0.2×(0.6-0.1)×25×1.2=3kN/m 次梁粉刷0.02×[(0.6-0.1)×2+0.2]×17×1.2=0.5kN/m 则荷载总设计值g+q=29.4kN/m ( 2) 内力计算 弯矩设计值: 跨中 支座 剪力设计值: 跨中 支座 ( 3) 正截面受弯承载力计算 跨中按T形截面计算 翼缘宽度=1400mm 混凝土强度等级为C30, fc=14.3N/mm2, ft=1.43N/mm2。纵向受力钢筋采用HRB335, fy=300N/mm2;箍筋采用HPB235, fyv=210N/mm2 故跨中为第一类T形截面, 可按矩形截面进行计算 Asmin=242mm2 跨中: 配置416(As=804mm2) 支座: 配置314(As=462mm2) ( 4) 斜截面受剪承载力计算 ①验算截面尺寸 ,, 由下式 可知截面尺寸满足要求 ②计算所需箍筋 采用Φ6双肢箍筋, 计算截面尺寸 由,得 故根据构造确定箍筋间距, 取s=200mm 2) 次梁l2 次梁l2跨度3.9m, 次梁截面高度h=l/18~l/12=3900/18~3900/12=217mm~325mm, 取h=320mm, 截面宽度取b=150mm。 ( 1) 荷载设计值 板传来的荷载p=2pe=18.06kN/m 次梁自重0.15×(0.32-0.1)×25×1.2=0.99kN/m 次梁粉刷0.02×[(0.32-0.1)×2+0.15]×17×1.2=0.24kN/m 则荷载总设计值g+q=19.29kN/m ( 2) 内力计算 弯矩设计值: 跨中 支座 剪力设计值: 跨中 支座 ( 3) 正截面受弯承载力计算 跨内按T形截面计算 翼缘宽度=1350mm, h0=285mm 故跨中为第一类T形截面, 可按矩形截面进行计算 Asmin=92mm2 跨中: 配置214(As=308mm2) 支座: 配置212(As=226mm2) ( 4) 斜截面受剪承载力计算 ①验算截面尺寸 ,, 由下式 可知截面尺寸满足要求 ②计算所需箍筋 采用Φ6双肢箍筋, 计算截面尺寸 由,得 故根据构造确定箍筋间距, 取s=200mm 三 框架结构布置及计算简图 ( 一) 梁柱尺寸 1.梁高 hb=(1/12~1/8)lb 横向 hb=600~900mm, 取800mm 纵向 hb=650~900mm, 取800mm 过道 hb=250~375mm, 考虑到次梁高度为600mm, 也取为600mm 2.柱截面尺寸 本工程为现浇钢筋混凝土结构, 7度设防, 高度<30m, 抗震等级为三级, 取底层C6柱估算柱尺寸, 根据经验荷载为15kN/m2: N=15×7.8×(3.6+1.5)=2983.5kN 由轴压比限值得Ac≥==260795mm2 为安全起见, 取底层柱截面尺寸为650mm×650mm, 其它层为600mm×600mm ( 二) 计算简图(取轴线⑥处) 初步设计基础顶面离室外地面500mm, 则底层层高为4.2+0.6+0.5=5.3m 框架结构计算简图 ( 三) 梁柱线刚度 (其中E=3.0×104N/mm2) AC、 BC跨梁 i=2E××0.3×0.83/7.2=3.56×10-3E BC跨梁 i=2E××0.3×0.63/3.0=3.60×10-3E 上部各层柱 i= E××0.64/3.6=3.00×10-3 E 底层柱 i= E××0.654/5.3=2.81×10-3 E 将梁柱线刚度标于计算简图中 四 恒荷载内力计算 ( 一) 恒荷载计算 1.屋面框架梁线荷载标准值 20厚水泥混凝土找平0.02×20=0.46kN/m2 40~120厚( 1%找坡) 膨胀珍珠岩(0.08+0.16)÷2×7=0.546kN/m2 四层作法防水层 0.36kN/m2 100mm厚钢筋混凝土楼板 0.1×25=2.56kN/m2 20mm厚石灰砂浆抹底 0.02×17=0.34kN/m2 屋面恒荷载 4.08 kN/m2 边框架梁自重 0.3×0.8×25=6kN/m 边框架梁粉刷 2×(0.8-0.1)×0.02×17=0.48kN/m 中框架梁自重 0.3×0.6×25=4.5kN/m2 边框架梁粉刷 2×(0.6-0.1)×0.03×17=0.34kN/m 则作用于屋面框架梁上线荷载标准值为: g5AB1=6.48kN/m g5BC1=4.85kN/m g5AB2=4.08×3.9=15.91kN/m g5BC2=4.08×3=12.24kN/m 2.楼面框架梁线荷载标准值 20mm厚水泥砂浆找平 0.02×20=0.46kN/m2 100mm厚钢筋混凝土楼板 0.1×25=2.5kN/m2 20mm厚石灰砂浆抹底 0.02×17=0.34kN/m2 水磨石面层 0.65 kN/m2 楼面恒荷载 3.89 kN/m2 边框架梁自重及粉刷 6.48kN/m 中框架梁自重及粉刷 4.85kN/m 边跨填充墙自重 0.24×3.6×18=15.55kN/m 填充墙粉刷 2×0.02×2×17=2.45kN/m 则作用于楼面框架梁上线荷载标准值为: gAB1=6.48+15.55+2.45=24.48kN/m gBC1=4.85kN/m gAB2=3.89×3.9=15.17kN/m gBC2=3.89×3=11.67kN/m 3.屋面框架节点集中荷载标准值 纵向框架梁自重 0.3×0.8×7.8×25=46.8kN 纵向框架梁粉刷 2×(0.8-0.1)×0.02×7.8×17=3.71kN 纵向框架梁传来的屋面恒荷载 2×(3.9/2)2×4.08=31.02kN 次梁自重及粉刷 0.6×0.2×25×7.2/2+2×0.02×(0.6-0.1)×7.2/2=10.87kN 次梁传来的屋面恒荷载 (1-2×0.272+0.273)×4.08×3.9×7.2/2=50.06kN 1m高女儿墙自重及粉刷 1×7.8×0.24×18+2×1×7.8×0.02×17=39kN 则顶层边节点集中荷载为: G5A=181.46kN 纵向框架梁自重及粉刷 46.8+3.71=50.51kN 纵向框架梁传来的屋面恒荷载 31.02+(1-2×0.192+0.193)×4.08×7.8×3/2=75.64kN 次梁自重、 粉刷及传来的屋面恒荷载 10.87+50.06=60.93kN 则顶层中节点集中荷载为: G5B=187.08kN 4.楼面框架节点集中荷载标准值 纵向框架梁自重及粉刷 51.51kN 纵向框架梁传来的楼面恒荷载 2×(3.9/2)2×3.89=29.44kN 次梁自重及粉刷 10.87kN 次梁传来的楼面恒荷载 (1-2×0.272+0.273)×3.89×3.9×7.2/2=47.73kN 钢窗自重 2×2.3×1.8×0.4=3.31kN 墙体自重 (3.6×7.8-2×2.3×1.8)×0.24×18=85.54kN 墙面粉刷 2×(3.6×7.8-2×2.3×1.8)×0.02×1.7=13.46kN 框架柱自重 0.602×3.6×25=32.4kN 柱面粉刷4×0.6×0.02×17=0.82kN 中间层边柱节点集中荷载为: GA=274.08kN 纵向框架梁自重及粉刷 50.51kN 纵向框架梁传来的楼面恒荷载29.44+(1-2×0.192+0.1923)×3.89×7.8×3/2=71.98kN 次梁粉刷、 自重及传来的楼面恒荷载 10.87+47.73=58.6kN 木门自重 2×1.0×2.6×0.2=1.04Kn 墙体自重 (3.6×7.8-2×1.0×2.6)×0.24×18=98.84kN 墙面粉刷 2×0.02×()×17=15.56kN 框架主自重及粉刷 32.4+0.82=33.22kN 中间层中柱节点集中荷载为: GB=329.75kN ( 二) 恒荷载作用下内力计算 1.计算简图 计算简图 2.荷载等效 顶层边跨 顶层中跨 中间层边跨 中间层中跨 荷载等效后的计算简图如下 3.固端弯矩计算 顶层边跨 顶层中跨 中间层边跨 中间层中跨 4.分层计算弯矩( 取半结构计算) 1) 顶层 分配系数计算如下 内力计算过程如下( 单位: kN∙m) 1-4 1-2 2-1 2-5 2-3 0.431 0.569 0.442 0.335 0.223 -88.04 88.04 -9.38 37.95 50.09 → 25.05 -22.92 ← -45.84 -34.74 -23.13 9.88 13.04 → 6.52 -1.44 ← -2.88 -2.19 -1.45 0.62 0.82 → 0.41 -0.18 -0.14 -0.09 48.45 -48.45 71.12 -37.07 -34.05 M图见下页( 单位: kN∙m) 2) 中间层 分配系数计算如下 内力计算过程如下( 单位: kN∙m) 3-6 3-1 3-4 4-3 4-2 4-7 4-5 0.301 0.301 0.398 0.331
展开阅读全文

开通  VIP会员、SVIP会员  优惠大
下载10份以上建议开通VIP会员
下载20份以上建议开通SVIP会员


开通VIP      成为共赢上传

当前位置:首页 > 学术论文 > 毕业论文/毕业设计

移动网页_全站_页脚广告1

关于我们      便捷服务       自信AI       AI导航        抽奖活动

©2010-2025 宁波自信网络信息技术有限公司  版权所有

客服电话:0574-28810668  投诉电话:18658249818

gongan.png浙公网安备33021202000488号   

icp.png浙ICP备2021020529号-1  |  浙B2-20240490  

关注我们 :微信公众号    抖音    微博    LOFTER 

客服