收藏 分销(赏)

汽车轮毂生产线综合节能改造.doc

上传人:快乐****生活 文档编号:10963419 上传时间:2025-06-23 格式:DOC 页数:23 大小:253.54KB 下载积分:10 金币
下载 相关 举报
汽车轮毂生产线综合节能改造.doc_第1页
第1页 / 共23页
汽车轮毂生产线综合节能改造.doc_第2页
第2页 / 共23页


点击查看更多>>
资源描述
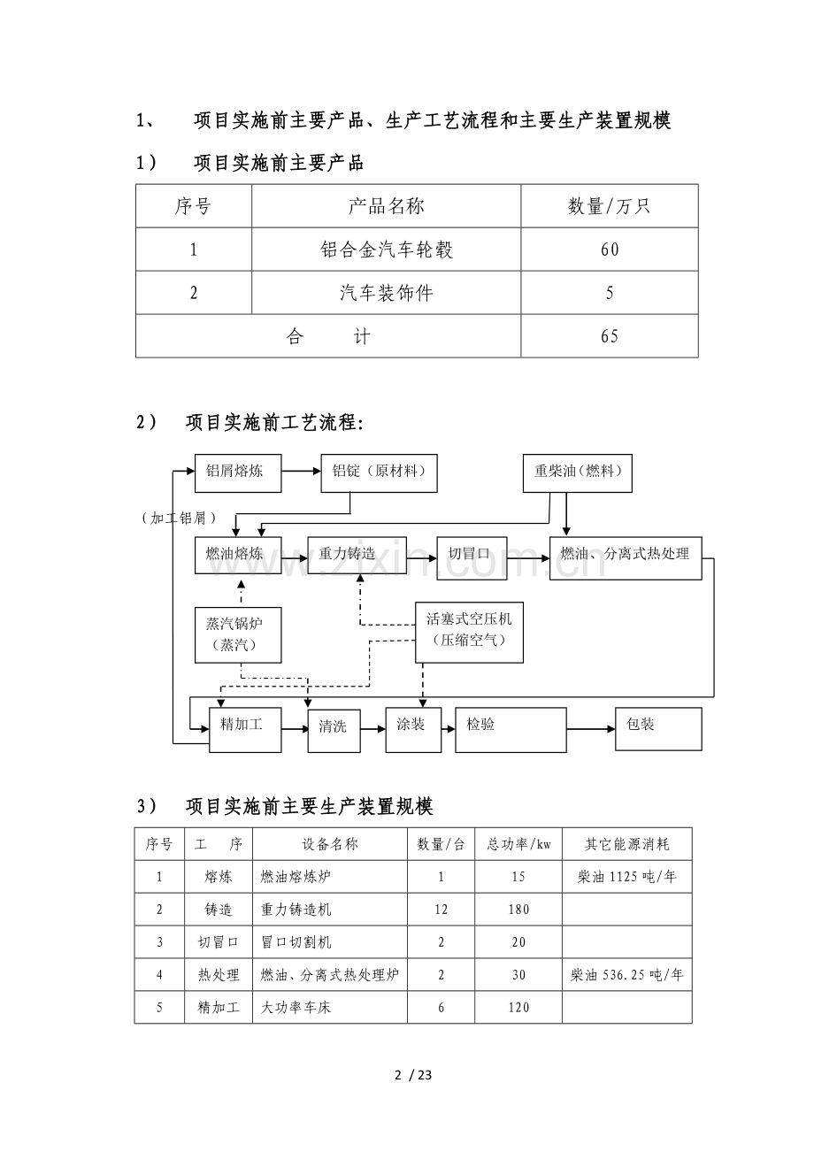
“油改气”及轮毂生产线综合节能改造 项目资金申请报告 一、 项目申请单位基本情况 XXXX轮毂制造有限公司,位于XXXX经济开发区,成立于2006年3月,注册资本2850万元,占地面积45650平方米,建筑面积31630平方米,是主营铝合金汽车轮毂及其他汽车零部件的生产、销售和开发的企业,其主导产品A356高档铝合金汽车轮毂及装饰件,主要装配于各种高档名牌轿车。产品远销美国、日本、德国、澳大利亚等国家和地区。具备年产100万只铝合金轮毂的生产能力,2012年实现销售3.6亿元,利税3550万元。是江苏省高成长型企业、江苏省首批科技型中小企业、江苏省信息化应用示范单位、江苏省创新型企业、高新技术企业。 公司现有员工400余人,各类工程技术人员85人,其中高级职称12人,中级职称23人,外藉专家2人。建有省级企业技术中心、省级铝合金轮毂工程技术研究中心、省级企业院士工作站各一座,近三年,共组织实施国家创新基金项目、火炬计划项目、国家重点新产品项目等国家级项目5项、省级科研项目12项。通过自主研发共申报国家各项专利62项,其中发明专利21项,授权专利39项,每年开发新产品10余款,年研发经费占公司年销售收入的4.8%以上,其生产的高档铝合金轮毂系列产品为江苏省高新技术产品。 1、 项目实施前主要产品、生产工艺流程和主要生产装置规模 1) 项目实施前主要产品 序号 产品名称 数量/万只 1 铝合金汽车轮毂 60 2 汽车装饰件 5 合 计 65 2) 项目实施前工艺流程: 重柴油(燃料) 铝锭(原材料) 铝屑熔炼 (加工铝屑) 燃油熔炼 燃油、分离式热处理 切冒口 重力铸造 蒸汽锅炉 (蒸汽) 活塞式空压机 (压缩空气) 精加工 清洗 检验 涂装 包装 3) 项目实施前主要生产装置规模 序号 工 序 设备名称 数量/台 总功率/kw 其它能源消耗 1 熔炼 燃油熔炼炉 1 15 柴油1125吨/年 2 铸造 重力铸造机 12 180 3 切冒口 冒口切割机 2 20 4 热处理 燃油、分离式热处理炉 2 30 柴油536.25吨/年 5 精加工 大功率车床 6 120 PLC数控车床 12 348 大功率加工中心 5 185 CNC立式加工中心 5 125 6 清洗 蒸汽锅炉 1 2 煤60吨/年 7 涂装 喷粉生产线 1 125 喷柒生产线 1 115 烘烤生产线 1 120 柴油138.75吨/年 8 检验 径向疲劳试验机 1 68 弯曲疲劳试验机 1 36 冲击试验机 1 24 X光检测仪 1 38 光谱分析仪 1 20 试漏机 4 60 动平衡机 2 30 9 相关辅助设备 制氮机 2 65 活塞式空气压缩机 4 240 铝屑回收炉 1 11 数控铣床 1 45 其它(拖动电机等) 102 520 合 计 175 2415 油1800吨/年, 煤60吨/年 2、 项目实施前能源等资源消耗种类、数量 序号 能源种类 数量 折标煤/吨 1 柴油 1800吨/年 2622.6.6 2 电力 650万kwh/年 2275 3 煤 100吨/年 60 合 计 4957.6 说明:折标系数:柴油----1.45吨标煤/吨;电力:3.5吨标煤/万kwh 3、 项目申请单位经济效益情况 XXXX轮毂制造有限公司,主营业务为铝合金汽车轮毂生产及销售。2011年实现销售21554.18万元,利润1944.0万元,税金692.85万元,2012年实现销售36452.21万元,利润3199.63万元,税金1003.88万元,较上年分别增长69.11%、64.59%、44.76%。2012年被地方政府评为“十佳最具成长型企业”,2012年未,企业总资产24442.44万元,资产负债率41.09%。银行信誉等级AAA级。 二、项目建设内容及进展情况 1、 项目建设的主要内容及所采用的主要技术 “油改气”及轮毂生产线节能改造项目,于2012年1月开工建设,2013年1月项目竣工投产,项目总投资2358.7万元,其中土建投资600万元,改造及扩建厂房及相关配套设施5100平方米。铺底流动资金等300万元。技术设备投资1458.7万元,购置SA螺杆压缩机4台、连熔式燃气熔炼炉1台、燃气推杆式连续热处理炉1台、全自动浇铸机等相关设备共16台(套),并对水、电、水系统进行适应性改造。重点对用能系统及生产线、空压机、热处理炉等高耗能工序进行节能改造。其主要改造内容有: 1)、能源系统优化---“油改气” 对能源系统进行优化,改燃油加热为燃气加热,即“油改气”; 2)、淘汰高耗能落后设备 对加工生产线进行节能改造,特别是熔炼、热处理、铸造等环节进行节能改造,淘汰高耗能落后设备; 3)、生产工艺节能改造 优化生产工艺流程,合并工艺,减少用能设备。 项目实施后,新生产线预计年可年产20万只轮毂,新增销售收入4800万元,利税695.6万元。年节约标煤908.83吨,减少铝烧损21吨。 2、采用的工艺路线与技术特点 (1)能源系统优化,即“油改气” 实行生产环节“油改气”,不仅能从源头上解决企业生产过程中的大气污染问题,而且对企业的经济效益、社会效益及环境效益起到极大的推动作用。 A、冷煤气及天然气的含尘量及其有害成分(如H2S)很低,不会污染铸造铝液,产品品质有保障。 B、热利用率可大同幅度提高,经测试热利用率从原来的68%提高到现在的85%。天然气完全燃烧所需的空气量近于理论需要的空气量,空气过剩系数1.05,比烧油少,容易调整火焰,减少不完全燃烧带来的热损失,由于过剩空气量的减少,废烟气的量减少,由废烟气带出的热损失将减少,从而提高了整套设备的热利用率。 C、温度容易控制。燃油加热对窑炉的温度不易控制,经常有温度想升升不起来,想降降不下去的情况发生。而应用冷煤气和天然气加热制品,如调节窑炉温度只须调节煤气阀和风阀的开度,非常简便,对于提高产品质量、改进产品生产工艺、改善劳动条件和环境卫生具有十分明显的效果。 D、余热得到利用。利用排烟道余热经过细长管型空气热交换器对烟气进行余热利用,产生蒸气供涂装前处理使用,减少了热能的损失。 我公司年产60万只铝合金轮毂,原熔铝炉、热处理炉及烘烤炉全部采用燃油供热,年总耗重柴油1800吨。同时冬季燃油需保温,涂装前处理需蒸汽处理,单设2t/h蒸汽锅炉一台,年耗原煤60余吨。现对熔炼及热处理环节进行“油改气”节能改造,新购燃气式连熔熔炼炉1台,推杆式连续热处理炉1台,全自动涂装生产线1条,淘汰原有的燃油熔炼炉、分离式燃油热处理炉及燃油烘烤涂装线,改燃油供热为燃气供热,通过“油改气”节能改造后,年用天然气172.77万立方米,年可节约标煤512吨。 (2)用能设备节能改造 因受建厂时行业整体技术设备的影响,加之刚入这个行业时对加工设备的不了解,许多设备耗能量较高,部分设备存在大马拉小车的现象。因此经公司研究决定,从2012年开始,逐步投入1458.7万元对生产设备进行技术改造。通过提高生产效率节减装机容量及采用变频调速等措施,年可节约标煤190吨。具体内容如下: A、高效机床生产线改造 铸造生产线:更换重力铸造机为低压铸造机 公司以前采用15台12KW的重力铸造机,现更换为10台15KW低压铸造机可节减装机容量30KW,由于低压铸造机自动化程度高,全部采用PLC操作,因而在节减装机容量的同时,工作效率提高了1.5倍。按年运行300天(三班)计算,年可节约标煤30*300*24*3.5/10000=75.6吨(1度电=350克标准煤)。 精加工生产线:采用先进的机加工设备,减少装机容量,使产品精度更高 针对精加工生产线存在大马拉小车现象,在技术改造时投入517.2万元增加了6台台中精机高效数控车床(16.6 KW/台),更换6台大功率车床(20KW/台)。结合原有的设备在车内孔、车亮面等精加工工序全部采用数控车床、CNC加工中心进行加工,通过数控编程,毛坯进入数控车床和加工中心,将产品全部的加工曲线及装配孔眼一次成形。杜绝手工操作等人为影响因素,使加工精度达到IT6级,从根本上保证了铝合金轮毂所要获得的精度条件,更换的大功率机床调至出口加工车间专做大尺寸越野改装车轮毂。本道工序共节减装机容量20.4KW。按年运行300天(三班)计算,年可节约标煤:20.4*300*24*3.5/10000=41.96吨标煤(1度电=350克标准煤)。 淘汰分离式热处理炉、燃油熔炼炉各一台 引进连续热处理炉1台、燃气熔炼炉1台。淘汰分离式电热处理炉及燃油熔炼炉各一台。节减装机容量5 KW,按年运行300天(三班)计算,年可节约标煤:5*300*24*3.5/10000=12.6吨标煤(1度电=350克标准煤)。 原有的分离式电热处理炉及燃油熔炼炉热效率低,温度难以控制,是公司的重点耗能环节,必须加以改造。 B、空压机改造 空气压缩机是一种利用电机将气体在压缩腔内进行压缩并使压缩的气体具有一定压力的机械设备。2012年初我公司共投入136万元对空压站进行改造:首先淘汰4台60KW活塞式空压机,新购进4台55KW螺杆式空压机,节减装机容量20KW,年节约用电:20*300*24*3.5/10000= 50.4吨标煤(1度电=350克标准煤)。 空压机改造后有以下优点: ①、分散、就近供气,减少管损,保证供气压力恒定,提高供气质量。 ②、自动控制,简便、高效、可靠。 ③、运转平稳,延长设备使用寿命,减少维护量,降低维修费用。 ④、经济,节约电能,大幅度降低系统的噪音。 (3)合并生产工序,提高工作效率 项目改造后工艺流程: 天然气(燃料) 铝锭(原料) 燃气熔炼 低压铸造 燃气连续热处理 螺杆式空气压缩机 (压缩空气) (加工铝屑) (烟道蒸汽) 机加工 检验 涂装 清洗 包装 工艺改造后节能效果: A、 节减了一道切冒口工序 公司以前采用15台18KW的重力铸造机,该设备生产时要进行预热、烤模、人工勺取浇铸,其工作量大、效率低、温度难以控制。而且因是重力铸造,造成冒口较大,毛坯加工余量大,加工时需用冒口切割机对冒口进行切割。设备改造后更换为10台20KW低压铸造机,该设备属精密铸造机械,设备自动化程度高,设备自动将铝水注入液压自动成型模中,利用液化原理,使压模快速啮合,通过低压一次成型,没有中间人工操作过程,而且冒口极小,可有效地避免重力铸造过程中存在的冒口及加工余量大等一系列问题,提高了产品的内在品质、综合成品率及铝水利用率,撤消了切冒口工序。此项改造可节减装机容量2台*10KW=20KW。按年工作300天(三班)计算,年节约标煤:20kw*300天*24小时*3.5/10000=50.4吨标煤(1度电=350克标煤)。 B、 撤掉了铝屑回收炉 改造前将加工铝屑先转化为再生铝锭,再投入熔炼炉进行生产。改造后,采用燃气连熔式熔炼炉,目前此节能熔铝炉的结构设置在国内处于领先水平。铝屑处理时,设置铝屑预烘区,铝屑在去杂质后直接进入铝水池进入熔炼,避免二次熔铝,减少一次铝材烧损和熔炼能耗。改造前将铝屑转化为再生铝锭每吨需要消耗标煤62.47kg,按2012年的铝屑产生量1100吨计算,可节约标煤:1100*62.47/1000=68.71吨。二次熔铝,可减少铝损21吨。其次,节减装机容量11 KW,年节能11*300*24*3.5/10000=27.72吨标煤。 C、 拆除蒸汽锅炉 采用燃气加热后,节省了燃油保温用的蒸汽耗能量,产品涂装前处理所需蒸汽采用熔铝炉的烟道余热供热的联线生产方式供应。拆除该道工序,年节减标煤60吨。 3、设备选型及主要技术经济指标 本项目生产设备:一是按照与生产能力相匹配的原则,根据设备的加工能力、规格、型号 和动力消耗,选择满足生产需求的设备。二是利于加工设备在生产线上相互配套的原则 ,要充分考虑到各工段、各流程设备的合理配套,保证各设备流量的相互平衡。三是考虑设备的先进性、经济性原则,应重视科技进步与科技投入,不断引进和吸收国内外最新技术成果和装备,尽可能选择精度高、性能优良的现代化技术装备。四是有利于产品改型及扩大生产规模的原则 。本次技术改造在设备选型上: 淘汰设备明细如下: 序号 设备名称 数量/台 功率/kw 总功率/ kw 1 燃油熔炼炉 1 15 15 2 燃油分离式热处理炉 1 30 30 3 重力铸造机 15 12 180 4 大功率车床 6 20 120 5 切冒口机 2 10 20 6 蒸汽锅炉 1 2 2 7 铝屑回收炉 1 11 11 8 活塞式空气压缩机 4 60 240 合计 31 618 新增设备如下: 序号 设备名称 单价 台数 总价 1 无氧自吸熔炼炉 192 1 192 2 连续热处理炉 185 1 185 3 空气压缩机 32 4 136 4 全自动浇铸机 62 2 124 8 台中精机数控车床 86.2 6 517.2 9 全自动涂装生产线 266.5 1 266.5 12 制氮机 38 1 38 合 计   16 1458.7 3、 项目进展情况 本项目自2012年1月份开工建设,2013年1月份竣工投产,项目建设期一年。其进度如下: 序号 内 容 2012 2013年 1 2 3 4 5 6 7 8 9 10 11 12 1 1 可行性研究 2 土建施工 3 设备选型招标 4 设备采购 5 设备安装调试 6 试生产 7 投 产 目前各设备经调试运行正常,项目产品已批量投产。 三、 节能减排效果分析 本项目已于2013年1月竣工投产,通过对近几个月来的运行情况进行分析及改造前后节能平台运行数据对比,改造后节能减排效果显著。 1、改造前后工作效率对比: 改造前工作效率: 热处理工序 空压机 机加工工序 铸造工序 65% 64% 70% 75% 改造后工作效率: 机加工工序 空压机 热处理工序 铸造工序 82% 85% 85% 90% 通过改造综合效率提高20%以上。 2、各改造环节能效果测算: l 能源系统优化—“油改气” 序号 名 称 改造前能源消耗(油) 改造后能源消耗(气) 1 熔炼 206.5kg/吨产品 187.5m3/吨产品 2 热处理 103 kg/吨产品 86.6 m3/吨产品 3 烘烤 36.5kg/吨产品 31.07 m3/吨产品 4 年总耗能量 1800吨柴油 172.77万立方天然气 5 折标煤(吨) 2610吨标煤 2098吨标煤 年节约能源 2610-2098=512吨标煤 说明:1、 年产能按8000吨计算; 2、 折标系数:柴油---1.45吨标煤/吨,天然气—12.143吨标煤/万立方米; 3、 数据来源于公司安装的节能平台及各班组运行记录。 l 设备节能改造 序号 工 序 改 造 前 改 造 后 设备名称 数量 总功率/kw 设备名称 数量 总功率/kw 1 熔 炼 燃油熔炼炉 1 15 燃气熔炼炉 1 12 2 铸 造 重力铸造机 15 180 低压铸造机 10 150 3 热处理 分离式燃油热处理炉 1 30 推杆式燃气热处理炉 1 28 4 精加工 大功率车床 6 120 RFCP630数控车床 6 99.6 5 空压机 活塞式空压机 4 240 螺杆式空压机 4 220 合 计 27 585 22 509.6 年节约能源 (585-509.6)kw *300天*24*3.5/10000=190吨标煤 说明:1、年运行时间:300天,三班制(24小时); 4、 折标系数:电力—3.5吨标煤/万kwh。 l 生产工艺节能改造 项目实施前工艺流程: 重柴油(燃料) 铝锭(原材料) 铝屑熔炼 (加工铝屑) 燃油熔炼 燃油、分离式热处理 切冒口 重力铸造 蒸汽锅炉 (蒸汽) 活塞式空压机 (压缩空气) 精加工 清洗 检验 涂装 包装 项目改造后工艺流程: 天然气(燃料) 铝锭(原料) 燃气熔炼 低压铸造 燃气连续热处理 螺杆式空气压缩机 (压缩空气) (加工铝屑) (烟道蒸汽) 机加工 检验 涂装 清洗 包装 1)节减了一道切冒口工序节能: 序号 设备名称 数量 总功率 年节能量 1 切冒口机 2 20 kw 20*300*24*3.5/10000=50.4吨标煤 说明:1、年运行时间:300天,三班制(24小时) 2、折标系数:电力—3.5吨标煤/万kwh 2)撤掉了铝屑回收炉: 设备 内 容 年节能量/吨标煤 年节材/吨 铝屑回收炉 电机节能 数量/台 总功率/ kw 11*300*24*3.5/10000=27.72 2 11 节减一道熔炼工序 数量/吨 吨耗能 68.71 1100 0.6247吨标煤 节减铝 烧损 数量/吨 烧损量 21 2100 1% 合 计 96.43 21 说明:1、年运行时间:300天,三班制(24小时) 2、折标系数:电力—3.5吨标煤/万kwh 3、铝屑量:按2009年2100吨计算。 3)拆除蒸汽锅炉: 此锅炉年耗能60吨标煤,拆除后可节约60吨标煤。 生产工艺改造年可节能:50.4+96.43+60=206.83吨标煤 3、年节能情况汇总: 序号 节能改造内容 节能量(吨标煤) 1 能源系统优化—油改气 512.00 2 用能设备节能改造 190.00 3 工序及工艺节能改造 206.83 合计 908.83 四、 项目投资及效益分析 1、项目投资及资金来源 项目总投资2358.7万元,其中土建投资600万元,技术设备投入1458.7万元,铺底流动资金300万元。 A、项目建设经费的支出 序 号 支出项目 投资金额 (万元) 所占比重 (%) 1 节能改造设备 1458.7 61.84 2 配套基建经费 600 25.43 3 辅底流动资金 300 12.73 合 计 2358.7 100 B、项目资金来源:企业自筹1508.7万元,银行贷款800万元,申请项目扶持资金50万元。 C、仪器设备添置清单(单位:万元) 序号 设备名称 单价 台数 总价 1 无氧自吸熔炼炉 192 1 192 2 连续热处理炉 185 1 185 3 空气压缩机 32 4 136 4 全自动浇铸机 62 2 124 8 台中精机数控车床 86.2 6 517.2 9 全自动涂装生产线 266.5 1 266.5 12 制氮机 38 1 38 合 计   16 1458.7 2、项目效益分析 项目建成后可年产20万只高强度铝合金轮毂。构成本项目产品的年生产成本因素主要有:原材料费用、模具费用,电、煤油等燃料费用,人员工资和设备折旧、财务成本、管理费用等。 (1)原材料、模具费用:原材料价格为17元/公斤,模具价格为3万元/套(可连续生产5万只),通用轮毂(以8kg/只计算)的原材料、模具成本约为136.6元/件; (2)燃料动力费用:耗能约为2元/公斤,通用轮毂燃料成本约为16元/件; (3)人员工资:人员成本为5元/公斤,通用轮毂人员成本约为40元/件; (4)财务费用:项目贷款800万元,贷款1年,年利率6.87%。财务费用成本2.75元/只。 (5)制造费用包括折旧费、损耗、测试以及其它各种间接费用等。根据项目投资,固定资产为2058.7万元,设备按照平均法10年折旧,残值为5%,厂房按照平均法30年折旧,残值为5%,每年折旧额为157.57万元。其他制造费用,根据产量不同,每年发生额不同,经测算单位产品折旧及其他制造费用为9.87元/件。 项目产品根据轮毂的规格和重量不同,出厂价格从200~400元不等,为方便计算,选取最大需求量型号产品计算,定为240元/件。 项目单位产品成本预算合计为205.22元,其中原辅材料成本占到总成本的66.56%,是构成产品生产成本的主要因素,详见表5-1。 表5-1 项目产品单位成本预测表 序号 名称 金额(元) 占比(%) 2 原辅材料 136.6 66.56 3 燃料和电力 16 7.79 4 人工成本 40 19.49 5 财务成本 2.75 1.34 6 制造(折旧)及相关费用 9.87 4.81 成本合计 205.22 100 项目投产后销售及利税(以年20万只计算): 序号 产品 年产量/只 成本单价/无 销售单价/元 年销售额/万元 利税/万元 1 铝合金轮毂 200000 205.22 240 4800 695.6 A、资本收益率及资本金净利润率 经过财务测算,本项目资本收益率及资本金净利润率较好,具体的计算结果见表5-2。 B、投资回收期 项目投资回收期是指以项目的净收益回收项目投资所需要的时间,从项目建成投产算起。投资回收期在3.4年 C、项目财务内部收益率 项目财务内部收益率是考察项目盈利能力的相对量指标,当项目的财务内部收益率大于设定的基准收益率时,认为项目的赢利性能够满足要求。 根据项目财务现金流量表测算,各项财务内部收益率都大于设定的基准收益率,本项目具体的财务内部收益率计算结果见表5-2。 表5-2 项目盈利指标 序号 指标 单位 数值 1 税前总投资收益率 % 29.49 2 资本金净利润率 % 29.94 3 投资回收期(所得税前) 年 3.4 综上所述,本项目实施后,新生产线可年20万只铝合金轮毂,新增销售收入4800万元,利税695.6万元。年节约用能908.83吨标煤,减少铝损耗21吨,节约生产成本158.27万元,新增就业人员68人。 五、项目建设各项配套落实情况 为了达到本项目同时设计、同时施工、同时建成投产,以确保在项目完成后,不会给周围环境带来新的污染。公司加大了这方面的投入,购置了比较先进的废水、废气处理设备,购置的生产设备兼顾节材、节能、节耗性能,力争在技术与装备上优于同行业。企业已通过ISO14001环境体系认证,并通过淮安市清洁生产验收。 本项目产品为高档铝合金汽车轮毂,主要加工工艺有铸造、机加工、涂装等。熔炼工艺先进,采用天然气燃烧加热,有效地减轻了粉尘及大气污染;铸造、机加工、涂装设备全封闭操作,无油污泄漏及噪音污染,对厂区及周边环境影响极小。本项目产品属于技术密集型产品,国家鼓励出口产品,污染程度低。主要污染物有:燃气加热过程中产生的废气排放,涂装轮清洗和热处理过程中产生的废水排放。公司对废气、废水的排放所采取的治理措施有: l 废气治理:一是尽量减少燃烧次数,新增了空气净化系统,回收的CO气体,回炉二次燃烧。二是废气经过湿式除尘处理,能使高温炉气和烟尘达标排放。 l 废水治理:涂装所产生的废水经厂区污水处理站的油水分离处理达标后排放,热处理采用循环用水,其中30%通向职工浴室,供三班工人洗浴,洗浴后的废水经厂区污水处理站进行生化处理达标排放。 l 无油污泄漏和噪音污染:生产设备为全封闭的数控车床、精铸机及喷涂线,边角料及加工铝屑100%回收利用。 l 加强室内通风:在生产车间内装设一定数量的轴流风扇,确保人员的身体健康。 l 厂区环境优雅。厂房布局整齐、合理,绿化率达40%,呈园林式工厂气派。生产全程实施清洁化生产,很大程度净化了公司及周边的生产生活环境。 XXXX轮毂制造有限公司 2013年6月18日 23 / 23
展开阅读全文

开通  VIP会员、SVIP会员  优惠大
下载10份以上建议开通VIP会员
下载20份以上建议开通SVIP会员


开通VIP      成为共赢上传

当前位置:首页 > 包罗万象 > 大杂烩

移动网页_全站_页脚广告1

关于我们      便捷服务       自信AI       AI导航        抽奖活动

©2010-2025 宁波自信网络信息技术有限公司  版权所有

客服电话:0574-28810668  投诉电话:18658249818

gongan.png浙公网安备33021202000488号   

icp.png浙ICP备2021020529号-1  |  浙B2-20240490  

关注我们 :微信公众号    抖音    微博    LOFTER 

客服