收藏 分销(赏)

钢筋混凝土简支T梁桥主梁配筋设计示例.doc

上传人:a199****6536 文档编号:10921520 上传时间:2025-06-21 格式:DOC 页数:22 大小:997.50KB 下载积分:10 金币
下载 相关 举报
钢筋混凝土简支T梁桥主梁配筋设计示例.doc_第1页
第1页 / 共22页
钢筋混凝土简支T梁桥主梁配筋设计示例.doc_第2页
第2页 / 共22页


点击查看更多>>
资源描述
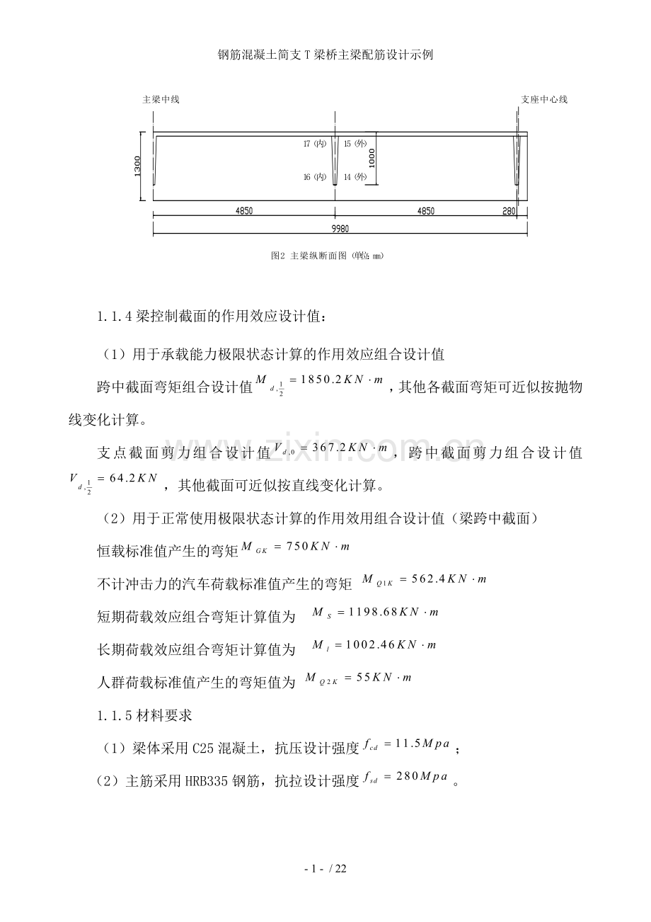
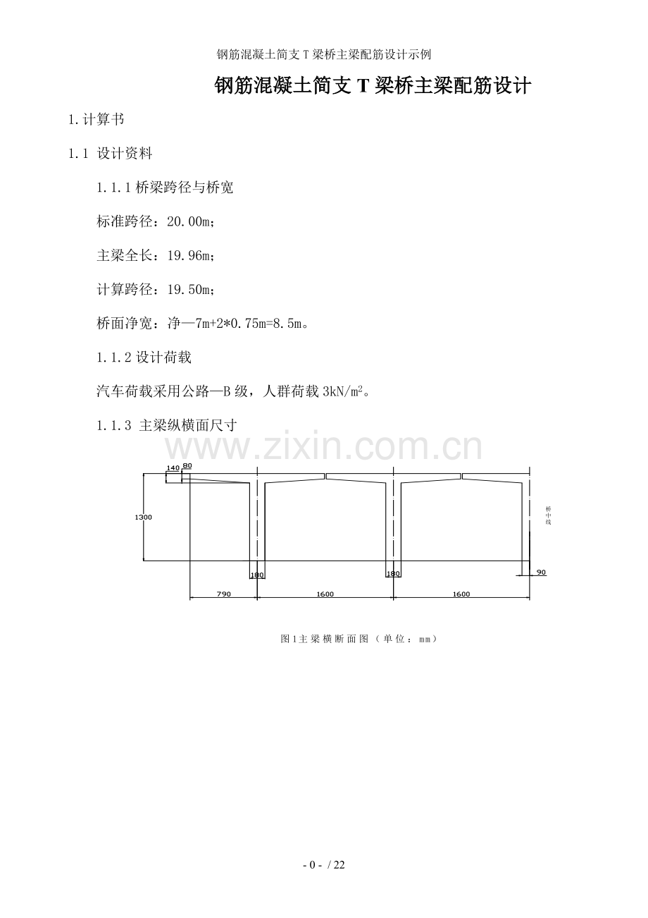
钢筋混凝土简支T梁桥主梁配筋设计示例 钢筋混凝土简支T梁桥主梁配筋设计 1.计算书 1.1 设计资料 1.1.1桥梁跨径与桥宽 标准跨径:20.00m; 主梁全长:19.96m; 计算跨径:19.50m; 桥面净宽:净—7m+2*0.75m=8.5m。 1.1.2设计荷载 汽车荷载采用公路—B级,人群荷载3kN/m2。 1.1.3 主梁纵横面尺寸 1.1.4梁控制截面的作用效应设计值: (1)用于承载能力极限状态计算的作用效应组合设计值 跨中截面弯矩组合设计值,其他各截面弯矩可近似按抛物线变化计算。 支点截面剪力组合设计值,跨中截面剪力组合设计值,其他截面可近似按直线变化计算。 (2)用于正常使用极限状态计算的作用效用组合设计值(梁跨中截面) 恒载标准值产生的弯矩 不计冲击力的汽车荷载标准值产生的弯矩 短期荷载效应组合弯矩计算值为 长期荷载效应组合弯矩计算值为 人群荷载标准值产生的弯矩值为 1.1.5材料要求 (1)梁体采用C25混凝土,抗压设计强度; (2)主筋采用HRB335钢筋,抗拉设计强度。 1.2 截面钢筋计算 1.2.1跨中截面的纵向受拉钢筋的计算 由设计资料查附表得,,,,弯矩计算值 1、计算T形截面梁受压翼板的有效宽度: 图2 跨中截面尺寸图(尺寸单位:mm) 为了便于计算,将图2(a)的实际T型截面换算成图2(b)所示的计算截面 其余尺寸不变,故有: (1) (为主梁计算跨径) (2) (3)(等于相邻两梁轴线间的距离) 取上述三个数据中最小的值,故取 2、因采用的是焊接钢筋骨架,设钢筋重心至梁底的距离,则梁的有效高度即可得到,。 3、判断T形梁截面类型 由 判断为Ⅰ类T形截面, 4、受压区高度 可由式(3-41)即得到 整理后,可得到 舍去 适合 5、主筋面积计算 将各已知值与代入式(3-40),即, 求出 根据以下原则: a、选用钢筋的总面积应尽量接近计算所需的钢筋; b、梁内主筋直径不宜小于10mm,也不能大于40mm,一般为12~32mm,本设计采用16mm和32mm两种钢筋搭配,选用8¢32+4¢16,截面面积为7238mm2;钢筋叠高层数为6层, c、受拉钢筋的布置在满足净保护层的条件下,应尽量靠近截面的下边缘,钢筋的净距和叠高都满足构造要求。故混凝土厚度取与附表1-8中规定的30mm,钢筋间横向净距不满足构造要求。 故应选用直径较小的组合选用8¢28+4¢16,混凝土保护层厚度取与附表1-8中规定的30mm,钢筋间横向净距,且满足的构造要求。总的钢筋截面面积为8*615.8+4*201.1=5730.4mm2,接近,满足要求,钢筋布置图见图3 图3钢筋布置图 6、截面复核 已设计的受拉钢筋中8¢28的截面面积为615.8*8≈4926mm2,4¢16的截面面积为4*201.1≈804mm2,。由图3钢筋布置图可求得,即 则有效高度 ①、由式(3-46)计算 ,故为第一类T形截面 ②、受压高度 由式(3-40),求得 ③、正截面抗弯承载力 由式(3-41),求得正截面抗弯承载力 又,故截面复核满足要求。 1.2.2腹筋的计算 1、检查截面尺寸 根据构造要求,梁最底层钢筋2¢28通过支座截面,支座截面有效高度 截面尺寸符合设计要求 {判断依据:检查截面尺寸(由抗剪上限值控制),要求(式中为支点剪力组合设计值,为支点截面有效高度),否则修改尺寸。(式中为支点剪力组合设计值,为支点截面有效高度),否则修改尺寸。} 2、检查是否需要设置腹筋 (1)跨中段截面 (1)支座截面 因,故可在梁跨中的某长度范围内按构造配置钢筋,其余区段可应按计算配置腹筋。 {判断依据:检查是否需要设置腹筋 (1)若,则不必按计算设置腹筋,只需要按构造要求配钢筋(R235钢筋时,,HRB335钢筋时,) (2)若,需要进行腹筋设计} 3、剪力图分配 {计算步骤: (1)绘制剪力沿跨径变化的图; (2)求出按构造配置钢筋的长度l; (3)由剪力包络图求出距支座中心线h/2处的计算剪力,其中由混凝土箍筋承担的剪力为,由弯起钢筋承担的剪力为。} 计算: 在图4所示的剪力包络图中,支点处剪力计算值,跨中处剪力计算值。 的截面距跨中截面的距离可由剪力包络图按比例求得,为 在长度内可按构造要求布置钢筋。同时根据《公路桥规》规定,在支座中心线向跨径长度方向不小于1倍梁高范围内,钢筋的间距最大为100mm。 图4.计算剪力分配图 距支座中心线的h/2处的计算剪力值(V’)由剪力包络图按比例求得,为 其中应由混凝土和箍筋承担的剪力计算值至少为;应由弯起钢筋(包括斜筋)承担的剪力计算值最多为,设置弯起钢筋区段长度为4560mm。 4、箍筋计算 {计算依据: 常用箍筋直径应不小于8mm,且不小于1/4主筋直径和股数,再按下式计算箍筋间距:(mm) 式中:—距支座中心h/2处截面上的计算剪力值(KN) P—斜截面内纵向受拉钢筋的配筋率,,,当时,取; —异号弯矩影响系数。计算简支梁和连续梁近边支点梁段的抗剪承载力时,;计算连续梁和悬臂梁近中支点梁段的抗剪承载力时, —受压翼缘的影响系数。; —通过斜截面受压区顶端截面上的有效高度,自纵向受拉钢筋合力点到受压边缘的距离(mm); —斜截面受压端正截面上的有效高度,自纵向受拉钢筋合力点到受压边缘的距离 (mm); —混凝土强度等级(Mpa); —箍筋的抗拉强度设计值(Mpa),取值不宜大于280Mpa。} 计算: 采用直径为8mm的双肢箍筋,箍筋截面积 在等截面钢筋混凝土简支梁中,箍筋尽量做到等距离布置。为计算简便按式(4-5)设计箍筋时,式中的斜截面内纵筋配筋百分率p与斜截面有效高度可近似按支座截面和跨中截面的平均值取用,计算如下: 跨中截面 ,取, 支点截面 , 则平均值分别为, 箍筋间距为 = 334mm 确定箍筋间距的设计值尚应考虑《公路桥规》的构造要求。 若箍筋间距计算值取与400mm,是满足规范要求的,但采用¢8双肢箍筋,箍筋配筋率(R235钢筋时),故不满足规范规定。现取计算的箍筋配筋率,且不小于和400mm。 综合上述计算,在支座中心向跨径长度方向的1300mm范围内,设计箍筋间距,尔后至跨中截面统一的箍筋间距取。 5、弯起(斜筋)计算 {计算步骤: (1)第一道斜筋按设计计算 (mm2) 式中:为所需的第一道弯筋面积 (2)计算i点截面处的剪力(如图4所示)。对于第二道斜筋,,由此可求得 ,同样按照上述方法确定由主筋弯起还是需另加斜筋。直到i点在c点之右为止,从而得到全部斜筋按斜截面抗剪确定的初弯起位置。 (3)按同时满足梁跨间隔正截面和斜截面的抗弯要求确定弯起钢筋的最终弯起点的位置。} 计算: 设焊接钢筋骨架的架立钢筋(HRB335)为¢22,钢筋重心至梁受压翼板上边缘距离。 弯起钢筋的弯起角度为45°,弯起钢筋末端与架立钢筋焊接。为了得到每对弯起钢筋分配的剪力,由各排弯起钢筋的末端折点应落在前一排弯起钢筋的构造规定来得到各排弯起钢筋的弯起点计算位置,首先要计算弯起钢筋上、下弯点之间垂直距离 见图5 现拟弯起N1~N5钢筋,将计算的各排弯起钢筋弯起点截面的以与至支座中心距离、分配的剪力计算值、所需的弯起钢筋面积列入表1中。现将表1中有关计算如下: 根据《公路桥规》规定,简支梁的第一排弯起钢筋(对支座而言)的末端弯起点应位于支座中心截面处。这时,为 表1弯起钢筋计算表 弯起点 1 2 3 4 5 △hi(mm) 1125 1 1017 距支座中心距离xi(mm) 1125 22 321 分配的计算剪力值Vsbi(KN) 166.51 149.17 109.36 70.88   需要的弯筋面积Asbi(mm2) 1121 1005 736 477   可提供的弯筋面积Asbi(mm2) 16 02   弯筋与梁轴交点到支座中心距离x'c(mm) 564 1690 2779 3841   弯筋的弯起角为45°,则第一排弯筋(2N5)的弯起点1距支座中心距离为1134mm。弯筋与梁纵轴线交点1′距支座中心距离为 对于第二排弯起钢筋,可得到 弯起钢筋(2N4)的弯起点2距支点中心距离为 分配给第二排弯起钢筋的计算剪力值,由比例关系计算可得到: 得 其中,;;设置弯起钢筋区段长为4560mm。 所需要提供的弯起钢筋截面积()为 ①、绘制弯矩包络图 包络图是在荷载作用下沿跨径变化最大弯矩图。严格的绘制方法应按梁上各截面的弯矩影响线布置荷载而求得。但一般中小桥可根据?求得的跨中弯矩近似按抛物线规律求出梁上其他位置的值,再连成圆顺的曲线,即得弯矩包络图,简支梁弯矩包络图抛物线公式近似为: 式中:—从跨中算起,即跨中纵坐标为0,支点纵坐标;(图5) 计算如下: 先按抛物线公式近似求出控制截面的弯矩值。已知,,,配置跨中截面钢筋,具体尺寸见图6 (跨中处): : : : : 通过以上五个控制截面,就可以把他们连接成一光滑的曲线。所得到的图7(a、b)的弯矩包络图。 ②、绘制承载能力图 承载能力图就是沿梁长各截面所能承受的最大弯矩图。他是根据沿跨径各截面的主筋所能承受的最大弯矩绘制的。 计算如下:跨中截面尺寸与配筋见图6 (1)跨中截面:配有6¢32+61¢6共6对钢筋 钢筋中心至梁底缘的距离 (翼缘平均厚度) 故按Ⅰ类截面计算 从上述计算可知确实属于Ⅰ类截面。 故有: (2)弯起或截断一对2¢16钢筋后: 钢筋中心至梁底缘的距离 (翼缘平均厚度) 故按Ⅰ类截面计算 从上述计算可知确实属于Ⅰ类截面。 故有: (3)弯起或截断两对4¢16钢筋后: 解得 (4)弯起或截断三对6¢16钢筋后: 解得 (5)弯起或截断四对6¢16+2¢32钢筋后: 解得 (6)弯起或截断五对6¢16+4¢32钢筋后: 解得 由以上所求得的承载力值就可做出承载能力图 根据按抗剪要求,现求得斜筋位置分别为93cm、182 cm、268 cm、345 cm、441 cm(均系距支点的距离)。假设全部利用主筋弯起,且认为弯起钢筋的面积均能满足计算的要求,(若不能满足,则需另加斜筋)这样就可得到如图7(a)的承载力图,即ABCDEFGHIJKL所连成的折线。在绘制承载力图时,一般认为弯筋进入受压后不能承受弯矩,在受拉区承受的弯矩是直线变化的,并假设中和轴近似取在梁高一半处,则得到图7(a)的BC、DE、FG、HI、JK等斜线。 1.2.3全梁承载能力校核与构造要求 此项工作是通过弯矩包络图与承载力图的比较,看是否满足下列规定, (1)理论弯起点应在正截面抗弯计算需要该钢筋强度全部被发挥的截面(以下简称为充分利用点)以外,其距离不小于处,如图7(a)M点是N4钢筋(2¢16)充分利用点,G点是N4钢筋的弯起点,即要求。 (2)弯起钢筋与梁中心线的交点,应在按抗弯计算不需要该钢筋的截面(下面简称不需要点)以外,或者说承载力图在弯矩包络图以外。如图7(a)N点是N4钢筋不需要点(N点是N3钢筋充分利用点),即要求F点在N点以外。由图看出N点是N4钢筋满足本条规定。 (3)在钢筋混凝土梁的支点处,应至少有两根并不少于20%主钢筋通过,本设计以2N1钢筋伸入支座,其截面积为16.09cm2(2¢32)>60.30×20%=12.06 cm2,满足规定。 (4)按规范要求,简支梁第一对(对支座而言)弯起钢筋末端弯折点应位于中心截面处,以后各对弯起钢筋的末弯起点应落在或超过前一对弯起钢筋弯起点截面(即相邻两斜筋的首尾要求相互搭接或衔接,保证任意截面上都有斜筋)。从图7(a)的弯矩包络图和承载能力比较不难看出,满足抗剪要求的前提下,承载能力不仅满足而且有很大富裕,满足以上各条规定,又考虑省钢筋。我们可以考虑将N6、N5钢筋在适当位置截断(注意在钢筋骨架中,截断钢筋必须满足锚固长度要求“JTJ023-85规范”第6.2.5条。在焊接的钢筋骨架中截断钢筋时必须留有足够的焊接长度,其焊接长度不得小于被截断钢筋直径的五倍)。如图7(b)所示,pp’≮5d,MM‘≮5d。由于N6、N5钢筋钢筋均被截断,为满足K点的抗剪要求,可将N4钢筋提前在K点(K点为原N6弯筋的理论弯起点)所对应的截面起弯(调整后的承载能力也可以满足 )又为满足原N5理论弯起点Ⅰ的抗剪要求,可在Ⅰ所对应的截面另增设2¢16斜筋。由于N4钢筋提前至K点弯起,则在G点所对应的截面应增设2¢16斜筋,这样G点对应的截面抗剪要求也能满足了。N2、N3钢筋的承载能力另有富裕,当不宜再调整。 如果G点所对应的截面根据抗剪要求需要斜筋面积大于2¢16,则此时可采用4¢16或2¢22。采用4¢16时,不宜将增加的两对斜筋并列放在同一斜截面上。此时还必须适当的调整相邻斜筋的位置,即N3弯筋可推迟(向支座方向)起弯。调整后的钢筋图与其相应的承载能力图如图7(b)所示。 (5)当梁高h〉1m时,梁肋两侧要设水平钢筋,其直径为6—10mm,其面积应不小于规范的要求: 6、斜截面的抗剪强度复核 (1)确定验算斜截面的具体位置 a、距支点中心h/2; b、起弯点截面与受拉钢筋不受力处的截面; c、箍筋数量发生变化处的截面; d、梁肋宽度改变处截面。 (2)计算截面的抗剪承载能力 式中要求: —预应力提高系数。对钢筋混凝土受弯构件,; —斜截面内纵向受拉钢筋的配筋率,,,当时,取 —箍筋配筋率,见式(4-2) —箍筋的抗拉强度设计值(Mpa),取值不宜大于280Mpa; —普通弯起钢筋的抗拉强度设计值(Mpa); —普通弯起钢筋与构件纵向轴线的夹角; —验算斜截面受压区顶端正截面上的腹板厚度(mm); —验算斜截面受压端正截面上的有效高度,自纵向受拉钢筋合力点到受压边缘的距离(mm); —斜截面所穿过的,在一个弯起钢筋平面内的弯起钢筋总截面面积(mm2),其他符号同前; 1.2.3变形和裂缝宽度验算 1、变形验算 (1)钢筋混凝土简支梁跨中最大绕度可按下列近似计算: 式中: —计算跨径; —使用荷载计算弯矩; —开裂构件等效截面的抗弯刚度; —全截面的抗弯刚度,; —开裂截面的抗弯刚度,; —混凝土的弹性模量; —按短期效应组合计算的弯矩值; —开裂弯矩,; —混凝土轴心抗压强度标准值; —构件受拉区混凝土塑形影响系数,; —全截面换算截面惯性矩; —全截面换算截面重心轴以上(或以下)部分面积对重心轴的面积距; —换算截面抗裂验算边缘的弹性抵抗矩; —开裂截面的换算截面惯性矩。 要求:按荷载短期效应组合和给定的刚度计算的挠度值,再乘以挠度长期增长系数,计算得到的长期挠度值,在消除结构自重产生的长期挠度后不应超过l/600。 (2)当由荷载短期效应组合并考虑荷载长期效应影响产生的长期挠度超过或等l/1600(l为计算跨径)时,要设预拱度。预拱度值按结构自重和1/2可变荷载频遇值计算的长期挠度值之和采用,即 预拱度值 式中: —恒载引起的长期竖向挠度; —可变荷载频遇值产生的长期竖向挠度; 2、裂缝宽度验算 mm 式中:—考虑钢筋表面形状的系数,受力纵筋为螺纹筋时,; —作用(或荷载)长期效应影响系数,,其中Nl(即Ml=1002.46KN·m)和Ns(即Ms=1198.68KN·m)分别按作用(或荷载)长期效应组合和短期效应组合计算的内力值; —与构件受力性质有关的系数,当为板式受弯构件时,;其他受弯构件时,;偏心受拉构件时,;大偏心受压构件时,;轴心受拉构件时,; —纵向受拉钢筋的直径(mm);当不同直径的钢筋时, 式中:对钢筋混凝土构件,为受拉区第种普通钢筋的根数,为受拉区第种普通钢筋的公称直径。对于焊接钢筋骨架,式中的或应乘以1.3的系数; —含筋率,,当时,取;当时,取; —受拉钢筋在使用荷载作用下的应力(Mpa),可按下列近似公式计算: —钢筋弹性模量(Mpa) - 21 - / 22
展开阅读全文

开通  VIP会员、SVIP会员  优惠大
下载10份以上建议开通VIP会员
下载20份以上建议开通SVIP会员


开通VIP      成为共赢上传

当前位置:首页 > 环境建筑 > 其他

移动网页_全站_页脚广告1

关于我们      便捷服务       自信AI       AI导航        抽奖活动

©2010-2026 宁波自信网络信息技术有限公司  版权所有

客服电话:0574-28810668  投诉电话:18658249818

gongan.png浙公网安备33021202000488号   

icp.png浙ICP备2021020529号-1  |  浙B2-20240490  

关注我们 :微信公众号    抖音    微博    LOFTER 

客服