收藏 分销(赏)

主要经济技术指标.doc

上传人:人****来 文档编号:10697801 上传时间:2025-06-10 格式:DOC 页数:3 大小:147.51KB 下载积分:5 金币
下载 相关 举报
主要经济技术指标.doc_第1页
第1页 / 共3页
主要经济技术指标.doc_第2页
第2页 / 共3页


点击查看更多>>
资源描述
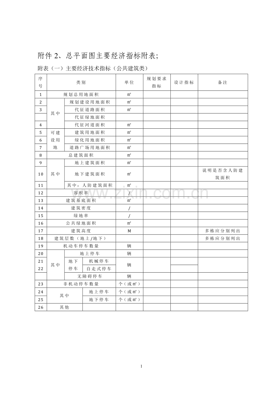
附件2、总平面图主要经济指标附表; 附表(一)主要经济技术指标(公共建筑类) 序号 类别 单位 规划要求指标 设计指标 备注 1 规划总用地面积 ㎡ 2 其中 规划建设用地面积 ㎡ 3 代征道路面积 ㎡ 代征绿地面积 4 代征河道面积 ㎡ 5 可建设用地 建筑用地面积 ㎡ 6 绿化用地面积 ㎡ 7 道路广场用地面积 ㎡ 8 总建筑面积 ㎡ 9 其中 地上建筑面积 ㎡ 10 地下建筑面积 ㎡ 说明是否含人防建筑面积 11 其中:人防建筑面积 ㎡ 12 容积率 / 13 建筑基底面积 ㎡ 14 建筑密度 / 15 绿地率 / 16 公共绿地面积 ㎡ 17 建筑高度 M 多栋应分别列出 18 建筑层数(地上/地下) 多栋应分别列出 19 机动车停车数量 辆 20 其中 地上停车 辆 21 22 地下停车 机械停车 辆 自走式停车 无障碍停车 辆 23 非机动停车数量 个(或㎡) 24 其中 地上停车 个(或㎡) 25 地下停车 个(或㎡) 26 其他 附表(二)主要经济技术指标(居住建筑类) 类别 单位 规划要求指标 设计指标 备注 建设用地面积 ㎡ 总建筑面积 ㎡ 地上建筑面积 ㎡ 其中 住宅建筑面积 ㎡ 公共建筑面积 ㎡ 其中 幼儿园 ㎡ 办公、商业等 ㎡ 消防控制室 ㎡ 办公 ㎡ 基层社区中心 ㎡ 物业管理用房 ㎡ 总建筑面积的4‰ 市政设施 ㎡ 其中 配电(如变电所开关站) ㎡ 燃气调压站 ㎡ 公厕 ㎡ 门卫 ㎡ 地下建筑面积 ㎡ 其中 地下汽车库建筑面积 ㎡ 地下非机动车库建筑面积 ㎡ 人防建筑面积 m 建筑基底面积 ㎡ 集中绿地面积 ㎡ 容积率 建筑密度 % 绿地率 % 居住户数 户 人均公共绿地面积 ㎡ 机动车停车数量 辆 其中 地上停车 辆 地下停车 机械停车 辆 自走式停车 无障碍停车 辆 非机动停车数量 个(或㎡) 其中 住宅停车位 个(或㎡) 配套设施停车位 个(或㎡) 注:表格分项根据相关规划指标要求的公共和市政配套设施增减 附表(三)停车配建指标 地块机动车配建指标表 建筑类型 计算单位 机动车指标 应配建车位数(辆) 实际配建车位数(辆) 住宅 S≤90㎡ 车位/户 1.0 XX 90<S≤144㎡ 车位/户 1.2 XX 未分户 车位/100㎡建筑面积 1.1 幼儿园 教工 车位/100教工 2.0 学生临时接送 车位/100学生 4.0 饭店、宾馆、培训中心 车位/客房 0.5 XX 商务办公 车位/100㎡建筑面积 2.0 商业 配套商业设施 车位/100㎡建筑面积 0.6 大型超市 车位/100㎡建筑面积 1.3 独立餐饮娱乐 车位/100㎡建筑面积 3.0 影剧院 车位/100座位 3.0 主题公园 车位/公顷占地面积 10.0 总计 — — XX 注:1.表格分项根据相关规划指标要求的公共和市政配套设施增减; 2.机动车配建比率按照最新的南京市建筑物配建停车设施设置标准与准则执行. 地非块机动车配建指标表 建筑类型 计算单位 机动车指标 应配建车位数(辆) 实际配建车位数(辆) 住宅 S≤90㎡ 车位/户 1.8 XX 90<S≤144㎡ 车位/户 1.8 XX 未分户 车位/100㎡建筑面积 2.0 幼儿园 车位/100师生 5.0 饭店、宾馆、培训中心 车位/客房 1.0 XX 商业设施 车位/100㎡建筑面积 2.0 独立餐饮娱乐 车位/100㎡建筑面积 1.0 影剧院 车位/100座位 2.0 主题公园 车位/公顷占地面积 5.0 总计 — — XX 注:1.表格分项根据相关规划指标要求的公共和市政配套设施增减; 2.非机动车配建比率按照最新的南京市建筑物配建停车设施设置标准与准则执行. 3
展开阅读全文

开通  VIP会员、SVIP会员  优惠大
下载10份以上建议开通VIP会员
下载20份以上建议开通SVIP会员


开通VIP      成为共赢上传

当前位置:首页 > 包罗万象 > 大杂烩

移动网页_全站_页脚广告1

关于我们      便捷服务       自信AI       AI导航        抽奖活动

©2010-2026 宁波自信网络信息技术有限公司  版权所有

客服电话:0574-28810668  投诉电话:18658249818

gongan.png浙公网安备33021202000488号   

icp.png浙ICP备2021020529号-1  |  浙B2-20240490  

关注我们 :微信公众号    抖音    微博    LOFTER 

客服