收藏 分销(赏)

砌石工程施工记录.doc

上传人:綻放 文档编号:10681500 上传时间:2025-06-08 格式:DOC 页数:26 大小:9.82MB 下载积分:9 金币
下载 相关 举报
砌石工程施工记录.doc_第1页
第1页 / 共26页
砌石工程施工记录.doc_第2页
第2页 / 共26页


点击查看更多>>
资源描述
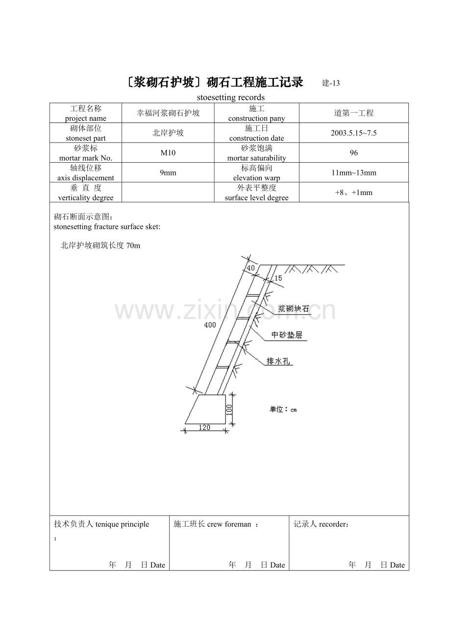
〔浆砌石护坡〕砌石工程施工记录 建-13 stoesetting records 工程名称 project name 幸福河浆砌石护坡 施工 construction pany 道第一工程 砌体部位 stoneset part 南岸护坡 施工日 construction date 2003.5.15~7.5 砂浆标 mortar mark No. M10 砂浆饱满 mortar saturability 96 轴线位移 axis displacement 12mm 标高偏向 elevation warp 11mm~15mm 垂 直 度 verticality degree 外表平整度 surface level degree +10、-8mm 砌石断面示意图: stonesetting fracture surface sket: 南岸护坡砌筑长度20m 技术负责人tenique principle : 年 月 日Date 施工班长crew foreman : 年 月 日Date 记录人recorder: 年 月 日Date 〔浆砌石护坡〕砌石工程施工记录 建-13 stoesetting records 工程名称 project name 幸福河浆砌石护坡 施工 construction pany 道第一工程 砌体部位 stoneset part 北岸护坡 施工日 construction date 2003.5.15~7.5 砂浆标 mortar mark No. M10 砂浆饱满 mortar saturability 96 轴线位移 axis displacement 9mm 标高偏向 elevation warp 11mm~13mm 垂 直 度 verticality degree 外表平整度 surface level degree +8、+1mm 砌石断面示意图: stonesetting fracture surface sket: 北岸护坡砌筑长度70m 技术负责人tenique principle : 年 月 日Date 施工班长crew foreman : 年 月 日Date 记录人recorder: 年 月 日Date 〔挡土墙〕砌石工程施工记录 建-13 stoesetting records 工程名称 project name 河镇蓄水池挡土墙 施工 construction pany 道第一工程 砌体部位 stoneset part 挡土墙墙体 施工日 construction date 2002.6.11~7.18 砂浆标 mortar mark No. M10 砂浆饱满 mortar saturability 97% 轴线位移 axis displacement 24mm 标高偏向 elevation warp 15mm~26mm 垂 直 度 verticality degree +11、+2mm 外表平整度 surface level degree +9、-7mm 砌石断面示意图: stonesetting fracture surface sket: 0.4m C20砼压顶 0.2m Φ50塑料排水 每2m一根 2.2m 道 墙体 3m 0.2m 1.35m 0.3m 毛石根底 碎石垫层 0.85m 0.45m 技术负责人tenique principle : 年 月 日Date 施工班长crew foreman : 年 月 日Date 记录人recorder: 年 月 日Date 〔浆砌石护坡〕砌石工程施工记录 建-13 stoesetting records 工程名称 project name 泰山溢洪河浆砌石护坡 施工 construction pany 道第一工程 砌体部位 stoneset part 护坡 施工日 construction date 2002.6.15~7.15 砂浆标 mortar mark No. M10 砂浆饱满 mortar saturability 98 线位移 axis displacement 20mm 标高偏向 elevation warp 10mm~14mm 垂 直 度 verticality degree 外表平整度 surface level degree +8、12mm 砌石断面示意图: stonesetting fracture surface sket: 护坡长度各为55.4m 技术负责人tenique principle : 年 月 日Date 施工班长crew foreman : 年 月 日Date 记录人recorder: 年 月 日Date 〔浆砌石护坡〕砌石工程施工记录 建-13 stoesetting records 工程名称 project name 新河浆砌石护坡 施工 construction pany 道第一工程 砌体部位 stoneset part 东岸护坡 施工日 construction date 2003.6.16~7.28 砂浆标 mortar mark No. M10 砂浆饱满 mortar saturability 96 轴线位移 axis displacement 11mm 标高偏向 elevation warp 11mm~20mm 垂 直 度 verticality degree 外表平整度 surface level degree +3、-5mm 砌石断面示意图: stonesetting fracture surface sket: 东岸护坡砌筑长度33m 技术负责人tenique principle : 年 月 日Date 施工班长crew foreman : 年 月 日Date 记录人recorder: 年 月 日Date 〔浆砌石护坡〕砌石工程施工记录 建-13 stoesetting records 工程名称 project name 新河浆砌石护坡 施工 construction pany 道第一工程 砌体部位 stoneset part 西岸护坡 施工日 construction date 2003.6.16~7.28 砂浆标 mortar mark No. M10 砂浆饱满 mortar saturability 96 轴线位移 axis displacement 12mm 标高偏向 elevation warp 11mm~20mm 垂 直 度 verticality degree 外表平整度 surface level degree +11、-9mm 砌石断面示意图: stonesetting fracture surface sket: 西岸护坡砌筑长度33m 技术负责人tenique principle : 年 月 日Date 施工班长crew foreman : 年 月 日Date 记录人recorder: 年 月 日Date 〔浆砌石护坡〕砌石工程施工记录 建-13 stoesetting records 工程名称 project name 永丰河浆砌石护坡 施工 construction pany 道第一工程 砌体部位 stoneset part 东岸护坡 施工日 construction date 2003.5.10~6.14 砂浆标 mortar mark No. M10 砂浆饱满 mortar saturability 95 轴线位移 axis displacement 15mm 标高偏向 elevation warp 15mm~20mm 垂 直 度 verticality degree 外表平整度 surface level degree +7、-8mm 砌石断面示意图: stonesetting fracture surface sket: 东岸护坡砌筑长度32m 技术负责人tenique principle : 年 月 日Date 施工班长crew foreman : 年 月 日Date 记录人recorder: 年 月 日Date 〔浆砌石护坡〕砌石工程施工记录 建-13 stoesetting records 工程名称 project name 永丰河浆砌石护坡 施工 construction pany 道第一工程 砌体部位 stoneset part 西岸护坡 施工日 construction date 2003.5.10~6.14 砂浆标 mortar mark No. M10 砂浆饱满 mortar saturability 95 轴线位移 axis displacement 12mm 标高偏向 elevation warp 13mm~21mm 垂 直 度 verticality degree 外表平整度 surface level degree +6、-12mm 砌石断面示意图: stonesetting fracture surface sket: 西岸护坡砌筑长度32m 技术负责人tenique principle : 年 月 日Date 施工班长crew foreman : 年 月 日Date 记录人recorder: 年 月 日Date 〔浆砌石护坡〕砌石工程施工记录 建-13 stoesetting records 工程名称 project name 浦河浆砌石护坡 施工 construction pany 道第一工程 砌体部位 stoneset part 东岸护坡 施工日 construction date 2003.5.28~6.30 砂浆标 mortar mark No. M10 砂浆饱满 mortar saturability 97 轴线位移 axis displacement 12mm 标高偏向 elevation warp 15mm~17mm 垂 直 度 verticality degree 外表平整度 surface level degree +13、-1mm 砌石断面示意图: stonesetting fracture surface sket: 东岸护坡砌筑长度25m 技术负责人tenique principle : 年 月 日Date 施工班长crew foreman : 年 月 日Date 记录人recorder: 年 月 日Date 〔浆砌石护坡〕砌石工程施工记录 建-13 stoesetting records 工程名称 project name 浦河浆砌石护坡 施工 construction pany 道第一工程 砌体部位 stoneset part 西岸护坡 施工日 construction date 2003.5.28~6.30 砂浆标 mortar mark No. M10 砂浆饱满 mortar saturability 97 轴线位移 axis displacement 11mm 标高偏向 elevation warp 11mm~16mm 垂 直 度 verticality degree 外表平整度 surface level degree +3、-8mm 砌石断面示意图: stonesetting fracture surface sket: 西岸护坡砌筑长度30m 技术负责人tenique principle : 年 月 日Date 施工班长crew foreman : 年 月 日Date 记录人recorder: 年 月 日Date 〔浆砌石护坡〕砌石工程施工记录 建-13 stoesetting records 工程名称 project name 团结河浆砌石护坡 施工 construction pany 道第一工程 砌体部位 stoneset part 东岸护坡 施工日 construction date 2002.10.20~10.25 砂浆标 mortar mark No. M10 砂浆饱满 mortar saturability 96 轴线位移 axis displacement 10mm 标高偏向 elevation warp 15mm~26mm 垂 直 度 verticality degree 外表平整度 surface level degree +1、-11mm 砌石断面示意图: stonesetting fracture surface sket: 东岸护坡砌筑长度21m 技术负责人tenique principle : 年 月 日Date 施工班长crew foreman : 年 月 日Date 记录人recorder: 年 月 日Date 〔浆砌石护坡〕砌石工程施工记录 建-13 stoesetting records 工程名称 project name 团结河浆砌石护坡 施工 construction pany 道第一工程 砌体部位 stoneset part 西岸护坡 施工日 construction date 2002.11.10~11.15 砂浆标 mortar mark No. M10 砂浆饱满 mortar saturability 95 轴线位移 axis displacement 14mm 标高偏向 elevation warp 10mm~19mm 垂 直 度 verticality degree 外表平整度 surface level degree +12、+1mm 砌石断面示意图: stonesetting fracture surface sket: 西岸护坡砌筑长度120m 技术负责人tenique principle : 年 月 日Date 施工班长crew foreman : 年 月 日Date 记录人recorder: 年 月 日Date 〔浆砌石护坡〕砌石工程施工记录 建-13 stoesetting records 工程名称 project name HD021-300m 河流浆砌石护坡 施工 construction pany 道第一工程 砌体部位 stoneset part 西岸护坡 施工日 construction date 2002.5.26~5.29 砂浆标 mortar mark No. M10 砂浆饱满 mortar saturability 95 轴线位移 axis displacement 9mm 标高偏向 elevation warp 8mm~13mm 垂 直 度 verticality degree 外表平整度 surface level degree +1、-12mm 砌石断面示意图: stonesetting fracture surface sket: 西岸护坡砌筑长度12.8m 技术负责人tenique principle : 年 月 日Date 施工班长crew foreman : 年 月 日Date 记录人recorder: 年 月 日Date 〔浆砌石护坡〕砌石工程施工记录 建-13 stoesetting records 工程名称 project name HD021-300m 河流浆砌石护坡 施工 construction pany 道第一工程 砌体部位 stoneset part 东岸护坡 施工日 construction date 2002.5.26~5.29 砂浆标 mortar mark No. M10 砂浆饱满 mortar saturability 95 轴线位移 axis displacement 23mm 标高偏向 elevation warp 5mm~19mm 垂 直 度 verticality degree 外表平整度 surface level degree +12、+3mm 砌石断面示意图: stonesetting fracture surface sket: 西岸护坡砌筑长度12.8m 技术负责人tenique principle : 年 月 日Date 施工班长crew foreman : 年 月 日Date 记录人recorder: 年 月 日Date 〔浆砌石护坡〕砌石工程施工记录 建-13 stoesetting records 工程名称 project name HD026桩河 浆砌石护坡 施工 construction pany 道第一工程 砌体部位 stoneset part 西岸护坡 施工日 construction date 2002.6.2~.6.6 砂浆标 mortar mark No. M10 砂浆饱满 mortar saturability 97 轴线位移 axis displacement 15mm 标高偏向 elevation warp 10mm~17mm 垂 直 度 verticality degree 外表平整度 surface level degree +15、-3mm 砌石断面示意图: stonesetting fracture surface sket: 西岸护坡砌筑长度9m 技术负责人tenique principle : 年 月 日Date 施工班长crew foreman : 年 月 日Date 记录人recorder: 年 月 日Date 〔浆砌石护坡〕砌石工程施工记录 建-13 stoesetting records 工程名称 project name HD026桩河 浆砌石护坡 施工 construction pany 道第一工程 砌体部位 stoneset part 东岸护坡 施工日 construction date 2002.6.2~6.6 砂浆标 mortar mark No. M10 砂浆饱满 mortar saturability 97 轴线位移 axis displacement 18mm 标高偏向 elevation warp 2mm~18mm 垂 直 度 verticality degree 外表平整度 surface level degree +12、+9mm 砌石断面示意图: stonesetting fracture surface sket: 东岸护坡砌筑长度9m 技术负责人tenique principle : 年 月 日Date 施工班长crew foreman : 年 月 日Date 记录人recorder: 年 月 日Date 〔浆砌石护坡〕砌石工程施工记录 建-13 stoesetting records 工程名称 project name HD030+1~HD031水塘堤浆砌石护坡 施工 construction pany 道第一工程 砌体部位 stoneset part 北岸护坡 施工日 construction date 2002.5.26~6.13 砂浆标 mortar mark No. M10 砂浆饱满 mortar saturability 97 轴线位移 axis displacement 12mm 标高偏向 elevation warp 4mm~11mm 垂 直 度 verticality degree 外表平整度 surface level degree +8、-13mm 砌石断面示意图: stonesetting fracture surface sket: 北岸护坡砌筑长度85.5m 技术负责人tenique principle : 年 月 日Date 施工班长crew foreman : 年 月 日Date 记录人recorder: 年 月 日Date 〔浆砌石护坡〕砌石工程施工记录 建-13 stoesetting records 工程名称 project name HD030+1~HD031水塘堤浆砌石护坡 施工 construction pany 道第一工程 砌体部位 stoneset part 南岸护坡及压盖 施工日 construction date 2002.6.16~6.27 砂浆标 mortar mark No. M10 砂浆饱满 mortar saturability 97 轴线位移 axis displacement 8mm 标高偏向 elevation warp 4mm~21mm 垂 直 度 verticality degree 外表平整度 surface level degree +3、-10mm 砌石断面示意图: stonesetting fracture surface sket: 南岸护坡及压盖砌筑长度85.5m 技术负责人tenique principle : 年 月 日Date 施工班长crew foreman : 年 月 日Date 记录人recorder: 年 月 日Date 〔浆砌石护坡〕砌石工程施工记录 建-13 stoesetting records 工程名称 project name HD042~HD043永汇河 浆砌石挡土墙 施工 construction pany 道第一工程 砌体部位 stoneset part 西岸挡土墙 施工日 construction date 2002.6.19~7.6 砂浆标 mortar mark No. M10 砂浆饱满 mortar saturability 96 轴线位移 axis displacement 15mm 标高偏向 elevation warp 6mm~15mm 垂 直 度 verticality degree +1、+8mm 外表平整度 surface level degree +10、-11mm 砌石断面示意图: stonesetting fracture surface sket: 西岸挡土墙长度93m 技术负责人tenique principle : 年 月 日Date 施工班长crew foreman : 年 月 日Date 记录人recorder: 年 月 日Date 〔浆砌石护坡〕砌石工程施工记录 建-13 stoesetting records 工程名称 project name HD042~HD043永汇河 浆砌石挡土墙 施工 construction pany 道第一工程 砌体部位 stoneset part 东岸挡土墙 施工日 construction date 2002.6.19~7.6 砂浆标 mortar mark No. M10 砂浆饱满 mortar saturability 96 轴线位移 axis displacement 20mm 标高偏向 elevation warp 3mm~8mm 垂 直 度 verticality degree +6、+3mm 外表平整度 surface level degree +8、+1mm 砌石断面示意图: stonesetting fracture surface sket: 西岸挡土墙长度84.95m 技术负责人tenique principle : 年 月 日Date 施工班长crew foreman : 年 月 日Date 记录人recorder: 年 月 日Date 〔浆砌石挡土墙〕砌石工程施工记录 建-13 stoesetting records 工程名称 project name HD043+100m道路 浆砌石挡土墙 施工 construction pany 道第一工程 砌体部位 stoneset part 东岸挡土墙 施工日 construction date 2002.6.4~6.16 砂浆标 mortar mark No. M10 砂浆饱满 mortar saturability 96 轴线位移 axis displacement 15mm 标高偏向 elevation warp 7mm~11mm 垂 直 度 verticality degree 外表平整度 surface level degree +13、-2mm 砌石断面示意图: stonesetting fracture surface sket: 挡土墙长度46.5m 技术负责人tenique principle : 年 月 日Date 施工班长crew foreman : 年 月 日Date 记录人recorder: 年 月 日Date 〔浆砌石护坡〕砌石工程施工记录 建-13 stoesetting records 工程名称 project name HD047桩大闸河 浆砌石护坡 施工 construction pany 道第一工程 砌体部位 stoneset part 南岸护坡 施工日 construction date 2002.9.9~9.10 砂浆标 mortar mark No. M10 砂浆饱满 mortar saturability 97 轴线位移 axis displacement 16mm 标高偏向 elevation warp 4mm~10mm 垂 直 度 verticality degree 外表平整度 surface level degree +8、+2mm 砌石断面示意图: stonesetting fracture surface sket: 南岸护坡砌筑长度30.2m 技术负责人tenique principle : 年 月 日Date 施工班长crew foreman : 年 月 日Date 记录人recorder: 年 月 日Date 〔浆砌石护坡〕砌石工程施工记录 建-13 stoesetting records 工程名称 project name HD047桩大闸河 浆砌石护坡 施工 construction pany 道第一工程 砌体部位 stoneset part 北岸护坡 施工日 construction date 2002.10.3~10.4 砂浆标 mortar mark No. M10 砂浆饱满 mortar saturability 97 轴线位移 axis displacement 11mm 标高偏向 elevation warp 4mm~13mm 垂 直 度 verticality degree 外表平整度 surface level degree +7、-10mm 砌石断面示意图: stonesetting fracture surface sket: 北岸护坡砌筑长度30.2m 技术负责人tenique principle : 年 月 日Date 施工班长crew foreman : 年 月 日Date 记录人recorder: 年 月 日Date 〔浆砌石护坡〕砌石工程施工记录 建-13 stoesetting records 工程名称 project name HD066桩环山河 浆砌石护坡 施工 construction pany 道第一工程 砌体部位 stoneset part 西岸护坡 施工日 construction date 2002.10.5~10.30 砂浆标 mortar mark No. M10 砂浆饱满 mortar saturability 95 轴线位移 axis displacement 14mm 标高偏向 elevation warp 13mm 垂 直 度 verticality degree 外表平整度 surface level degree +5、-3mm 砌石断面示意图: stonesetting fracture surface sket: 西岸护坡砌筑长度21.95m 技术负责人tenique principle : 年 月 日Date 施工班长crew foreman : 年 月 日Date 记录人recorder: 年 月 日Date 〔浆砌石护坡〕砌石工程施工记录 建-13 stoesetting records 工程名称 project name HD066桩环山河 浆砌石护坡 施工 construction pany 道第一工程 砌体部位 stoneset part 东岸护坡 施工日 construction date 2002.10.8~10.30 砂浆标 mortar mark No. M10 砂浆饱满 mortar saturability 95 轴线位移 axis displacement 10mm 标高偏向 elevation
展开阅读全文

开通  VIP会员、SVIP会员  优惠大
下载10份以上建议开通VIP会员
下载20份以上建议开通SVIP会员


开通VIP      成为共赢上传

当前位置:首页 > 环境建筑 > 其他

移动网页_全站_页脚广告1

关于我们      便捷服务       自信AI       AI导航        抽奖活动

©2010-2025 宁波自信网络信息技术有限公司  版权所有

客服电话:0574-28810668  投诉电话:18658249818

gongan.png浙公网安备33021202000488号   

icp.png浙ICP备2021020529号-1  |  浙B2-20240490  

关注我们 :微信公众号    抖音    微博    LOFTER 

客服