收藏 分销(赏)

混凝土工程作业文件交底.doc

上传人:綻放 文档编号:10681098 上传时间:2025-06-08 格式:DOC 页数:5 大小:58KB 下载积分:9 金币
下载 相关 举报
混凝土工程作业文件交底.doc_第1页
第1页 / 共5页
混凝土工程作业文件交底.doc_第2页
第2页 / 共5页


点击查看更多>>
资源描述
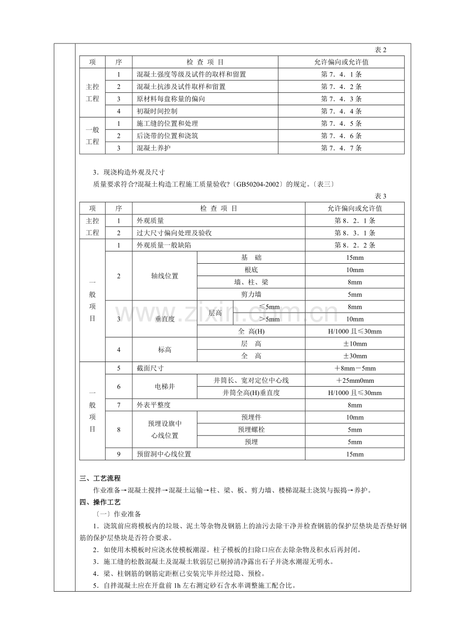
作业交底记录表 作业编及名称 50XT SEPCCJSS 水源地配电室 施工工程 混凝土工程 施工 宿豫一建 记录人 主持人 交底人 交底时间 2004.10.15 主 要 交 底 内 容 技术交底: 一、施工准备 〔一〕作业条件 1.浇筑混凝土层段的模板、钢筋、预埋件及线等全部安装完毕经检查符合设计要求并办完隐、预检手续。 2.浇筑混凝土用的架子马道已支搭完毕并经检查合格。 3.水泥、砂、石及外加剂等经检查符合有关要求试验室已下达混凝土配合比单。 4.磅秤〔或自动上料系统〕经检查核定计量准确振捣器〔棒〕经检验试运转合格。 5.工长根据施工方案对操作班组已进展全面施工技术培训申请书已被批准。 〔二〕材料要求 1.水泥:水泥品种、强度等级应根据设计要求确定。质量符合现行水泥。工紧时可做水泥快测。 2.砂、石子:根据构造尺寸、钢筋度、混凝土施工工艺、混凝土强度等级的要求确定石子粒径、砂子细度。砂、石质量符合现行。 3.水:自来水或不含有害物质的干净水。 4.外加剂:根据施工组织设计要求确定是否采用外加剂。外加剂须经试验合格后方可在工程上使用。 5.掺合料:根据施工组织设计要求确定是否采用掺合料。质量符合现行。 6.隔离剂:水质隔离剂。 〔三〕施工机具 混凝土搅拌机、磅秤〔或自动上料系统〕、双轮手推车、小翻斗车、尖锹、平锹、混凝土吊斗、插入式振捣器、木抹子、铁插尺、胶皮水、铁板、串桶、塔式起重机、混凝土标尺杆、砂浆称量器等。 二、质量要求 〔一〕混凝土工程 1、混凝土原材料及配合比设计 质量要求符合?混凝土构造工程施工质量验收?〔GB50204-2002〕的规定。〔表一〕 表1 项 序 检 查 项 目 允许偏向或允许值 主控工程 1 水泥进场检验 第7.2.1条 2 外加剂质量及应用 第7.2.2条 3 混凝土中氯化物、碱的总含量控制 第7.2.3条 4 配合比设计 第7.3.1条 一般工程 1 矿物掺合料质量及掺量 第7.2.4条 2 粗细骨料的质量 第7.2.5条 3 拌制混凝土用水 第7.2.6条 4 开盘鉴定 第7.3.2条 5 依砂、石含水率调整配合比 第7.3.3条 2.混凝土施工 质量要求符合?混凝土构造工程施工质量验收?〔GB50204-2002〕的规定。〔表二〕 表2 项 序 检 查 项 目 允许偏向或允许值 主控工程 1 混凝土强度等级及试件的取样和留置 第7.4.1条 2 混凝土抗渗及试件取样和留置 第7.4.2条 3 原材料每盘称量的偏向 第7.4.3条 4 初凝时间控制 第7.4.4条 一般工程 1 施工缝的位置和处理 第7.4.5条 2 后浇带的位置和浇筑 第7.4.6条 3 混凝土养护 第7.4.7条 3.现浇构造外观及尺寸 质量要求符合?混凝土构造工程施工质量验收?〔GB50204-2002〕的规定。〔表三〕 表3 项 序 检 查 项 目 允许偏向或允许值 主控工程 1 外观质量 第8.2.1条 2 过大尺寸偏向处理及验收 第8.3.1条 一 般 项 目 1 外观质量一般缺陷 第8.2.2条 2 轴线位置 基 础 15mm 根底 10mm 墙、柱、梁 8mm 剪力墙 5mm 3 垂直度 层高 ≤5mm 8mm >5mm 10mm 全 高(H) H/1000且≤30mm 4 标高 层 高 ±10mm 全 高 ±30mm 一 般 项 目 5 截面尺寸 +8mm-5mm 6 电梯井 井筒长、宽对定位中心线 +25mm0mm 井筒全高(H)垂直度 H/1000且≤30mm 7 外表平整度 8mm 8 预埋设旗中 心线位置 预埋件 10mm 预埋螺栓 5mm 预埋 5mm 9 预留洞中心线位置 15mm 三、工艺流程 作业准备→混凝土搅拌→混凝土运输→柱、梁、板、剪力墙、楼梯混凝土浇筑与振捣→养护。 四、操作工艺 〔一〕作业准备 1.浇筑前应将模板内的垃圾、泥土等杂物及钢筋上的油污去除干净并检查钢筋的保护层垫块是否垫好钢筋的保护层垫块是否符合要求。 2.如使用木模板时应浇水使模板潮湿。柱子模板的扫除口应在去除杂物及积水后再封闭。 3.施工缝的松散混凝土及混凝土软弱层已剔掉清净露出石子并浇水潮湿无明水。 4.梁、柱钢筋的钢筋定距框已安装完毕并经过隐、预检。 5.自拌混凝土应在开盘前1h左右测定砂石含水率调整施工配合比。 〔二〕混凝土现场搅拌工艺 1.每次浇筑混凝土前1.5h左右由施工现场专业工长填写申请“混凝土浇灌申请书〞由建立〔监理〕和技术负责人或质量检查人员批准。每一台都应填写。 2.试验员根据“混凝土浇灌申请书〞填写有关资料。根据砂石含水率调整混凝土配合比中的材料用量换算每盘的材料用量定配合比板经施工技术负责人校核后挂在搅拌机旁醒目处。定磅秤或及水继电器。 3.材料用量、投放:水泥、掺合料、水、外加剂的计量误差为±2粗、细骨料的计量误差为±3。投料顺序为:石子→水泥、外加剂粉剂→掺合料→砂子→水外加剂液剂。 4.搅拌时间:为使混凝土搅拌均匀自全部拌合料装入搅拌筒中起到混凝土开场卸料止混凝土搅拌的最短时间: 强迫式搅拌机:不掺外加剂时不少于90s;掺外加剂时不少于120s。 自落式搅拌机:在强迫式搅拌机时间的根底上增加30s。 5.用于承重构造及抗渗防水工程使用的混凝土采用预拌混凝土的开盘鉴定是指第一次使用的配合比在混凝土出厂前由混凝土供给自行组织有关人员进展开盘鉴定。现场搅拌的混凝土由施工组织建立〔监理〕、搅拌机组、混凝土试配进展开盘鉴定工作。共同认定试验室签发的混凝土配合比确定的组成材料是否与现场施工所用材料相符以及混凝土拌合物性能是否满足设计要求和施工需要。假如混凝土和易性不好可以在维持水灰比不弯的前提下适当调整砂率、水及水泥量至和易性良好为止。 〔三〕混凝土运输 混凝土自搅拌机卸出后应及时运输到浇筑地点。在运输过程中要防止混凝土离析、水泥浆流失。如混凝土运到浇筑地点有离析现象时必须在浇筑前进展二次拌合。 混凝土从搅拌机中卸出后到浇筑完毕的延续时间不宜超过下表的规定。 混凝土从搅拌机卸出至浇筑完毕的时间〔min〕 混凝土强度等级 气温〔℃〕 ≤25 >25 ≤30 >30 120 90 90 60 注:掺用外加剂或采用快硬水泥拌制混凝土时应按试验确定。 泵送混凝土时必须保证混凝土泵连续工作假如发生故障停歇时间超过45min或混凝土出现离析现象应立即用压力水或其他冲洗内残留的混凝土。用水冲出的混凝土严禁用在永久建筑构造上。 〔四〕混凝土浇筑与振捣的一般要求 1.混凝土自吊斗口下落的倾落高度不得超过2m浇筑高度如超过2m时必须采取措施用串桶或溜等。 2.浇筑混凝土时应分段分层连续进展浇筑层高度应根据 供给才能一次浇筑方量、混凝土初凝时间、构造特点、钢筋疏综合考虑一般为振捣器作用局部长度的1.25倍。 3.使用插入式振捣器应快插慢拔插点要均匀排列逐点挪动顺序进展不得遗漏做到均匀振实。挪动间距不大于振捣作用半径的1.25倍〔一般为300~400mm〕。振捣上一层时应插入下层5~10cm以使两层混凝土结合结实。振捣时振捣棒不得触及钢筋和模板。外表振动器〔或称平板振动器〕的挪动间距应保证振动器的平板覆盖已振实局部的边缘。 4.浇筑混凝土应连续进展。如必须间歇其间歇时间应尽量缩短并应在前层混凝土初、凝之前将次层混凝土浇筑完毕。间歇的最长时间应按所用水泥品种、气温及混凝土凝结条件确定一般超过2h应按施工缝处理〔当混凝土的凝结时间小于2h时那么应当执行混凝土的初凝时间〕。 5.浇筑混凝土时应经常观察模板、钢筋、预留孔洞、预埋件和插筋等有无挪动、变形或堵塞情况发现问题应立即处理并应在已浇筑的混凝土初凝前修正完好。 〔五〕柱的混凝土浇筑 1.柱浇筑前底部应先填5~10cm厚与混凝土配合比一样的减石子砂浆柱混凝土应分层浇筑振捣使用插入式振捣器时每层厚度不大于50cm振捣棒不得触动钢筋和预埋件。 2.柱高在2m以内可在柱顶直接下灰浇筑超过2m时应采取措施〔用串筒〕或在模板侧面开洞口安装斜溜槽分段浇筑。每段高度不得超过2m每段混凝土浇筑后将洞口模板封闭严实并用箍箍牢。 3.柱子混凝土的分层厚度应当经过计算确定并且应当计算每层混凝土的浇筑量用专制料斗容器称量保证混凝土的分层准确并用混凝土标尺杆计量每层混凝土的浇筑高度混凝土振捣人员必须装备充足的照明设备保证振捣人员可以看清楚混凝土的振捣情况。 4.柱子混凝土应一次浇筑完毕如需留施工缝时应留在主梁下面。无梁楼板应留在柱帽下面。在与梁板整体浇筑时应在柱浇筑完毕后停歇1~1.5h使其初步沉实再继续浇筑。 5.浇筑完毕后应及时将伸出的搭接钢筋整理到位。 〔六〕梁、板混凝土浇筑 1.梁、板应同时浇筑浇筑应由一端开场用“赶浆法〞即先浇筑梁根据梁高分层浇筑成阶梯形当到达板底位置时再与板的混凝土一起浇筑随着阶梯形不断延伸梁板混凝土浇筑连续向前进展。 2.和板连成整体高度大于1m的梁允许单独浇筑其施工缝应留在板底以下2~3mm处。浇捣时浇筑与振捣必须严配合第一层下料慢些梁底充分振实后再下第二层料用“赶浆法〞保持水泥浆沿梁底包裹石子向前推进每层均应振实后再下料梁底及梁侧部位要注意振实振捣时不得触动钢筋及预埋件。 3.梁柱节点钢筋较时此处宜用小粒径石子同强度等级的混凝土浇筑并用小直径振捣棒振捣。 4.浇筑板混凝土的虚铺厚度应略大于板厚用平板振捣器垂直浇筑方向来回振捣厚板可用插入式振捣器顺浇筑方向拖拉振捣并用铁插尺检查混凝土厚度振捣完毕后用长木抹子抹平。施工缝处或有预埋件及插筋处用木抹子找平。浇筑板混凝土时不允许用振捣棒铺摊混凝土。 5.施工缝位置:宜沿次梁方向浇筑楼板施工缝宜留置在次梁跨度的中间1/3范围内。施工缝的外表应与梁轴线或板面垂直不得留斜槎。施工缝宜用木板或钢丝网挡牢。 6.施工缝处须待已浇筑混凝土的抗压强度不小于1.2MPa时才允许继续浇筑。在继续浇筑混凝土前施工缝混凝土外表应凿毛剔除浮动石子和混凝土软弱层并用水冲洗干净后先浇一层同配比减石子砂浆然后继续浇筑混凝土应细致操作振实使新旧混凝土严结合。 〔七〕楼梯混凝土浇筑 1.楼梯段混凝土自下而上浇筑先振实底板混凝土到达踏步位置时再与踏步混凝土一起浇捣不断连续向上推进并随时用木抹子〔或塑料抹子〕将踏步上外表抹平。 2.施工缝位置:楼梯混凝土宜连续浇筑多层楼梯的施工缝应留置在楼梯段1/3的部位。 〔八〕所有浇筑的混凝土楼板面应当扫毛扫毛时应当顺一个方向扫严禁随意扫毛影响混凝土外表的观感。 〔九〕养护 混凝土浇筑完毕后应在12h以内加以覆盖和浇水浇水次数应能保持混凝土有足够的润湿状态养护一般不少于7d。 〔十〕混凝土试块留置 1.按照规定的试块取样要求做标养试块的取样。 2.同条件试块的取样留置要分情况对待拆模试块〔1.2MPa50、75、100设计强度〕;外挂架要求的试块〔7.5MPa〕等。 五、成品保护 1.要保证钢筋和垫块的位置正确不得踩楼板、楼梯的分布筋、弯起钢筋不碰动预埋件和插筋。在楼板上搭设浇筑混凝土使用的浇筑人行道保证楼板钢筋的负弯矩钢筋的位置。 2.不得用重物冲击模板不在梁或楼梯踏步侧模板上踩踏应搭设跳板保持模板的结实和严。 3.已浇筑楼板、楼梯踏步的上外表混凝土要加以保护必须在混凝土强度到达1.2MPa以后方准在面上进展操作及安装构造用的支架和模板。 4.在浇筑混凝土时要对已经完成的成品进展保护对浇筑上层混凝土流下的水泥浆要派专人及时清理干净洒落的混凝土也要随时清理干净。 5.对角等易碰坏的地方该当有保护措施。 6.冬施工在已浇的楼板上覆盖时要在脚手板上操作尽量不踏脚印。 六、应注意的质量问题 1.蜂窝:原因是混凝土一次下料过厚大批的不实或漏振模板有缝隙使水泥浆流失钢筋较而混凝土坍落度或石子过大柱、墙根部模板有缝隙以致混凝土中的砂浆从下部涌出。 2.露筋:原因是钢筋垫块位移、间距过大、漏放、钢筋紧贴模板造成露筋或梁、板底部振捣不实也可能出现露筋。 3.孔洞:原因是钢筋较的部位混凝土被卡未经振捣就继续浇筑上层混凝土。 4.缝隙与夹渣层:施工缝处杂物清理不净或未浇底浆振捣不实等原因易造成缝隙、夹渣层。 5.梁、柱连接处断面尺寸偏向过大主要原因是柱接头模板刚度差、支撑不结实或支引部位模板时未认真控制断面尺寸。 6.现浇楼板面和楼梯踏步上外表平整偏向太大:主要原因是混凝土浇筑后外表不用抹子认真抹平。冬施工在覆盖保温层时上人过早或未垫板进展操作。 技术负责人 施工负责人
展开阅读全文

开通  VIP会员、SVIP会员  优惠大
下载10份以上建议开通VIP会员
下载20份以上建议开通SVIP会员


开通VIP      成为共赢上传

当前位置:首页 > 环境建筑 > 其他

移动网页_全站_页脚广告1

关于我们      便捷服务       自信AI       AI导航        抽奖活动

©2010-2025 宁波自信网络信息技术有限公司  版权所有

客服电话:0574-28810668  投诉电话:18658249818

gongan.png浙公网安备33021202000488号   

icp.png浙ICP备2021020529号-1  |  浙B2-20240490  

关注我们 :微信公众号    抖音    微博    LOFTER 

客服