收藏 分销(赏)

临时用电设计方案.docx

上传人:人****来 文档编号:10135119 上传时间:2025-04-22 格式:DOCX 页数:6 大小:16.72KB 下载积分:6 金币
下载 相关 举报
临时用电设计方案.docx_第1页
第1页 / 共6页
临时用电设计方案.docx_第2页
第2页 / 共6页


点击查看更多>>
资源描述
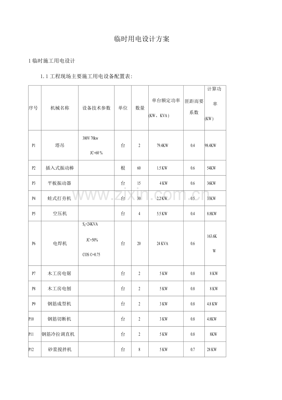
临时用电设计方案 1临时施工用电设计 1.1工程现场主要施工用电设备配置表: 序号 机械名称 设备技术参数 单位 数量 单台额定功率 (KW、KVA ) 匪距而要 系数 计算功 率 (KW ) P1 塔吊 380V 70kw JC=60 % 台 2 79.4KW 0.4 98.4KW P2 插入式振动棒 根 60 1.5 KW 0.6 54KW P3 平板振动器 台 15 4 KW 0.6 36KW P4 蛙式打夯机 台 30 2.2 KW 0.5 33KW P5 空压机 台 4 5.5 KW 0.4 8.8KW P6 电焊机 Se=24KVA JC=50% COS ©=0.75 台 20 24 KVA 0.6 163.6K W P7 木工房电锯 台 2 5 KW 0.8 8 KW P8 木工房电刨 台 2 5 KW 0.8 8 KW P9 钢筋成型机 台 2 3 KW 0.8 4.8 KW P10 钢筋切断机 台 2 3 KW 0.8 4.8KW P11 钢筋冷拉调直机 台 2 5 KW 0.8 8KW P12 砂浆搅拌机 台 8 5 KW 0.7 28 KW P13 加压水泵 台 1 18.5KW 0.8 14.8 KW P14 龙门架 台 19 5KW 0.8 76KW P15 办公照明 50 KW 0.9 45 KW 合计 591.2K W 1.2负荷计算 塔吊:P1=K*2*2P「JC =0.4*2*2*79.4 JU76=98.4kw 电焊机:P6=K*n*S /JC cos 巾=0.6*20*24 廿於 *0.8=163.56kw 设备总计算功率:Pj= P]+P 2+...+P 15=591.2kw。 设备总计算容量:Sj=P j/COS =591.2/0.75=788KVA 注:功率因素取COS =0.75 1.3变压器的选择: 因计算设备总计算容量为788KVA 现场选用两台4KVA变压器, 1.4电缆选择 一级箱电源电缆计算如下: Ij = P/3Ucos Ij = Pj v/3Ucos =148/ <3Ucos =148/ 3 *0.38*0.8=281A 其中I:回路电流(A ) Pj:单台一级配电箱容量(因一台变压器带两台一级配电箱,Pj/4=591.2/4=148KW) cos :设备平均功率因数0.8 U :三相电压0.38KV 计算结果查电缆载流量表可知:电源至1#、2#、3#、4# 一级箱选用VV22 —( 3 x185+2x95 ) mm 2电缆,共计815米。 二级箱电源电缆计算如下: 一级箱设5个250A开关支路,每个支路电缆至二级箱选用YC— 3 x70+2 x25电缆。 AL1-1=75 米,AL1-2=125 米,AL1-3=125 米,AL1-4=145 米,AL1-5=210 米,AL2-1=70米,AL2-2=1 米,AL2-3=170 米,AL2-4=110 米,AL2-5=210 米,AL3-1=230 米,AL3-2=2 米,AL3-3=125 米,AL3-4=50 米,AL3-5=130 米,AL4-1=30 米,AL4-2=20米,AL4-3=30 米,AL4-4=90 米,AL5-1=150 米,AL5-2=210 米,选用 YC —3 x70+2x35电缆,共计2615米。 电缆电压降核算: 单台变压器供四台一级配电箱计算,每台一级配电箱所带负荷为:Pj/4=591.2/4=148KW, VV22-185 电缆最长为 470 米。 E1= AU%=( P*L/C*S ) %= ( 148*470/77*185 )%=4.88% &:电压降,规范允许电压降为5%且< & 其中:Pj:回路总功率kW L:回路电缆长度m C:材料系数,铜芯电缆C=77 S :电缆截面mm2 &:电压降 经核算所有电缆电压降符合要求。 2电缆的敷设 现场电源通过架空引入,变压器以下电缆采用埋地敷设。电缆沿电缆沟埋地敷设,深度70cm,电缆埋设时用砂土回填,上盖红砖。电缆过路、或设备基础必须穿钢管保护。 所有用电单位使用三级箱取电。 3现场采用的接地形式及防雷接地设计方案 一般各配电箱、电机、机械设备等所有不带电的金属外壳均应作可靠接地,接地电阻不大于10。,如达不到要求,可由现场加接地极或加降阻剂等。接地应与现场配电室的接地系统可靠连接。接地装置的做法参见华北标或国标。 施工现场内的塔吊安装防雷装置。加装避雷针,针长为1 — 2米。同时加装避雷针的机械设备所用的动力控制信号、照明、通信等线路应采用钢管敷设。并将钢管和该机械设备的金属结构体作电气连接。接地电阻不得大于10。。 塔吊专用箱、一级箱设置重复接地,接地电阻小于4 。接地体可采用三根长度2.5m的50*50*5镀锌角钢,间隔5m打入地下。接地线采用40*4的镀锌扁钢与接地体焊接,保证接地体和PE线端子做良好的电气连接。 4临时用电系统的使用、管理与维护 4.1安全用电措施 塔吊专用箱必须从一级箱专用开关单独引线,采用接地保护。 非安全电压线路须穿墙体预留洞进入楼层。 楼层临时照明灯具高度必须大于1.9m。 楼层配电箱必须安放在干燥通风的部位。 工地所有配电箱都要标明箱的名称、所控制的各线路称谓、编号、用途等。 配电箱及开关箱的周围应有两人同时工作的足够空间和通道,不要在箱旁堆放建筑材料和杂草、杂物。 为了在发生火灾等紧急情况时能保证现场照明不中断,配电箱内的动力开关与照明开关必须分开使用。 开关箱应由分配电箱配电。注意开关箱内的用电设备不可一闸多用,每台设备应有各自的开关箱,严禁一个开关控制两台以上的用电设备(含插座)以保证安全。 开关箱内的开关的额定值与动作整定值应与用电设备相匹配。 室外开关箱必须装设防雨装置。 变压器等高压四周采用木柱、木板封闭。 4.2电气防火措施 严禁带电搬移配电箱。现场备1211干粉灭火器,并定期检查保持完好。 应保持配电线路及配电箱和开关箱内电缆、导线对地绝缘良好,不得有破损、硬伤、 带电体裸露、电线受挤压、腐蚀、漏电等隐患,以防突然出事。 电气接线不得有压接不实现象,以免打火。 使用足够截面的电缆线,避免电缆发热引起火灾。 平时应经常查看配电箱的进出线有没有承受外力,有没有被水泥砂浆浸污、被金属锐器划破绝缘,配电箱内电器的螺丝有没有松动,动力设备有没有缺相运行的声音等等。 电气失火必须拉闸断电以防止火势蔓延。 4.3电工安全操作 从事电气作业人员必须持有效维护电工操作证件上岗,认真执行安全操作规程。 施工现场内严禁带电作业,停电操作时必须悬挂“禁止合闸、有人操作”安全标志。 从事电气操作应由两名电工共同承担。 夜间施工应有足够的照明。 严格执行作业范围规定,严禁违章作业。 电工作业前必须穿戴符合安全要求的劳动保护用品,并使用基本安全用具及必要工具。 每班前巡视检查一次,重点检查线路保护,漏电开关及保护零线完好,做好交接班,接班电工未到时,值班电工不得离开岗位。 做好电工值班记录,电工检复查记录。 定期检测重复接地和保护接地电阻值,其中重复接地不大于10 ,保护接地不大于4 停电时设备必须拉闸断电,配电箱加锁。
展开阅读全文

开通  VIP会员、SVIP会员  优惠大
下载10份以上建议开通VIP会员
下载20份以上建议开通SVIP会员


开通VIP      成为共赢上传

当前位置:首页 > 包罗万象 > 大杂烩

移动网页_全站_页脚广告1

关于我们      便捷服务       自信AI       AI导航        抽奖活动

©2010-2026 宁波自信网络信息技术有限公司  版权所有

客服电话:0574-28810668  投诉电话:18658249818

gongan.png浙公网安备33021202000488号   

icp.png浙ICP备2021020529号-1  |  浙B2-20240490  

关注我们 :微信公众号    抖音    微博    LOFTER 

客服