收藏 分销(赏)

外墙外保温工程系统及组成材料性能.docx

上传人:精*** 文档编号:10127499 上传时间:2025-04-22 格式:DOCX 页数:6 大小:46.59KB 下载积分:6 金币
下载 相关 举报
外墙外保温工程系统及组成材料性能.docx_第1页
第1页 / 共6页
外墙外保温工程系统及组成材料性能.docx_第2页
第2页 / 共6页


点击查看更多>>
资源描述
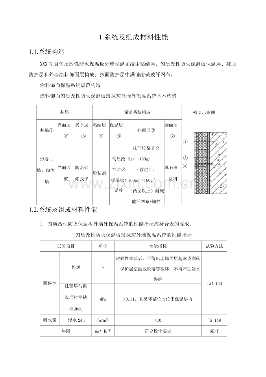
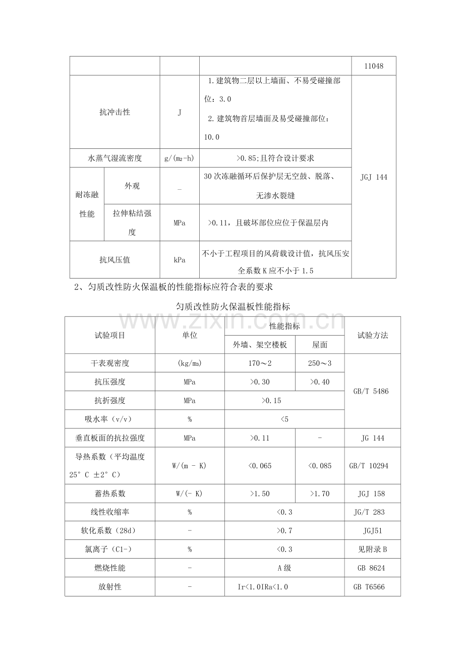
1.系统及组成材料性能 1.1.系统构造 XXX项目匀质改性防火保温板外墙保温系统由粘结层、匀质改性防火保温板保温层、抹面防护层和外墙涂料饰面层构成;抹面防护层中满铺耐碱玻纤网布。 涂料饰面保温系统规范构造 涂料饰面匀质改性防火保温板薄抹灰外墙外保温系统基本构造 基层 保温系统构造 基墙① 界面层 ② 找平层 ③ 粘结层 ④ 保温层 ⑤ 抹面层⑥ 饰面层 ⑦ 混凝土 墙、砌体 墙 界面砂 浆 防水砂 浆找平 胶粘剂 匀质改 性防火 保温板+ 锚栓 抹面胶浆复合 3g/ +160g/ (首层); 160g/ +160g/ (两层以上)耐碱 玻纤网布+锚栓 真石漆 涂料 ① ③ ④ © 构造示意图 1.2.系统及组成材料性能 1、匀质改性防火保温板外墙外保温系统的性能指标应符合表的要求。 匀质改性防火保温板薄抹灰外墙保温系统的性能指标 试验项目 单位 性能指标 试验方法 耐候性 外观 - 耐候性试验后,不得出现饰面层起泡或剥落、保护层空鼓或脱落等破坏,不得产生渗水裂缝 JGJ 144 抹面层与保 温层拉伸粘 结强度 MPa >0.11,且破坏部位应位于保温层内 吸水量 浸水24h (g/m2) <10 JG 149 热阻 m2 • K/W 符合设计要求 GB/T 11048 抗冲击性 J 1. 建筑物二层以上墙面、不易受碰撞部 位:3.0 2. 建筑物首层墙面及易受碰撞部位: 10.0 JGJ 144 水蒸气湿流密度 g/(m2 -h) >0.85;且符合设计要求 耐冻融 性能 外观 _ 30次冻融循环后保护层无空鼓、脱落、 无渗水裂缝 拉伸粘结强 度 MPa >0.11,且破坏部位应位于保温层内 抗风压值 kPa 不小于工程项目的风荷载设计值,抗风压安全系数K应不小于1.5 2、匀质改性防火保温板的性能指标应符合表的要求 匀质改性防火保温板性能指标 试验项目 单位 性能指标 试验方法 外墙、架空楼板 屋面 干表观密度 (kg/m3) 170〜2 250〜3 GB/T 5486 抗压强度 MPa >0.30 >0.40 抗折强度 MPa >0.15 吸水率(v/v) % <5 垂直板面的抗拉强度 MPa >0.11 - JG 144 导热系数(平均温度 25°C ±2°C) W/(m - K) <0.065 <0.085 GB/T 10294 蓄热系数 W/(- K) >1.50 >1.70 JGJ 158 线性收缩率 % <0.3 JG/T 283 软化系数(28d) - >0.7 JGJ51 氯离子(C1-) % <0.3 见附录B 燃烧性能 - A级 GB 8624 放射性 - Ir<1.0IRa<1.0 GB T6566 匀质改性防火保温板的规格尺寸和允许偏差 项目 允许偏差(mm) 长度 + 3 宽度 ±2 厚度 0,2 对角线差 <3 板面平直度 <2 板面平整度 <1 注:以标准板6 x 6为基板。 3、胶粉聚苯颗粒浆料的性能指标应符合表3的要求。 胶粉聚苯颗粒性能指标 项目 单位 性能指标 干表观密度 Kg/m 250 〜350 抗压强度 MPa >0.4 软化系数 _ >0.7 导热系数 W/ (m-k) <0.080 线性收缩率 % <0.3 抗拉强度 MPa >0.12 与水泥砂浆的 拉伸粘结强度 标准状态 MPa >0.12 破坏部位应位于 保温层内 侵水处理 >0.10 燃烧性能等级 A级 4、胶粘剂的性能指标应符合表的要求。 胶粘剂性能指标 项目 单位 性能指标 试验方法 拉伸粘结强度 (与水泥砂浆) 原强度 MPa >0.60 JGJ 144 耐水强度 浸水48h,干燥2h>0.40 浸水48h,干燥7d>0.60 拉伸粘结强度 (与匀质防火保温 原强度 MPa >0.11,且破坏部位应位于 保温层内 板) 耐水强度 浸水48h,干燥2h》0.08,浸水48h,干燥7d >0.10;且破坏部位应位于保温层内 拉伸粘结强度(与基层) MPa >0.40 可操作时间 h JG 149 5、抹面胶浆的性能指标应符合表的要求。 抹面胶浆性能指标 项目 单位 性能指标 试验方法 拉伸粘结强度 (与保温板) 原强度 MPa >0.11,且破坏部位应位于保温层内 JGJ 144 耐水强度 浸水48h,干燥2h>0.08,浸水48h,干燥7d>0.10;且破坏部位应位于保温层内 耐冻融强度 >0.10,且破坏部位应位于保温层内 柔韧性(压折比) - <3.0 JG 149 抗冲击性 J 3 不透水性 — 试样抹面层内侧无水渗透 吸水量 g/ <10 可操作时间(h) h 1.5〜4.0 6、耐碱玻纤网格布的性能指标应符合表的要求。 耐碱玻纤网格布的性能指标 项目 单位 性能指标 试验方法 普通型 加强型 GB/T 9914.3 标称单位面积质量 g/m2 >160 >3 网孔中心距 mm 56 68 断裂强力(经、纬向) N/50mm >12 > 20 GB/T 7689.5 耐碱强力保留率(经、纬向) % >75 GB/T 20102 断裂伸长率(经、纬向) % <4 GB/T 7689.5 涂塑量 g/m2 >20 玻璃成分 % ZrO2 14.5± 0.8 ,TiO2 6.0 ±0.5ZrO2 和 TiO2 含量 >19.2;同时 ZrO2 >13.7ZrO2 >16.0 JC/T 841 7、锚栓主要材料应符合以下的规定,其性能指标应符合表的要求。 (1)塑料钉和塑料膨胀套管应采用原生的聚酰胺、聚乙烯(Polyethylene)或聚丙烯制成,不得使用回收的再生材料; (2)金属钉和金属膨胀套管应采用不锈钢或经过表面防腐处理的金属制造; (3)锚栓圆盘的公称直径不应小于60mm,膨胀套管的直径不应小于8mm。 锚栓的性能指标 试验项目 单位 性能指标 试验方法 试验项目 单位 A类基层墙体 D类基层墙 试验方法 有效锚固深度 mm >30 体>60 JG/T 366 单个锚栓抗拉承载力标准值 kN >0.60 >0.30 圆盘抗拉拔力标准值Fn kN >0.50 单个锚栓对系统传热增加值 W/ <0.4 注:1、当锚栓不适用于某类基层墙体时可不做相应的抗拉承载力标准值检测; 2、普通混凝土基层墙体(A类);空心砖(砌块)基层墙体(D类); 3、D类基层墙体应选用通过摩擦和机械锁定承载的锚栓(即带回拧机构的锚栓)。 8、弹性底涂的性能指标应符合表8的要求。 弹性底涂的性能指标 项目 单位 性能指标 实验方法 容器中状态 _ 搅拌后无结块,呈均匀状态 _ 施工性 _ 刷涂无障碍 干燥时间 表干时间 h <4 GB/T 1677 实干时间 h <8 断裂伸长率 % >1 表面憎水率 % >98 GB/T 10299 9、饰面采用的柔性腻子应与建筑保温系统组成材料相容,性能指标应符合
展开阅读全文

开通  VIP会员、SVIP会员  优惠大
下载10份以上建议开通VIP会员
下载20份以上建议开通SVIP会员


开通VIP      成为共赢上传

当前位置:首页 > 包罗万象 > 大杂烩

移动网页_全站_页脚广告1

关于我们      便捷服务       自信AI       AI导航        抽奖活动

©2010-2025 宁波自信网络信息技术有限公司  版权所有

客服电话:0574-28810668  投诉电话:18658249818

gongan.png浙公网安备33021202000488号   

icp.png浙ICP备2021020529号-1  |  浙B2-20240490  

关注我们 :微信公众号    抖音    微博    LOFTER 

客服