收藏 分销(赏)

133管道贯通后的允许偏差检验批质量检验记录.docx

上传人:人****来 文档编号:10089319 上传时间:2025-04-21 格式:DOCX 页数:1 大小:13.32KB 下载积分:5 金币
下载 相关 举报
133管道贯通后的允许偏差检验批质量检验记录.docx_第1页
第1页 / 共1页
本文档共1页,全文阅读请下载到手机保存,查看更方便
资源描述
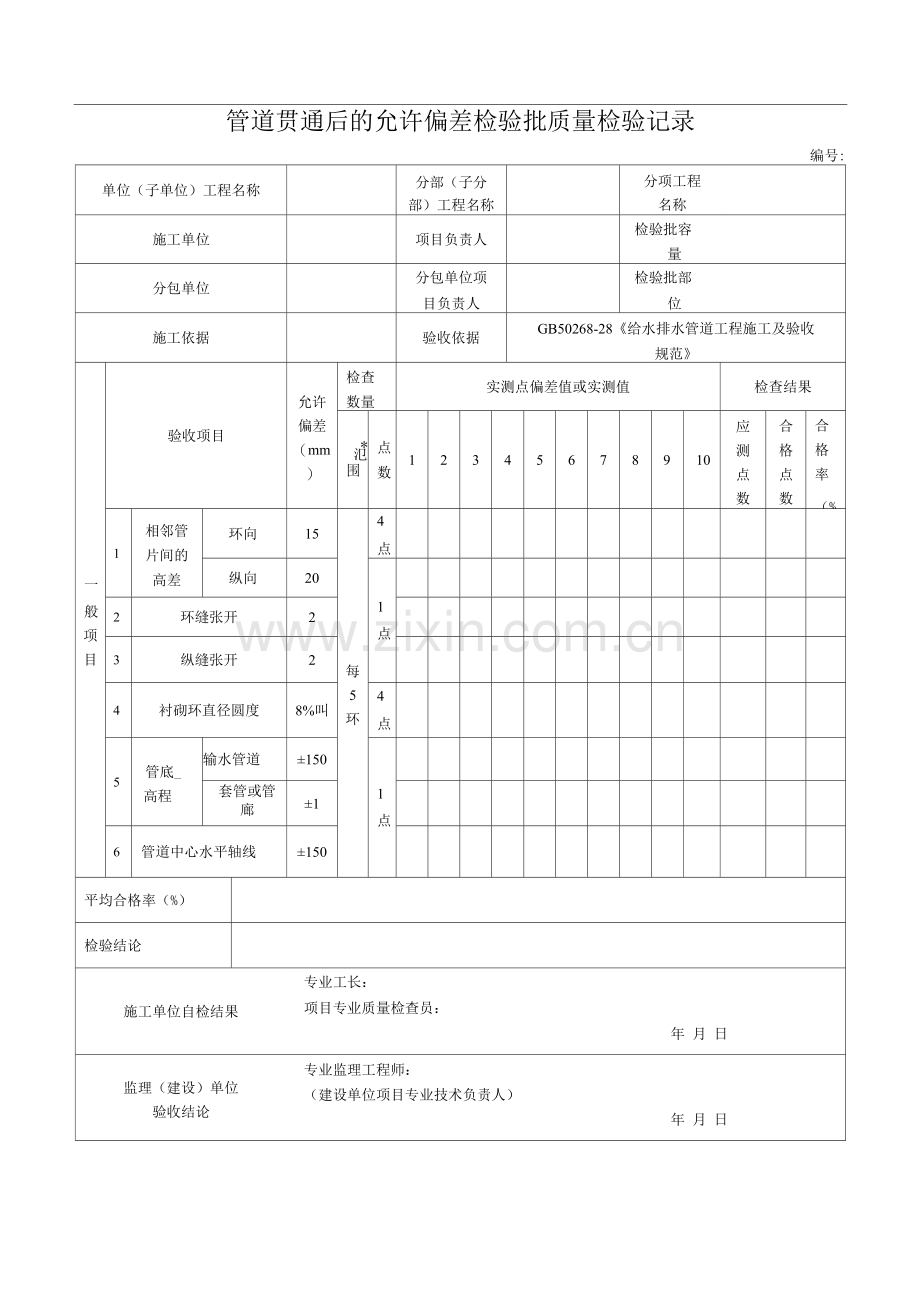
管道贯通后的允许偏差检验批质量检验记录 编号: 单位(子单位)工程名称 分部(子分 部)工程名称 分项工程 名称 施工单位 项目负责人 检验批容 量 分包单位 分包单位项 目负责人 检验批部 位 施工依据 验收依据 GB50268-28《给水排水管道工程施工及验收 规范》 一 般 项 目 验收项目 允许 偏差 (mm ) 检查 数量 实测点偏差值或实测值 检查结果 * 氾 围 点 数 1 2 3 4 5 6 7 8 9 10 应 测 点 数 合 格 点 数 合 格 率 (%) 1 相邻管 片间的 高差 环向 15 每 5 环 4 点 纵向 20 1 点 2 环缝张开 2 3 纵缝张开 2 4 衬砌环直径圆度 8%叫 4 点 5 管底_ 高程 输水管道 ±150 1 点 套管或管 廊 ±1 6 管道中心水平轴线 ±150 平均合格率(%) 检验结论 施工单位自检结果 专业工长: 项目专业质量检查员: 年 月 日 监理(建设)单位 验收结论 专业监理工程师: (建设单位项目专业技术负责人) 年 月 日
展开阅读全文

开通  VIP会员、SVIP会员  优惠大
下载10份以上建议开通VIP会员
下载20份以上建议开通SVIP会员


开通VIP      成为共赢上传

当前位置:首页 > 包罗万象 > 大杂烩

移动网页_全站_页脚广告1

关于我们      便捷服务       自信AI       AI导航        抽奖活动

©2010-2026 宁波自信网络信息技术有限公司  版权所有

客服电话:0574-28810668  投诉电话:18658249818

gongan.png浙公网安备33021202000488号   

icp.png浙ICP备2021020529号-1  |  浙B2-20240490  

关注我们 :微信公众号    抖音    微博    LOFTER 

客服