收藏 分销(赏)

高大模板支架安全要点检查表.doc

上传人:精**** 文档编号:9999887 上传时间:2025-04-16 格式:DOC 页数:13 大小:223.04KB 下载积分:8 金币
下载 相关 举报
高大模板支架安全要点检查表.doc_第1页
第1页 / 共13页
高大模板支架安全要点检查表.doc_第2页
第2页 / 共13页


点击查看更多>>
资源描述
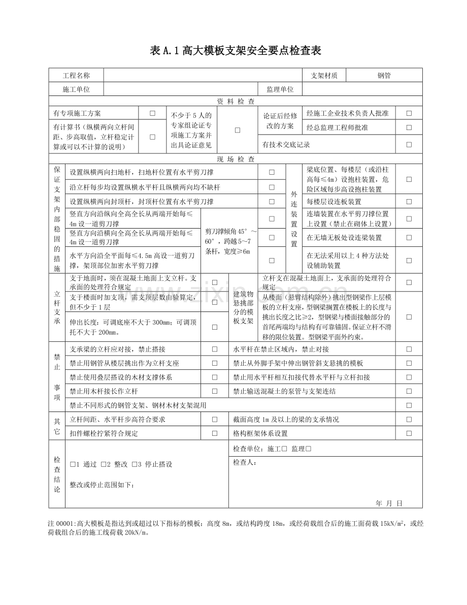
表A.1高大模板支架安全要点检查表 工程名称 支架材质 钢管 施工单位 监理单位 资 料 检 查 有专项施工方案 □ 不少于5人的专家组论证专项施工方案并出具论证意见 □ 论证后经修改的方案 经施工企业技术负责人批准 □ 有计算书(纵横两向立杆间距、步高取值,立杆稳定计算或可以不计算的说明) □ 经总监理工程师批准 □ 有技术交底记录 □ 现 场 检 查 保证支架内部稳固的措施 设置纵横两向扫地杆,扫地杆位置有水平剪刀撑 □ 外连装置设置 梁底位置、每楼层(或沿柱高每≤4m)设抱柱装置,危险区域每步高设抱柱装置 □ 沿立杆每步均设置纵横水平杆且纵横两向均不缺杆 □ 设置纵横两向封顶杆,封顶杆位置有水平剪刀撑 □ 每楼层设连板装置 □ 竖直方向沿纵向全高全长从两端开始每≤4m设一道剪刀撑 剪刀撑倾角45°~60°,跨越5~7条杆,宽度≥6m □ 连墙装置在水平剪刀撑位置上设置(禁止在砌体上设置) □ 竖直方向沿横向全高全长从两端开始每≤4m设一道剪刀撑 □ 在无墙无板处设连梁装置 □ 水平方向沿全平面每≤4.5m高设一道剪刀撑,架顶部位加密水平剪刀撑 □ 在无法采用以上4种方法处设辅助装置 □ 立杆支承 支于地面时,须在混凝土地面上支立杆。支承面的处理符合规定 □ 建筑物悬挑部分的模板支架 立杆支在混凝土地面上,支承面的处理符合规定 □ 支于楼面时加支顶,需支顶层数由验算定,但不少于1层 □ 从楼面(悬臂结构除外)挑出型钢梁作上层模板的立杆支座,型钢梁搁置在楼板上的长度与挑出长度之比≥2,型钢梁与楼面接触部分的首尾两端均与结构有可靠锚固。保证立杆不滑移的限位装置。型钢梁平面外约束。 □ 伸出长度:可调底座不大于300mm;可调顶托不大于200mm。 □ 禁止 事项 支承梁的立杆应对接,禁止搭接 □ 水平杆在禁止区域内,禁止对接 □ 禁止用钢管从楼层挑出作为立杆支座 □ 禁止从外脚手架中伸出钢管斜支悬挑的模板 □ 禁止使用叠层搭设的木材支撑体系 □ 禁止用水平杆相互扣接代替水平杆与立杆扣接 □ 禁止用木杆接长作立杆 □ 禁止输送混凝土的泵管与支架连结 □ 禁止不同形式的钢管支架、钢材木材支架混用 □ 其它 立杆间距、水平杆步高符合要求 □ 截面高度1m及以上的梁的支承情况 □ 扣件螺栓拧紧符合规定 □ 格构框架体系设置 □ 检查结论 □1 通过 □2 整改 □3 停止搭设 整改或停止范围如下: 检查单位:施工□ 监理□ 检查人: 年 月 日 注00001: 高大模板是指达到或超过以下指标的模板:高度8m,或结构跨度18m,或经荷载组合后的施工面荷载15kN/m2,或经荷载组合后的施工线荷载20kN/m。 表A.2高大模板支架、高大作业平台支架整架验收记录表 类别:高大模板支架□ 高大作业平台支架□ 验收日期: 年 月 日 工程名称: 验收部位:○~○×○~○轴 验收 内容 实测项 实测值 1 2 3 4 5 6 7 8 9 10 平均值 方案值 立杆间距 横距 纵距 水平杆步高 每道纵向竖直剪刀撑间距 每道横向竖直剪刀撑间距 每道水平剪刀撑间距 危险区域加强措施 加密抱柱: 加密顶部水平剪刀撑 辅助装置: 外连装置设置情况 抱柱: 连板: 连墙: 连梁: 支承面为地面的处理情况 支承面为楼面的支顶情况 扫地杆缺失情况 扫地杆位置的水平剪刀撑 水平杆 缺失情况 封顶杆缺失情况 封顶杆位置的水平剪刀撑 扣件螺栓拧紧情况 截面高度1m及以上的梁的支承情况 格构框架体系设置情况 禁止对接区内,水平杆搭接情况 责任人 验收意见 架子班长 签名: 意见: 合格( )不合格( ) 安全员 签名: 意见: 合格( )不合格( ) 质检员 签名: 意见: 合格( )不合格( ) 项目部技术负责人 签名: 意见: 合格( )不合格( ) 公司技术部门人员 签名: 意见: 合格( )不合格( ) 监理工程师 签名: 意见: 合格( )不合格( ) 方案编审人员意见 方案编制人 签名: 意见: 通过( )不通过( ) 方案审查人 签名: 意见: 通过( )不通过( ) 验收 结论 项目经理 签名: 结论: 合格( )不合格( ) 项目总监理工程师 签名: 结论: 合格( )不合格( ) 表A.3扣件拧紧抽样检查表 检查日期 年 月 日 工程名称 支架所在部位 抽样部位 安装扣件数量(个) 规定抽检数量(个) 允许不合格数(个) 实抽数 (个) 不合格数 (个) 所检部位质量判定 封顶杆位置及封顶杆往下一步高h范围内 不限 所抽部位的5%,且不少于10个 0 合格 □ 不合格 □ 截面高度≥1m并<1.2m的梁,承托梁底模的水平杆与立杆扣接的扣件(注5) 不限 全数 0 合格 □ 不合格 □ 其 余 部 位 在HD范围内抽80%,HD范围外抽20% 51~90 5 0 合格□ 不合格□ 91~150 8 1 合格□ 不合格□ 151~280 13 1 合格□ 不合格□ 281~500 20 2 合格□ 不合格□ 501~1200 32 3 合格□ 不合格□ 1201~3200 50 5 合格□ 不合格□ >3200 n n/10 合格□ 不合格□ 检查 结论 处理 意见 检查人 注1:使用力矩板手检查,拧紧力矩为40N·m~65N·m。2:“其余部位”栏中,按所检支架实际安装扣件数的栏目填写。3:扣件安装数量超过3200个,抽样数应增加。4:对检查不合格的部位,应重新拧紧后再次抽样检查,直至合格。5:截面高度≥1.2m的梁,直接用立杆或立杆顶部的可调顶托承重。 表A.4 项目部验收意见: 施工班组负责人(签字): 项目技术负责人(签字): 项目安全负责人(签字): 项目负责人(签字): 年 月 日 施工单位意见: 单位技术负责人(签字): 单位安全负责人(签字): 年 月 日 监理单位意见: 监理工程师(签字): 总监理工程师(签字): 年 月 日 建设单位意见: 项目负责人(签字): 年 月 日 医院安全检查表一 检查 部门 检查内容 检查结果 备注 药械科 西药房  氧气袋的装备是否齐全 消防设备配置是否齐全 精神类药品保管情况 有毒有害化学物品是否分类储存 库房环境是否达标 放射科 消防设备配置是否齐全 辐射安全防护措施情况 用电安全情况 检验科 消防设备配置是否齐全 用电安全情况 有毒有害化学物品的使用情况 急诊科 消防设备配置是否齐全 用电安全情况 抢救物品、设备的维护情况 门诊各科室 消防设备配置是否齐全 用电安全情况 住院部 消防设备配置是否齐全 用电安全情况 氧气瓶使用安全情况 预防患者伤害措施落实情况 病房库房财产安全情况 手术室 消防设备配置是否齐全 用电安全情况 高危设备使用安全情况 贵重设备安全保管情况 供应室 消防设备配置是否齐全 用电安全情况 高压锅、高危设备使用安全情况 总务科 消防设备配置是否齐全 水、电、暖安全情况 安全保卫、巡逻情况 洗衣房 消防设备配置是否齐全 用电安全情况 高危设备使用安全情况 行政 办公室 财产安全情况 消防设备配置是否齐全 保密安全 检查 人员 检查日期 限期整改日期 复查日期 整改后复查情况 附件: 冬季安全生产检查表 在建项目/风电场: 检查日期: 序号 项目 检查内容 检查要点 评分标准 (共100分) 扣分 扣分原因 1 冬季施工 施工管理 冬季施工申请得到审批,有专项施工方案和措施,并有效执行。 对施工人员进行冬季施工专项安全技术交底。 1项不合格扣1分,共30分 作业管理 严格禁止恶劣气候条件下的夜间施工。 大雪、大雾和大风天气禁止吊装。 动火、吊装、线路架设等作业必须的得到审批,专业管理人员旁站监督。 防滑 通道、坡道、车辆等采取防滑措施,作业现场平台、脚手架及踏板清除积雪和浮冰,施工人员穿防滑鞋。 所有孔洞加设盖板,并设警示标志。 高处作业人员衣着灵便,挂牢安全带,雪天不准备从事危险作业 防中毒 用煤炉生火的场所必须设烟囱和通风漏斗,有专人看管,保持空气畅通。 夜间设备看护人员必须进行安全培训教育,至少设2人共同巡查,工棚内配备可靠的采暖设备,通风良好,禁止喝酒和明火取暖。 防冻 施工作业人员防寒保暖衣物充足。 氧气乙炔气瓶冻结禁止明火烧烤。 防火 施工加热采暖要与易燃物料、设备保持足够的安全距离。 禁止明火取暖。施工作业和生活场所禁止用碘钨灯、电炉、大功率灯泡及电热扇等设备采暖。 作业场所消防器材齐全、有效。 防坍塌 临建、仓库具备防风措施,脚手架搭设受力满足要求。 模板、架板、脚手架、临时平台积雪及时清理。 防交通事故 场内交通道路设有明显的限速标识,安全标志齐全; 车辆有防滑装置或措施; 运输车辆的设备绑固符合要求。 应急管理 承包商编制防暴风雪应急预案,有演练记录,配备应急设备器材满足现场需要。 2 冬季生产 培训教育 对全体员工进行以冬季安全生产措施、操作规程、安全常识及应急知识为主要内容的冬季安全生产教育培训。 班组安全会或工前会上进行冬季安全生产安全教育。交接班会针对作业任务及冬季施工作业特点进行安全讲话。 在岗员工掌握操作规程和冬季安全生产措施并严格执行。 1项不合格扣0.5分,共30分 人员防护 作业人员冬季使用的劳保用品(棉衣、棉帽、棉手套、防寒靴等)穿戴符合要求,外出穿防滑鞋。 设备设施防冻 室外设施防冻措施落实,保温设施齐全有效。 电气一次设备有关资料、台帐齐全;巡视、定期检修、预试执行情况,红外测温工作正常开展;设备未超周期运行。 母线构架、主回路及场用电导线接头防腐措施有效;有红外测温记录。 线路、母线、主变及机组保护装置可靠,按期校验。主变各种记录(含试验)、运行参数及上层油温情况正常。 运行及停运机组、设备或系统防冻防寒措施齐全并落实。做好换季保养,使用适合冬季气候特点的润滑油和防冻液。 电缆沟、电缆竖井内无积雪、杂物、积油及其它易燃物,采取封堵和阻燃处理措施。 绝缘子及时清扫维护,无积雪结冰现象。 户外端子箱无漏水、防潮、过热情况。 箱变设备上锁,封堵良好,有效防止积雪进入。 SF6断路器满足低温运行要求,定期检查,压力正常。 低温型风力发电机组变频柜、齿轮箱、控制柜、轮毂等设备加热器运行正常。 塔筒内外爬梯没有积雪、结冰和积油现象。 风机叶片没有结冰现象。 生产场所地面、工作面清洁干净,无油污、无积水、无积冰。 房屋无渗漏,门窗完好,暖气充足。 接地网试验、运行和防腐情况;接地连接情况。 员工宿舍严禁使用电炉等大功率电气设备取暖、做饭。 小动物经常出入的地方放有鼠药及灭鼠器具,完好齐全,门窗及时关闭。 通信设备运行状况正常。 消防管理 消防组织、制度健全;消防安全责任制落实到个人。 作业场所无流动吸烟现象,无烟头。 消防自动控制系统正常投用,压力表、安全阀、液位计、水位报警器等安全附件按规定检查检测,齐全完好。 消防器材完好、充足、定期试验存放地点合适,周围无其它物品遮挡。 易燃易爆物质贮存场所消防设施满足防火要求,有人员、车辆的出入要求。 易燃易爆物品严格管理,存放场所符合要求并标识。 值班室、库房、生产岗位和食堂餐厅防火措施齐全,电气线路、刀闸、开关等整齐无老化,无乱接、乱拉临时线路现象。 高压室的通道门、排风装置符合防火要求,事故排风装置正常。 禁火区域作业按规定执行动火审批手续,并落实相关措施。 宿舍楼、食堂、会议室、娱乐场所等公共场所有应急疏散示意图,安全通道畅通,烟感器工作正常,入口地面有防滑措施 易燃易爆气瓶使用、储存、运输符合规定要求。 应急管理 根据当地实际情况编制防暴风雪和防冻雨等专项应急预案,定期组织反事故演习并记录和评价演习结果。应急救援器材完好,数量充足。 事故保安电源系统运行状况良好,独立外来交流电源有保证;柴油发电机定期试验。 外出作业时至少两人同时外出,配有手持GPS和1台以上不同类型的通讯设备,必要时配备大功率无线通讯设备。 控制室、配电室、档案室等部位应急照明正常。 交通安全 与外聘驾驶员签订安全协议。 定期组织驾驶员安全活动,有记录。 有车辆管理台账和维护、检查记录,长途行车得到审批 车辆定期检查维护,无车辆带病运行现象。 驾驶员持证上岗,符合授权条件,得到授权审批。 车辆完好,各种安全装置、信号等齐全有效,外出时燃油充足,加热供暖装置正常。 3 公司组织的重要及专项检查提出隐患整改情况 工程移交生产验收检查提出的事故隐患整改 按照整改时限要求逐项整改并及时反馈。 1项未整改或未采取措施扣1分,共20分 开工安全条件确认提出的事故隐患整改 按照整改时限要求逐项整改并及时反馈。 秋季安全检查提出的事故隐患整改 按照整改时限要求逐项整改并及时反馈。 4 “三个一”管理要求 一把手 风电场(业主项目部)一把手主持参加安全会议和现场检查情况。 风电场(业主项目部)一把手参加安全检查情况。 风电场(业主项目部)一把手组织安全培训教育情况。 1项次工作未开展,不能通过相关记录验证扣1分,共20分 一线班组 风电场运行班组班前会频次,会议内容。 承包商施工班组工前会频次,会议内容(三交三查)。 风电场运行班组隐患发现和整改情况。 一流经验反馈体系 风电场及在建项目事故事件透明度。 上报事故事件的后续分析反馈情况。 风电场及在建项目对“3.27”、“4.13”、“6.14”“7.3”以及“10.10”等内外部事故事件学习及后续行动落实情况。 5 制度执行 事故事件管理程序 管理程序的传达学习。 风电场(在建项目)事故事件、未遂、障碍、异常的报告、调查和后续行动。 事故事件相关配套表单的使用。 内部事故事件的经验反馈和后续行动。 检查风电场(在建项目)第一责任人对事故报告流程的了解情况。 1项次工作未开展,不能通过相关记录验证扣1分,共20分 安全生产责任制考核程序 管理程序的传达学习。 与在建项目承包商签订的《工程服务安全生产合同》,安全风险抵押金的缴纳情况。 向风电场下达的《安质环绩效考核指标》。 事故责任追究情况,涵盖直接责任者、主要责任者、领导责任。 检查风电场(在建项目)员工对全员安质环绩效考核办法的了解情况。 安全监督检查管理程序 风电场(在建项目)安全监督人员的配备及培训授权。 业主项目部和风电场安全监管人员的职责履行情况。 隐患的排查治理和报告。 隐患分级管理台帐及其与上报信息的符合性。 隐患的闭环管理。 隐患通知与反馈表单的使用。 现场项目部和风力发电场每周至少组织一次检查。 现场项目部和风力发电场开展季节性、节前、专业性检查。 现场“一般隐患(设备缺陷)”发现、举报的奖励情况。 检查风电场(在建项目)员工对隐患发现奖励的了解情况。 工程建设及生产运行标准化管理程序 管理程序的传达学习。 在建项目吊装、建筑、变电站设备安装、集电线路架设等工程服务承包商进场前的开工安全条件确认情况。 风电场(在建项目)报送安全月报表与现场实际的符合性。 6 安全质量年 活动开展及总结情况 对照分公司报送的活动报告检查现场实际开展情况。 10分,1项次活动未开展,不能通过相关记录验证扣2分 总得分: 检查人: 说明:(1)序号1中的检查项适用于冬季在建项目,序号2中的检查项适用于风电场。序号3中的前两项检查项适用于在建项目,最后一项适用于风电场。序号4-5检查项普遍适用。 (2)冬季施工项目/风电场得分90分及以上为合格,80分以下为严重不合格。
展开阅读全文

开通  VIP会员、SVIP会员  优惠大
下载10份以上建议开通VIP会员
下载20份以上建议开通SVIP会员


开通VIP      成为共赢上传

当前位置:首页 > 应用文书 > 其他

移动网页_全站_页脚广告1

关于我们      便捷服务       自信AI       AI导航        抽奖活动

©2010-2026 宁波自信网络信息技术有限公司  版权所有

客服电话:0574-28810668  投诉电话:18658249818

gongan.png浙公网安备33021202000488号   

icp.png浙ICP备2021020529号-1  |  浙B2-20240490  

关注我们 :微信公众号    抖音    微博    LOFTER 

客服