收藏 分销(赏)

附录J--钢结构分项工程检验批质量验收记录表.doc

上传人:人****来 文档编号:9995132 上传时间:2025-04-16 格式:DOC 页数:14 大小:274.54KB 下载积分:8 金币
下载 相关 举报
附录J--钢结构分项工程检验批质量验收记录表.doc_第1页
第1页 / 共14页
附录J--钢结构分项工程检验批质量验收记录表.doc_第2页
第2页 / 共14页


点击查看更多>>
资源描述
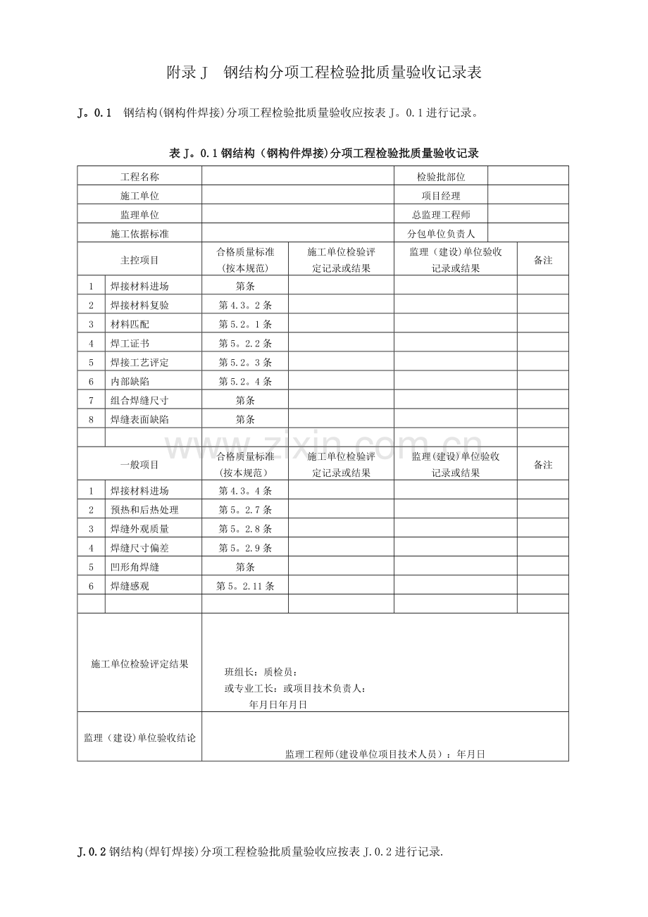
附录J__钢结构分项工程检验批质量验收记录表(全) (全面完整资料,可直接使用,可编辑,推荐下载) 附录J 钢结构分项工程检验批质量验收记录表 J。0.1 钢结构(钢构件焊接)分项工程检验批质量验收应按表J。0.1进行记录。 表J。0.1钢结构(钢构件焊接)分项工程检验批质量验收记录 工程名称 检验批部位 施工单位 项目经理 监理单位 总监理工程师 施工依据标准 分包单位负责人 主控项目 合格质量标准 (按本规范) 施工单位检验评 定记录或结果 监理(建设)单位验收 记录或结果 备注 1 焊接材料进场 第条 2 焊接材料复验 第4.3。2条 3 材料匹配 第5.2。1条 4 焊工证书 第5。2.2条 5 焊接工艺评定 第5.2。3条 6 内部缺陷 第5.2。4条 7 组合焊缝尺寸 第条 8 焊缝表面缺陷 第条 一般项目 合格质量标准 (按本规范) 施工单位检验评 定记录或结果 监理(建设)单位验收 记录或结果 备注 1 焊接材料进场 第4.3。4条 2 预热和后热处理 第5。2.7条 3 焊缝外观质量 第5。2.8条 4 焊缝尺寸偏差 第5。2.9条 5 凹形角焊缝 第条 6 焊缝感观 第5。2.11条 施工单位检验评定结果 班组长:质检员: 或专业工长:或项目技术负责人: 年月日年月日 监理(建设)单位验收结论 监理工程师(建设单位项目技术人员):年月日 J.0.2钢结构(焊钉焊接)分项工程检验批质量验收应按表J.0.2进行记录. 表J.0。2钢结构(焊钉焊接)分项工程检验批质量验收记录 工程名称 检验批部位 施工单位 项目经理 监理单位 总监理工程师 施工依据标准 分包单位负责人 主控项目 合格质量标准 (按本规范) 施工单位检验评 定记录或结果 监理(建设)单位验收 记录或结果 备注 1 焊接材料进场 第4。3.l条 2 焊接材料复验 第4.3。2条 3 焊接工艺评定 第5。3。1条 4 焊后弯血试验 第条 一般项目 合格质量标准 (按本规范) 施工单位检验评 定记录或结果 监理(建设)单位验收 记录或结果 备注 1 焊钉和瓷环尺寸 第4。3。3条 2 焊缝外观质量 第条 施工单位检验评定结果 班组长:质检员: 或专业工长:或项目技术负责人: 年月日年月日 监理(建设)单位验收结论 监理工程师(建设单位项目技术人员):年月日 J。O。3钢结构(普通紧固件连接)分项工程检验批质量验收应按表J。O.3进行记录。 表J.0。3钢结构(普通紧固件连接)分项工程检验批质量验收记录 工程名称 检验批部位 施工单位 项目经理 监理单位 总监理工程师 施工依据标准 分包单位负责人 主控项目 合格质量标准 (按本规范) 施工单位检验评 定记录或结果 监理(建设)单位验收 记录或结果 备注 1 成品进场 第4。4。1条 2 螺栓实物复验 第6.2。1条 3 匹配及间距 第条 一般项目 合格质量标准 (按本规范) 施工单位检验评 定记录或结果 监理(建设)单位验收 记录或结果 备注 1 螺栓紧固 第6.2。3条 2 外观质量 第6。2.4条 施工单位检验评定结果 班组长:质检员: 或专业工长:或项目技术负责人: 年月日年月日 监理(建设)单位验收结论 监理工程师(建设单位项目技术人员):年月日 J。0.4钢结构(高强度螺栓连接)分项工程检验批质量验收应按表J.0.4进行记录。 表J。0.4钢结构(高强度螺栓连接)分项工程检验批质量验收记录 工程名称 检验批部位 施工单位 项目经理 监理单位 总监理工程师 施工依据标准 分包单位负责人 主控项目 合格质量标准 (按本规范) 施工单位检验评 定记录或结果 监理(建设)单位验收 记录或结果 备注 1 成品进场 第4。4.1条 2 扭矩系数或 预拉力复验 第4。4。2条或 第条 3 抗滑移系数试验 第6。3.1条 4 终拧扭矩 第条或 第条 一般项目 合格质量标准 (按本规范) 施工单位检验评 定记录或结果 监理(建设)单位验收 记录或结果 备注 1 成品包装 第4。4。4条 2 表面硬度试验 第条 3 初拧、复拧扭矩 第6。3。4条 4 连接外观质量 第6。3。5条 5 摩擦面外观 第6。3。6条 6 扩孔 第6。3。7条 7 网架螺栓紧固 第6。3.8条 施工单位检验评定结果 班组长:质检员: 或专业工长:或项目技术负责人: 年月日年日日 监理(建设)单位验收结论 监理工程师(建设单位项目技术人员): 年月日 J.0.5钢结构(零件及部件加工)分项工程检验批质量验收应按表J。O。5进行记录。 表J.O.5钢结构(零件及部件加工)分项工程检验批质量验收记录 工程名称 检验批部位 施工单位 项目经理 监理单位 总监理工程师 施工依据标准 分包单位负责人 主控项目 合格质量标准 (按本规范) 施工单位检验评 定记录或结果 监理(建设)单位验收 记录或结果 备注 1 材料进场 第4.2。1条 2 钢材复验 第4.2。2条 3 切面质量 第条 4 矫正和成型 第7.3。1条和 第7.3。2条 5 边缘加工 第7。4.1条 6 螺栓球、焊接球加工 第7.5。1条和 第7。5.2条 7 制孔 第7.6。1条 一般项目 合格质量标准 (按本规范) 施工单位检验评 定记录或结果 监理(建设)单位验收 记录或结果 备注 1 材料规格尺寸 第4.2。3条和 第4.2。4条 2 钢材表面质量 第4。2.5条 3 切割精度 第7。2。2条或 第条 4 矫正质量 第7。3.3条、 第7.3。4条和 第7。3.5条 5 边缘加工精度 第条 6 螺栓球、焊接球 加工精度 第7.5。3条和 第7.5。4条 7 管件加工精度 第条 8 制孔精度 第条和 第7。6。3条 施工单位检验评定结果 班组长:质检员: 或专业工长:或项目技术负责人: 年月日年月日 监理(建设)单位验收结论 监理工程师(建设单位项目技术人员):年月日 J.O。6钢结构(构件组装)分项工程检验批质量验收应按表J.O.6进行记录。 表J。0。6钢结构(构件组装)分项工程检验批质量验收记录 工程名称 检验批部位 施工单位 项目经理 监理单位 总监理工程师 施工依据标准 分包单位负责人 主控项目 合格质量标准 (按本规范) 施工单位检验评 定记录或结果 监理(建设)单位验收 记录或结果 备注 1 吊车梁(桁架) 第8.3。1条 2 端部铣平精度 第8.4。1条 3 外形尺寸 第8.5。1条 一般项目 合格质量标准 (按本规范) 施工单位检验评 定记录或结果 监理(建设)单位验收 记录或结果 备注 1 焊接H型钢接缝 第条 2 焊接H型钢精度 第8。2.2条 3 焊接组装精度 第8.3。2条 4 顶紧接触面 第条 5 轴线交点错位 第8。3.4条 6 焊缝坡口精度 第8。4.2条 7 铣平面保护 第条 8 外形尺寸 第8。5.2条 施工单位检验评定结果 班组长:质检员: 或专业工长:或项目技术负责人: 年月日年月日 监理(建设)单位验收结论 监理工程师(建设单位项目技术人员):年月日 J。0.7钢结构(预拼装)分项工程检验批质量验收应按表J.0.7进行记录。 表J。0.7钢结构(预拼装)分项工程检验批质量验收记录 工程名称 检验批部位 施工单位 项目经理 监理单位 总监理工程师 施工依据标准 分包单位负责人 主控项目 合格质量标准 (按本规范) 施工单位检验评 定记录或结果 监理(建设)单位验收 记录或结果 备注 1 多层板叠螺栓孔 第条 一般项目 合格质量标准 (按本规范) 施工单位检验评 定记录或结果 监理(建设)单位验收 记录或结果 备注 1 预拼装精度 第9.2。2条 施工单位检验评定结果 班组长:质检员: 或专业工长:或项目技术负责人: 年月日年月日 监理(建设)单位验收结论 监理工程师(建设单位项目技术人员):年月日 J。0。8钢结构(单层结构安装)分项工程检验批质量验收应按表J。0。8进行记录。 表J.0。8钢结构(单层结构安装)分项工程检验批质量验收记录 工程名称 检验批部位 施工单位 项目经理 监理单位 总监理工程师 施工依据标准 分包单位负责人 主控项目 合格质量标准 (按本规范) 施工单位检验评 定记录或结果 监理(建设)单位验收 记录或结果 备注 1 基础验收 第10.2。1条、 第10.2。2条、 第条、 第lO。2.4条 2 构件验收 第10。3。1条 3 顶紧接触面 第10。3。2条 4 垂直度和侧弯曲 第10.3。3条 5 主体结构尺寸 第10。3。4条 一般项目 合格质量标准 (按本规范) 施工单位检验评 定记录或结果 监理(建设)单位验收 记录或结果 备注 1 地脚螺栓精度 第条 2 标记 第10。3.5条 3 桁架、梁安装精度 第10。3。6条 4 钢柱安装精度 第10.3。7条 5 吊车梁安装精度 第10。3.8条 6 懔条等安装精度 第10。3。9条 7 平台等安装精度 第10.3。10条 8 现场组对精度 第10。3.11条 9 结构表面 第10。3.12条 施工单位检验评定结果 班组长:质检员: 或专业工长:或项目技术负责人: 年月日年月日 监理(建设)单位验收结论 监理工程师(建设单位项目技术人员):年月日 J.0。9钢结构(多层及高层结构安装)分项工程检验批质量验收应按表J。0。9进行记录。 表J。O.9钢结构(多层及高层结构安装)分项工程检验批质量验收记录 工程名称 检验批部位 施工单位 项目经理 监理单位 总监理工程师 施工依据标准 分包单位负责人 主控项目 合格质量标准 (按本规范) 施工单位检验评 定记录或结果 监理(建设)单位验收 记录或结果 备注 1 基础验收 第11.2。1条、 第11。2。2条、 第11。2.3条、 第11.2。4条 2 构件验收 第11。3。1条 3 钢柱安装精度 第11.3。2条 4 顶紧接触面 第11.3。3条 5 垂直度和侧弯曲 第条 6 主体结构尺寸 第条 一般项目 合格质量标准 (按本规范) 施工单位检验评 定记录或结果 监理(建设)单位验收 记录或结果 备注 1 地脚螺栓精度 第条 2 体记 第条 3 构件安装精度 第11.3。8条、 第11。3。10条 4 主体结构高度 第11.3.9条 5 吊车梁安装精度 第11。3。u条 6 檩条等安装精度 第条 7 平台等安装精度 第11。3。13条 8 现场组对精度 第11.3。14条 9 结构表面 第11.3.6条 施工单位检验评定结果 班组长:质检员: 或专业工长:或项目技术负责人: 年月日年月日 监理(建设)单位验收结论 监理工程师(建设单位项目技术人员):年月日 J.O。10钢结构(网架结构安装)分项工程检验批质量验收应按表J。O.10进行记录。 表J.O.10钢结构(网架结构安装)分项工程检验批质量验收记录 工程名称 检验批部位 施工单位 项目经理 监理单位 总监理工程师 施工依据标准 分包单位负责人 主控项目 合格质量标准 (按本规范) 施工单位检验评 定记录或结果 监理(建设)单位验收 记录或结果 备注 1 焊接球 第4。5。1条、 第条 2 螺栓球 第条、 第4。6。2条 3 封板、锥头、套筒 第4。7。1条、 第条 4 橡胶垫 第4。10。1条 5 基础验收 第12。2.1条、 第12。2.2条 6 支座 第12.2。3条、 第12。2.4条 7 拼装精度 第条、 第12。3.2条 8 节点承载力试验 第条 9 结构挠度 第12.3。4条 一般项目 合格质量标准 (按本规范) 施工单位检验评 定记录或结果 监理(建设)单位验收 记录或结果 备注 1 焊接球精度 第4。5.3条、 第4.5。4条 2 螺栓球精度 第4。6。4条 3 螺栓球螺纹精度 第4。6。3条 4 锚栓精度 第12。2.5条 5 结构表面 第12.3。5条 6 安装精度 第12.3。6条 施工单位检验评定结果 班组长:质检员: 或专业工长:或项目技术负责人: 年月日年月日 监理(建设)单位验收结论 监理工程师(建设单位项目技术人员):年月日 J.0。11钢结构(压型金属板)分项工程检验批质量验收应按表J.O。11进行记录. 表J。0。11钢结构(压型金属板)分项工程检验批质量验收记录 工程名称 检验批部位 施工单位 项目经理 监理单位 总监理工程师 施工依据标准 分包单位负责人 主控项目 合格质量标准 (按本规范) 施工单位检验评 定记录或结果 监理(建设)单位验收 记录或结果 备注 1 压型金属板进场 第条 第4。8.2条 2 基板裂纹 第条 3 涂层缺陷 第条 4 现场安装 第13。3。1条 5 搭接 第条 6 端部锚固 第13。3.3条 一般项目 合格质量标准 (按本规范) 施工单位检验评 定记录或结果 监理(建设)单位验收 记录或结果 备注 1 压型金属板精度 第4。8.3条 2 轧制精度 第条 第13。2。5条 3 表面质量 第13.2。4条 4 安装质量 第条 5 安装精度 第13。3.5条 施工单位检验评定结果 班组长:质检员: 或专业工长:或项目技术负责人: 年月日年月日 监理(建设)单位验收结论 监理工程师(建设单位项目技术人员):年月日 J.0。12钢结构(防腐涂料涂装)分项工程检验批质量验收应按表J。0。12进行记录。 表J。O。12钢结构(防腐涂料涂装)分项工程检验批质量验收记录 工程名称 检验批部位 施工单位 项目经理 监理单位 总监理工程师 施工依据标准 分包单位负责人 主控项目 合格质量标准 (按本规范) 施工单位检验评 定记录或结果 监理(建设)单位验收 记录或结果 备注 1 产品进场 第4.9。1条 2 表面处理 第14。2。1条 3 涂层厚度 第14。2.2条 一般项目 合格质量标准 (按本规范) 施工单位检验评 定记录或结果 监理(建设)单位验收 记录或结果 备注 1 产品进场 第4.9。3条 2 表面质量 第14.2。3条 3 附着力测试 第14。2。4条 4 标志 第14.2。5条 施工单位检验评定结果 班组长:质检员: 或专业工长:或项目技术负责人: 年月日年月日 监理(建设)单位验收结论 监理工程师(建设单位项目技术人员):年月日 J.0.13钢结构(防火涂料涂装)分项工程检验批质量验收应按表J。0.13进行记录。 表J。0。13钢结构(防火涂料涂装)分项工程检验批质量验收记录 工程名称 检验批部位 施工单位 项目经理 监理单位 总监理工程师 施工依据标准 分包单位负责人 主控项目 合格质量标准 (按本规范) 施工单位检验评 定记录或结果 监理(建设)单位验收 记录或结果 备注 1 产品进场 第4。9.2条 2 涂装基层验收 第14.3。1条 3 强度试验 第14。3。2条 4 涂层厚度 第14。3.3条 5 表面裂纹 第条 一般项目 合格质量标准 (按本规范) 施工单位检验评 定记录或结果 监理(建设)单位验收 记录或结果 备注 1 产品进场 第4。9。3条 2 基层表面 第14。3.5条 3 涂层表面质量 第14.3。6条 施工单位检验评定结果 班组长:质检员: 或专业工长:或项目技术负责人: 年月日年月日 监理(建设)单位验收结论 监理工程师(建设单位项目技术人员):年月日
展开阅读全文

开通  VIP会员、SVIP会员  优惠大
下载10份以上建议开通VIP会员
下载20份以上建议开通SVIP会员


开通VIP      成为共赢上传

当前位置:首页 > 环境建筑 > 钢结构/公共建筑

移动网页_全站_页脚广告1

关于我们      便捷服务       自信AI       AI导航        抽奖活动

©2010-2025 宁波自信网络信息技术有限公司  版权所有

客服电话:0574-28810668  投诉电话:18658249818

gongan.png浙公网安备33021202000488号   

icp.png浙ICP备2021020529号-1  |  浙B2-20240490  

关注我们 :微信公众号    抖音    微博    LOFTER 

客服