收藏 分销(赏)

陶板幕墙工程检验批质量验收记录样本.doc

上传人:快乐****生活 文档编号:9902844 上传时间:2025-04-12 格式:DOC 页数:7 大小:67.50KB 下载积分:6 金币
下载 相关 举报
陶板幕墙工程检验批质量验收记录样本.doc_第1页
第1页 / 共7页
陶板幕墙工程检验批质量验收记录样本.doc_第2页
第2页 / 共7页


点击查看更多>>
资源描述
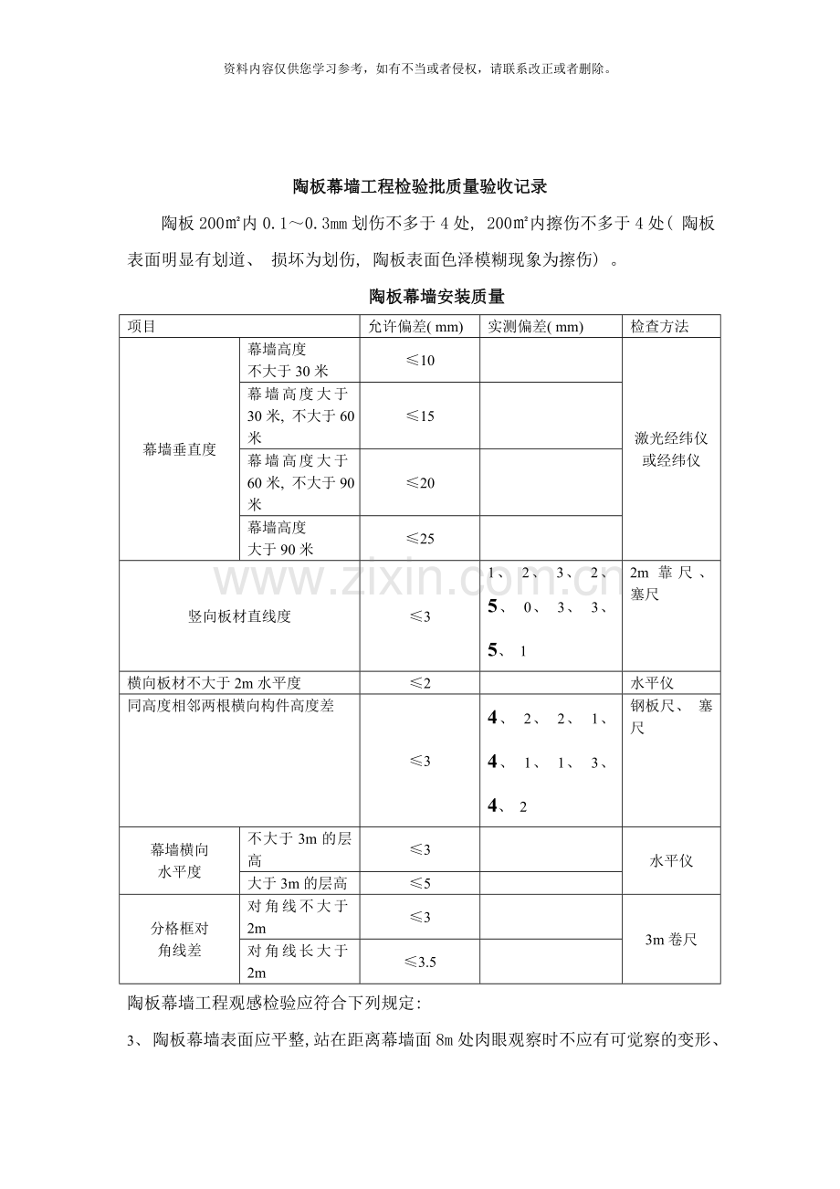
资料内容仅供您学习参考,如有不当或者侵权,请联系改正或者删除。 陶板幕墙工程检验批质量验收记录 陶板200㎡内0.1~0.3mm划伤不多于4处, 200㎡内擦伤不多于4处( 陶板表面明显有划道、 损坏为划伤, 陶板表面色泽模糊现象为擦伤) 。 陶板幕墙安装质量 项目 允许偏差( mm) 实测偏差( mm) 检查方法 幕墙垂直度 幕墙高度 不大于30米 ≤10 激光经纬仪或经纬仪 幕墙高度大于30米, 不大于60米 ≤15 幕墙高度大于60米, 不大于90米 ≤20 幕墙高度 大于90米 ≤25 竖向板材直线度 ≤3 2、 3、 4、 1、 2、 1、 1、 1、 3、 1 2m靠尺、 塞尺 横向板材不大于2m水平度 ≤2 水平仪 同高度相邻两根横向构件高度差 ≤3 5、 4、 2、 5、 1、 3、 1、 3、 1、 1 钢板尺、 塞尺 幕墙横向 水平度 不大于3m的层高 ≤3 水平仪 大于3m的层高 ≤5 分格框对 角线差 对角线不大于2m ≤3 3m卷尺 对角线长大于2m ≤3.5 陶板幕墙工程观感检验应符合下列规定: 1、 陶板幕墙表面应平整, 站在距离幕墙面8m处肉眼观察时不应有可觉察的变形、 波纹或局部压砸等缺陷。 2、 陶板颜色应均匀, 色泽应同样板相符, 小色差应在允许的范围内。 3、 陶板表面不得有凹坑、 缺角、 裂缝、 斑痕。 4、 窗洞口陶土板收边收口时, 胶缝应横平竖直, 表面光泽无污染。 陶板幕墙工程检验批质量验收记录 陶板200㎡内0.1~0.3mm划伤不多于4处, 200㎡内擦伤不多于4处( 陶板表面明显有划道、 损坏为划伤, 陶板表面色泽模糊现象为擦伤) 。 陶板幕墙安装质量 项目 允许偏差( mm) 实测偏差( mm) 检查方法 幕墙垂直度 幕墙高度 不大于30米 ≤10 激光经纬仪或经纬仪 幕墙高度大于30米, 不大于60米 ≤15 幕墙高度大于60米, 不大于90米 ≤20 幕墙高度 大于90米 ≤25 竖向板材直线度 ≤3 1、 2、 3、 2、 5、 0、 3、 3、 5、 1 2m靠尺、 塞尺 横向板材不大于2m水平度 ≤2 水平仪 同高度相邻两根横向构件高度差 ≤3 4、 2、 2、 1、 4、 1、 1、 3、 4、 2 钢板尺、 塞尺 幕墙横向 水平度 不大于3m的层高 ≤3 水平仪 大于3m的层高 ≤5 分格框对 角线差 对角线不大于2m ≤3 3m卷尺 对角线长大于2m ≤3.5 陶板幕墙工程观感检验应符合下列规定: 3、 陶板幕墙表面应平整, 站在距离幕墙面8m处肉眼观察时不应有可觉察的变形、 波纹或局部压砸等缺陷。 4、 陶板颜色应均匀, 色泽应同样板相符, 小色差应在允许的范围内。 3、 陶板表面不得有凹坑、 缺角、 裂缝、 斑痕。 4、 窗洞口陶土板收边收口时, 胶缝应横平竖直, 表面光泽无污染。 陶板幕墙工程检验批质量验收记录 陶板200㎡内0.1~0.3mm划伤不多于4处, 200㎡内擦伤不多于4处( 陶板表面明显有划道、 损坏为划伤, 陶板表面色泽模糊现象为擦伤) 。 陶板幕墙安装质量 项目 允许偏差( mm) 实测偏差( mm) 检查方法 幕墙垂直度 幕墙高度 不大于30米 ≤10 激光经纬仪或经纬仪 幕墙高度大于30米, 不大于60米 ≤15 幕墙高度大于60米, 不大于90米 ≤20 幕墙高度 大于90米 ≤25 竖向板材直线度 ≤3 4、 5、 0、 1、 3、 3、 3、 0、 1、 5 2m靠尺、 塞尺 横向板材不大于2m水平度 ≤2 水平仪 同高度相邻两根横向构件高度差 ≤3 2、 4、 7、 2、 2、 1、 2、 5、 2、 5 钢板尺、 塞尺 幕墙横向 水平度 不大于3m的层高 ≤3 水平仪 大于3m的层高 ≤5 分格框对 角线差 对角线不大于2m ≤3 3m卷尺 对角线长大于2m ≤3.5 陶板幕墙工程观感检验应符合下列规定: 5、 陶板幕墙表面应平整, 站在距离幕墙面8m处肉眼观察时不应有可觉察的变形、 波纹或局部压砸等缺陷。 6、 陶板颜色应均匀, 色泽应同样板相符, 小色差应在允许的范围内。 3、 陶板表面不得有凹坑、 缺角、 裂缝、 斑痕。 4、 窗洞口陶土板收边收口时, 胶缝应横平竖直, 表面光泽无污染。 陶板幕墙工程检验批质量验收记录 陶板200㎡内0.1~0.3mm划伤不多于4处, 200㎡内擦伤不多于4处( 陶板表面明显有划道、 损坏为划伤, 陶板表面色泽模糊现象为擦伤) 。 陶板幕墙安装质量 项目 允许偏差( mm) 实测偏差( mm) 检查方法 幕墙垂直度 幕墙高度 不大于30米 ≤10 激光经纬仪或经纬仪 幕墙高度大于30米, 不大于60米 ≤15 幕墙高度大于60米, 不大于90米 ≤20 幕墙高度 大于90米 ≤25 竖向板材直线度 ≤3 2、 2、 1、 3、 4、 1、 1、 3、 1、 1 2m靠尺、 塞尺 横向板材不大于2m水平度 ≤2 水平仪 同高度相邻两根横向构件高度差 ≤3 1、 1、 2、 1、 3、 1、 3、 2、 2、 1 钢板尺、 塞尺 幕墙横向 水平度 不大于3m的层高 ≤3 水平仪 大于3m的层高 ≤5 分格框对 角线差 对角线不大于2m ≤3 3m卷尺 对角线长大于2m ≤3.5 陶板幕墙工程观感检验应符合下列规定: 7、 陶板幕墙表面应平整, 站在距离幕墙面8m处肉眼观察时不应有可觉察的变形、 波纹或局部压砸等缺陷。 8、 陶板颜色应均匀, 色泽应同样板相符, 小色差应在允许的范围内。 3、 陶板表面不得有凹坑、 缺角、 裂缝、 斑痕。 4、 窗洞口陶土板收边收口时, 胶缝应横平竖直, 表面光泽无污染。 陶板幕墙工程检验批质量验收记录 陶板200㎡内0.1~0.3mm划伤不多于4处, 200㎡内擦伤不多于4处( 陶板表面明显有划道、 损坏为划伤, 陶板表面色泽模糊现象为擦伤) 。 陶板幕墙安装质量 项目 允许偏差( mm) 实测偏差( mm) 检查方法 幕墙垂直度 幕墙高度 不大于30米 ≤10 激光经纬仪或经纬仪 幕墙高度大于30米, 不大于60米 ≤15 幕墙高度大于60米, 不大于90米 ≤20 幕墙高度 大于90米 ≤25 竖向板材直线度 ≤3 2m靠尺、 塞尺 横向板材不大于2m水平度 ≤2 水平仪 同高度相邻两根横向构件高度差 ≤3 钢板尺、 塞尺 幕墙横向 水平度 不大于3m的层高 ≤3 水平仪 大于3m的层高 ≤5 分格框对 角线差 对角线不大于2m ≤3 3m卷尺 对角线长大于2m ≤3.5 陶板幕墙工程观感检验应符合下列规定: 9、 陶板幕墙表面应平整, 站在距离幕墙面8m处肉眼观察时不应有可觉察的变形、 波纹或局部压砸等缺陷。 10、 陶板颜色应均匀, 色泽应同样板相符, 小色差应在允许的范围内。 3、 陶板表面不得有凹坑、 缺角、 裂缝、 斑痕。 4、 窗洞口陶土板收边收口时, 胶缝应横平竖直, 表面光泽无污染。 关于A-9高美幕墙及陶板施工检查情况统计表 1、 室外陶板幕墙有个别陶板有破损、 表面透锈、 污染及安装时采用的铁垫片、 塑料片未给予清理等现象, 有色差。 2、 室外雨水管出理石或铝单板表面之后, 周圈未给予打胶封闭。 3、 玻璃幕墙两块玻璃之间存在接续高低差, 玻璃有破损未更换, 玻璃密封胶缝注胶深浅不一致、 不光滑顺直。 4、 外墙面铝单板存在相邻板材板角错位、 接缝高低差、 接缝宽度不同程度的不合格现象。 5、 室内、 外铝单板的保护膜清除不彻底。 6、 室内幕墙纵框与纵框、 横框之间存在接缝缝隙大、 未注胶等现象。 7、 室内每层阳台门有部分缺压条, 扇与框之间有缝隙、 透亮。 8、 剩余尾项: 1) 、 北门雨棚玻璃未安装, 钢结构杆件防腐、 油漆未做。 2) 、 外墙一、 二层之间的装饰架未完成。 3) 、 三~九层阳台扶手未安装。 4) 、 二~七层北露台扶手未安装。 5) 、 C座九层女儿墙压顶铝单板立面板缝未注胶。 6) 、 玻璃顶屋面垃圾未清理。 7) 、 新办公室雨棚玻璃未安装, 钢结构杆件防腐、 油漆未做。
展开阅读全文

开通  VIP会员、SVIP会员  优惠大
下载10份以上建议开通VIP会员
下载20份以上建议开通SVIP会员


开通VIP      成为共赢上传

当前位置:首页 > 包罗万象 > 大杂烩

移动网页_全站_页脚广告1

关于我们      便捷服务       自信AI       AI导航        抽奖活动

©2010-2025 宁波自信网络信息技术有限公司  版权所有

客服电话:0574-28810668  投诉电话:18658249818

gongan.png浙公网安备33021202000488号   

icp.png浙ICP备2021020529号-1  |  浙B2-20240490  

关注我们 :微信公众号    抖音    微博    LOFTER 

客服