收藏 分销(赏)

随机抽查事项清单.doc

上传人:精**** 文档编号:9799541 上传时间:2025-04-08 格式:DOC 页数:10 大小:50.54KB 下载积分:8 金币
下载 相关 举报
随机抽查事项清单.doc_第1页
第1页 / 共10页
随机抽查事项清单.doc_第2页
第2页 / 共10页


点击查看更多>>
资源描述
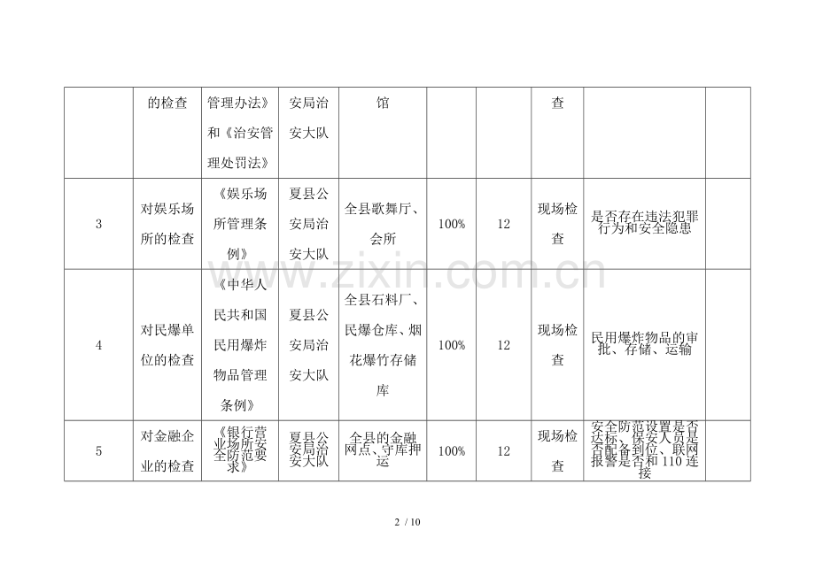
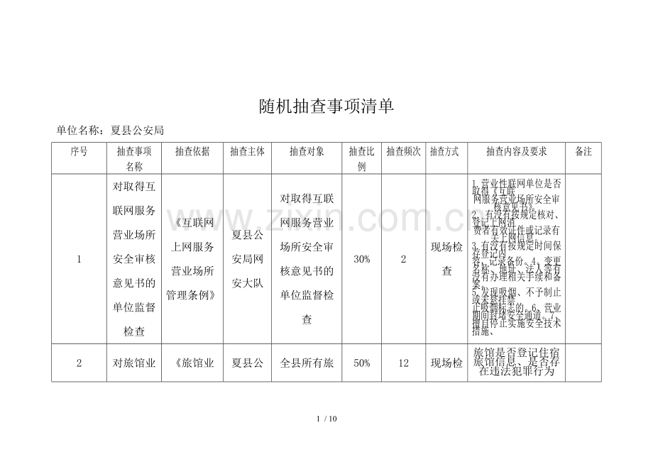
随机抽查事项清单 单位名称:夏县公安局 序号 抽查事项 名称 抽查依据 抽查主体 抽查对象 抽查比例 抽查频次 抽查方式 抽查内容及要求 备注 1 对取得互联网服务营业场所安全审核意见书的单位监督检查 《互联网上网服务营业场所管理条例》 夏县公安局网安大队 对取得互联网服务营业场所安全审核意见书的单位监督检查 30% 2 现场检查 1.营业性联网单位是否取得《互联 网服务营业场所安全审核意见书》。 2.有没有按规定核对、登记上网消 费者有效证件或记录有关上网信息。 3.有没有按规定时间保存登记内 容,记录备份。4。变更名称、地址、法人等有没有办理相关手续和备案。 5.发现吸烟、不予制止或未悬挂禁 止吸烟标志的。6、营业期间封堵安全通道。7、擅自停止实施安全技术措施、 2 对旅馆业的检查 《旅馆业管理办法》和《治安管理处罚法》 夏县公安局治安大队 全县所有旅馆 50% 12 现场检查 旅馆是否登记住宿旅馆信息、是否存在违法犯罪行为 3 对娱乐场所的检查 《娱乐场所管理条例》 夏县公安局治安大队 全县歌舞厅、会所 100% 12 现场检查 是否存在违法犯罪行为和安全隐患 4 对民爆单位的检查 《中华人民共和国民用爆炸物品管理条例》 夏县公安局治安大队 全县石料厂、民爆仓库、烟花爆竹存储库 100% 12 现场检查 民用爆炸物品的审批、存储、运输 5 对金融企业的检查 《银行营业场所安全防范要求》 夏县公安局治安大队 全县的金融网点、守库押运 100% 12 现场检查 安全防范设置是否达标、保安人员是否配备到位、联网报警是否和110连接 6 对道路交通违法行为的检查 《中华人民共和国交通安全法》《山西省道路交通安全法实施办法》 夏县公安局交警大队 机动车、驾驶人 20% 2 路面现场检查 1、机动车是否注册登记、超员、超速、套牌、假牌、遮拦号牌、有无检验合格标志、有无保险标志。2、驾驶人是否有驾驶证、酒后驾驶、是否随身携带驾驶证、是否存在有证无工业化违法行为,是否佩戴安全带、安全头盔。 7 对公众聚集场所开业前的消防检查 (中华人民共和国消防法) 第十五条 未经消防安全检查或者经检查不符合消防安全要求的,不得投入使用,营业。 第五十八条第一款第五项 公众聚集场所未经消防安全检查或者经检查不符合消防安全要求,擅自投入用、营业的。 夏县公安消防大队 取得公众聚集场所开业前消防检查合格证 100% 1 现场 检查 1、公众聚集场所开业前是否办理消防检查合格证;2、是否有消防安全制度、灭火应急预案、消防安全培训记录;3、消防设施、器材配置设置是否符合标准。 8 对建设工程消防设计备案情况的检查 (中华人民共和国消防法) 第十条 建设单位施工前需经消防设计备案 第五十八条第二款 建设单位未经消防设计备案擅自施工。 夏县公安消防大队 建设工程消防设计备案 100% 1 现场 检查 抽查图纸是否符合消防安全条件 9 对建设工程消防竣工验收的检查 (中华人民共和国消防法) 第十三条 第一条第二款 建设单位按照消防技术标准需要进行消防验收。 第五十八条第一款第三项 依法应当进行消防验收的建设工程,未经消防验收或者消防验收不合格,擅自投入使用的。 夏县公安消防大队 建设工程竣工验收 100% 1 现场 检查 1、建设工程是否进行消防竣工验收备案;2、建设单位是否有消防安全制度、灭火应急预案、消防安全培训记录;3、消防设施、器材配置设置是否符合标准。 10 对机关、团体、企业、事业单位的消防安全职责的检查 (中华人民共和国消防法) 机关、团体、企业、事业等单位应当履行下列消防安全职责:1、落实消防安全操作规程、制定灭火和应急疏散预案;2、按照国家标准、行业标准配置消防设施、器材,设置消防安全标志,并定期组织检验、维修,确保完好有效;3、对建筑消防设施每年至少进行一次全面检测,确保完好有效,检测记录应当完整准确,存档备查;4、保障疏散通道、安全出口、消防车通道畅通,保证防火防烟分区、防火间距符合消防技术标准;5、组织防火检查,及时消除火灾隐患;6、组织进行有针对性的消防演练;7、法律、法规的其他消防安全职责。 夏县公安消防大队 机关、团体、企业、事业单位 100% 1 现场 检查 1、是否落实消防安全操作规程、制定灭火和应急疏散预案;2、是否按照国家标准、行业标准配置消防设施、器材,设置消防安全标志,并定期组织检验、维修,确保完好有效;3、是否对建筑消防设施每年至少进行一次全面检测,确保完好有效,检测记录应当完整准确,存档备查;4、是否保障疏散通道、安全出口、消防车通道畅通,保证防火防烟分区、防火间距符合消防技术标准; 5、是否组织防火检查,及时消除火灾隐患;6、是否组织进行有针对性的消防演练;7、是否有法律、法规的其他消防安全职责。 11 对举办大型群众性活动申请消防安全许可的检查 (中华人民共和国消防法) 第二十条 举办大型群众性活动,承办人应当依法向公安机关申请安全许可,制定灭火和应急预案并组织演练,明确消防安全责任分工,确定消防安全管理人员,保持消防设施和消防器材配置齐全、完好有效,保证疏散通道、安全出口、疏散指示标志、应急照明和消防车通道符合消防技术标准和管理规定。 夏县公安消防大队 大型群众性活动 100% 1 现场 检查 1、是否制定灭火和应急预案并组织演练,2、是否明确消防安全责任分工,确定消防安全管理人员,3、是否保持消防设施和消防器材配置齐全、完好有效,4、是否保证疏散通道、安全出口、疏散指示标志、应急照明和消防车通道符合消防技术标准和管理规定。 12 对易燃易爆场所的检查 (中华人民共和国消防法) 第二十二条 生产、储存、装卸易燃易爆危险品的工厂、仓库和专门车站、码头的设置、应当符合消防技术标准。易燃易燃气体和液体的充装站、供应站、调压站、应当设置在符合消防安全要求的位置,并符合防火防爆要求。 夏县公安消防大队 易燃易爆场所 100% 1 现场 检查 1、生产、储存、装卸易燃易爆危险品的工厂、仓库和专门车站、码头的设置、是否应当符合消防技术标准。2、易燃易燃气体和液体的充装站、供应站、调压站、应当设置的是否符合消防安全要求的位置,并符合防火防爆要求。 13 对消防产品的检查 (中华人民共和国消防法) 第二十条 消防产品必须符合国家标准;没有国家标准的,必须符合行业标准。禁止生产、销售或者使用不合格的消防产品以及国家明令淘汰的消防产品。 夏县公安消防大队 各场所的消防产品 100% 1 现场 检查 消防产品是否符合国家标准规定。 14 对建筑构件、建筑材料和室内装修、装修材料的防火性能的检查 (中华人民共和国消防法) 第二十六条 建筑构件、建筑材料和室内装修、装修材料的防火性能必须符合国家标准;没有国家标准,必须符合行业标准。 人员密集场所室内装修,装饰,应当按照消防技术标准的要求,使用不燃、难燃材料。 夏县公安消防大队 人员密集场所 100% 1 现场 检查 1、建筑构件、建筑材料和室内装修、装修材料的防火性能是否符合国家标准;没有国家标准,必须符合行业标准。人员密集场所室内装修,装饰,是否符合消防技术标准的要求,使用不燃、难燃材料。 15 对消防重点单位的消防安全职责的检查 (中华人民共和国消防法) 第十六条 1、落实消防安全操作规程、制定灭火和应急疏散预案;2、按照国家标准、行业标准配置消防设施、器材,设置消防安全标志,并定期组织检验、维修,确保完好有效;3、对建筑消防设施每年至少进行一次全面检测,确保完好有效,检测记录应当完整准确,存档备查;4、保障疏散通道、安全出口、消防车通道畅通,保证防火防烟分区、防火间距符合消防技术标准;5、组织防火检查,及时消除火灾隐患;6、组织进行有针对性的消防演练;7、法律、法规的其他消防安全职责。 第十六条 1、确定消防安全管理人、组织实施本单位的消防安全管理工作;2、建立消防档案,确定消防安全重点单位,设置防火标志,实施严格管理;3、实行每日防火巡查,并建立巡查记录;4、对职工进行岗前消防安全培训,定期组织消防安全培训和消防演练。 夏县公安消防大队 机关、团体、企业、事业单位 100% 1 现场 检查 1、是否落实消防安全操作规程、制定灭火和应急疏散预案;2、是否按照国家标准、行业标准配置消防设施、器材,设置消防安全标志,并定期组织检验、维修,确保完好有效;3、是否对建筑消防设施每年至少进行一次全面检测,确保完好有效,检测记录应当完整准确,存档备查;4、是否保障疏散通道、安全出口、消防车通道畅通,保证防火防烟分区、防火间距符合消防技术标准; 5、是否组织防火检查,及时消除火灾隐患;6、是否组织进行有针对性的消防演练;7、是否有法律、法规的其他消防安全职责。8、是否确定消防安全管理人、组织实施本单位的消防安全管理工作;9、是否建立消防档案,确定消防安全重点单位,设置防火标志,实施严格管理;10、是否实行每日防火巡查,并建立巡查记录;11、是否对职工进行岗前消防安全培训,定期组织消防安全培训和消防演练。 10 / 10
展开阅读全文

开通  VIP会员、SVIP会员  优惠大
下载10份以上建议开通VIP会员
下载20份以上建议开通SVIP会员


开通VIP      成为共赢上传

当前位置:首页 > 包罗万象 > 大杂烩

移动网页_全站_页脚广告1

关于我们      便捷服务       自信AI       AI导航        抽奖活动

©2010-2026 宁波自信网络信息技术有限公司  版权所有

客服电话:0574-28810668  投诉电话:18658249818

gongan.png浙公网安备33021202000488号   

icp.png浙ICP备2021020529号-1  |  浙B2-20240490  

关注我们 :微信公众号    抖音    微博    LOFTER 

客服