收藏 分销(赏)

电气与可编程控制器PLC试题汇总.doc

上传人:精**** 文档编号:9782731 上传时间:2025-04-07 格式:DOC 页数:24 大小:706.50KB 下载积分:10 金币
下载 相关 举报
电气与可编程控制器PLC试题汇总.doc_第1页
第1页 / 共24页
电气与可编程控制器PLC试题汇总.doc_第2页
第2页 / 共24页


点击查看更多>>
资源描述
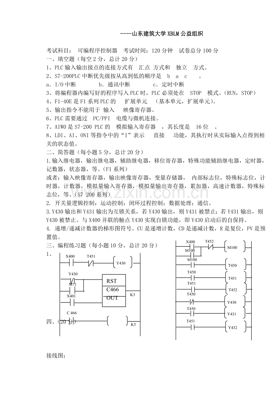
----山东建筑大学XBLM公益组织 考试科目: 可编程序控制器 考试时间:120分钟 试卷总分100分 一、填空题(每空2分,总计20分) 1、PLC输入输出接点的连接方式有 汇点 方式和 独立 方式。 2、S7-200PLC中断优先级按从高到低的顺序是 b a c 。 a.I/O中断 b.通讯中断 c.定时中断 3、将编程器内编写好的程序写入PLC时,PLC必须处在 STOP 模式。(RUN,STOP) 4、F1-40E是F1系列PLC的 扩展单元 (基本单元,扩展单元)。 5、输出指令不能用于 输入 映像寄存器。 6、PLC需要通过 PC/PPI 电缆与微机连接。 7、AIW0是S7-200 PLC的 模拟输入寄存器 ,其长度是 16位 。 8、LDI、AI、ONI等指令中的“I”表示 直接 功能,其执行时从实际输入点得到相关的状态值。 二、简答题(每小题5分,总计20分) 1. 输入继电器, 输出继电器,辅助继电器,移位寄存器,特殊功能辅助继电器,定时器,记数器,状态器,等。(F1系列) 或者:输入映像寄存器,输出映像寄存器,变量存储器, 内部标志位,特殊标志位,计时器,计数器,模拟量输入寄存器,模拟量输出寄存器,累加器,高速计数器,特殊标志位,等。(S7 200系列) 2. 开关量逻辑控制;运动控制;闭环过程控制;数据处理;通信。 3. Y430输出和Y431输出为互锁关系,若Y430输出,则Y431被禁止;若Y431输出,则Y430被禁止。与X400并联的触点Y430实现自锁功能,即Y430启动后的自保持。 T450 T451 T450 T450 T451 M100 M100 T452 X400 M100 T450 T451 T452 Y430 Y431 Y432 4. 递增/递减计数器的梯形图符号。CU是递增计数,CD是递减计数,R是复位,PV是预置值。 三、编程练习题(每小题10分,总计20分) K5 K3 X401 M71 X400 RST C466 OUT Y430 T451 Y430 C 466 1、 四、(20分) 接线图: 梯形图: 指令表: 000 LDI X400 001 ANI X407 002 OUT M100 003 MC M100 004 LD X401 005 OR Y430 006 OR X404 007 ANI X403 008 ANI X405 009 ANI Y431 010 OUT Y430 011 LD X402 012 OR Y431 013 OR X403 014 ANI X404 015 ANI X406 016 ANI Y430 017 OUT Y431 018 MCR M100 019 END 五、(20分)。 接线图: 梯形图: 一.单项选择.(20分) 1.PLC是在什么控制系统基础上发展起来的?( ) A.继电控制系统 B.单片机 C.工业电脑 D.机器人 2.可编程控制器的输出形式中,不包括下列哪种?( ) A.晶体管输出 B.晶闸管输出 C.继电器输出 D.电子管输出 3.下列不属于SET操作元件的是( ) A.Y B.M C.T D.S 4.一般公认的PLC发明时间为( ) A.1945 B.1968 C.1969 D.1970 5.在梯形图中,同一编号的线圈能出现几次? ( ) A.1 B.5 C.1000 D.无数次 6.M8000是归类于( ) A.普通继电器 B.计数器 C.特殊辅助继电器 D.高速计数器 7.热继电器在电路中做电动机的什么保护?( ) A.短路 B.过载 C.过流 D.过压 8.电路块与电路块串联使用什么指令?( ) A、AND B、ANB C、OR D、ORB 9.下列选项中哪个为置位指令?( ) A.RST B.PLS C.SET D. PLF 10.梯形图中,所有触点都应按什么顺序排列?( ) A.从上到下,从左到右 B.从上到下,从右到左 C.从下到上,从左到右 D.从下到上,从右到左 二.填空.(每空1分 共25分) 1.PLC的工作方式是 。 2. 状态指示栏包括 、 、 三种。 3.写出 PLC的四种编程语言有_____ ______、________ ____、_____________、_______________。 4.可编程控制器的输出电路形式有 、 、 。 5. 由于PLC的品种、型号、规格、功能各不相同,要按统一的标准对它们进行分类十分困难。通常,按输入/输出点数可划分成 、 、 型三类。 6.梯形图的每一逻辑行从 出发,以LD或LDI指令开始,到右母线以OUT指令结束,与左母线相连的元件只能是 ,与右母线相连的元件只能是 。 7.多路输出指令包括:MPS、 、 、MC、 。 8.RUN LED亮表示可编程序控制器处于 状态。 9.输入、输出接线端子采用 编码。 10.多路输出指令MC的操作元件是 、 ,MCR 的操作元件是 。 三.简答.(共20分) 1.可编程控制器内部结构一般由哪几部分组成?其中存储器有什么作用?(5分) 2. PLC中共有几种类型的辅助继电器?(5分) 3. 简述可编程控制器的特点。(5分) 4. 简述梯形图的绘制原则。(5分) 四.设计题.(35分) 1.绘出下列指令表对应的梯形图。(7分) LD X0 ANI M0 OUT M0 LD M0 SET Y0 LD X1 RST Y0 END 2.写出下面梯形图的相应指令表 。(8分) 3.写出电机正,反转的梯形图及指令表。(10分) 4.设计一个智力竞赛抢答控制程序,控制要求为: ⑴ 竞赛者共三组,当某竞赛者抢先按下按钮,该竞赛者桌上指示灯亮; ⑵ 指示灯亮后,主持人按下复位按钮后,指示灯熄灭。试设计程序。(10分) 一、填空题(每空2分,总计20分) 1、PLC输入输出接点的连接方式有        方式和        方式。 2、S7-200PLC中断优先级按从高到低的顺序是              。 a.I/O中断        b.通讯中断        c.定时中断  3、将编程器内编写好的程序写入PLC时,PLC必须处在        模式。(RUN,STOP) 4、F1-40E是F1系列PLC的            (基本单元,扩展单元)。 5、输出指令不能用于            映像寄存器。 6、PLC需要通过            电缆与微机连接。 7、AIW0是S7-200 PLC的            ,其长度是           。 8、LDI、AI、ONI等指令中的“I”表示              功能,其执行时从实际输入点得到相关的状态值。 二、简答题(每小题5分,总计20分) 1、 PLC有那些基本编程元件? 2、 可编程序控制器可以应用在哪些领域。 3、 解释图示程序中的Y430输出和Y431输出之间的关系。与X400并联的触点Y430实现什么功能? 4、 图示程序框实现什么功能?各端口的作用是什么? 三、编程练习(每小题10分,总计20分) 1、在按下按钮X400(I0.0)后Y430(Q0.0)变为“1”状态并保持,X401输入3个脉冲后[用C466(C1)计数]T451(T37)开始定时,5s后Y430(Q0.0)变为“0”状态,C466(C1)被复位,在PLC执行用户程序时C466(C1)也被复位。设计梯形图。 2、 根据图示信号灯控制系统的时序图设计出梯形图。 四、将图示的自动往复循环继电器控制改造为PLC控制(画出接线图及程序梯形图,写出指令表程序。20分)。(实现的功能为:启动后,工作台自动往返,FR是热继电器) 五、根据给出的工序流程图,设计PLC控制(画出接线图及程序梯形图,20分)。(实现的功能为:无进给切削控制)  一、填空题(每空1分,共30分)   1.交流接触器主要由 触头系统  、 电磁系统 、和 灭弧系统 组成。为了减小铁心的 振动和噪音,在铁心上加入 短路环 。   2.欠电流继电器在正常工作电流流过线圈时,衔铁是 吸合 状态,而当流过线圈的电流小于整定电流时衔铁 释放 。   3.三相闸刀开关垂直安装时,电源端应在 上 方,负载端应在 下 方。   4.复合按钮的复位顺序为: 常开 按钮先断开, 常闭 按钮后闭合。   5.根据工作电压的高低,电器分为 低压电器 和 高压电器 。   6.频敏变阻器的等效阻抗随频率的减小而 减小 。   7.PLC的工作方式为 周期循环扫描 ,其工作过程分为输入采样、程序执行和输出刷新三个阶段。   8.数据寄存器D存放 16 位 二 进制的数据,其中最高位为 符号 位,当最高位为1时为 负 数,为0时为 正 数。   9.FP系列PLC的输入和输出继电器采用 十六 进制编号,其它内部继电器为 十六 进制编号。   10.速度继电器常用以接受转速信号,当电动机的转子转速上升到 120 r/min以上时触头动作;下降到 100 r/min以下时触点复位。   11.在FP系列PLC中,EV是 经过值 寄存器。   12.FP系列PLC在功能指令中,R900为 自诊断错误标志,R9007为 操作  标志,R9013为 初始闭合继电器 。  二、画图题(每题10分,共20分)   1.画出下列继电器的图形符号:   A.断电延时打开常闭触点;B.通电延时打开常开触点;C.复合按钮;D.热继电器常闭触点。   2.画出一台电动机正反转控制电路图,要求有必要的保护环节(包括主回路和控制回路)。  三、根据梯形图写出指令表(10分)    (a)   (b)                  (a)指令表:                               (b)指令表:               四、根据梯形图分析程序,完成下列要求:(10分)   1.写出程序指令表,并分析程序功能   指令表 试 题 (四)答案 一、填空(每空0.5分,共30分)   1、低压电器是指工作电压在_直流1500V__或_交流1200V__以下的各种电器。   2、触器按其主触头通过电流的种类,可分为__直流___接触器和__交流___接触器。   3、继电接触器控制电路是由各种_按钮_、__行程开关___、_继电器_、_接触器_、__熔断器等元件组成,实现对电力拖动系统的起动、调速、制动、反向等的控制和保护,以满足对生产工艺对电力拖动控制的要求。   4、热继电器是利用___电流的热效应原理来工作的保护电器,它在电路中主要用作三相异步电动机的_过载保护。   5、速度继电器主要用作_反接制动_控制。   6、时间继电器是指__用来实现触点延时接通或延时断开的控制_的电器。   7、机床电气控制系统是由许多电气元件按照一定要求联接而成,实现对机床的电气自动控制。为了便于对控制系统进行设计、分析研究、安装调试、使用和维护,需要将电气元件及其相互联接,用国家规定的_文字__、_符号和图形表示出来。这种图就是电气控制系统图。电气控制系统图包括:_电气原理图_、_电气元件接线图_、_电气元件布置图三种图 。   8、在机床电控中,短路保护用_熔断器_;过载保护用热继电器_;过电流保护用_过电流继电器_。   9、PLC的每一个扫描过程分为三个阶段,分别是: 输入采样阶段、程序执行阶段 和输出刷新三个阶段。   10、机床中最常见的降压起动方法有Y- 转换、定子绕组串电阻和自耦变压器(补偿器)降压起动三种。   11. 可编程序控制器是一种数字运算的电子系统,专为工业 环境下应用而设计。它用可编 程的存储器,用来在内部存储执行逻辑运算 、 须序控制 、定时 、 计数和算术运算等操作的指令,并通过数字式、模拟式的输入和输出,控制各种类型的机械或生产过程。可编程控制器及其有关设备,都应按易于与工业控制系统联成一个整体,易于扩充的原则设计。   12. FP1-40型可编程序控制器,共有输入、输出点208__个,其中输入点的点号从__X0__到_X12F__, 输出点的点号从_Y0-.到_Y12F_。   13. 机床上常用的电气制动控制线路有两种即___反接制动___和__能耗制动________。   14. PLC的英文全称是___Programmable_ Logic Controller____。   15. 在FP1中,R9013的功能是初始闭合继电器。   16.自动控制系统有两中最基本的形式分别是_开环控制_、_闭环控制___。   17.在控制系统中,若通过某种装置将反映输出量的信号引回来去影响控制信号,这种作用称为__反馈__。   18.对于一个自动控制系统的性能要求可以概括为三个方面:_稳定性__、_准确性_和_快速性__。   19、触头的结构形式有 桥式触头、指形触头。   20、接触器用于远距离频繁地接通或断开交直流 主电路 及大容量控制电路的一种自动开关电器。   21、接触器的额定通断能力是指其主触头在规定条件下可靠地 接通和分断 的电流值。   22、继电器是一种利用各种物理量的变化,将 电量或非电量 的变化转化为电磁力或使输出状态发生阶跃变化,从而通过其触头或突变量促使在同一电路或另一电路中的其他器件或装置动作的一种控制元件。   23、继电器的调节装置用以改变继电器的 动作参数 。   24、低压电器按用途分:低压配电电器、 低压控制电器 等。   25、电磁式继电器反映的是电信号,当线圈反映电压信号时,为 电压 继电器;当线圈反映电流信号时,为电流继电器。   26、电磁式电压继电器线圈 并接 在电路电压上,用于反映电路电压大小。   27、电磁式电流继电器线圈串接在电路中,用于反映电路 电流 的大小。   28、三相鼠笼式异步电动机Y-△降压启动时启动电流是直接启动电流的  1/3   倍,此方法只能用于定子绕组采用   △     接法的电动机。  二、根据图中所给主电路,设计一个全压起停控制电路。(共20分 )  三、画出多地控制的控制电路图。(共15分) 一、填空题(每空1分,共30分)   1、低压电器通常指工作在交流(  )V以下,直流(   )V以下的电路中,起到连接、(  )、(   )和调节作用的电器设备。   2、热继电器是专门用来对连续运行的电动机实现(  )及(  )保护,以防电动机因过热而烧毁的一种保护电器,通常是把其(   )触点串接在控制电路中。   3、在电气控制技术中,通常采用(   )或(    )进行短路保护。   4、行程开关的工作原理和(   )相同,区别在于它不是靠手的按压,而是利用(   )使触头动作。   5、常用的电气制动方式有(   )制动和(   )制动。   6、电动机长动与点动控制区别的关键环节是(    )触头是否接入。   7、当电动机容量较大,起动时产生较大的(    ),会引起(     )下降,因此必须采用降压起动的方法。   8、对于正常运行在(    )连接的电动机,可采用星/三角形降压起动,即起动时,定子绕组先接成(   ),当转速上升到接近额定转速时,将定子绕组联结方式改接成(   ),使电动机进入(     )运行状态。   9、PLC采用(    )工作方式,其工作过程一般分为三个阶段,即(    )、(   )和(     )阶段。   10、从组成结构形式上看可以将PLC分为两类:一类是(    )PLC、另一类是(   )PLC.   11、在PLC中有多种程序设计语言,它们是(   )、(   )和(   )。   12、FP1-C40型PLC中的C表示其为(   )单元,40表示其(   )为40。 试 题 (五)答案 一:填空题(每空1分,共30分)   1、1200 , 1500 , 控制 , 保护 2、过载 ,断相 ,常闭 3、熔断器,断路保护器   4、按钮,生产机械运动部件的挡铁碰压 5、反接,能耗 6、自锁 7、起动电流,电网电压   8、三角形,星形,三角形,全压正常运行状态 9、周期循环扫描,输入采样、用户程序执行,输出刷新   10、一体化整体式,标准模板式 11、梯形图程序设计语言,布尔助记符程序设计语言,高级程序设计语言   12、主控单元,输入输出点数 六 一、填空题(将正确答案填入下列空白处,每题1分,共10分)   1、触点系统的结构形式有       、指形触点。   2、工作在交流电压     V、或直流电压1500V及以下的电路中起通断、保护、控制或调节作用的电器产品叫低压电器。   3、交流接触器的触点系统分为      和辅助触点,用来直接接通和分断交流主电路和控制电路。   4、热继电器有多种结构形式,最常用的是      结构,即由两种不同膨胀系数的金属片用机械碾压而成,一端固定,另一端为自由端。   5、熔断器主要作为电路的     保护元件。   6 、三相笼型异步电动机的制动方法一般采用机械制动和电气制动,其中电气制动方法有:      、能耗制动、再生制动等。   7、电气控制系统中常用的保护环节有    保护、过电流保护、过载保护、失电压保护、欠电压保护、过电压保护及弱磁保护等。   8、PLC的基本结构由      、存储器、输入输出接口、电源、扩展接口、通信接口、编程工具、智能I/O接口、智能单元等组成。   9、按PLC物理结构形式的不同,可分为     和模块式两类。   10、PLC常用的编程语言有:     、指令表、高级语言。 二、选择题(下列每题只有一个正确答案,将正确答案的代号填入括号内,每题2分,共20分)   1、电磁机构中,吸引线圈的作用是:(   )     A、将电能转化成磁场能量    B、将磁场能转化成电能    2、用来分断或接通控制电路的是交流接触器的(  )     A、辅助触点          B、主触点   3、电磁式交流接触器和交流继电器的区别是:(  )     A、交流接触器有短路环,而继电器没有      B、交流接触器有主、辅助触点之分,而继电器没有     C、没有区别   4、下列对PLC输入继电器的描述正确的是:(  )     A、输入继电器的线圈只能由外部信号来驱动     B、输入继电器的线圈只能由程序来驱动     C、输入继电器的线圈既可以由外部信号来驱动又可以由程序来驱动   5、把线圈额定电压为220V的交流接触器线圈误接入380V的交流电源上会发生的问题是:(  )     A、接触器正常工作   B、接触器产生强烈震动   C、烧毁线圈  D、烧毁触点   6、中间继电器的电气符号是:(   )     A、SB         B、KT          C、KA      D、KM   7、自动空气开关的电气符号是:(   )     A、SB         B、QF          C、FR      D、FU   8、下列对PLC软继电器的描述,正确的是:(  )     A、有无数对常开和常闭触点供编程时使用     B、只有2对常开和常闭触点供编程时使用     C、不同型号的PLC的情况可能不一样     D、以上说法都不正确   9、OR指令的作用是:(  )     A、用于单个常开触点与前面的触点串联连接     B、用于单个常闭触点与上面的触点并联连接     C、用于单个常闭触点与前面的触点串联连接     D、用于单个常开触点与上面的触点并联连接   10、用于驱动线圈的指令是:(  )     A、LD   B、AND   C、OR   D、OUT 三、判断题(下面各题正确的在括号内划√,错误的在括号内划×,每题2分,共20分)   1、电磁式交流接触器的铁心端面上必须安装一个铜制的短路环。 ( )   2、产生电弧的条件是:A、在大气中断开电路 B、被断开电路的电流超过某一数值 C、断开后加在触点间隙两端电压超过某一数值(在12—20V之间) ( )   3、交流接触器在灭弧装置损坏的情况下也可以使用。 ( )   4、安装刀开关时,刀开关在合闸状态下手柄应该向上,不能倒装和平装,以防止闸刀松动落下时误合闸。 ( )   5、一般情况下,速度继电器有两对常开触点和两对常闭触点,当电动机带动其转子向某方向运行达到某一转速时,有一对常开触点接通,常闭触点断开,所以速度继电器可以用于电机的制动控制。 ( )   6、PLC的输出继电器的线圈不能由程序驱动,只能由外部信号驱动 ( )   7、PLC的输出线圈可以放在梯形图逻辑行的中间任意位置。 ( )   8、PLC的软继电器编号可以根据需要任意编写。 ( )   9、在绘制电气元件布置图时,重量大的元件应放在下方,发热量大的元件应放在上方。 ( ) 10、在设计PLC的梯形图时,在每一逻辑行中,并联触点多的支路应放在左边。( )  四、问答题(每题10分,共30分)  1、简述下列电路的工作过程。        2、写出下面梯形图的程序语句。  试题6答案  一、填空题。(每题1分,共10分)   1、桥式触点 2、吸引线圈 3、主触点 4、双金属片 5、短路 6、反接制动 7、短路 8、中央处理器 9、整体式   10、梯形图  二、选择题。(每题2分,共20分)   1、A 2、A 3、B  4、A  5、C 6、C  7、B  8、A  9、D  10、D  三、判断题。(每题2分,共20分)   1、√ 2、√  3、X  4、√  5、√ 6、X  7、X 8、X  9、√  10、√   四、问答题。(每题10分,共40分)   1、接通电源,按下正转启动按钮SB2,正转接触器KM1的线圈得电工作,其常开辅助触点闭合实现自锁,电机开始正转,其常闭辅助触点断开,使反转接触器KM2的线圈不能得电而不能工作(即实现互锁);松开SB2,正转接触器KM1也能继续工作。在KM1工作过程中如果按下反转启动按钮SB3,其常闭触点使正转接触器KM1的线圈断电而停止工作,即电机停止正转;同时反转接触器KM2的线圈得电开始工作,其常开辅助触点闭合实现自锁,常闭辅助触点断开使KM1无法得电工作(即实现互锁),电机开始反转;松开SB3,反转接触器KM2也能继续工作。在电机正转或反转过程中如果按下停止按钮SB1,相应接触器线圈失电停止工作,电机停止运转。(如果该电路出现短路,则熔断器FU1迅速熔断而切断电路电源;如果电机过载,则热继电器的常闭触点断开而切断相应接触器线圈的电源,达到电机过载保护的目的。)   2、   电气控制与PLC理论考试试卷(7) 电气控制与PLC理论考试试卷(7) 一、填空题(将正确答案填入下列空白处,每题1分,共10分)   1、电磁机构由吸引线圈、     、衔铁等几部分组成。   2、各种低压断路器在结构上都有主触头、灭弧装置、自由脱扣器和     等部分组成。   3、交流接触器的触点系统分为主触头和    ,用来直接接通和分断交流主电路和控制电路。   4、热继电器是利用   流过发热元件产生热量来使检测元件受热弯曲,进而推动机构动作的一种保护电器,主要被用作电动机的长期    保护。   5、熔断器主要作为电路的     保护元件。   6 、触头的接触形式有:     、线接触、面接触。   7、电气控制系统中常用的保护环节有     保护、过电流保护、过载保护、失电压保护、欠电压保护、过电压保护及弱磁保护等。   8、PLC的基本结构由CPU、     、输入输出接口、电源、扩展接口、通信接口、编程工具、智能I/O接口、智能单元等组成。   9、PLC的软件由系统程序和     两大部分组成。   10、PLC常用的编程语言有:     、指令表、高级语言。 二、选择题(下列每题只有一个正确答案,将正确答案的代号填入括号内,每题2分,共20分)  1、判断交流或直流接触器的依据是:( )   A、线圈电流的性质     B、主触点电流的性质   C、主触点的额定电流    D、辅助触点的额定电流  2、用于使自动空气开关远距离断开电路的是: ( )   A、过电流脱扣器      B、欠电压脱扣器   C、分励脱扣器       D、自由脱扣器  3、电磁机构中,吸引线圈的作用是:(  )   A、将电能转化成磁场能量  B、将磁场能转化成电能  4、熔断器作为短路保护的电器,它是(  )于被保护电路中的。   A、并接  B、串接  C、串接或并接都可以  5、把线圈额定电压为220V的交流接触器线圈误接入380V的交流电源上会发生的问题是:(  )   A、接触器正常工作   B、接触器产生强烈震动    C、烧毁线圈      D、烧毁触点  6、下述对PLC存储器描述错误的是:( )   A、存放输入信号    B、存放用户程序   C、存放数据      D、存放系统程序   7、分析电气原理图的基本原则是:(  )   A、先分析交流通路          B、先分析直流通路   C、先分析主电路、后分析辅助电路   D、先分析辅助电路、后分析主电路  8、自动空气开关的电气符号是:(  )   A、SB  B、QF  C、FR D、FU  9、下列对PLC软继电器的描述,正确的是:(  )   A、有无数对常开和常闭触点供编程时使用   B、只有2对常开和常闭触点供编程时使用   C、不同型号的PLC的情况可能不一样   D、以上说法都不正确  10、ST指令的作用是:(  )   A、用于单个常开触点与母线连接   B、用于单个常闭触点与上面的触点并联连接   C、用于单个常闭触点与前面的触点串联连接   D、用于单个常开触点与上面的触点并联连接 三、判断题(下面各题正确的在括号内划√,错误的在括号内划×,每题2分,共20分)  1、为了避免误操作,通常将控制按钮的按钮帽做成不同颜色,且常用红色表示停止按钮,绿色表示启动按钮。( )  2、产生电弧的条件是:A、在大气中断开电路 B、被断开电路中有电流通过C、断开后触点两端有电压。( )  3、交流接触器在灭弧装置损坏的情况下禁止使用。( )                       4、在设计PLC的梯形图时,在每一逻辑行中,串联或并联触点的位置可以根据控制要求调整。( )  5、只要外加电压不变化,交流电磁铁的吸力在吸合前、后是不变的。 ( )  6、当用电脑编制PLC的程序时,即使将程序存储在电脑里,PLC也能根据该程序正常工作,但必须保证PLC与电脑正常通讯。( )  7、PLC的输出线圈可以放在梯形图逻辑行的中间任意位置。 (  )  8、PLC的软继电器编号可以根据需要任意编写。(  )  9、将PLC的应用程序输入到PLC的用户程序存储器后如果需要更改,只需要将程序从PLC读出予以修改,然后再下载到PLC即可。( )  10、当PLC的“BATTERY”(电池)指示灯闪烁时,表示该PLC的内部电池的电量低,必须在一周内予以更换,否则用户程序会丢失。( ) 四、问答题(每题10分,共30分)  1、既然在电动机的主电路中装有熔断器,为什么还要装热继电器?装有热继电器是否就可以不装熔断器?为什么?   2、写出下面梯形图的程序语句。 3、写出下列梯形图的指令表,并解释图示程序中的Y0输出和Y1输出之间的关系。与X0并联的触点Y0实现什么功能?                                            五、分析题 (10分)   下列电路为三相笼型电机单向旋转能耗制动控制电路,当按下停止按钮SB1时,电动机无制动过程,试分析故障原因。 六、综合题(10分) 分析下列程序的工作过程 试 题 (七)答案 一、填空题。(每题1分,共10分)   1、铁心 2、操作机构  3、辅助触点 4、电流 5、短路 6、点接触? 7、短路 8、存储器  9、用户(应用)程序10、梯形图 、 二、选择题。(每题2分,共20分)   1、B 2、C 3、A 4、B 5、C 6、A 7、C 8、B 9、A 10、A  三、判断题。(每题2分,共20分)   1、√ 2、X 3、√ 4、X 5、X 6、X 7、X 8、X 9、√ 10、√ 四、问答题。(每题10分,共30分)   1、因为熔断器的主要作用是作为电路的短路保护元件,而热继电器的主要作用是作为电动机的长期过载保护元件,所以在电动机的主电路中装有熔断器,还需要装热继电器。 不可以。因为熔断器和热继电器的保护功能不同,热继电器具有热惯性,在电路过载时不能瞬时动作而切断电源,而熔断器可以在电路发生短路故障时瞬时切断电源而起保护作用。 2、   3、只有当Y0接通后,Y1才能接通。 X0与Y0的并联构成自锁或自保电路。      五、分析题。(答对一条得1分,全对得10分) 按钮SB1的常开触点损坏或接触不良; 时间继电器KT的常闭触点损坏或触点接触不良; 接触器KM1的常闭辅助触点损坏; 接触器KM2损坏; 线路故障; 整流器VR损坏; 变压器T损坏。  六、当X0接通一次,DT0自动加1,   X1接通一次,DT0自动减1   DT0>300时,Y0输出 试 题 (八)答案 一、 填空(每空1分,共34分)   1、热继电器是利用___电流的热效应 原理来工作的保护电器,它在电路中主要用作三相异步电动机的__过载保护__。   2、接触器按其主触头通过电流的种类,可分为__直流___接触器和__交流___接触器。   3、继电接触器控制电路是由各种_按钮_、__行程开关___、_继电器_、_接触器_、__熔断器等元件组成,实现对电力拖动系统的起动、调速、制动、反向等的控制和保护,以满足对生产工艺对电力拖动控制的要求。   4、速度继电器主要用作_____反接制动_______控制。   5、机床电气控制系统是由许多电气元件按照一定要求联接而成,实现对机床的电气自动控制。为了便于对控制系统进行设计、分析研究、安装调试、使用和维护,需要将电气元件及其相互联接,用国家规定的_文字__、_符号和图形表示出来。这种图就是电气控制系统图。电气控制系统图包括:_电气原理图_、_电气元件接线图_、_电气元件布置图_三种图 。   6、机床中最常见的降压起动方法有 Y-转换 、_定子绕组串电阻__和自耦变压器(补偿器)降压起动三种。   7、可编程序控制器是一种数字运算的电子系统,专为 工业 环境下应用而设计。它用可编程的存储器,用来在内部存储执行 逻辑运算 、 须序控制 、定时 、 计数 和算术运算等操作的指令,并通过数字式、模拟式的输入和输出,控制各种类型的机械或生产过程。可编程控制器及其有关设备,都应按易于与工业控制系统联成一个整体,易于扩充的原则设计。   8、机床上常用的电气制动控制线路有两种即___反接制动___和__能耗制动________。   9、PLC程序执行可分为三个阶段,分别是 输入处理阶段 、?程序执行阶段?、?输出处理阶段。   10、F1-40E是F1系列PLC的 扩展单元。(基本单元,扩展单元)。   11、时间继电器是指__用来实现触点延时接通或延时断开的控制________的电器。   12、DF是? 前沿微分指令,SET是置位指令,RST是复位指令,NOP是空操作指令,CT是计数指令,SR是左移寄存器指令。 二、设计题:(共26分)   1、设计一个全压起停控制电路。(6分) 2、设计一个单相能耗制动控制电路。(10分) 二、设计题:   1、设计一个全压起停控制电路。(6分)     2、设计一个能耗制动控制电路。(10分)    a)住电路?   b)以时间为原则的控制电路,  c)以速度为原则的控制电路  第九套题答案  一、填空题:(每空0.5分,共25分)   1.选择接触器时应从其工作条件出发,控制交流负载应选用_交流接触器_;控制直流负载则选用_直流接触器。   2.接触器选用时,其主触点的额定工作电压应_大于_或_等于_负载电路的电压,主触点的额定工作电流应大于或_等于负载电路的电流,吸引线圈的额定电压应与控制回路_电压相匹配_。   3.中间继电器的作用是将一个输入信号变成_多个_输出信号或将信号进行放大_。   4.试举出两种不频繁地手动接通和分断电路的开关电器:_刀开关_、_转换开。   5.试举出两种主令电器:按钮_____、__行程开关__。   6.试举出组成继电器接触器控制电路的两种电器元件:熔断器_、_热继电器__。   7.当电路正常工作时,熔断器熔体允许长期通过1.2倍的额定电流而不熔断。当电路发生_短路_或_流过超过1.2额定电流时,熔体熔断切断电路。   8.熔断器熔体允许长期通过1.2倍的额定电流,当通过的电流越大,熔体熔断的时间越短。   9.凡是继
展开阅读全文

开通  VIP会员、SVIP会员  优惠大
下载10份以上建议开通VIP会员
下载20份以上建议开通SVIP会员


开通VIP      成为共赢上传

当前位置:首页 > 包罗万象 > 大杂烩

移动网页_全站_页脚广告1

关于我们      便捷服务       自信AI       AI导航        抽奖活动

©2010-2026 宁波自信网络信息技术有限公司  版权所有

客服电话:0574-28810668  投诉电话:18658249818

gongan.png浙公网安备33021202000488号   

icp.png浙ICP备2021020529号-1  |  浙B2-20240490  

关注我们 :微信公众号    抖音    微博    LOFTER 

客服