收藏 分销(赏)

铸工艺试卷.doc

上传人:天**** 文档编号:9518484 上传时间:2025-03-29 格式:DOC 页数:4 大小:94.04KB 下载积分:5 金币
下载 相关 举报
铸工艺试卷.doc_第1页
第1页 / 共4页
铸工艺试卷.doc_第2页
第2页 / 共4页


点击查看更多>>
资源描述
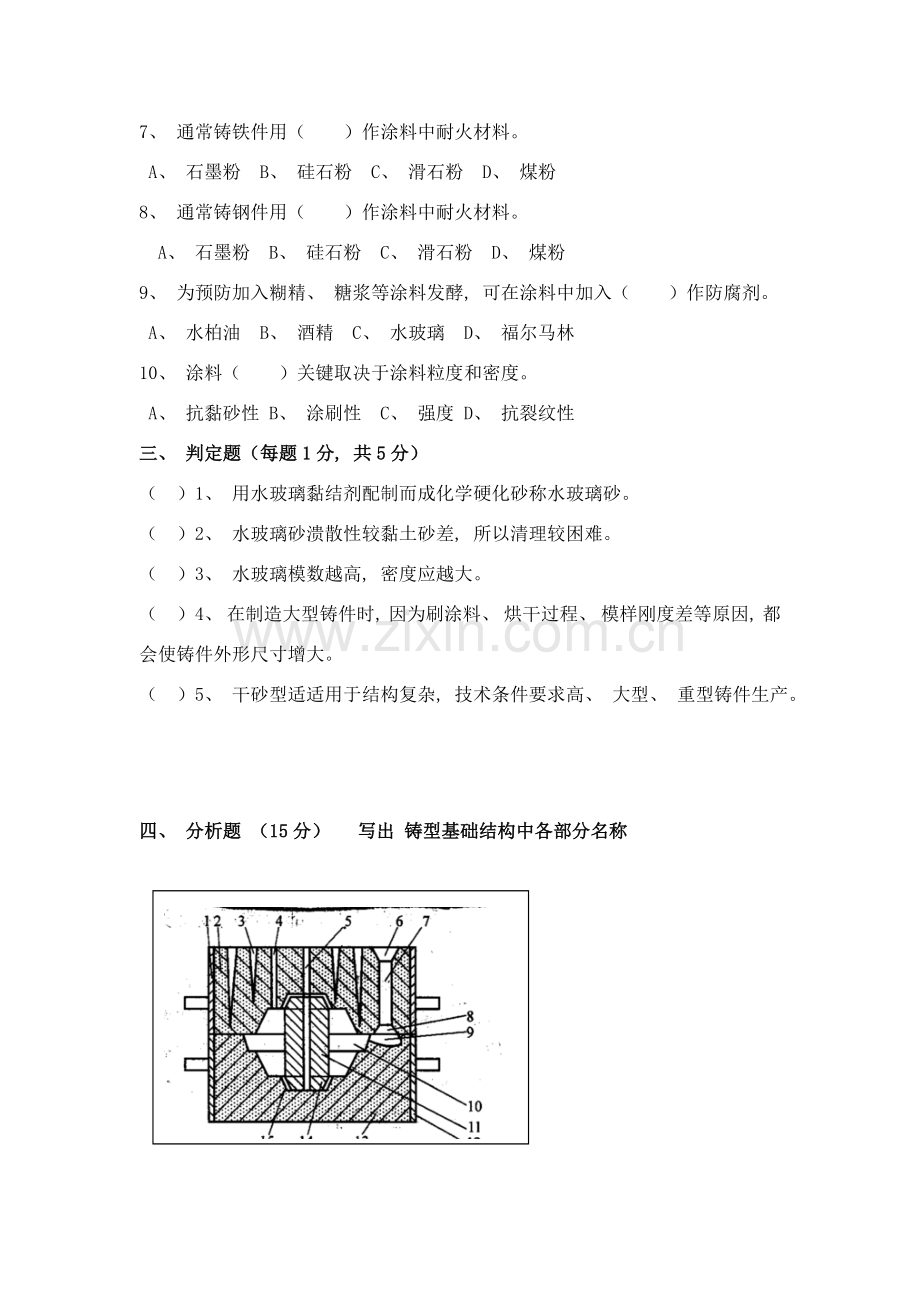
一、 填空题: (每空 1 分, 共30 分) 1、 浇注位置选择应优先考虑________条件, 要便于安放________和发挥冒口________作用。厚大部分尽可能安放在________位置, 而对于中、 下位置局部大处采取________或________等工艺方法处理其________问题。 2、 依据制作材料不一样型芯可分为________、 ________、 ________三类。 3、 芯头可分为________和________两大类。芯头是砂芯________、 ________和________结构。 4、 涂料组成关键包含防粘砂________、 ________、 ________、 和________。 5、 涂料含有性能有________、 ________、 ________、 ________和________。 6、 型砂应含有基础性能有________、 ________、 ________、 ________和________。 7、 、 中国铸造行业混砂通常是采取________, 该种混砂机兼有混合、 碾压和搓揉作用, 混制型砂质量较高。 二、 选择题: (每空1分, 共10分) 1、 通常铸件浇注位置是指( )所处位置。 A、 铸型分型面 B、 内浇道进入处 C、 直浇道上浇注系统 D、 铸型浇注时所处位置 2、 浇注位置选择, 关键以确保( )为出发点。 A、 简化工艺 B、 提升劳动生产率 C、 铸件质量 3、 用机械加工方法制造模样时, 通常采取( )表示起模斜度。 A、 宽度 B、 角度 C、 百分比 4、 铸造工艺守则与铸造工艺规程都是指导生产技术文件, 它们关键区分是( ) A、 通用与专用 B、 简单与复杂 C、 低级与高级 5、 铸钢件常见涂料防黏砂材料是( )。 A、 石墨粉 B、 煤粉 C、 硅石粉 D、 滑石粉 6、 成批成产二氧化碳硬化水玻璃砂芯, 宜采取( )硬化法。 A、 插入式 B、 盖罩式 C、 局部 D、 专用管 7、 通常铸铁件用( )作涂料中耐火材料。 A、 石墨粉 B、 硅石粉 C、 滑石粉 D、 煤粉 8、 通常铸钢件用( )作涂料中耐火材料。 A、 石墨粉 B、 硅石粉 C、 滑石粉 D、 煤粉 9、 为预防加入糊精、 糖浆等涂料发酵, 可在涂料中加入( )作防腐剂。 A、 水柏油 B、 酒精 C、 水玻璃 D、 福尔马林 10、 涂料( )关键取决于涂料粒度和密度。 A、 抗黏砂性 B、 涂刷性 C、 强度 D、 抗裂纹性 三、 判定题(每题1分, 共5分) ( )1、 用水玻璃黏结剂配制而成化学硬化砂称水玻璃砂。 ( )2、 水玻璃砂溃散性较黏土砂差, 所以清理较困难。 ( )3、 水玻璃模数越高, 密度应越大。 ( )4、 在制造大型铸件时, 因为刷涂料、 烘干过程、 模样刚度差等原因, 都会使铸件外形尺寸增大。 ( )5、 干砂型适适用于结构复杂, 技术条件要求高、 大型、 重型铸件生产。 四、 分析题 (15分) 写出 铸型基础结构中各部分名称 : 12: 2: 13: 3: 14: 4: 15: 5: 6: 7: 8: 9: 10: 11: 1: 6: 11: 2: 7: 12: 3: 8: 13: 4: 9: 14: 5: 10: 15: 一答案: 1、 实现次序凝固、 冒口、 补缩、 上部、 冷铁、 侧冒口、 补缩 2、 砂芯、 金属芯、 可溶性型芯 3、 垂直芯头、 水平芯头、 定位、 支撑、 排气 4、 耐火材料、 黏结材料、 悬浮稳定剂、 稀释剂 5、 抗黏砂性、 悬浮稳定性、 涂刷性、 抗裂纹性、 涂料层强度 6、 强度、 透气性、 流动性、 韧性、 耐火度 7、 碾轮式混砂机 二、 答案 1、 D 2、 C 3、 B 4、 A 5、 C 6、 B 7、 A 8、 B 9、 D 10、 B 三、 答案 1、 √ 2、 √ 3、 √ 4、 √ 5、 √ 四、 答案 1、 上砂箱2、 上型3、 通气孔4、 出气冒口5、 芯通气孔 6、 浇注系统杯7、 直浇道8、 横浇道9、 内浇道10、 型腔 11、 砂芯12、 下砂箱13、 下型14、 芯头15、 芯座
展开阅读全文

开通  VIP会员、SVIP会员  优惠大
下载10份以上建议开通VIP会员
下载20份以上建议开通SVIP会员


开通VIP      成为共赢上传

当前位置:首页 > 包罗万象 > 大杂烩

移动网页_全站_页脚广告1

关于我们      便捷服务       自信AI       AI导航        抽奖活动

©2010-2025 宁波自信网络信息技术有限公司  版权所有

客服电话:0574-28810668  投诉电话:18658249818

gongan.png浙公网安备33021202000488号   

icp.png浙ICP备2021020529号-1  |  浙B2-20240490  

关注我们 :微信公众号    抖音    微博    LOFTER 

客服