收藏 分销(赏)

宁波市海曙中心小学智慧教室系统竞标文件.doc

上传人:仙人****88 文档编号:9498469 上传时间:2025-03-28 格式:DOC 页数:5 大小:62KB 下载积分:10 金币
下载 相关 举报
宁波市海曙中心小学智慧教室系统竞标文件.doc_第1页
第1页 / 共5页
宁波市海曙中心小学智慧教室系统竞标文件.doc_第2页
第2页 / 共5页


点击查看更多>>
资源描述
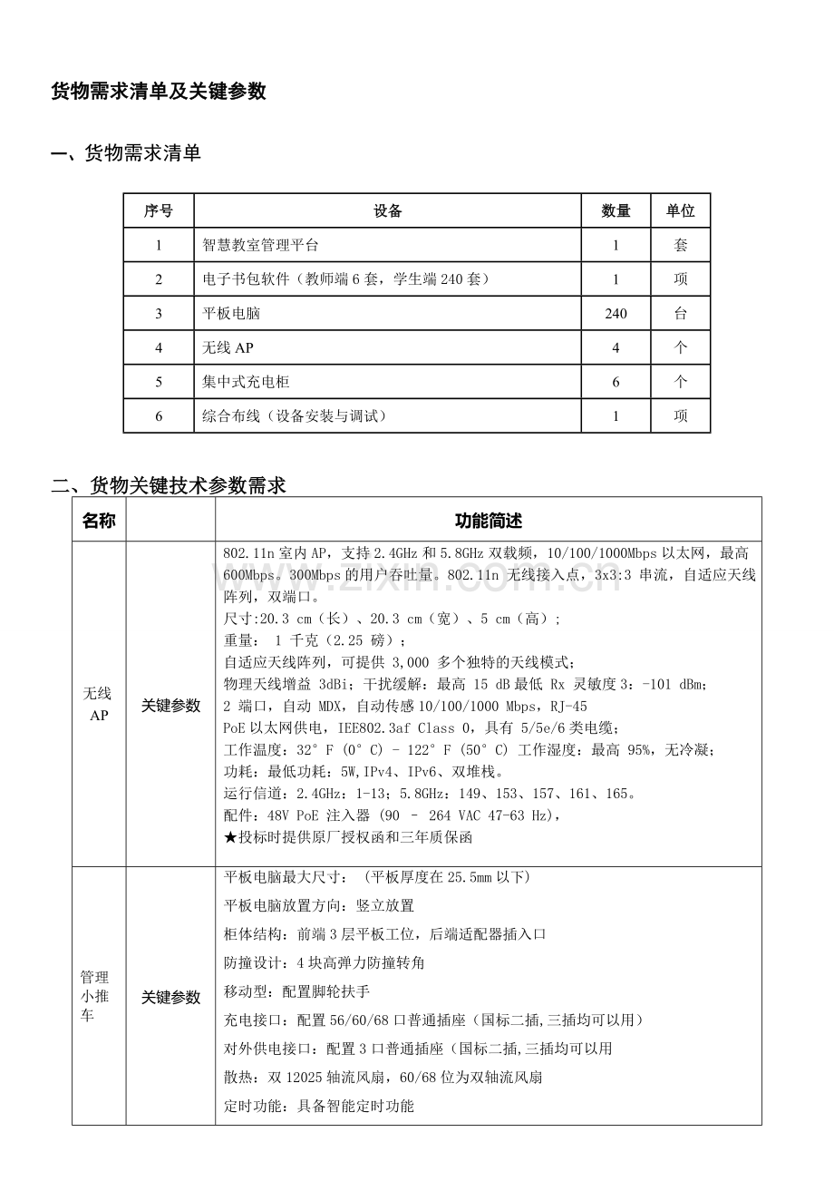
货物需求清单及关键参数 一、货物需求清单 序号 设备 数量 单位 1 智慧教室管理平台 1 套 2 电子书包软件(教师端6套,学生端240套) 1 项 3 平板电脑 240 台 4 无线AP 4 个 5 集中式充电柜 6 个 6 综合布线(设备安装与调试) 1 项 二、 货物关键技术参数需求 名称 功能简述 无线AP 关键参数 802.11n室内AP,支持2.4GHz和5.8GHz双载频,10/100/1000Mbps以太网,最高600Mbps。300Mbps的用户吞吐量。802.11n 无线接入点,3x3:3 串流,自适应天线阵列,双端口。 尺寸:20.3 cm(长)、20.3 cm(宽)、5 cm(高); 重量: 1 千克(2.25 磅); 自适应天线阵列,可提供 3,000 多个独特的天线模式; 物理天线增益 3dBi;干扰缓解:最高 15 dB最低 Rx 灵敏度3:-101 dBm; 2 端口,自动 MDX,自动传感10/100/1000 Mbps,RJ-45 PoE以太网供电,IEE802.3af Class 0,具有 5/5e/6类电缆; 工作温度:32°F (0°C) - 122°F (50°C) 工作湿度:最高 95%,无冷凝; 功耗:最低功耗:5W,IPv4、IPv6、双堆栈。 运行信道:2.4GHz:1-13;5.8GHz:149、153、157、161、165。 配件:48V PoE 注入器 (90 – 264 VAC 47-63 Hz), ★投标时提供原厂授权函和三年质保函 管理小推车 关键参数 平板电脑最大尺寸: (平板厚度在25.5mm以下) 平板电脑放置方向:竖立放置 柜体结构:前端3层平板工位,后端适配器插入口 防撞设计:4块高弹力防撞转角 移动型:配置脚轮扶手 充电接口:配置56/60/68口普通插座(国标二插,三插均可以用) 对外供电接口:配置3口普通插座(国标二插,三插均可以用 散热:双12025轴流风扇,60/68位为双轴流风扇 定时功能:具备智能定时功能 安全配置:配备剩余电流保护短路系统 工作温度:-15℃---65℃,储存温度: -40℃---65℃ 工作湿度:20-90%,储存湿度: 10-95% 颜色:黑白相拼 ★需提供设备所有配件的3C认证 学 生 平 板 电 脑 关键参数 系统:Android 4.4 处理器:Intel BayTrail-T四核CPU Z3745 主频:1.33GHz ★最高可超频至1.8GHz以上 内存:1G;存储容量:16GB EMMC 摄像头: 前置:30万,后置:200万 支持720P视频录制,1080p视频播放 屏幕尺寸:10.1”;分辨率:1280×800 电池:5070MAH,19Wh 锂离子聚合物电池 工作时间:约9.5小时 充电方式: micro-USB充电 尺寸:256mm×174.6mm×10.5mm 重量:522g 网络:WIFI,802.11a/b/g/n 蓝牙:BT4.0 GPS:支持GPS/Glonass 接口:1*Micro USB , 1*Micro –SDCard (最高支持64G扩展),3.5mm耳机,1 x 50pin移动底座连接端口 产品颜色:珍珠白/质感黑 ★学校有大量的flash资源,平板需支持本地SWF格式的文件播放 电 子 书 包 软 件 功能特性 一、系统设置: ★1. 绿色上网管理: 对学生可访问的网站进行控制。 ★2.批量安装软件:教师可对学生终端进行批量安装软件。 3. 小组设置:老师对班级的学生根据教学需求对班级成员进行设置管理,分成各个小组并设置组长。 二、教室控制(教室管理): 1. 学生名单:学生名单登陆, 显示学生登陆状态 2. 终端监控:监控学生屏幕,屏幕信息同步显示教师端,可以对选中屏幕进行全屏放大及局部放大进行课堂信息分享。 ★3. 屏幕锁定:锁定学生包终端,便于老师进行课堂管理,锁定后学生不能进行其他操作。 4. 屏幕广播: 老师进行屏幕广播进行教学资源的分享。 5.局域网文件分发: 老师可以在断网的情况,选择文件发给学生,供学生查看。 三、随堂评测: 老师可以对学生进行发题及评测,学生与老师互动回答评测。 ★1. 随堂题目的编辑和维护:维护及管理随堂题目库,可跨平台离线编辑,随时导入,也可与云端题库共享,上课同步试题;试题类型多样化:可支持单选,多选,判断,填空,问答等题型,题干内容支持文字,图片,公式等格式的编辑。 2.随堂出题方式多样化,题目来源于随堂题库及历史题库,可实现统一答题﹑随机答题﹑举手抢答﹑小组答题等。 3. 回答测评:学生对教师随堂出题进行答复,系统自动统计评测结果,对比分析。 1)学生端支持答案选择,文本输入,草稿纸,拍照等多种答题方式,满足不同场景需求. 2)根据不同类型的题目,系统进行自动统计,根据评测结果老师可对答对的学生进行奖励。 ★四、听写大赛: 主要用于汉字,英语等语言听写大赛:可在赛前导入题目及正确答案;比赛过程实 时监控参赛学生界面、提供倒计时功能;一题结束后可查看正确答案,并可继续下一题进程。 五、家校通 1.家庭作业:老师可给学生布置家庭作业,可文字,图片等不同的方式,也可插入其他附件,学生提交作业,老师对作业进行批改。 2. 消息通知:老师可给学生发布消息,学生及家长可查看消息 3. 考试成绩:编辑考试成绩并发送,可自我编辑也可批量导入,家长用户可查看各科历次成绩变化曲线。 六、云端书柜: 1.书籍下载:教师可以从云端书城下载需要的书籍到自己的书架中,可对书籍进行分类查看,收藏数据与云端数据同步。 2.书籍管理:通过这个功能教师可管理自己的书架。 七、教学资料: 主要用于教学资料的分享与管理,包含:教案,学案,导学案,课件等资源 教学资料是从云端书柜中分离出来的除了书籍之外的资料:包括:教案,课件,图片,音频,视频等其他资料,包含资料下载和资料的管理。 八、快捷功能: ★1. 画板题:教师将当前屏幕或答题模板(空白、四线三格、米字格)发送给学生,学生通过批注提交后,教师可查看学生的批注结果,也可对比分析及批注讲解。 2. 笔记分享:教师可以分享精彩授课内容给学生,将当前屏幕以图片的方式下发至学生端. 3. 批注:教师对自己授课内容进行批注,可以使用画笔, 画线,图形等功能进行标注讲解。 ★4. 一键进入平台:教师可通过此功能快速进入网站平台,方便平台切换。 ★5.一键可对平板的音量进行静音。 ★6.一键可对学生设备进行统一关机。 九、护眼功能:使用平板满1小时后系统自动提醒休息功能。 十、练习 学生可通过该功能进行课本的同步练习,可对薄弱章节或题型进行强化巩固,可随时随地练习,提高学习效率。 1. 学生可做题并提交,提交后可查看练习报告,包括各题答对答错情况、正确率、用时,可查看错题解析和全部解析。 十一、错题本 错题本保存随堂评测、练习、测试做错的题目,可对错题进行重做,并查看解析。 十二、★质保三年,需提供原厂针对该项目的质保函原件。 智慧教育云平台 功能特性 一、个人中心 使用角色为老师和学生用户。个人中心展示本人的相关信息提醒或提供一个本人可操作的链接。根据用户角色不同,分为教师工作平台和学生工作平台。 ★1、随堂测评统计分析:按照班级、科目、时间检索随堂测评的数据,已折线图展示测评情况; 2、个人信息维护; 3、常用功能的快捷入口集合; 4、课程表的设置; 5、个人收藏的资源管理。 二、我的班级: 使用角色为老师和学生用户。老师用户显示所有代课班级信息,学生用户显示自己所在班级的信息。主要功能描述如下: 1、班级基本信息; 2、班级授课老师信息; 3、班级学生或同学的信息,如学号,姓名,头像,联系方式等等; 4、小组名单及小组成员信息。如数学兴趣组,文学爱好组; 5、班级公告管理,发布,修改,删除班级公告 三、作业预习 使用角色为学生和老师用户。作业预习要包括老师客户端发送的作业信息的查询和检索及展示功能。 四、考试成绩 老师用户可以按照自己所带科目、班级等信息发布考试成绩。 学生用户可以查询到自己所有科目的每次考试成绩,平均成绩等信息 五、在线备课 使用角色为老师用户。老师使用该功能可以网上备课,重用备课资料,方便快速的完成教学中备课环节任务。 1、添加备课资料,可以添加自己已有的一些教学课件和其他老师共享的备课信息。 2、删除备课资料,使用过的没有使用价值的备课资料可以单个或者批量删除。 ★3、复制备课资料,该功能提高了备课效率,复制已有备课资料基础,在此基础上进行修改形成新的备课信息。能减少很多不必要的重复工作。 4、查询历史备课资料,可以通过备课标题模糊匹配,快速定位到想要查找的目标信息。 ★5、备课来源:来自题库,教研中心的资料,按照出版社及章节匹配,也可定义添加自我准备的资源。 ★六、资源中心 资源量不少于80万道, 1、老师用户可以上传、分享、收藏,下载资源; 2、学生用户收藏老师上传的各种资源; 3、按照学段分类展示资源,分为小学、初中资源信息; 4、教研资料信息专区显示;课件,教案,导学案,学案,拓展资源, 图库等 5、教学图书信息专区展示;包含教材,教辅,课外图书等 6、试卷及文档试卷信息专区展示; 7、按照资源类型及收藏次数统计分析,排行榜展示; 8、教师用户资源贡献排行榜展示; 9、资源详情信息查看、评价及查看和评价次数的统计分析 七、学习任务 使用角色为学生用户。针对老师用户发布的作业、考试成绩的查询和详情查看。 1、作业列表显示,包括作业内容、标题、科目、状态情况的显示; 2、作业详情查看,包括完成作业时间、老师评语、错题分析等内容; 3、考试成绩查询,包括科目名称、成绩等内容; 4、根据科目分类,考试标题模糊匹配试卷的发布信息,快递查找目标 5、根据科目分类,作业标题模糊匹配试卷的发布信息,快递查找目标 八、练习测试 使用角色为学生用户。主要是提供学生课后自主练习测试的功能。可以根据章节知识点智能生成练习题。进行自我测试和加强做题能力,提高学习成绩。 1、同步练习,可以按照题型或章节在已有的资源中心智能筛查练习题; ★2、智能生成的练习题,学生在线完成。做错的客观题自动进入错题本; 3、做完练习,可以对照原题的答案和题解,分析做题心得,总结做题思路; ★4、强化测试,类似学生自主模拟考试,通过智能组题功能形成设定范围的测试试卷,系统自动记录完成时间,动态显示已经完成和未完成的题目。清晰准确反映当前做题情况; 5、历史练习和强化测试的查询统计,根据科目和测试内容快速检索统计做题情况。 ★九、 错题本 系统可以智能识别学生提交的客观题答案,和正确答案进行对比,错误的收集错题本中。 1、保留了学生使用系统以来的所有错题。 2、错题统计信息包括,做题次数,错误答案,正确率统计,正确答案及解析; 3、错题重做功能,错题本中收集的错题学生可以重新做。 十、扩展配套微课制作平台 十一、★提供授权书原件,并加盖原厂公章。 十二、 ★质保三年,投标时需提供原厂针对该项目设备的质保函原件。 综合布线(设备安装与调试) 1,施工材料要求是知名品牌。 2,要求按规划标准施工 产品及厂商相关 1.投标人注册资金:注册资金≥300万元;提供有效的营业执照复印件,加盖公章并注明与原件一致,原件备查。 2.有电子书包成功案例试点。 3.有合作的专业信息化教育研究机构。 4.具备软件的自主研发能力,可以根据需求改进软件功能。并能免费把原有的一些老平板改为现在中标的系统。 5. 新老设备拆装、搬运、材料、人工、税金等一切费用所有产品及系统集成均需符合《浙江省中小学教育技术装备标准》规定要求 注:以上参数标有 “★”为必要参数,各投标人必须满足,如未响应或不满足按无效投标处理。
展开阅读全文

开通  VIP会员、SVIP会员  优惠大
下载10份以上建议开通VIP会员
下载20份以上建议开通SVIP会员


开通VIP      成为共赢上传

当前位置:首页 > 包罗万象 > 大杂烩

移动网页_全站_页脚广告1

关于我们      便捷服务       自信AI       AI导航        抽奖活动

©2010-2026 宁波自信网络信息技术有限公司  版权所有

客服电话:0574-28810668  投诉电话:18658249818

gongan.png浙公网安备33021202000488号   

icp.png浙ICP备2021020529号-1  |  浙B2-20240490  

关注我们 :微信公众号    抖音    微博    LOFTER 

客服