收藏 分销(赏)

25m空心板预应力计算书.docx

上传人:胜**** 文档编号:949410 上传时间:2024-04-08 格式:DOCX 页数:14 大小:43.98KB 下载积分:10 金币
下载 相关 举报
25m空心板预应力计算书.docx_第1页
第1页 / 共14页
25m空心板预应力计算书.docx_第2页
第2页 / 共14页


点击查看更多>>
资源描述
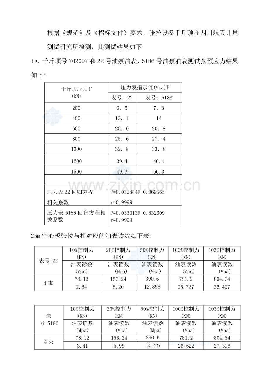
25m空心板预应力计算书 1. 本桥采用Φj15.24mm钢铰线,标准强度Ryb=1860Pa,A=140mm2,张拉控制应力为0.75R。待砼强度达到不低于设计强度的80%后,且龄期不少于7天方可张拉预应力束,两端同时张拉。 2.预应力张拉程序按《公路桥涵施工技术规范》(JTJ041-2000)第12.10.3条规定,后张拉预应力钢绞线张拉程序为:0→初应力→σk(持荷2min)锚固。初应力一般取0.1σk,初应力阶段的目的是为使预应力束每根钢绞线受力相同,同时也是预应力束延伸量测的需要。 3.预应力束理论伸长值的计算 根据《公路桥涵施工技术规范》第12.8.3-3条的规定,预应力束的理论伸长值为:△L=PpL/ApEp 式中:L—预应力钢绞线长度(m)。 Ap—预应力钢绞线的公称面积(mm2)。 Ep—预应力钢绞线的弹性模量。 Pp—预应力钢绞线的平均张拉力。 按《规范》(JTJ041-2000)附录规定:Pp=P(1-e-(kx+µθ))/(kx+µθ)。其中,P为预应力钢绞线张拉端张拉力(kN),x为从张拉端到计算截面的孔道长度(m),θ为张拉端到计算截面曲线孔道部分切线的夹角之和(rad),k为孔道每1m局部偏差对摩擦的影响系数,本桥采用预埋波纹管。K取0.0008;µ为预应力束与孔道壁的摩擦系数,µ取0.18。 1. 张拉预应力的控制 根据《规范》及《招标文件》要求,张拉设备千斤顶在四川航天计量测试研究所检测,其测试结果如下 1)、千斤顶号702007和22号油泵油表,5186号油泵油表测试张预应力结果如下: 千斤顶压力F (kN) 压力表指示值(Mpa)P 表号:22 表号:5186 200 6.5 7.3 400 13.1 14 600 20.0 20.8 800 26.6 27.4 1000 32.8 33.8 1200 39.4 40.4 1500 49.3 50.3 压力表22回归方程 相关系数 P=0.032844F+0.069565 r=0.9999 压力表5186回归方程相关系数 P=0.033013F+0.832609 r=0.9999 r=0.9999 25m空心板张拉与相对应的油表读数如下表: 表号:22 10%控制力 (KN) 20%控制力(KN) 50%控制力(KN) 100%控制力(KN) 103%控制力(KN) 油表读数 (Mpa) 油表读数(Mpa) 油表读数(Mpa) 油表读数(Mpa) 油表读数 (Mpa) 4束 78.12 156.24 390.6 781.2 804.64 2.64 5.20 12.898 25.727 26.497 表号:5186 10%控制力 (KN) 20%控制力(KN) 50%控制力(KN) 100%控制力(KN) 103%控制力(KN) 油表读数 (Mpa) 油表读数(Mpa) 油表读数(Mpa) 油表读数(Mpa) 油表读数 (Mpa) 4束 78.12 156.24 390.6 781.2 804.64 3.41 5.99 13.727 26.622 27.396 表号:22 10%控制力 (KN) 20%控制力(KN) 50%控制力(KN) 100%控制力(KN) 103%控制力(KN) 油表读数 (Mpa) 油表读数(Mpa) 油表读数(Mpa) 油表读数(Mpa) 油表读数 (Mpa) 5束 97.65 195.3 488.25 976.5 1005.80 3.27 6.48 16.106 32.14 33.1 表号:5186 10%控制力 (KN) 20%控制力(KN) 50%控制力(KN) 100%控制力(KN) 103%控制力(KN) 油表读数 (Mpa) 油表读数(Mpa) 油表读数(Mpa) 油表读数(Mpa) 油表读数 (Mpa) 5束 97.65 195.3 488.25 976.5 1005.80 4.05 7.28 16.951 33.07 34.04 表号:22 10%控制力 (KN) 20%控制力(KN) 50%控制力(KN) 100%控制力(KN) 103%控制力(KN) 油表读数 (Mpa) 油表读数(Mpa) 油表读数(Mpa) 油表读数(Mpa) 油表读数 (Mpa) 6束 117.18 234.36 585.9 1171.8 1206.954 3.92 7.77 19.313 38.556 39.711 表号:5186 10%控制力 (KN) 20%控制力(KN) 50%控制力(KN) 100%控制力(KN) 103%控制力(KN) 油表读数 (Mpa) 油表读数(Mpa) 油表读数(Mpa) 油表读数(Mpa) 油表读数 (Mpa) 6束 117.18 234.36 585.9 1171.8 1206.954 4.701 8.57 20.175 39.517 40.678 2)、千斤顶号702009和13号油泵油表,1876号油泵油表测试张预应力结果如下: 千斤顶压力F (kN) 压力表指示值(Mpa)P 表号:13 表号:1876 200 6.8 6.9 400 13.1 13.0 600 19.9 19.8 800 26.3 26.0 1000 33.0 32.7 1200 39.2 39.0 1500 49.0 49.2 压力表13回归方程 相关系数 P=0.032521F+0.276087 r=0.9999 压力表1876回归方程相关系数 P=0.032529F+0.169565 r=0.9999 r=0.9999 25m空心板张拉与相对应的油表读数如下表: 表号:13 10%控制力 (KN) 20%控制力(KN) 50%控制力(KN) 100%控制力(KN) 103%控制力(KN) 油表读数 (Mpa) 油表读数(Mpa) 油表读数(Mpa) 油表读数(Mpa) 油表读数 (Mpa) 4束 78.12 156.24 390.6 781.2 804.64 2.82 5.36 12.98 25.681 26.443 表号:1876 10%控制力 (KN) 20%控制力(KN) 50%控制力(KN) 100%控制力(KN) 103%控制力(KN) 油表读数 (Mpa) 油表读数(Mpa) 油表读数(Mpa) 油表读数(Mpa) 油表读数 (Mpa) 4束 78.12 156.24 390.6 781.2 804.64 2.71 5.25 12.875 25.581 26.343 表号:13 10%控制力 (KN) 20%控制力(KN) 50%控制力(KN) 100%控制力(KN) 103%控制力(KN) 油表读数(Mpa) 油表读数(Mpa) 油表读数(Mpa) 油表读数(Mpa) 油表读数(Mpa) 5束 97.65 195.3 488.25 976.5 1005.80 3.45 6.63 16.15 32.03 33 表号:1876 10%控制力 (KN) 20%控制力(KN) 50%控制力(KN) 100%控制力(KN) 103%控制力(KN) 油表读数(Mpa) 油表读数(Mpa) 油表读数(Mpa) 油表读数(Mpa) 油表读数(Mpa) 5束 97.65 195.3 488.25 976.5 1005.80 3.34 6.52 16.05 31.9 32.9 表号:13 10%控制力 (KN) 20%控制力(KN) 50%控制力(KN) 100%控制力(KN) 103%控制力(KN) 油表读数(Mpa) 油表读数(Mpa) 油表读数(Mpa) 油表读数(Mpa) 油表读数(Mpa) 6束 117.18 234.36 585.9 1171.8 1206.954 4.09 7.9 19.33 38.38 39.53 表号:1876 10%控制力 (KN) 20%控制力(KN) 50%控制力(KN) 100%控制力(KN) 103%控制力(KN) 油表读数(Mpa) 油表读数(Mpa) 油表读数(Mpa) 油表读数(Mpa) 油表读数(Mpa) 6束 117.18 234.36 585.9 1171.8 1206.954 3.98 7.79 19.228 38.29 39.43 3.施工中延伸量的控制 a. 初始应力值的确定 施工中,延伸量的数值是通过量测千斤顶的缸体行程来确定。通常影响预应力钢绞线的延伸量的因素有很多,主要有张拉设备使用不当,锚具安装不规范,管道内的钢绞线是否拉直,管道与钢绞线的摩擦等。当张拉到初应力钢绞线基本拉直,张拉设备,锚具的变形已基本完成,同时消除部分管道摩阻力,因此初应力定为0.1σk时缸体的行程。(mm)依据JTJ041-2000规范第12.8.3-4条规定,预应力钢绞线张拉的实际伸长值△L/mm,可按下式计算:△L= △L1+△L2 式中,△L1为从钢绞线张拉初应力0.1σk到张拉控制应力σk间的实际伸长值;△L2为从零应力到0.1σk时的延伸量,不宜采用量测的方法,而宜采用推算的方法。推算时,可采用相邻级的延伸量,即采用0.1σk到0.2σk时的延伸量,即△L2=(L0.2-L0.1)。还有一点值得注意,到现场量测千斤顶缸体运程时,也把千斤顶内的钢绞线延伸量值施加到△L中,而钢绞线实际延伸量,不包括千斤顶内70cm钢绞线的工作长度,应减去该段的延伸量△L′。综上所述,钢绞线实际延伸量△Ls=△L-△L′。 若施工中实际的延伸量超过《规范》第12.8.3-1条的要求,即实际延伸量超过理论延伸量±6%时,应停止张拉,分析检测出原因并处理完后,方可继续张拉。一般分析原因有几个: 1) 因管道不平顺,增加了钢绞线与管壁的摩擦力,影响了局部偏差对摩擦的影响系数k,钢绞线与管壁的摩擦系数μ,不能均匀地传递预应力,影响延伸量的值。 2) 锚具、夹片、钢绞线在锚固时,产生相对滑移,造成预应力损失,也影响延伸量值。 3) 钢绞线的弹性模量Ep选取精度不够,Ep=1.95×105Mpa ,此时具有特殊性,应精确选取到“国家建筑钢材质量监督检验中心”对每批钢绞线特殊确定。 6. 25m空心板张拉延伸量计算如下: △L=PpL/ApEp 1#束(以边跨边梁为例)延伸量分三段计算,三段长度为: LAB=1.075M LBC7.505M LCD=3.666M Pp1= P(1-e-(kx+µθ))/(kx+µθ) P=1860×0.75×5×140×10-3=976.5KN Pp1=976.5×(1-e-(0.0008×1.075+0.18×0))/(0.0008×1.075+0.18×0) =976.080KN △L1=976.080×1.075/(700×1.95×10-5) =7.7mm Pp2=976.5×(1-e-(0.0008×7.505+0.18×0.174))/(0.0008×7.505+0.18×0.174) =958.501KN △L2=958.501×7.505/(700×1.95×10-5) =52.7mm Pp3=976.5×(1-e-(0.0008×3.666+0.18×0))/(0.0008×3.666+0.18×0) =975.069 KN △L3=975.069×3.666/(700×1.95×10-5) =26.19mm △L=△L1+△L2+△L3=7.7+52.7+26.19=86.59mm 2#束(以边跨边梁为例)延伸量分三段计算,三段长度为: LAB=1.012M LBC=2.793M LCD=8.409M Pp1= P(1-e-(kx+µθ))/(kx+µθ) P=1860×0.75×6×140×10-3=1171.8KN Pp1=1171.8×(1-e-(0.0008×1.012+0.18×0))/(0.0008×1.012+0.18×0) =1171.326KN △L1=1171.326×1.012/(840×1.95×10-5) =7.24mm Pp2=1171.8×(1-e-(0.0008×2.793+0.18×0.087))/(0.0008×2.793+0.18×0.087) =1161.378KN △L2=1161.378×2.793/(840×1.95×10-5) =19.8mm Pp3=1171.8×(1-e-(0.0008×8.409+0.18×0))/(0.0008×8.409+0.18×0) =1167.867KN △L3=1167.867×8.409/(840×1.95×10-5) =60mm △ L=△L1+△L2+△L3=7.24+19.8+60=87.04mm 1#束(以中跨边梁为例)延伸量分三段计算,三段长度为: LAB=1.121M LBC7.505M LCD=3.60M Pp1= P(1-e-(kx+µθ))/(kx+µθ) P=1860×0.75×5×140×10-3=976.5KN Pp1=976.5×(1-e-(0.0008×1.121+0.18×0))/(0.0008×1.121+0.18×0) =976.062KN △L1=976.080×1.121/(700×1.95×10-5) =8.01mm Pp2=976.5×(1-e-(0.0008×7.505+0.18×0.174))/(0.0008×7.505+0.18×0.174) =958.501KN △L2=958.501×7.505/(700×1.95×10-5) =52.7mm Pp3=976.5×(1-e-(0.0008×3.60+0.18×0))/(0.0008×3.60+0.18×0) =975.095 KN △L3=975.095×3.60/(700×1.95×10-5) =25.72mm △L=△L1+△L2+△L3=8.01+52.7+25.72=86.43mm 2#束(以中跨边梁为例)延伸量分三段计算,三段长度为: LAB=1.012M LBC=2.793M LCD=8.389M Pp1= P(1-e-(kx+µθ))/(kx+µθ) P=1860×0.75×5×140×10-3=976.5KN Pp1=976.5×(1-e-(0.0008×1.012+0.18×0))/(0.0008×1.012+0.18×0) =976.105KN △L1=976.105×1.012/(700×1.95×10-5) =7.24mm Pp2=976.5×(1-e-(0.0008×2.793+0.18×0.087))/(0.0008×2.793+0.18×0.087) =967.815KN △L2=967.815×2.793/(700×1.95×10-5) =19.8mm Pp3=976.5×(1-e-(0.0008×8.389+0.18×0))/(0.0008×8.389+0.18×0) =973.230KN △L3=973.230×8.389/(700×1.95×10-5) =59.81mm △L=△L1+△L2+△L3=7.24+19.8+59.81=86.85mm 1#束(以边跨中梁为例)延伸量分三段计算,三段长度为: LAB=1.034M LBC7.679M LCD=3.533M Pp1= P(1-e-(kx+µθ))/(kx+µθ) P=1860×0.75×4×140×10-3=781.2KN Pp1=781.2×(1-e-(0.0008×1.034+0.18×0))/(0.0008×1.034+0.18×0) =780.877KN △L1=780.877×1.034/(560×1.95×10-5) =7.39mm Pp2=781.2×(1-e-(0.0008×7.679+0.18×0.174))/(0.0008×7.679+0.18×0.174) =766.748KN △L2=766.748×7.679/(560×1.95×10-5) =53.92mm Pp3=781.2×(1-e-(0.0008×3.533+0.18×0))/(0.0008×3.533+0.18×0) =780.097KN △L3=780.097×3.533/(560×1.95×10-5) =25.24mm △L=△L1+△L2+△L3=7.39+53.92+25.24=86.55mm 2#束(以边跨中梁为例)延伸量分三段计算,三段长度为: LAB=1.012M LBC=2.793M LCD=8.409M Pp1= P(1-e-(kx+µθ))/(kx+µθ) P=1860×0.75×5×140×10-3=976.5KN Pp1=976.5×(1-e-(0.0008×1.012+0.18×0))/(0.0008×1.012+0.18×0) =976.105KN △L1=976.105×1.012/(700×1.95×10-5) =7.24mm Pp2=976.5×(1-e-(0.0008×2.793+0.18×0.087))/(0.0008×2.793+0.18×0.087) =967.815KN △L2=967.815×2.793/(700×1.95×10-5) =19.8mm Pp3=976.5×(1-e-(0.0008×8.409+0.18×0))/(0.0008×8.409+0.18×0) =973.223KN △L3=973.223×8.409/(700×1.95×10-5) =59.95mm △L=△L1+△L2+△L3=7.24+19.8+59.95=86.99mm 1#束(以中跨中梁为例)延伸量分三段计算,三段长度为: LAB=1.034M LBC7.679M LCD=3.513M Pp1= P(1-e-(kx+µθ))/(kx+µθ) P=1860×0.75×4×140×10-3=781.2KN Pp1=781.2×(1-e-(0.0008×1.034+0.18×0))/(0.0008×1.034+0.18×0) =780.877KN △L1=780.877×1.034/(560×1.95×10-5) =7.39mm Pp2=781.2×(1-e-(0.0008×7.679+0.18×0.174))/(0.0008×7.679+0.18×0.174) =766.748KN △L2=766.748×7.679/(560×1.95×10-5) =53.92mm Pp3=781.2×(1-e-(0.0008×3.513+0.18×0))/(0.0008×3.513+0.18×0) =780.103KN △L3=780.103×3.513/(560×1.95×10-5) =25.09mm △L=△L1+△L2+△L3=7.39+53.92+25.09=86.4mm 2#束(以中跨中梁为例)延伸量分三段计算,三段长度为: LAB=1.012M LBC=2.793M LCD=8.409M Pp1= P(1-e-(kx+µθ))/(kx+µθ) P=1860×0.75×4×140×10-3=781.2KN Pp1=781.2×(1-e-(0.0008×1.012+0.18×0))/(0.0008×1.012+0.18×0) =780.884KN △L1=780.884×1.012/(560×1.95×10-5) =7.24mm Pp2=781.2×(1-e-(0.0008×2.793+0.18×0.087))/(0.0008×2.793+0.18×0.087) =774.252KN △L2=774.252×2.793/(560×1.95×10-5) =19.8mm Pp3=781.2×(1-e-(0.0008×8.389+0.18×0))/(0.0008×8.389+0.18×0) =778.584KN △L3=778.584×8.389/(560×1.95×10-5) =59.81mm △L=△L1+△L2+△L3=7.24+19.8+59.81=86.85mm 3#束(顶板负弯矩钢束)因角度接近零,延伸量分一段计算: L=7.002 Pp1= P(1-e-(kx+µθ))/(kx+µθ) P=1860×0.75×1×140×10-3=195.3KN Pp1=195.3×(1-e-(0.0008×7.002+0.18×0))/(0.0008×7.002+0.18×0) =194.754KN △L1=194.754×7.002/(140×1.95×10-5) =50mm 4#束(顶板负弯矩钢束)因角度接近零,延伸量分一段计算: L=4.202 Pp1= P(1-e-(kx+µθ))/(kx+µθ) P=1860×0.75×1×140×10-3=195.3KN Pp1=195.3×(1-e-(0.0008×4.202+0.18×0))/(0.0008×4.202+0.18×0) =194.972KN △L1=194.972×4.202/(140×1.95×10-5) =30mm
展开阅读全文

开通  VIP会员、SVIP会员  优惠大
下载10份以上建议开通VIP会员
下载20份以上建议开通SVIP会员


开通VIP      成为共赢上传

当前位置:首页 > 环境建筑 > 其他

移动网页_全站_页脚广告1

关于我们      便捷服务       自信AI       AI导航        抽奖活动

©2010-2026 宁波自信网络信息技术有限公司  版权所有

客服电话:0574-28810668  投诉电话:18658249818

gongan.png浙公网安备33021202000488号   

icp.png浙ICP备2021020529号-1  |  浙B2-20240490  

关注我们 :微信公众号    抖音    微博    LOFTER 

客服