收藏 分销(赏)

学校安全检查表格模板.doc

上传人:精*** 文档编号:9476764 上传时间:2025-03-27 格式:DOC 页数:9 大小:64.54KB 下载积分:6 金币
下载 相关 举报
学校安全检查表格模板.doc_第1页
第1页 / 共9页
学校安全检查表格模板.doc_第2页
第2页 / 共9页


点击查看更多>>
资源描述
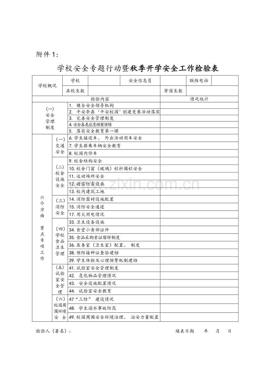
附件1: 学校安全专题行动暨秋季开学安全工作检验表 学校概况 学校 安全信息员 联络电话 在校生数 寄宿生数 检验内容 情况统计 (一) 安全 管理 制度 1. 健全安全领导机构 2. 平安夺鼎‘平安校园’创建竞赛活动落实 3. 完善安全管理制度 4.安全各类应急预案演练 5. 落实安全教育第一课 六 个 方 面 重 点 专 项 工 作 (一) 交通 安全 6.学生接送车、 外出活动用车安全 7.学生搭乘车辆安全教育 8.校园内停车 (二) 校舍 设施 安全 9.校舍结构安全 10.校舍门窗(玻璃)栏杆围栏安全 11.运动场所安全 12.避雷防雷设施 13.校内建筑工地 (三) 消防 安全 14.消防器材设施配置 15.消防安全通道 17.用火用电情况 (四) 学校食品卫生管理 33.卫生设备设施 34.食堂小卖部证件 35.食品采购索证留样制度 36.医务室(卫生室)配置、 制度 38.预防接种证查验建档 39.学生体检及心理预警机制建档 (五)试验室安全管理 41.试验室安全管理制度 42. 危化物品管理情况 43. 安全设施配置情况 44. 试验室安全教育 (六) 校园周围环境 安 全 47“三防” 建设情况 48. 学生溺水事故防范 49.校园周围安全环境治理、 治安力量配置 检验人(署名): 填表日期 年 月 日 附件2: 永嘉县学校重大安全隐患治理项目记录表 填报单位(章): 填报人: 联络电话: 填报日期: 年 月 日 项目类别 学校项目名称 项目内容 (简述) 估计投资 数(万元) 估计完成日期 落实长久有效机制具体方法(简述) 项目责任人 备注 合 计 1.学生交通安全 2.校舍安全 3.消防安全 4.食品卫生安全 5.试验室和实习实训安全 6.校园及周围治安综治安全 注: 1.指标解释和填报要求同附件1; 2.本表项目数与附件1统计排查判定结果相一致, 并做到一一对应。 附件3: 永嘉县学校安全专题行动情况统计表 填报单位(章): 填报人: 联络电话: 填报日期: 年 月 日 项目类别 排查出通常隐患 排查出重大隐患 备注 包含学校数(所) 隐患数(项) 整改率(%) 已投入资金(万元) 重大隐患数(项) 包含学校数(所) 治理资金需求数(万元) 累计 1.学生交通安全 2.校舍安全 3.消防安全 4.食品卫生安全 5.试验室和实习实训安全 6.校园及周围治安综治安全 注: 1.本表由各学区和各直属学校分别填报; 2.“通常隐患”指危害程度和整改难度较小, 能立刻排除隐患; “重大隐患”指危害程度和整改难度较大, 要经过一定时间整改治理方能排除隐患; 3.各学区在汇总填报时, 须分类别填报, 并附所属各中小学、 幼稚园、 培训机构报表。 附件4: 浙江省学校食品安全十必需 一、 学校必需建立健全以校长为第一责任人食品安全责任制度 学校校长是学校食品安全第一责任人。校长必需对学校食品安全负总责, 学校应设1一2名专兼职食品卫生监督管理员, 具体负责食品卫生监督。建立食物中毒或者其她食源性疾患等突发事件应急处理机制。建立学校食品卫生责任追究制度。 二、 学校食堂和副食品店必需建立健全食品管理规章制度 学校食堂和副食品店必需取得餐饮服务监管部门发放餐饮服务许可证(包含原食品卫生许可证), 未取得许可证不得加工、 供给食品。加工、 供给食品必需遵照食品卫生许可证核定范围。要根据要求建立学校食堂卫生档案, 档案应包含个人健康证实、 食品原料和相关用具索证资料、 食品添加剂和调味品采购与使用统计、 餐具消毒自查统计、 食品留样统计、 食品原材料采购合相同。 三、 学校食品从业人员必需有良好卫生习惯并持证上岗 食品从业人员按相关要求取得健康体检证实和卫生培训合格证后方可上岗操作, 健康体检每年1次, 并定时接收职业道德教育和卫生知识、 食品安全法规培训, 经考评合格颁证后方可上岗。从业人员操作时应穿戴清洁工作服、 工作帽(专间操作人员还需戴口罩)。 四、 学校食堂和副食品店必需严把食品采购进货关 严禁采购不符合食品安全标准和要求食品。应该查验、 索取并留存加盖有供货方公章许可证、 营业执照和产品合格证实文件复印件; 留存盖有供货方公章(或签字)每笔购物凭证或每笔送货单, 建立采购、 进货台账, 每日一记, 全部食品一律入账, 具体统计。 有条件学校可建立蔬菜农药检测及其她食品相关检测, 严把食品原料进入关。 五、 学校食堂和副食品店必需建立健全食品验收贮存制度 食品入库前必需严格验收, 设专员验收登记、 设置台帐; 食品出库时必需查验其感官性状和保质期。日常性查验应关键检验食品是否变质(包含霉变、 腐败)、 包装是否损坏及保质期是否到期等情况, 发觉存在不符合卫生要求食品应立刻进行处理。食品储存仓库要专用, 食品贮存必需分类、 分架、 隔墙、 离地存放。食品贮存场所严禁存放有毒、 有害物品及个人生活物品, 不许可与药品、 杀虫剂、 洗涤剂、 防腐剂、 杂品等物品混放。 六、 学校食堂食品加工供给必需符合国家卫生标准 肉类、 水产品类与蔬菜类食品原料清洗必需分别在专用清洗池内进行; 加工食品必需做到熟透, 加工后熟制品应该与食品原料或半成品分开存放, 半成品应该与食品原料分开存放, 预防交叉污染。食品在烹饪后至出售前存放时间通常不超出2个小时, 若超出2个小时存放, 应该在高于60 ℃ 或低于10 ℃ 条件下存放。食堂剩下食品必需冷藏, 冷藏时间不得超出24个小时。隔夜、 隔餐食品在确定没有变质情况下, 必需经高温根本加热后方可供给食用。 七、 学校食堂必需建立食品留样制度 食堂每餐供给多种菜肴(包含含馅面制品)必需留样。留样食品应按品种分别盛放于清洗消毒后密闭专用容器内, 并做好留样登记, 在留样专用冰箱冷藏条件下存放48个小时以上, 每个品种留样量不少于100克。 八、 学校食堂必需坚持天天保洁 清洗餐具、 工用具必需在专用水池内进行。餐饮具“一清、 二洗、 三消毒、 四保洁”, 未经消毒餐饮具不得使用。已消毒和未消毒餐饮具应分开存放, 并在餐饮具贮存柜上有显著标识。随时保持食堂洁净、 整齐、 卫生环境。 九、 学校食堂必需规范使用食品添加剂 学校食堂和饮食店要设置专柜, 统一存放食品添加剂, 同时建立食品添加剂等原料采购索证索票制度, 按要求落实统计、 查验制度。严格食品添加剂使用, 依据“非必需不使用”标准, 使用具种和用量必需符合 GB276O《食品添加剂使用卫生标准》, 预防超范围和过量使用食品添加剂行为发生。严禁使用非食用物质加工制作食品。 十、 学校必需提供符合卫生标准饮用水 学校必需确保合格饮用水供给, 严禁学生直接饮用生水。严把学生饮用水供给步骤质量关。使用桶装水学校应统一招标, 确保从符合国家相关标准要求单位进货, 生产桶装饮用水企业要有有效食品卫生许可证、 工商营业执照、 工业产品生产许可证、 税务登记证、 产品质量监督检验汇报。定时对饮水设施设备、 桶装水饮水机和自备水进行消毒管理, 清洗、 消毒要有统计。
展开阅读全文

开通  VIP会员、SVIP会员  优惠大
下载10份以上建议开通VIP会员
下载20份以上建议开通SVIP会员


开通VIP      成为共赢上传

当前位置:首页 > 包罗万象 > 大杂烩

移动网页_全站_页脚广告1

关于我们      便捷服务       自信AI       AI导航        抽奖活动

©2010-2025 宁波自信网络信息技术有限公司  版权所有

客服电话:0574-28810668  投诉电话:18658249818

gongan.png浙公网安备33021202000488号   

icp.png浙ICP备2021020529号-1  |  浙B2-20240490  

关注我们 :微信公众号    抖音    微博    LOFTER 

客服