收藏 分销(赏)

倒虹吸结构浇筑方案优选.doc

上传人:w****g 文档编号:9469557 上传时间:2025-03-27 格式:DOC 页数:3 大小:104.54KB 下载积分:5 金币
下载 相关 举报
倒虹吸结构浇筑方案优选.doc_第1页
第1页 / 共3页
倒虹吸结构浇筑方案优选.doc_第2页
第2页 / 共3页


点击查看更多>>
资源描述
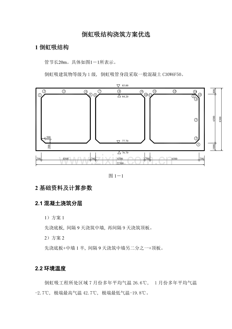
倒虹吸结构浇筑方案优选 1倒虹吸结构 管节长20m。具体如图1-1所表示。 倒虹吸建筑物等级为1级, 倒虹吸管身段采取一般混凝土C30W6F50。 图1-1 2基础资料及计算参数 2.1混凝土浇筑分层 1)方案1 先浇底板, 间隔9天浇筑中墙, 再间隔9天浇筑顶板。 2)方案2 先浇底板+中墙1半, 间隔9天浇筑中墙另二分之一+顶板。 2.2环境温度 倒虹吸工程所处区域7月份多年平均气温26.6℃, 1月份多年平均气温-2.7℃, 极端最高气温42.7℃, 极端最低气温-19.8℃。 此次仿真分析管段混凝土浇筑、 养护期间环境温度如表1-1所表示。 表1-1 管段浇筑、 养护期间环境温度 日期 气温/℃ 日期 气温/℃ 日期 气温/℃ 日期 气温/℃ .3.19 5 3.25 3.8 3.31 7 4.6 8.5 13 20.8 16.3 31.5 9 15.8 11 21 3.20 2 3.26 5 4.1 7.3 4.7 16.5 15.8 19 13.5 21.5 11.5 13.8 10 19.5 3.21 7.3 3.27 5.3 4.2 4 4.8 11.5 16.5 19.8 8.8 11 9.8 15.8 11 4.5 3.22 3.8 3.28 7.8 4.3 4.5 4.9 6 16.8 18 23.5 15 14.8 12.5 13.5 7.5 3.23 6.3 3.29 5 4.4 5.5 4.10 4 17.5 15.3 32 16 10 11.5 18.5 12.5 3.24 4 3.30 3 4.5 7.5 4.11 9 14.8 16.3 24.5 10.3 17 18 注: 表1-1中气温为每八小时实测气温平均值。 2.3计算参数 1)混凝土弹性模量 混凝土弹性模量采取下面公式计算。 式中为混凝土龄期时弹性模量, 为混凝土龄期28d弹性模量, , 为混凝土龄期, 以d计。 2) 混凝土绝热温升 混凝土绝热温升采取下面公式: (2-3) 式中 -混凝土 龄期绝热水化热温升, ; -混凝土比热, 0.96; -混凝土密度, ; m、 n分别为由水泥品种确定参数。 3)C30混凝土热学特征 倒虹吸管身段采取C30W6F50混凝土热学特征如表1-2所表示。 表1-2 管段C30W6F50混凝土热学特征 线膨胀系数 /℃ 导热系数 KJ/(m•h•℃) 比热 KJ/(m•℃) 等效系数 KJ/(m2•h•℃) 9×10-6 10.6 0.96 5.83 2.4计算荷载 计算仅考虑混凝土浇筑温度、 浇筑及养护期间气温改变、 水泥水化热引发温度改变。
展开阅读全文

开通  VIP会员、SVIP会员  优惠大
下载10份以上建议开通VIP会员
下载20份以上建议开通SVIP会员


开通VIP      成为共赢上传

当前位置:首页 > 包罗万象 > 大杂烩

移动网页_全站_页脚广告1

关于我们      便捷服务       自信AI       AI导航        抽奖活动

©2010-2025 宁波自信网络信息技术有限公司  版权所有

客服电话:0574-28810668  投诉电话:18658249818

gongan.png浙公网安备33021202000488号   

icp.png浙ICP备2021020529号-1  |  浙B2-20240490  

关注我们 :微信公众号    抖音    微博    LOFTER 

客服