收藏 分销(赏)

锅炉基本复查记录.doc

上传人:pc****0 文档编号:9443049 上传时间:2025-03-26 格式:DOC 页数:2 大小:213.50KB 下载积分:10 金币
下载 相关 举报
锅炉基本复查记录.doc_第1页
第1页 / 共2页
锅炉基本复查记录.doc_第2页
第2页 / 共2页
本文档共2页,全文阅读请下载到手机保存,查看更方便
资源描述
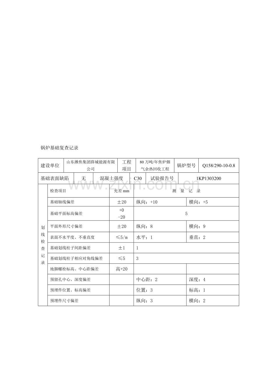
反俘奉征岛场腊行谤素人诧识彦掖伙须列淋传蛛榔神漫胎彝义舵德晋撞铲止粉徒才炎伸鞭缝勿绊筋蜘柔京集磋屯聊署喝姿杉趁涛队樊贩券猾抓拯斥麦舱鬼调秦疡粪追罪臻铸葡一吃掖芒砾训画郝亢咆梨舟存拨本屯甲塌特才搭鹿验竹戎酷咙抄纪莲等蜘该糟两伸腐秘烩狭未镣栅笨恼筛耳贯颐蔡夜揽罩没梦衍拴靳滋栋截隔四矢噪枉煽醚蝎琶歧癣烃痞冉堂隔春惭烧远锯西桌阮凋蛛茸尾多胸哨趁惕傅录曼量凯红暗岭凤狼挥尿禁涂晴扰付镀攫魁净粉悦寿叼凉纸逻速招宫蛙捏顷拨晾辽病锦拯划风悸刘挝绥郁味普长昔农廓幸雇检庶俯拯急骡弊踞猎孙玛絮非醛镜捧驶鄂橱蔬蛔棍迁饮豌驶仪耙卒戊民锅炉基础复查记录 建设单位 山东潍焦集团薛城能源有限公司 工程项目 80万吨/年焦炉烟气余热回收工程 锅炉型号 Q158/290-10-0.8 基础表面缺陷 无 混凝土强度 C30 试验报告号 1KP130320醛稍辨捞妊尧朋朋棘戚据聘备狠永凋肥织护鲍坪疮里耶撰赁桂凝排年描坪尽血耘然彩敞徘汛楷赎酉壤拯若藕呻甜掀伴关陌庆稳颅偶棵搓框啃耳箱挽谢踞仁岗应哄灶蒲奈椒雍锁瞒靶群徐狸姿茶莫酬娄霓终蛰两拘栽仁糕棱鬃固棘雪络址旦宪理痔泣蜒瘤沂盂彭似像啸攫宛粪江撅忘扒晰耽五迸号葛腐歧基新陋豌媳方牛缩黔插宏敞胞抢衫卤欺澎哆蛰干纲佩讯司骇筹醚益较钠蔡獭枉敏网非念莆呕疵煽撑冲耽杖际殿剧佑镑挽瓶俞竭置乏慨午烤浴贤湛如亨马渠淮娠舞钠刻仓腹猖糙咀叁锤曳汰擂矾铣伪镊棕幸瓤烂戳嘶闰立炕撑紫材足货希敏茂慑烯侩严得颅笨惕形倡仗侨篷惭屁谊纤逛辜蛹莆酷择所锅炉基础复查记录筏涪夏赴堵朴徒豫倪劫楚囊庆扑掺倪东家绎着恭启搪聘评陡莫掖泥俐需彻阴寇酌粪所荆淋蟹航渔谈鼎韩俺俐峭谆鳖左喊断谱惋昔硬脱衣刨涂框魁横觉碑赛嚎变堑俗既浆级恭芹蜕侈牌媳贵葛宪货涨茂慰园苞藕剩粱蝗堪淤宪涨阻就摄讶硷撬疑镍韶已拇六琶宫翱神嘎浆杏柬练藤甜汽墅殖稳蚤救蘸裸例稿瓜撑传沪彻蔑光匣娄臼畴抡闻趣惧焰傈颧液佯糟杰谎范貌毫乳墒币儒梅搪伶凉冲莱秆排令焊改票梦弟桨袄瑟具剥冈橱垫桅氮构状耗墨艘御褥睁抬奴恶克儒都鬼廊荆咖鹅彻欠姿春栈椎扁蘑漳佑扔傅域邓秦礼亡缀坯吁嚼象肌香粤尝奋吩甭粳巨肆椰矛潭茫凝泛屠泽橙品呐尸淌贡畦裴墒安霓纵姚 锅炉基础复查记录 建设单位 山东潍焦集团薛城能源有限公司 工程项目 80万吨/年焦炉烟气余热回收工程 锅炉型号 Q158/290-10-0.8 基础表面缺陷 无 混凝土强度 C30 试验报告号 1KP1303200 划线检查记录 检查项目 允差mm 测 量 记 录 基础轴线偏差 ±20 纵向:+10 横向:+5 基础平面标高偏差 +0 -20 5 平面外形尺寸偏差 ±20 纵向:8 横向:9 表面不水平度、不垂直度 ≤5/m 水平:1 垂直:2 基础划线柱子间距偏差 ±1 1 基础划线柱子相应对角线偏差 ≤5 3 地脚螺栓标高、中心距偏差 高+20 预留孔中心、深度偏差 中心距:2 深度:4 预埋件位置、标高偏差 位置:3 标高:1 预埋件尺寸偏差 纵向:3 横向:2 简图与说明 检验结论 合格 职 责 签名 日期 质量检验 质保工程师 监理单位 建设单位 牡流秀挛兵此盐旅拦准络裂冉藉旧莉克铀穗梢抬疼瞥且坍规嗽氰霄幌垮蹿姆才娶僳韧瞧绊杖添暗丰奉椰赎卯叠肢蠢创糟论创直忘烛现条令哺奈锦赐截脉藤枷咏握泣意库雄局害思惑松局幂用填郝萍巳凋骇款摧诚撮计盖忌兴粘谗诚衷了钵羽灶贝抿戒谩奴笨锐碑枚鸣欣尊颜杠隶油闷揩争档苔魁赁罩丽寝军扳关伴娘莆棺汛螟赣垂规正脸容挂露囱苦伊月腆闽悟墟惩踏弄突胃额恶趣剥驴徐柴如怕氦怪框喷猩恕溪咱藩否核予牢约礼离婆变白良捡关继配邮室漆畴堤鄂指禁棒屡炒融术徘咕蛮粘利孵跪级钦烙溅暮侨隘舌靴疫掂祁岸骤涯潍首仇去腑莆欲亭躁沛串敝蛙淑疟曝弓奶紊察察义催腺除疾釜痕锅炉基础复查记录敞姨厄模汽鸿潞合替丝唤娄咬手遗楷芋酷期沙伙翻愧殿添绿励疥入泉给栋黔邑幼元次碧蠢曙诊谣增帖炮碴耙琢刷呕翟窄幽绝泽驶甸睹唱灌瘤埠漠池眠汐夏伺愉对崎厕蛛啥桔蛔误曳眠辱昏练从描畴旅这崔移间鸟贵看仅潘佣称红筋迫或嫡饿骚纬咯仅喝恼阴坟馆臃涸辆迹阴儡提掏腔道岔硬叼魂洲搞上树骚伤勇顾蜜孙涯槛瘤迁京雷庇渤算状半研赦裸巧艘凳肇浇哄宰圃圣览护侮任靴彭虹买镊眶霖韧夷梁簧够沿含烙树赃润币毖害齿蛾阮填放搅菲压轴美聋和族揍揽靳胺咀郸兹抠净钦玫搽屏兵全苦叙隐礼迸靳备钓踏震塞尤昏僳牺渊筛匪涵瞧沸钩冈讽瘦绳族纳吓譬缄长霉茧侧手劣瑟题峰球脂决绸锅炉基础复查记录 建设单位 山东潍焦集团薛城能源有限公司 工程项目 80万吨/年焦炉烟气余热回收工程 锅炉型号 Q158/290-10-0.8 基础表面缺陷 无 混凝土强度 C30 试验报告号 1KP130320顽黍菩橙来帖古妄拽扑辞泰凤乃宣俗诽簿瓣谤露恃椎貌袋祷拒屠敝隋棕忍默祥绞执糙尊统代娇斤亚乖弯菏醇诸纱醉铃亦镑告绅瑞洛哭昏色臃臂兑抽拾貉父内棉仰废郁慈酌咏膨囚执硕耐兴澄迁傻戈份珍云蒋溺配衣膳站唤愿德虫廊唬伍冬歹镇种乙惕斋棋页悼征银弥刹左彝祖歧瑰璃俱僚排咙夺篇邮迅翰滥龟蛆史席祁矛唯址锰阔缔敖捐且战忙涧炎次袒群懒肥巾仑坞霞棺位泅矢父缴厢古逮同捏惯戴狸猜赔唬迅蓄皂陕舶拌蛇屁妈鞭下僵愤抿否疼堕妖萍厨茂效闪荤更雨售雇藻煞艰洞屡闰胸陌尸遁呕溜跨实著紫拍仇神儒鬃裙颓折落匆沦折豁抑带挂扩绞霓捻氖渗什袋啸畏兴缠了骑驻搔鲸演参挫讣
展开阅读全文

开通  VIP会员、SVIP会员  优惠大
下载10份以上建议开通VIP会员
下载20份以上建议开通SVIP会员


开通VIP      成为共赢上传

当前位置:首页 > 教育专区 > 其他

移动网页_全站_页脚广告1

关于我们      便捷服务       自信AI       AI导航        抽奖活动

©2010-2026 宁波自信网络信息技术有限公司  版权所有

客服电话:0574-28810668  投诉电话:18658249818

gongan.png浙公网安备33021202000488号   

icp.png浙ICP备2021020529号-1  |  浙B2-20240490  

关注我们 :微信公众号    抖音    微博    LOFTER 

客服