收藏 分销(赏)

人工挖孔桩术交底书03.doc

上传人:可**** 文档编号:941391 上传时间:2024-04-08 格式:DOC 页数:7 大小:60KB 下载积分:11 金币
下载 相关 举报
人工挖孔桩术交底书03.doc_第1页
第1页 / 共7页
人工挖孔桩术交底书03.doc_第2页
第2页 / 共7页


点击查看更多>>
资源描述
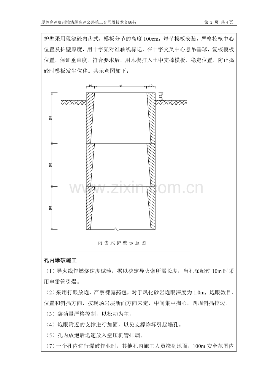
厦蓉高速贵州境清织高速公路第二合同段技术交底书 第 7 页 共4页 湖南省建筑工程集团总公司 厦蓉高速贵州境清镇至织金高速公路第二合同段项目经理部施工技术交底书 交底单位 项目经理部工程科 交 底 人 接收单位 被交底人 交底名称 人工挖孔桩技术交底 审 核 人 交底日期 年 月 日 交底地点 编号 交底内容: 人工挖孔桩施工工艺 施工准备 (1)做好施工场地平整工作,四周设置排水沟,出土路线畅通,安装好提升设备,合理堆放材料和机具,使其不增加孔壁压力、不影响施工。 (2)按施工图纸准确放线,放出桩位中心线和桩径,并认真进行复核,经监理工程师同意后,开挖桩身土方。 (3)施工前,施工现场技术负责人和施工员应逐孔全面检查施工准备,逐级进行技术安全交底和安全教育,要之逐项得到落实。 挖孔 (1)采用人工配风镐挖孔,孔口设置提升架,将挖开的土石渣运出孔外, (2)第一节孔圈护壁应比下面的护壁厚100mm,并高出现场地面200mm,防止土、石、杂物滚入孔内伤人。上下护壁间的搭接长度不少于50mm。 (3)护壁砼采用桩身砼的配合比拌和。 (4)浇灌护壁砼时,用敲击模板及用竹和木棒插实方法,不在桩孔水淹没模板的情况下灌注砼。发现护壁有蜂窝、漏水现象,及时加以堵塞和导流,防止孔外水通过护壁流入孔内,保证护壁砼强度及安全。 (5)护壁砼的内模拆除,在24小时以后进行,使砼有一定强度,以能挡土。 (6)当第一节护壁砼拆模后,即把轴线位置标定在护壁上,并用水准仪把相对水平标高画记在第一圈护壁内,作为控制桩孔位置和垂直度及确定桩的深度和桩顶标高的依据。 (7)桩端入岩,手风钻难于作业时,采用无声破碎方法进行。孔内爆破时,现场其它孔内作业人员必须全部撤离,做好安全防护措施。 (8)在挖孔过程中,经常检查桩孔尺寸和平面位置。 (9)挖孔到达设计深度后,进行孔底处理,做到孔底表明无松渣、泥、沉淀土。 护壁采用现浇砼内齿式,模板分节的高度100cm,每节模板安装,严格校核中心位置及护壁厚度,用十字架对准轴线标记,在十字交叉中心悬吊垂球,复核模板位置,保证垂直度。符合要求后,用木楔打入土中支撑模板,稳定位置,防止捣砼时模板发生位移。其示意图如下: 孔内爆破施工 (1)导火线作燃烧速度试验,据以决定导火索所需长度,当孔深超过10m时采用电雷管引爆。 (2)采用打眼放炮,严禁裸露药包,对于风化砂岩炮眼深度为1.0m,炮眼数目、位置和斜插方向,按现场岩层断面方向来定,中间集中掏心,四周斜插挖边。 (3)装药量严格控制,以松动为主, (4)炮眼附近的支撑进行加固,以免支撑炸坏引起塌孔。 (5)孔内放炮后迅速放入空压机管排烟。 (7)一个孔内进行爆破作业时,其他孔内施工人员撤到地面,100m安全范围内不得有人。 成孔检查、钢筋笼的制作与安放 (1)成孔后,使用探孔器探孔,质量标准见下表: 项目 允许偏差 孔的中心偏位(mm) 群桩:100,单排桩:50 孔径(mm) 不小于设计桩径 倾斜度 小于0.5 孔深 比设计深度超深不小于50mm (2)钢筋笼分节制作,分段后的主筋接头相互错开,同一截面内的接头数目不多于主筋总根数的50%,且接头错开距离大于50cm,主筋闪光对焊接长,其外观检查符合下列要求: 1、接头处不得有横向裂纹; 2、与电极接触处的钢筋表面不得有明显烧伤; 3、接头处的弯折角不得大于3o; 4、接头处的轴线偏移不得大于钢筋直径的0.1倍,且不得大于2mm。 (3)节段间采用单面搭接焊连接,搭接长度为主筋直径的10~15倍,外观检查符合下列要求: 1、焊缝表面平整,不得有凹陷或焊瘤; 2、焊接接头区域不得有肉眼可见的裂纹; 3、咬边深度小于0.5mm,不得有气孔及夹渣现象。 (4)钢筋加工的偏差范围见下表: 检查项目 允许偏差(mm) 受力钢筋间距 ±20 螺旋筋间距 ±10 钢筋骨架尺寸 长 ±10 直径 ±5 保护层厚度 ±10 (5)每套钢筋笼加工成型后,挂标识牌。 (6)将第一节钢筋笼吊入孔内,用型钢穿过钢筋笼临时将首节钢筋笼支撑于支架平台上,进行第二节钢筋笼的焊接,之前将接头处主筋打角度,保证焊接后主筋同轴,焊接完毕后用25T汽车吊将两节钢筋笼一起吊起,取掉临时支撑型钢,使钢筋笼下放,如此循环,直至钢筋笼全部安装完毕。 (7)钢筋笼在制作时事先应将定位环按设计位置安装好,每断面4根按900分布,同时将3根声测管对称安装在钢筋笼内,接头采用套管接头,声测管灌满清水并将端口密封,以免混凝土灌注时混凝土挤入管内而造成声测管堵塞失灵。 (8)钢筋笼最上节入孔后,采用临时钢筋使之固定于孔口,以防钢筋笼偏位和砼浇灌时钢筋笼上浮。 (9)上述工作经监理工程师检查合格后进行砼浇灌的准备工作。 导管安装 将钢筋笼固定就位后,根据孔深计算导管长度,吊放内径250mm的钢导管。 浇灌砼 (1)桩体砼要从桩底到桩顶标高一次完成。如遇停电等情况时,配备发电机,保证砼的连续浇筑。 (2)灌注桩身砼,严禁井口抛铲或倒车斜料,以免砼离析,影响砼整体强度。 (3)桩身砼采用泵送,在灌注砼过程中,注意防止地下水进入,不得有超过50mm厚的积水层否则,应设法把砼表面积水层用导管吸干,才能灌注砼。当孔内积水过深,采用水下砼灌注施工。 (4)砼采用导管法浇注,施工时导管应对准孔中心,桩顶以下2.0m的砼,依靠自重坠落沉实,不必再用人工振捣,在此线以上灌注的砼采用插入式振动器和人工插实相结合的方法。 (5)在灌注桩身砼时,相邻10m范围内的挖孔作业应停止,并不得在孔底留人。 (6)灌注桩身砼时,工地试验员留置试块,桩长大于等于20m,每根桩3组(9件),桩长小于20m,每根桩2组(6件),并及时提出试验报告。 (7)砼灌至桩顶以后,将表面已离析的混合物和水泥浮浆等清除干净,保证桩顶比设计高2~3cm,施工承台前凿毛处理。 被交底人: 厦蓉高速贵州境清镇至织金高速公路第二合同段项目经理部 年 月 日
展开阅读全文

开通  VIP会员、SVIP会员  优惠大
下载10份以上建议开通VIP会员
下载20份以上建议开通SVIP会员


开通VIP      成为共赢上传

当前位置:首页 > 品牌综合 > 技术交底/工艺/施工标准

移动网页_全站_页脚广告1

关于我们      便捷服务       自信AI       AI导航        抽奖活动

©2010-2026 宁波自信网络信息技术有限公司  版权所有

客服电话:0574-28810668  投诉电话:18658249818

gongan.png浙公网安备33021202000488号   

icp.png浙ICP备2021020529号-1  |  浙B2-20240490  

关注我们 :微信公众号    抖音    微博    LOFTER 

客服