收藏 分销(赏)

连锁企业物流配送中心建设情况调查表模板.doc

上传人:w****g 文档编号:9246265 上传时间:2025-03-18 格式:DOC 页数:13 大小:81KB 下载积分:8 金币
下载 相关 举报
连锁企业物流配送中心建设情况调查表模板.doc_第1页
第1页 / 共13页
连锁企业物流配送中心建设情况调查表模板.doc_第2页
第2页 / 共13页


点击查看更多>>
资源描述
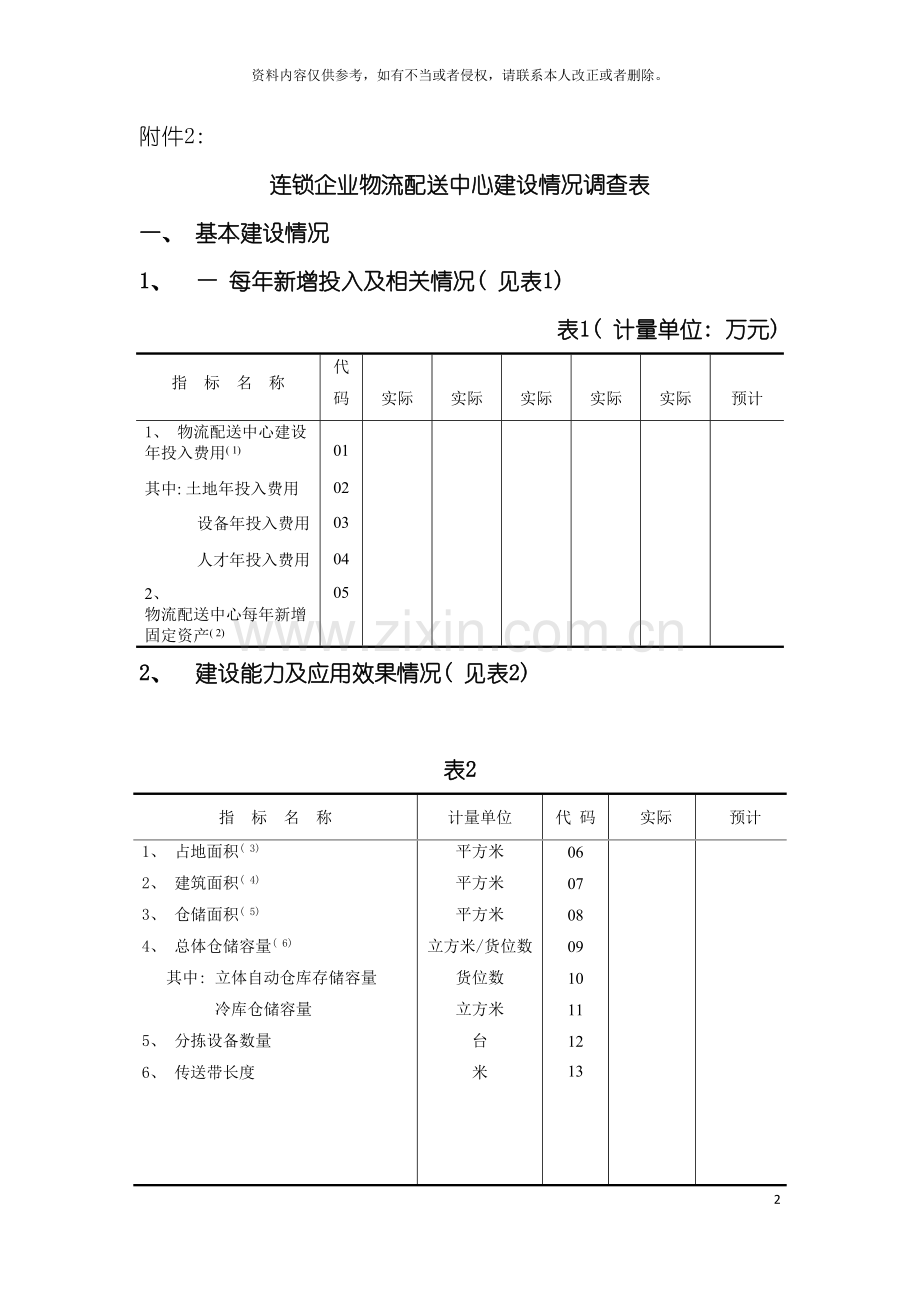
连锁企业物流配送中心建设情况调查表 13 资料内容仅供参考,如有不当或者侵权,请联系本人改正或者删除。 附件2: 连锁企业物流配送中心建设情况调查表 一、 基本建设情况 1、 — 每年新增投入及相关情况( 见表1) 表1( 计量单位: 万元) 指 标 名 称 代码 实际 实际 实际 实际 实际 预计 1、 物流配送中心建设 年投入费用( 1) 01 其中: 土地年投入费用 02 设备年投入费用 03 人才年投入费用 04 2、 物流配送中心每年新增固定资产( 2) 05 2、 建设能力及应用效果情况( 见表2) 表2 指 标 名 称 计量单位 代 码 实际 预计 1、 占地面积( 3) 平方米 06 2、 建筑面积( 4) 平方米 07 3、 仓储面积( 5) 平方米 08 4、 总体仓储容量( 6) 立方米/货位数 09 其中: 立体自动仓库存储容量 货位数 10 冷库仓储容量 立方米 11 5、 分拣设备数量 台 12 6、 传送带长度 米 13 指 标 名 称 计量单位 代 码 实际 预计 7、 周转托盘数量( 7) ( 其中: 1200mm×1000mm规格托盘数量 200mm×800mm规格托盘数量 1140mm×1140mm规格托盘数量 1219mm×1016mm规格托盘数量) 注: ”( ) ”中的内容能够选填。 台 台 台 台 台 14 15 16 17 18 8、 叉车数量 辆 19 10、 月台升降机数量 台 20 11、 笼车数量 辆 21 12、 使用车辆行车公里数( 8) 公里 22 其中: 配送生鲜冷藏食品使用车辆的行车公里数 公里 23 13、 自有车辆行车公里数( 9) 公里 24 其中: 配送生鲜冷藏食品自有车辆的行车公里数 公里 25 14、 物流加工品种数量( 10) 种 26 15、 日平均加工数量( 11) 箱 27 16、 最大配送半径( 12) 公里 28 17、 日平均配送距离( 13) 公里 29 18、 连锁门店数量 家 30 其中: 直营门店数量 家 31 加盟门店数量 家 32 协议委托配送门店数量 家 33 19、 门店经营的商品种类平均数量( 14) 种 34 20、 实现统一配送的商品种类数量( 15) 其中: 统一配送生鲜冷藏食品种类数量 种 种 35 36 指 标 名 称 计量单位 代 码 实际 预计 21、 门店全年销售额( 16) 其中: 生鲜冷藏食品全年销售额 万元 万元 37 38 22、 配送中心全年统一配送额( 17) 其中: 生鲜冷藏食品全年统一配送额 万元 万元 39 40 23、 全年商品配送总次数 其中: 生鲜冷藏食品全年配送总次数 次 次 41 42 24、 全年配送商品总订单数 其中: 生鲜冷藏食品全年配送总订单数 张 张 43 44 25、 全年配送商品总数量 其中: 生鲜冷藏食品全年配送总数量 箱 箱 45 46 26、 配送操作差错率( 18) % 47 27、 配送缺货率( 19) % 48 28、 配送中心商品年平均库存( 20) 其中: 生鲜冷藏食品年平均库存 万元 万元 49 50 29、 日平均仓储货物吞吐量(21) 其中: 生鲜冷藏食品吞吐量 箱/日 箱/日 51 52 30、 配送中心运营成本(22) 万元 53 二、 配送系统及信息管理水平 1、 企业物流配送实现的主要方式: ( 可多选, 如果多选, 则请按优先顺序排列) ① 自建配送中心 □ 排序: _________ ② 由供应商提供物流配送 □ 排序: _________ ③ 借助第三方物流配送 □ 排序: _________ ④ 其它 □ 请注明: ______________________ 排序: _________ 2、 企业自身或者外包实现配送的主要商品品类( 可多选) : ( 并请选择相应的配送方式, 在相应的配送方式前面划”√”。) □ 生鲜农副产品 ( □ 自建配送中心 □ 由供应商提供物流配送 □ 借助第三方物流配送 □ 其它 ) □ 日用百货 ( □ 自建配送中心 □ 由供应商提供物流配送 □ 借助第三方物流配送 □ 其它 ) □ 其它 ( □ 自建配送中心 □ 由供应商提供物流配送 □ 借助第三方物流配送 □ 其它 ) 3、 配送加工的主要类型包括: □ 分割 □ 拆零 □ 包装 □ 其它________________( 如果是其它, 请注明。) 4、 企业是否建立了物流配送信息系统: □ 是 □ 否 如果是, 该系统能实现哪些功能: □ 订单管理 □ 采购管理 □ 入库管理 □ 库存管理 □ 配送出库管理 □ 流通加工管理 □ 配送运输管理 □ 成本管理 □ 其它___________ ___________( 如果有其它功能, 请注明。) 5、 配送中心是否应用条码管理: □ 是 □ 否 如果是, 那么已实现哪些功能: □ 商品码管理 □ 货位码管理 □ 流程控制码管理 6、 配送中心是否实现了分拣作业的计算机管理: □ 是 □ 否 如果是, 那么已应用哪些技术: □ 订单管理 □ 分拣单自动生成 □ 电子标签 □ 手持终端( 若应用了此项技术, 请填写拥有台数__________台) 7、 配送中心是否实现了配载调度管理: □ 是 □ 否 如果是, 那么已实现哪些功能: □ 笼车配载 □ 车辆配载 □ 运输调度 8、 配送中心是否实现了GPS对配送车辆的监控: □ 是 □ 否 9、 配送中心是否实现了以先进先出为主要内容的批次管理: □ 是 □ 否 三、 或者今后三年的建设重点 ( 注: 企业在填写以下题目时, 若已制定 的相关计划, 就请在”□ ”的 ”□” 中划”√”, 若没有, 则能够按照三年的期限预计相关的数字, 填写相关内容, 并在”□ 未来三年”的”□”中划”√”。) 1、 ( □ □ 未来三年) 企业预计在物流配送建设方面的总投入为_________万元。 2、 ( □ □ 未来三年) 企业是否计划建立跨省的物流配送体系: □ 是 □ 否 3、 ( □ □ 未来三年) 企业预计新增配送中心数量为__________家。 4、 ( □ □ 未来三年) 企业计划增加配送门店数量为__________家, 最大配送半径为_______公里。 4、 ( □ □ 未来三年) 企业计划扩展物流配送中心的面积为__________平方米; 计划扩展土地面积为_______平方米; 计划增加仓储面积为________平方米。 5、 ( □ □ 未来三年) 企业计划增加分拣设备_______台; 计划增加装卸设备_____台; 计划增加运输设备______辆; 计划增加自有车辆运送吨数为_____吨。 6、 ( □ □ 未来三年) 企业是否计划增加冷链配送: □ 是 □ 否 7、 ( □ □ 未来三年) 企业是否计划增加对社会企业的配送服务: □ 是 □ 否 单位负责人: 统计负责人: 填表人: 联系电话: 填表日期: 200 年 月 日 ( 法人单位在此盖章) 四、 指标解释 1、 物流配送中心建设年投入费用: 指企业自 至 ( 为预计数字) 每年投资于物流配送中心建设的总金额。包括以下几项: 土地年投入费用: 指企业自 至 ( 为预计数字) 每年投入到配送中心用地的总金额。 设备年投入费用: 指企业自 至 ( 为预计数字) 每年投入到物流设施、 设备和技术的总金额。 人才年投入费用: 指企业自 至 ( 为预计数字) 每年对物流专业人才( 包括具有专业知识的决策人员、 管理人员、 技术人员等) 的支出费用。 2、 物流配送中心每年新增固定资产: 指企业自 至 ( 为预计数字) 每年末的固定资产总值。 3、 占地面积: 指物流配送中心的总用地面积。 4、 建筑面积: 指物流配送中心的建筑面积。 5、 仓储面积: 指物流配送中心的仓库面积。 6、 总体仓储容量: 指物流配送中心仓库储存货架总的有效容量。 立体自动仓库存储容量: 指物流配送中心的仓库储存中立体自动仓库存储的总有效容量。 冷库仓储容量: 指物流配送中心的生鲜冷藏食品仓储的总的有效容量。 7、 周转托盘数量: 指物流配送中心装卸货物使用中的托盘数量。 8、 使用车辆行车公里数: 指配送中心平均每辆车( 包括自有车辆和租用车辆在内) 全年运输的公里数。 计算公式=( 平均每天每辆车的实际运输公里数之和 / 车数) × 365天 配送生鲜冷藏食品使用车辆的行车公里数: 指以上所有车辆中, 配送生鲜冷藏食品的车辆平均每辆车全年运输的公里数。 9、 自有车辆行车公里数: 指配送中心平均每辆自有车辆全年运输的公里数。 计算公式=( 平均每天每辆自有车辆的实际运输公里数之和 / 车数) × 365天 配送生鲜冷藏食品自有车辆的行车公里数: 指以上自有车辆中, 配送生鲜冷藏食品的车辆平均每辆车全年运输的公里数。 10、 物流加工品种数量: 指本年物流配送中心加工商品的品种数量。 11、 日平均加工数量: 指本年物流配送中心平均每日加工商品的数量。 12、 最大配送半径: 指本年物流配送中心商品配送最远的门店距配送中心的距离。 13、 日平均配送距离: 指本年物流配送中心平均每天配送商品的总公里数。 14、 门店经营的商品种类平均数量: 指企业所有连锁门店所销售的商品种类的平均数量, 种类按照各商场的小类划分。( 请按典型门店的情况把握。) 15、 实现统一配送的商品种类数量: 指由配送中心统一配送给各连锁门店的商品种类数量。( 请按典型门店的情况把握。) 统一配送生鲜冷藏食品种类数量: 指由配送中心统一配送给各连锁门店的生鲜冷藏类食品的种类数量。 16、 门店全年销售额: 指企业所有连锁门店本年实现的销售额。 生鲜冷藏食品全年销售额: 指企业所有连锁门店本年销售生鲜冷藏食品所实现的销售额。 17、 配送中心全年统一配送额: 指配送中心统一配送的商品在各连锁门店的销售额。具体计算方法为: 配送中心全年统一配送额 = 配送中心全年统一配送商品的数量 × 商品的零售价格( 即商品在连锁零售门店销售价格) 生鲜冷藏食品全年统一配送额: 指配送中心统一配送的生鲜冷藏类食品在各连锁门店的销售额。具体计算方法为: 生鲜冷藏食品全年统一配送额 = 配送中心全年统一配送生鲜冷藏类食品的数量 × 生鲜冷藏类食品的零售价格( 即该类商品在连锁零售门店销售价格) 18、 配送操作差错率: 指由于配送操作过程的差错导致所配送的商品与门店的要求不一致的比率。例如: 配送商品种类错误、 配送过程中商品发生损坏或者污染等情况。 19、 配送缺货率: 限日用商品配送企业填写。指出现统一配送的商品数量不能达到门店需求数量的情况的比率。 计算公式 = ( 配送门店反馈缺货品种的数量( 全年) /配送中心实现统一配送的商品品种的数量( 全年) ) *100% 20、 门店商品年平均库存: 指连锁门店所有商品的本年平均库存量, 即( 年初库存 + 年末库存) / 2。 生鲜冷藏食品平均库存: 指连锁门店所经营的生鲜冷藏食品在本年的平均库存量, 即( 年初生鲜冷藏食品库存 + 年末生鲜冷藏食品库存) / 2。 21、 日平均仓储货物吞吐量:指配送中心每日平均运进、 出仓库, 并经过装卸的货物数量, 按实际箱数统计。 生鲜冷藏食品吞吐量: 指配送中心每日平均运进、 出仓库, 并经过装卸的生鲜冷藏食品的数量, 按实际箱数统计。 22、 配送中心运营成本: 包括固定资产折旧、 机械设备折旧、 租金、 人员支出费用、 水费、 电费及其它可能包含的费用。
展开阅读全文

开通  VIP会员、SVIP会员  优惠大
下载10份以上建议开通VIP会员
下载20份以上建议开通SVIP会员


开通VIP      成为共赢上传

当前位置:首页 > 包罗万象 > 大杂烩

移动网页_全站_页脚广告1

关于我们      便捷服务       自信AI       AI导航        抽奖活动

©2010-2026 宁波自信网络信息技术有限公司  版权所有

客服电话:0574-28810668  投诉电话:18658249818

gongan.png浙公网安备33021202000488号   

icp.png浙ICP备2021020529号-1  |  浙B2-20240490  

关注我们 :微信公众号    抖音    微博    LOFTER 

客服