收藏 分销(赏)

质量保证体系培训资料(doc56页).doc

上传人:綻放 文档编号:9100239 上传时间:2025-03-13 格式:DOC 页数:3 大小:803.88KB 下载积分:8 金币
下载 相关 举报
质量保证体系培训资料(doc56页).doc_第1页
第1页 / 共3页
质量保证体系培训资料(doc56页).doc_第2页
第2页 / 共3页


点击查看更多>>
资源描述
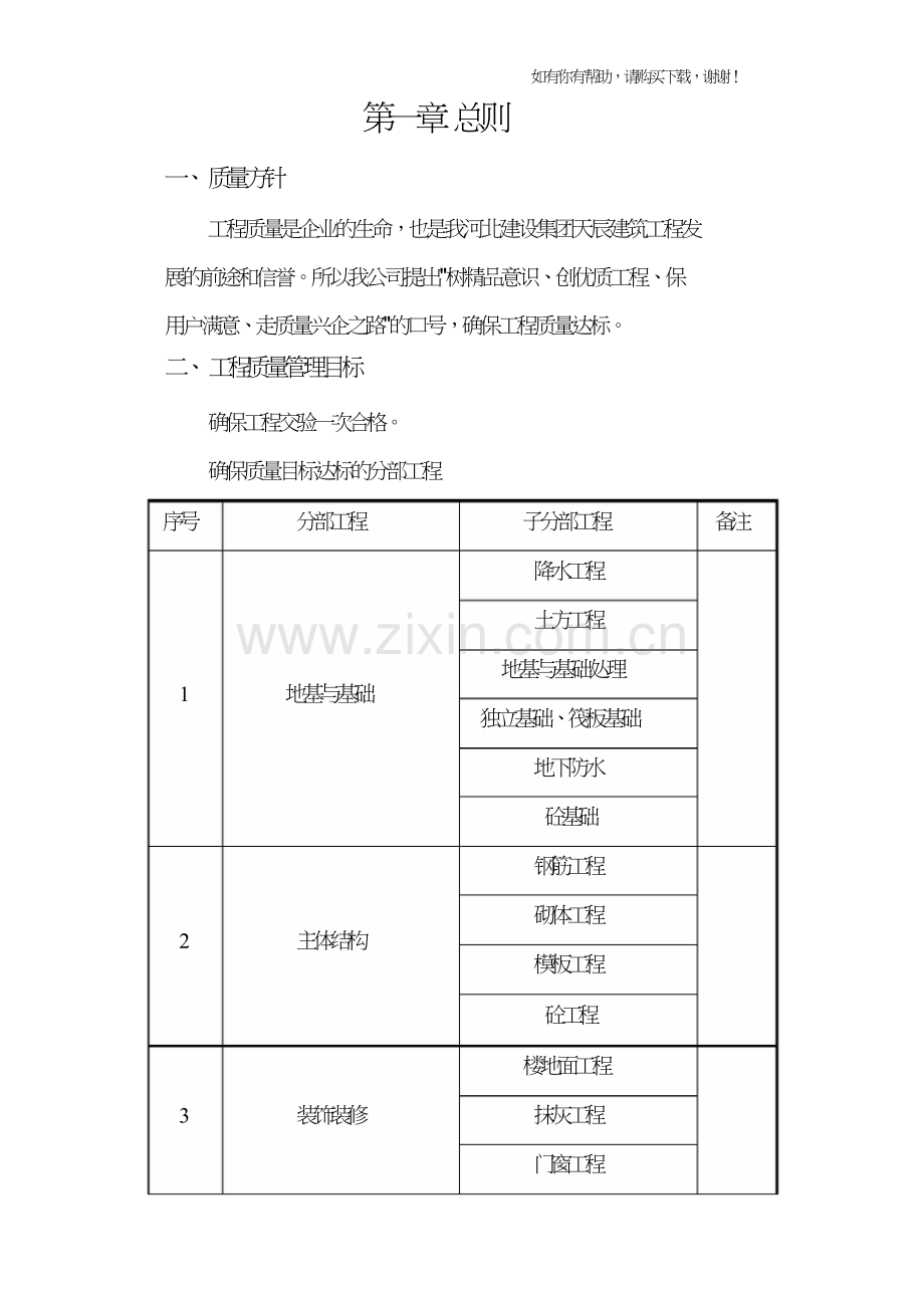
如有你有帮助,请购买下载,谢谢! 第一章 总则 一、 质量方针 工程质量是企业的生命,也是我河北建设集团天辰建筑工程发 展的前途和信誉。所以我公司提出"树精品意识、创优质工程、保 用户满意、走质量兴企之路"的口号,确保工程质量达标。 二、 工程质量管理目标 确保工程交验一次合格。 确保质量目标达标的分部工程 序号 1 2 3  分部工程 地基与基础 主体结构 装饰装修  子分部工程 降水工程 土方工程 地基与基础处理 独立基础、筏板基础 地下防水 砼基础 钢筋工程 砌体工程 模板工程 砼工程 楼地面工程 抹灰工程 门窗工程  备注 如有你有帮助,请购买下载,谢谢! 内外墙面工程 涂饰工程 外墙保温贴砖工程 细部工程 4 建筑屋面 挤塑保温卷材防水屋面 给排水系统 5 建筑给水排水及采暖 消防系统 卫生洁具安装 电气照明安装 6 建筑电气 防雷接地安装 (1)设计图及与设计图等效的技术文件; (2)业主、监理、设计提出的技术标准; (3)《施工企业标准》 ; (4)《建筑工程施工质量验收统一标准》 (5)《建筑分项施工工艺标准手册》 (6)《建筑地基基础施工质量验收规范》 (7)《砌体工程施工质量验收规范》 (8)《混凝土结构工程施工及验收规范》 (9)《建筑装饰装修工程施工质量验收规范》 (10) 《建筑地面工程施工质量验收规范》 (11) 《建筑电气工程施工质量验收规范》  GB50300-2001 2009 年 7 月版 GB50202-2002 GB50203-2002 GB50204-2002 GB50210-2002 GB50209-2002 GB50303-2002 (12)《建筑给水及采暖工程施工质量验收规范》 GB50242-2002 如有你有帮助,请购买下载,谢谢! (13)《屋面工程质量验收规范》 GB50207-2002 第二章 质量保证体系 一、 组织体系 项目部质量管理组织机构(附图) 政府行政主管、 市质量监督部门 公司总部 业主、监理 项目经理 管理部门 工程 工程 材料 工程 工程 技术 质量 设备 进度 安全 主体 水暖电 安装 施工质量的管理组织是确保工程质量的保证,其设置的合理、 完善与否将直接关系到整个质量保证体系能否顺利地运转及操作, 在本工程中,我们将按组织机构来全面的进行质量的管理及控制。 为保证进场后顺利施工,项目部将建立协调机制和协调会例会 制度,保证水、电、临时设施等统一规划、统一协调,协调工作重 点考虑工序间的穿插、隐蔽验收、成品保护、技术资料填写、收集、 整理的规范化等方面的协调。做到目标一致,行动一致,思想一致。 充分发挥本单位的各方面优势,从施工管理、施工技术、质量 控制环节、技术资料整编等方面进行指导,进场时,采用集中培训 的形式进行教育,让各专业施工队及专业分包单位了解本工程的施 工难点和施工关键环节,了解本工程的各项施工管理规定,了解质 量控制目标和质量控制标准,明确各方施工质量职责,使各参建单
展开阅读全文

开通  VIP会员、SVIP会员  优惠大
下载10份以上建议开通VIP会员
下载20份以上建议开通SVIP会员


开通VIP      成为共赢上传

当前位置:首页 > 教育专区 > 职业教育

移动网页_全站_页脚广告1

关于我们      便捷服务       自信AI       AI导航        抽奖活动

©2010-2025 宁波自信网络信息技术有限公司  版权所有

客服电话:0574-28810668  投诉电话:18658249818

gongan.png浙公网安备33021202000488号   

icp.png浙ICP备2021020529号-1  |  浙B2-20240490  

关注我们 :微信公众号    抖音    微博    LOFTER 

客服