收藏 分销(赏)

高边坡检验资料.doc

上传人:s4****5z 文档编号:8892942 上传时间:2025-03-06 格式:DOC 页数:21 大小:569KB 下载积分:10 金币
下载 相关 举报
高边坡检验资料.doc_第1页
第1页 / 共21页
高边坡检验资料.doc_第2页
第2页 / 共21页


点击查看更多>>
资源描述
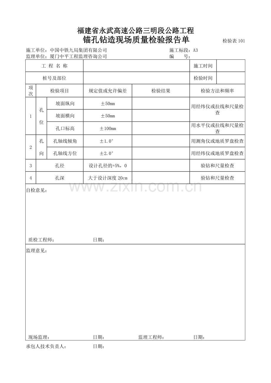
福建省永武高速公路三明段公路工程 锚孔钻造现场质量检验报告单 检验表101 施工单位:中国中铁九局集团有限公司 施工标段:A3 监理单位:厦门中平工程监理咨询公司 编 号: 工 程 名 称 施工时间 桩号及部位 检验时间 项 次 检验项目 规定值或允许偏差 检验结果 检验方法和频率 1 孔 位 坡面纵向 ±50mm 用经纬仪或拉线和尺量检查 坡面横向 ±50mm 孔口标高 ±100mm 用水平仪或拉线和尺量检查 2 孔 向 孔轴线倾角 ±1.0° 用测角仪或地质罗盘检查 孔轴线方位 ±2.0° 用经纬仪或地质罗盘检查 3 孔径 设计孔径的+5%,0 验钻和尺量检查 4 孔深 大于设计深度20cm 验钻和尺量检查 自检意见: 质检工程师: 日期: 监理意见: 现场监理: 日期: 监理工程师: 日期: 承包人技术负责人: 日期: 福建省永武高速公路三明段公路工程 锚索(杆)制作安装检验表 检验表102 施工单位:中国中铁九局集团有限公司 施工标段:A3 监理单位:厦门中平工程监理咨询公司 编 号: 里程桩号 所属分部工程名称 分项工程名称 工程部位 锚杆编号 检查日期 序号 检查项目 设计要求 或允许偏差 设计值 检查结果 检查点 (次)数 合格率 1 锚索(杆)长度(m) 2 锚固段长度(m) ±50mm 3 自由段长度(m) ±50mm 4 防护套管(m) 5 支撑架(架线环)个数 ±1个 6 自由段防护 7 锚孔倾角(°) ±1° 8 锚孔深度(mm) ±50cm 9 锚孔直径(mm) 设计孔径的(5%,0) 10 孔位偏差 ±2° 锚索(杆)体外观描述: 自检意见 质检工程师: 日期: 监理意见 现场监理: 日期: 监理工程师: 日期: 承包人技术负责人: 日期: 福建省永武高速公路三明段公路工程 锚筋组装现场质量检验报告表 检验表103 施工单位:中国中铁九局集团有限公司 施工标段:A3 监理单位:厦门中平工程监理咨询公司 编 号: 工程名称 施工时间 桩号及部位 检验时间 锚索(杆)编号 项次 检验项目 规定值或 允许偏差 检验结果 检验方法和频率 1 锚筋长度 ±50mm 尺量检查 2 锚固段长度 ±50mm 尺量检查 3 塑料套管端头定位 ±50mm 尺量检查 4 注 浆 管 中心定位 ±10mm 尺量检查 端头定位 ±50mm 5 支架架线环导向帽 制作尺寸 ±5mm 尺量检查 安装定位 ±20mm 自检意见: 质检工程师: 日期: 监理意见: 现场监理: 日期: 监理工程师: 日期: 承包人技术负责人: 日期: 福建省永武高速公路三明段公路工程 锚筋安装现场质量检验报告表 检验表104 施工单位: 中国中铁九局集团有限公司 施工标段:A3 监理单位:厦门中平工程监理咨询公司 编 号: 工程名称 施工时间 桩号及部位 检验时间 项次 检验项目 允许偏差 检验结果 检验方法 1 入孔 方向 倾向 ±1° 地质罗盘检查 方位 ±2° 2 入孔深度 ±200mm 尺量检查 自检意见: 质检工程师: 日期: 自检意见: 监理工程师: 日期: 承包人技术负责人: 日期: 福建省永武高速公路三明段公路工程 锚孔钻造施工记录表 施表-69 施工单位:中国中铁九局集团有限公司 施工标段:A3 监理单位:厦门中平工程监理咨询公司 编 号: 第 页共 页 工程名称 钻孔日期 桩号及部位 设计钻孔直径 钻机型号 设计钻孔深度 锚孔 编号 钻孔 直径 (cm) 套管直径(cm) 施工时间 钻进深度(M) 套 管 长 度 (m) 钻孔 倾角 地质描述 备注 起 止 时 间 (min) 自 止 回 次 进 尺 累 计 深 度 注:备注栏记录钻孔过程中出现的情况,如塌孔、缩孔、地下水及相应的处理办法。 记录: 承包人技术负责人: 现场监理: 福建省永武高速公路三明段公路工程 预应力锚索(杆)注浆施工记录表 施表-71 工程名称: 施工单位:中国中铁九局集团有限公司 施工标段:A3 监理单位:厦门中平工程监理咨询公司 注浆时间: 编 号: 桩 号 锚孔编号 钻孔时间 注浆部位 锚孔孔径 (mm) 锚孔深度 (m) 注浆压力 (Mpa) 施工配合比 水泥浆量(m3) 注浆 开始 时间 注浆 停止 时间 备 注 水泥:水 设计浆量 实际浆量 在成孔时间24小时内注浆 记录: 承包人技术负责人: 监理: 福建省永武高速公路三明段公路工程 钢筋加工及安装现场质量检验报告单 检验表30 承包单位:中国中铁九局集团有限公司 施工标段:A3 监理单位:厦门中平工程监理咨询公司 编 号: 工程名称 施工时间 桩号及部位 检验时间 项 次 检验项目 规定值或 允许偏差 检验结果 检验方法和频率 1 受力 钢筋 间距 (mm) 两排以上排距 ±5 尺量:每构件检查2个断面 同 排 梁、板、拱肋 ±10 基础、锚碇、墩台、柱 ±20 灌注桩 ±20 2 箍筋、横向水平钢筋、螺旋筋间距 (mm) ±10 尺量:每构件检查5~10个间距 3 钢筋骨架尺寸(mm) 长 ±10 尺量:按骨架总数30%抽查 宽、高或直径 ±5 4 弯起钢筋位置(mm) ±20 尺量:每骨架抽查30% 5 保护层 厚度 (mm) 柱、梁、拱肋 ±5 尺量:每构件沿范本周边检查8处 基础、锚碇、墩台 ±10 板 ±3 自检意见: 质检工程师: 日期: 监理意见: 监理工程师: 日期: 承包人技术负责人: 日期: 福建省永武高速公路三明段公路工程 模板安装现场质量检验报告单 检验表74 承包单位:中国中铁九局集团有限公司 施工标段:A3 监理单位:厦门中平工程监理咨询公司 编 号: 工程名称 施 工 时 间 桩号及部位 检 验 时 间 项 次 检验项目 规定值或 允许偏差 检验结果 检验方法和频率 1 轴线 偏位 (mm) 基 础 ±15 用经纬仪检查,梁纵向检查2点,其它纵、横各检查2点 柱、墙 ±8 梁、板 ±10 墩 台 ±10 2 范本 高程 (mm) 基 础 ±15 用水平仪检查 柱、墙、梁 ±10 墩 台 ±10 装配式构件支承面 +2,-5 3 内部 尺寸 (mm) 上部结构 +5,-0 用尺量长、宽、高各2点 基 础 ±30 墩 台 ±20 4 平整度 (mm) 表面平整 5 用2m直尺检查2点 相邻板表面高差 2 用尺量,每接缝检查2点 5 预制件、 预留孔 (mm) 预埋件中心线位置 3 用尺量,每孔抽查30% 预留孔中心线位置 10 预留孔截面内部尺寸 +10,-0 外观检查:(检查内容应包括支撑、接缝表面等) 自检意见: 质检工程师: 日期: 监理意见: 监理工程师: 日期: 承包人技术负责人: 日期: 福建省永武高速公路三明段公路工程 预应力锚索张拉记录表 施表-70 承包单位:中国中铁九局集团有限公司 工程名称: 施工标段:A3 监理单位:厦门中平工程监理咨询公司 构件名称: 桩 号: 张拉日期: 张拉砼强度: 千斤顶编号 油压表编号 设计控制应力(Kn) 张拉次数 预拉 第一级 第二级 第三级 第四级 超张拉 张拉级数 孔号 荷载百分比 15% 25% 50% 75% 100% 110% 油表读数(Mpa) 伸长量(mm) 稳定时间(分) 油表读数(Mpa) 伸长量(mm) 稳定时间(分) 油表读数(Mpa) 伸长量(mm) 稳定时间(分) 油表读数(Mpa) 伸长量(mm) 稳定时间(分) 油表读数(Mpa) 伸长量(mm) 稳定时间(分) 油表读数(Mpa) 伸长量(mm) 稳定时间(分) 油表读数(Mpa) 伸长量(mm) 稳定时间(分) 记录: 承包人技术负责人: 现场监理: 福建省永武高速公路三明段公路工程 预应力锚索(杆)注浆施工记录表 施表-71 工程名称:中国中铁九局集团有限公司 施工单位: 施工标段: 监理单位:厦门中平工程监理咨询公司 注浆时间: 编 号: 桩 号 锚孔编号 钻孔时间 注浆部位 锚孔孔径 (mm) 锚孔深度 (m) 注浆压力 (Mpa) 施工配合比 水泥浆量(m3) 注浆 开始 时间 注浆 停止 时间 备 注 水泥:水 设计浆量 实际浆量 记录: 承包人技术负责人: 监理 福建省永武高速公路三明段公路工程 分项工程现场检测记录表 施表-72-补(通用表) 承包单位:中国中铁九局集团有限公司 工程名称: 施工标段:A3 施工日期: 起止桩号: 编 号 : 第 页共 页 桩号和部位 检验日期 实 测 项 目 项 次 检 验 项 目 规定值或 允许偏差 检 验 结 果 或 检 验 偏 差 值 备 注 1 2 3 4 5 6 7 8 9 10 11 12 1 受力 钢筋 间距(mm) 两排以上排距 ±5 同排 梁、板、拱、肋 ±10 基础、锚碇、墩台、柱 ±20 2 箍筋、横向水平钢筋、 螺旋筋间距(mm) ±10 3 钢筋骨架尺寸(mm) 长 ±10 宽、高或直径 ±5 4 弯起钢筋位置(mm) ±20 5 保护层厚度(mm) 柱、梁、拱肋 ±5 基础、锚碇、墩台 ±10 记 录: 承包人技术负责人: 监 理: 福建省永武高速公路三明段公路工程 分项工程现场检测记录表 施表-72-补(通用表) 承包单位:中国中铁九局集团有限公司 工程名称: 施工标段:A3 施工日期: 起止桩号: 编 号 : 第 页共 页 桩号和部位 检验日期 实 测 项 目 项 次 检 验 项 目 规定值或 允许偏差 检 验 结 果 或 检 验 偏 差 值 备 注 1 2 3 4 5 6 7 8 9 10 11 12 1 混凝土强度(MPa) 在合格标准内 2 轴线偏位(mm) 10 3 梁(板)顶面高程(mm) ±10 4 断面 尺寸 (mm) 高度 +5,-10 顶宽 ±30 顶、底、腹板或梁肋厚 +10,-0 5 长度(mm) +5,-10 6 平整度(mm) 8 记 录: 承包人技术负责人: 监 理: 福建省永武高速公路三明段公路工程 分项工程现场检测记录表 施表-72-补(通用表) 承包单位:中国中铁九局集团有限公司 工程名称: 施工标段:A3 施工日期: 起止桩号: 编 号 : 第 页共 页 桩号和部位 检验日期 实 测 项 目 项 次 检 验 项 目 规定值或 允许偏差 检 验 结 果 或 检 验 偏 差 值 备 注 1 2 3 4 5 6 7 8 9 10 11 12 1 轴线 偏位(mm) 基 础 ±15 梁 、板 ±10 2 模板 高程(mm) 基 础 ±15 柱、墙、梁 ±10 3 内部 尺寸(mm) 上部结构 +5,-0 基 础 ±30 4 平整度(mm) 表面平整 5 相邻板表面高差 2 5 预制件 预留孔(mm) 预埋件中心线位置 3 预留孔中心线位置 10 预留孔截面内部尺寸 +10,-0 记 录: 承包人技术负责人: 监 理: 福建省永武高速公路三明段公路工程 分项工程现场检测记录表 施表-72-补(通用表) 承包单位:中国中铁九局集团有限公司 工程名称: 施工标段:A3 施工日期: 起止桩号: 编 号 : 第 页共 页 桩号和部位 检验日期 实 测 项 目 项 次 检 验 项 目 规定值或 允许偏差 检 验 结 果 或 检 验 偏 差 值 备 注 1 2 3 4 5 6 7 8 9 10 11 12 1 锚头锚筋轴线或锚垫板中心法线 ±2° 2 锚头位置 孔口高程 ±50mm 孔间距离 ±50mm 3 预埋锚具 中心线偏移 ±10mm 外露长度 ±5mm 承面平整 ±2mm 4 预埋螺旋筋波纹管 中心线偏移 ±10mm 两端定位 ±10mm 5 封锚截面尺寸 长度 ±5mm 宽度 ±5mm 高度 ±5mm 记 录: 承包人技术负责人: 监 理: 福建省永武高速公路三明段公路工程 分项工程现场检测记录表 施表-72-补(通用表) 承包单位:中国中铁九局集团有限公司 工程名称: 施工标段:A3 施工日期: 起止桩号: 编 号 : 第 页共 页 桩号和部位 检验日期 实 测 项 目 项 次 检 验 项 目 规定值或 允许偏差 检 验 结 果 或 检 验 偏 差 值 备 注 1 2 3 4 5 6 7 8 9 10 11 12 1 锚杆长度(m) 2 锚固段长度(m) ±50mm 3 自由段长度(m) ±50mm 4 防护套管(m) 5 支撑架(架线环)个数 ±1个 6 自由段防护 7 锚孔倾角(°) ±1° 8 锚孔深度(cm) ±50cm 9 锚孔直径(mm) 设计孔径的(5%,0) 10 孔位偏差 ±2° 记 录: 承包人技术负责人: 监 理: 福建省永武高速公路三明段公路工程 检验申请批复单 监表5 承包单位:中国中铁九局集团有限公司 合同号:A3 监理单位:厦门中平工程监理咨询公司 编 号: 工 程 项 目 工程地点及桩号 具体部位 检验内容 要求到现场检验时间: 承包人递交日期、时间和签字: 监理员收件日期、时间和签字: 监理员检查意见: 监理员: 日期: 年 月 日 本项目可以继续进行: 下一道__________ __________工序。 质量证明附件: 现场专业监理工程师意见: 日 签字: 日期: 监理组长意见: 签字: 日期: 承包人收到日期、签字: 福建省永武高速公路三明段公路工程 就地浇注梁(板)现场质量检验报告单 检验表39 承包单位:中铁九局永武高速公路A3合同段项目经理部 施工标段:A3 监理单位:厦门中平工程监理咨询公司 编 号: 工程名称 施工时间 桩号及部位 检验时间 项次 检验项目 规定值或 允许偏差 检验结果 检验方法和频率 1 混凝土强(MPa) 在合格标准内 按附录D检查 2 轴线偏位(mm) 10 全站仪或经纬仪:测量3处 3 梁(板)顶面高程(mm) ±10 水准仪:检查3~5处 4 断面尺寸(mm) 高度 +5,-10 尺量:每跨检查1~3个断面 顶宽 ±30 箱梁底宽 ±20 顶、底、腹板或梁肋厚 +10,-0 5 长度(mm) +5,-10 尺量:每梁(板) 6 横坡(%) ±0.15 水准仪: 每跨检查1~3处 7 平整度(mm) 8 2m直尺:每侧面每10m梁长测1处 自检意见: 质检工程师: 日期: 监理意见: 监理工程师: 日期: 承包人技术负责人: 日期: 福建省永武高速公路三明段公路工程 张拉封锚锁定现场质量检验报告单 检验表106 施工单位:中国中铁九局集团有限公司 施工标段:A3 监理单位:厦门中平工程监理咨询公司 编 号: 工程名称 施工时间 桩号及部位 检验时间 项次 检验项目 规定值或 允许偏差 检验结果 检验方法和频率 1 锚头锚筋轴线或锚垫板中心法线 ±2° 地质罗盘检测 2 锚头位置 孔口高程 ±50mm 经纬仪或拉线和尺量检查 孔间距离 ±50mm 3 预埋锚具 中心线偏移 ±10mm 尺量检查 外露长度 ±5mm 承面平整 ±2mm 4 预埋螺旋筋波纹管 中心线偏移 ±10mm 尺量检查 两端定位 ±10mm 5 封锚截面尺寸 长度 ±5mm 尺量检查 宽度 ±5mm 高度 ±5mm 自检意见: 质检工程师: 日期: 监理意见: 监理工程师: 日期: 承包人技术负责人: 日期: 福建省永武高速公路三明段公路工程 锚索(杆)制作安装检验表 检验表102 施工单位:中国中铁九局集团有限公司 施工标段:A3 监理单位:厦门中平工程监理咨询公司 编 号: 里程桩号 所属分部工程名称 分项工程名称 高边坡防护锚固工程 工程部位 锚杆编号 检查日期 序号 检查项目 设计要求 或允许偏差 设计值 检查结果 检查点 (次)数 合格率 1 锚索(杆)长度(m) 2 锚固段长度(m) ±50mm 3 自由段长度(m) ±50mm 4 防护套管(m) 5 支撑架(架线环)个数 ±1个 6 自由段防护 7 锚孔倾角(°) ±1° 8 锚孔深度(mm) ±50cm 9 锚孔直径(mm) 设计孔径的(5%,0) 10 孔位偏差 ±2° 锚索(杆)体外观描述: 自检意见 质检工程师: 日期: 监理意见 现场监理: 日期: 监理工程师: 日期: 承包人技术负责人: 日期:
展开阅读全文

开通  VIP会员、SVIP会员  优惠大
下载10份以上建议开通VIP会员
下载20份以上建议开通SVIP会员


开通VIP      成为共赢上传

当前位置:首页 > 包罗万象 > 大杂烩

移动网页_全站_页脚广告1

关于我们      便捷服务       自信AI       AI导航        抽奖活动

©2010-2026 宁波自信网络信息技术有限公司  版权所有

客服电话:0574-28810668  投诉电话:18658249818

gongan.png浙公网安备33021202000488号   

icp.png浙ICP备2021020529号-1  |  浙B2-20240490  

关注我们 :微信公众号    抖音    微博    LOFTER 

客服