收藏 分销(赏)

梁纵向钢筋单排最大根数.doc

上传人:s4****5z 文档编号:8803038 上传时间:2025-03-02 格式:DOC 页数:5 大小:143KB 下载积分:10 金币
下载 相关 举报
梁纵向钢筋单排最大根数.doc_第1页
第1页 / 共5页
梁纵向钢筋单排最大根数.doc_第2页
第2页 / 共5页


点击查看更多>>
资源描述
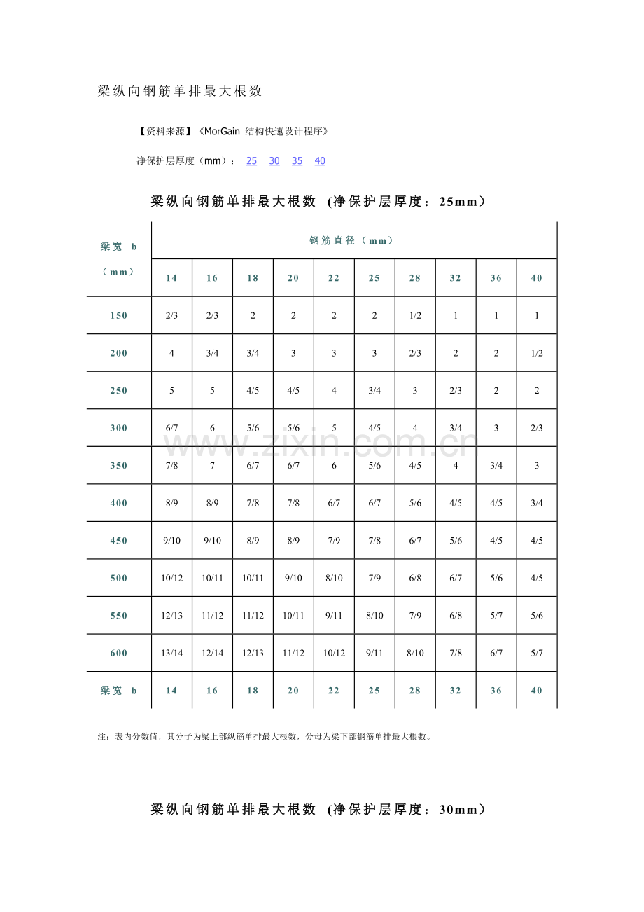
· 每米板宽内的钢筋截面面积表 钢筋间距 (mm) 当钢筋直径(mm)为下列数值时的钢筋截面面积(mm2) 4 4.5 5 6 8 10 12 14 16 18 20 22 25 70 75 80 90 100 180 168 157 140 126 227 212 199 177 159 280 262 245 218 196 404 377 353 314 283 718 670 628 559 503 1122 1047 982 873 785 1616 1508 1414 1257 1131 2199 2053 1924 1710 1539 2872 2681 2513 2234 2011 3635 3393 3181 2827 2545 4488 4189 3927 3491 3142 5430 5068 4752 4224 3801 7012 6545 6136 5454 4909 110 120 125 130 140 150 114 105 101 97 90 84 145 133 127 122 114 106 178 164 157 151 140 131 257 236 226 217 202 188 457 419 402 387 359 335 714 654 628 604 561 524 1028 942 905 870 808 754 1399 1283 1232 1184 1100 1026 1828 1676 1608 1547 1436 1340 2313 2121 2036 1957 1818 1696 2856 2618 2513 2417 2244 2094 3456 3168 3041 2924 2715 2534 4462 4091 3927 3776 3506 3272 160 170 175 180 190 200 79 74 72 70 66 63 99 94 91 88 84 80 123 115 112 109 103 98 177 166 162 157 149 141 314 296 287 279 265 251 491 462 449 436 413 392 707 665 646 628 595 565 962 906 880 855 810 770 1257 1183 1149 1117 1058 1005 1590 1497 1454 1414 1339 1272 1963 1848 1795 1745 1653 1571 2376 2236 2172 2112 2001 1901 3068 2887 2805 2727 2584 2454 250 300 50 42 64 53 79 65 113 94 201 168 314 262 452 377 616 513 804 670 1018 848 1257 1047 1521 1267 1963 1636 钢筋间距 4 4.5 5 6 8 10 12 14 16 18 20 22 25 梁纵向钢筋单排最大根数 · 【资料来源】《MorGain 结构快速设计程序》 · 净保护层厚度(mm):  25    30    35    40 梁纵向钢筋单排最大根数  (净保护层厚度:25mm) 梁宽 b (mm) 钢筋直径(mm) 14 16 18 20 22 25 28 32 36 40 150 2/3 2/3 2 2 2 2 1/2 1 1 1 200 4 3/4 3/4 3 3 3 2/3 2 2 1/2 250 5 5 4/5 4/5 4 3/4 3 2/3 2 2 300 6/7 6 5/6 5/6 5 4/5 4 3/4 3 2/3 350 7/8 7 6/7 6/7 6 5/6 4/5 4 3/4 3 400 8/9 8/9 7/8 7/8 6/7 6/7 5/6 4/5 4/5 3/4 450 9/10 9/10 8/9 8/9 7/9 7/8 6/7 5/6 4/5 4/5 500 10/12 10/11 10/11 9/10 8/10 7/9 6/8 6/7 5/6 4/5 550 12/13 11/12 11/12 10/11 9/11 8/10 7/9 6/8 5/7 5/6 600 13/14 12/14 12/13 11/12 10/12 9/11 8/10 7/8 6/7 5/7 梁宽 b 14 16 18 20 22 25 28 32 36 40 注:表内分数值,其分子为梁上部纵筋单排最大根数,分母为梁下部钢筋单排最大根数。   梁纵向钢筋单排最大根数  (净保护层厚度:30mm) 梁宽 b (mm) 钢筋直径(mm) 14 16 18 20 22 25 28 32 36 40 150 2 2 2 2 2 2 1/2 1 1 1 200 3/4 3 3 3 3 2/3 2/3 2 2 1/2 250 5 4/5 4/5 4 4 3/4 3 2/3 2 2 300 6 5/6 5/6 5 4/5 4/5 4 3/4 3 2/3 350 7/8 6/7 6/7 6/7 5/6 5/6 4/5 4 3/4 3 400 8/9 8 7/8 7/8 6/7 6/7 5/6 4/5 4/5 3/4 450 9/10 9/10 8/9 8/9 7/8 6/8 6/7 5/6 4/5 4/5 500 10/11 10/11 9/10 9/10 8/9 7/9 6/8 6/7 5/6 4/5 550 11/12 11/12 10/11 10/11 9/10 8/10 7/9 6/8 5/7 5/6 600 12/14 12/13 11/13 11/12 10/12 9/11 8/10 7/8 6/7 5/7 梁宽 b 14 16 18 20 22 25 28 32 36 40 注:表内分数值,其分子为梁上部纵筋单排最大根数,分母为梁下部钢筋单排最大根数。   梁纵向钢筋单排最大根数  (净保护层厚度 35mm) 梁宽 b (mm) 钢筋直径(mm) 14 16 18 20 22 25 28 32 36 40 150 2 2 2 2 2 1/2 1 1 1 1 200 3 3 3 3 2/3 2/3 2 2 2 1/2 250 4/5 4/5 4 4 3/4 3/4 3 2/3 2 2 300 5/6 5/6 5 5 4/5 4/5 3/4 3/4 3 2/3 350 7/7 6/7 6/7 6 5/6 5/6 4/5 4 3/4 3 400 8/9 7/8 7/8 7 6/7 5/7 5/6 4/5 4/5 3/4 450 9/10 8/9 8/9 8/9 7/8 6/8 6/7 5/6 4/5 4/5 500 10/11 10/11 9/10 9/10 8/9 7/9 6/8 5/7 5/6 4/5 550 11/12 11/12 10/11 10/11 9/10 8/10 7/9 6/8 5/7 5/6 600 12/14 12/13 11/12 11/12 10/11 9/11 8/9 7/8 6/7 5/7 梁宽 b 14 16 18 20 22 25 28 32 36 40 注:表内分数值,其分子为梁上部纵筋单排最大根数,分母为梁下部钢筋单排最大根数。   梁纵向钢筋单排最大根数  (净保护层厚度 40mm) 梁宽 b (mm) 钢筋直径(mm) 14 16 18 20 22 25 28 32 36 40 150 2 2 2 2 1/2 1 1 1 1 1 200 3 3 3 3 2/3 2 2 2 1/2 1/2 250 4/5 4 4 4 3/4 3 3 2/3 2 2 300 5/6 5 5 5 4/5 4 3/4 3 3 2/3 350 6/7 6/7 6 6 5/6 4/5 4/5 3/4 3/4 3 400 7/8 7/8 7/8 7 6/7 5/6 5/6 4/5 4 3/4 450 8/10 8/9 8/9 8 7/8 6/7 5/7 5/6 4/5 4/5 500 10/11 9/10 9/10 9 8/9 7/8 6/8 5/7 5/6 4/5 550 11/12 10/12 10/11 10/11 9/10 8/9 7/8 6/7 5/7 5/6 600 12/13 11/13 11/12 11/12 10/11 8/10 8/9 7/8 6/7 5/7 梁宽 b 14 16 18 20 22 25 28 32 36 40 注:表内分数值,其分子为梁上部纵筋单排最大根数,分母为梁下部钢筋单排最大根数。
展开阅读全文

开通  VIP会员、SVIP会员  优惠大
下载10份以上建议开通VIP会员
下载20份以上建议开通SVIP会员


开通VIP      成为共赢上传

当前位置:首页 > 包罗万象 > 大杂烩

移动网页_全站_页脚广告1

关于我们      便捷服务       自信AI       AI导航        抽奖活动

©2010-2026 宁波自信网络信息技术有限公司  版权所有

客服电话:0574-28810668  投诉电话:18658249818

gongan.png浙公网安备33021202000488号   

icp.png浙ICP备2021020529号-1  |  浙B2-20240490  

关注我们 :微信公众号    抖音    微博    LOFTER 

客服