收藏 分销(赏)

5S活动办法实例.docx

上传人:xrp****65 文档编号:8790601 上传时间:2025-03-02 格式:DOCX 页数:5 大小:17.68KB 下载积分:10 金币
下载 相关 举报
5S活动办法实例.docx_第1页
第1页 / 共5页
5S活动办法实例.docx_第2页
第2页 / 共5页


点击查看更多>>
资源描述
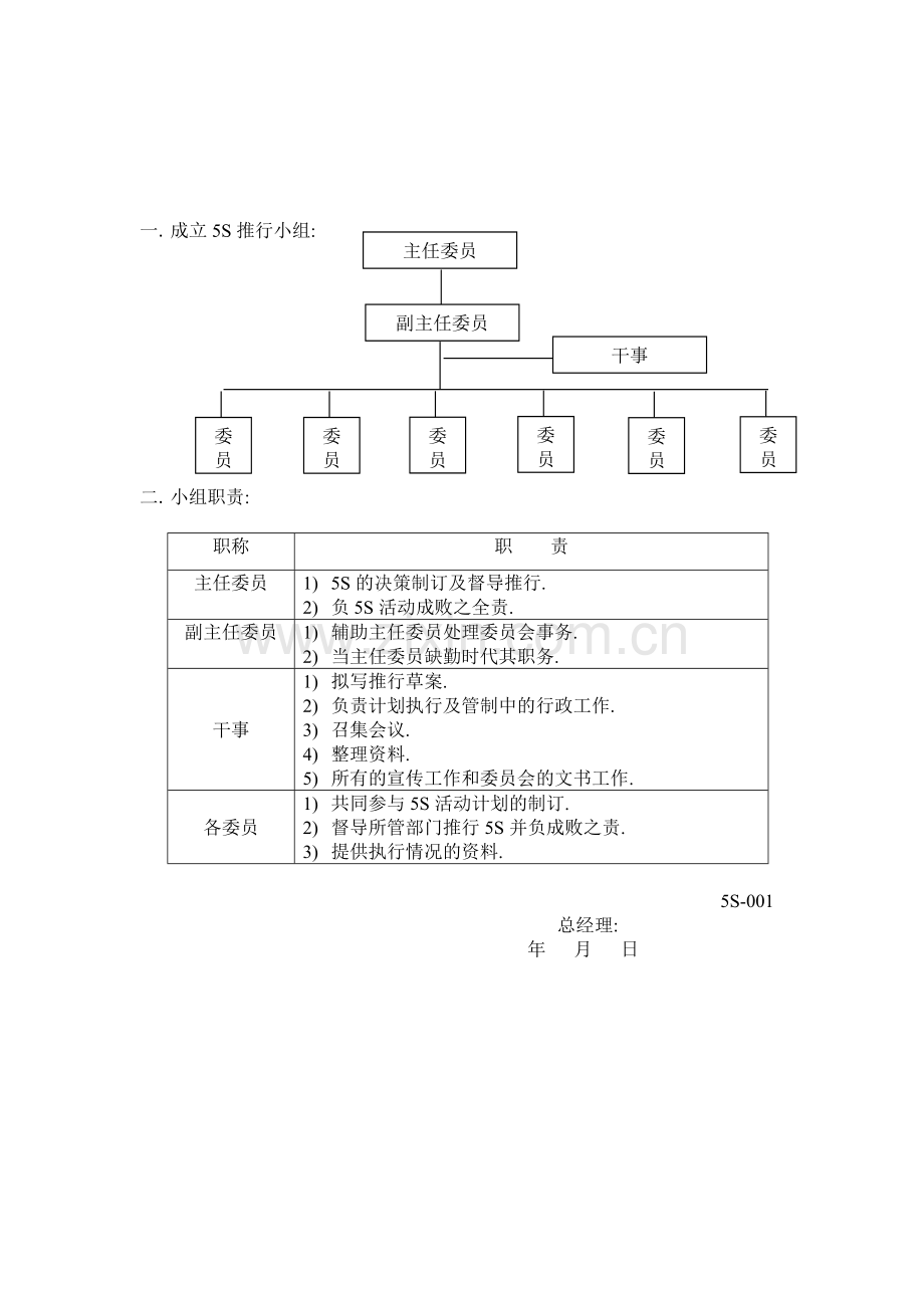
“5S”的实施步骤 序号 阶段 步骤内容 进度计划 一 初步诊断建立组织宣传 A.对现行5S之运作进行诊断出诊断报告 B指导建立5S推行小姐,并明确职责(5S-001) C指导划分各单位之责任落实责任人(5S-002) D在公司门口及作业现场醒目处张贴标语宣传漫画等 二 拟定计划表,评分标准及竞赛办法 A督导企业拟定5S活动计划进度表(5S-003) B指导企业拟定5S评分标准(5S-004) C指导企业拟定5S竞赛办法(5S-005) 三 全面展开5S活动 A改善诊断报告中之问题 B依教材所谈,照各责任区域展开5S活动 四 评核、改进及修订 A确认首次诊断报告中问题的改善情况并提出新问题 B改进不足,并依评分标准及竞赛办法进行日常检查及周期检查 C将5S活动好的与差的摄影作成照片,张贴於公告栏,让全员周知 D修订相关文件(如评分标准、竞赛办法等) 五 奖惩、总结及成果维持 A在集体场合颁奖,并鼓励落后单位加油 B总结前期5S推行情况,做出下期计划维持首期成果 备注:咨询师每次去企业时可实施5S例行检查,找出问题,让企业改善. 副主任委员 主任委员 一. 成立5S推行小组: 干事 委员 委员 委员 委员 委员 委员 二. 小组职责: 职称 职 责 主任委员 1) 5S的决策制订及督导推行. 2) 负5S活动成败之全责. 副主任委员 1) 辅助主任委员处理委员会事务. 2) 当主任委员缺勤时代其职务. 干事 1) 拟写推行草案. 2) 负责计划执行及管制中的行政工作. 3) 召集会议. 4) 整理资料. 5) 所有的宣传工作和委员会的文书工作. 各委员 1) 共同参与5S活动计划的制订. 2) 督导所管部门推行5S并负成败之责. 3) 提供执行情况的资料. 5S-001 总经理: 年 月 日 5S活动计划进度表 日期: 年 月 日 NO 工作目标 月 月 月 月 负责人 1 2 3 4 5 6 7 8 9 编制/日期 审核/日期 批准/日期 生产线“5S”稽核标准(5S-004) 一. 目的: 适用于“5S”的初步导入阶段,要求员工掌握“5S”的基本知识及其在生产线上的应用: 项次 检查项目 得分 检查状况 1 通道状况 0 堵塞,有垃圾杂物或很脏乱 1 虽能通行,但要避开 2 摆放物品超出通道 3 畅通,但有零星杂物 4 很畅通,又整洁 2 备料区状况 0 杂乱无章,前一天的料未退 1 当天全天的备料 2 当天半天的备料,摆放超线 3 当天半天的备料,备料时间有标识,摆放不超线 4 当天半天的备料,备料时间有标识,摆放成直角、直线,胶筐高度不超过2层,纸箱不超过3层,洁净. 3 作业现场 1 不良品与良品有标识区分 1 作业桌面清洁干净 1 椅子边缘与作业区枰,整齐摆放 1 无包装杂物 1 工具有标识,定位摆放 4 包装区域 0 无分门别类,同类物品异地摆放且混乱 1 分类放置,但无轻重,大小区分 2 大里,小外,轻上,重下区分,但无规格尺寸 3 规格尺寸,顺序排序,但无明确示签,标示 4 标示明确,一目了解,先入先出有序 5 仪表仪容 0 不修边幅又脏 1 头发,胡须过长 2 上两场,其中一项有缺点 3 均依规定整理 4 感觉精神有活力 6 时间观念 0 大部分人缺乏时间观念 1 稍有时间观念,开会迟到的很多 2 不愿时间约束,但会尽力去做 3 约定时间会全力去做 4 约定时间会提早去做好 7 办公桌上下及抽屉 0 不使用的物品杂乱 1 角落放置不必要的东西 2 一周内要用,但过量 3 当日使用,但过量 4 桌面及抽屉内均最低限度,且整齐. 项次 检查项目 得分 检查状况 8 日常5S活动 0 没有活动 1 虽有清洁清扫工作,但非5S计划性工作 2 开会有对5S宣导 3 平常做能够做得到的 4 活动热烈,大家均有感受 9 地面 0 有油或水 1 油渍或水渍显示得很不干净 2 不是很平 3 经常清理,没有脏物 4 地面干净亮丽,感觉舒服. 10 搬运及叉车 1 有责任标识 1 无破损处 1 车轮正常,无垃圾附着物 1 摆放场所有标识 1 搬运箱没有附着垃圾,粉屑.
展开阅读全文

开通  VIP会员、SVIP会员  优惠大
下载10份以上建议开通VIP会员
下载20份以上建议开通SVIP会员


开通VIP      成为共赢上传

当前位置:首页 > 管理财经 > 其他

移动网页_全站_页脚广告1

关于我们      便捷服务       自信AI       AI导航        抽奖活动

©2010-2026 宁波自信网络信息技术有限公司  版权所有

客服电话:0574-28810668  投诉电话:18658249818

gongan.png浙公网安备33021202000488号   

icp.png浙ICP备2021020529号-1  |  浙B2-20240490  

关注我们 :微信公众号    抖音    微博    LOFTER 

客服