收藏 分销(赏)

温州无尘车间洁净度如何确定详细分析.docx

上传人:pc****0 文档编号:8763097 上传时间:2025-03-01 格式:DOCX 页数:10 大小:37.07KB 下载积分:10 金币
下载 相关 举报
温州无尘车间洁净度如何确定详细分析.docx_第1页
第1页 / 共10页
温州无尘车间洁净度如何确定详细分析.docx_第2页
第2页 / 共10页


点击查看更多>>
资源描述
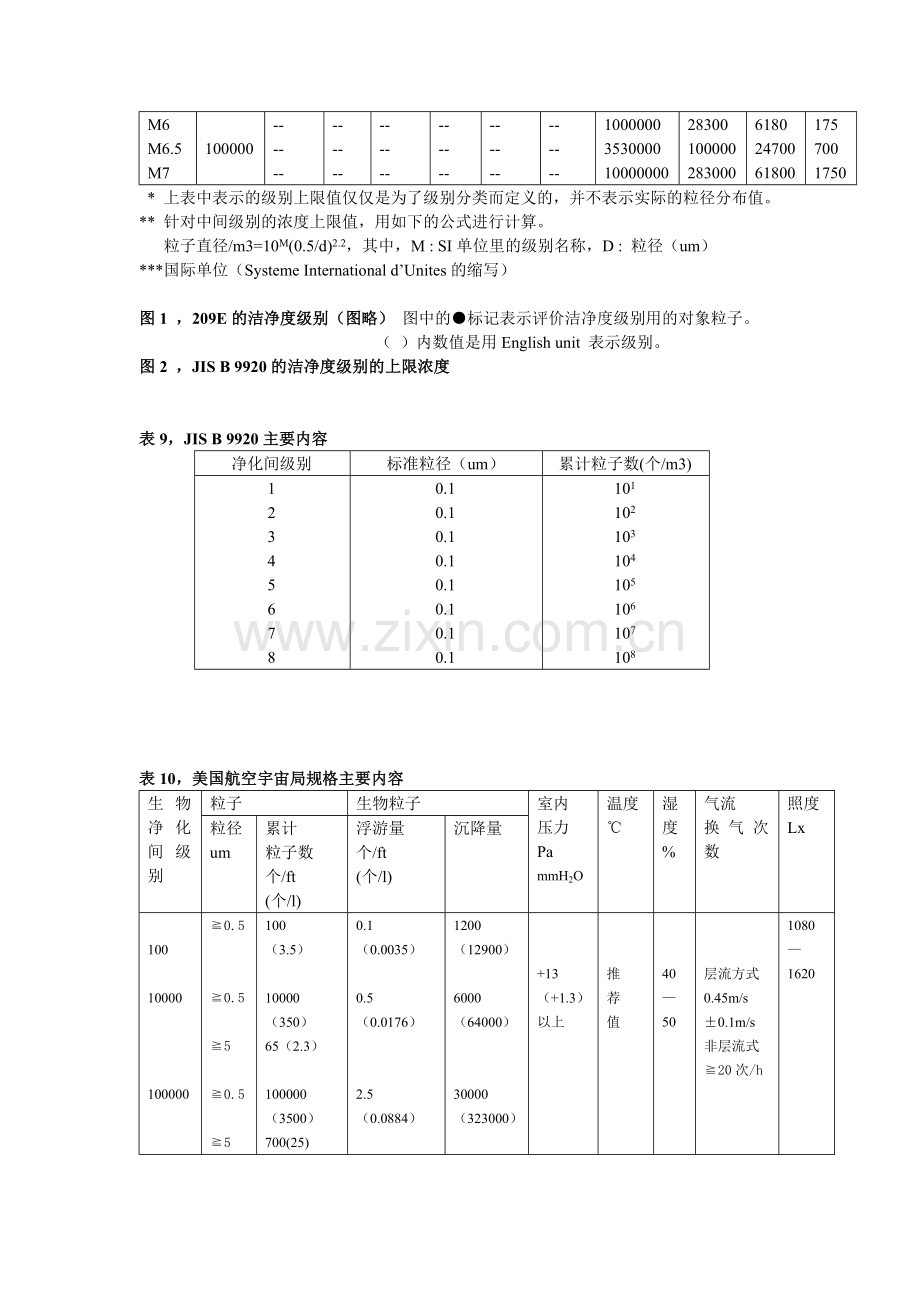
温州无尘车间洁净度如何确定详细分析 一、净化车间的规格 净化车间的规格一般适用于美国联邦规格No.209B。这个规格对净化间的环境要素即空气洁净度、温湿度、室内压等都进行了规格化规定。但是,伴随着洁净化程度的不断提高,美国联邦规格进行了改版,其内容主要是以洁净度进行分类。最新版已成为No209E,名称也进行了变更。No.209E的级别表示是把0.5um以上的颗粒数为10x个/m3,把X表示成级别,同时加上米制M的意思,表示成M3.5等等。在表7里表示的是美国联邦规格No.209B,表8表示的是美国联邦规格No.209E。在日本,相应的规格是JIS B9920。JIS9920的级别表示是把0.1um以上的 颗粒数规定为10X个,用Y表示级别。表9、图2表示了JIS B 9920的级别的主要内容。 表7 美国联邦规格 No.209B 净化间级别 粒子 室内压力Pa mmH2O 温度 湿度 气流 换气次数 照度 粒径 um 累计粒子数 范围 (℃) 推荐值(℃) 差 (℃) 高 (%) 最低 % 误差 % 100 1000 10000 100000 ≧0.5 ≧0.5 ≧5 ≧0.5 ≧5 ≧0.5 ≧5 100 1000 10 10000 65 100000 700 +13 (+1.3) 以上 19.4— 25 22.2 ±2.8 特别时为±1.4 45 30 ±10 特别时为±5 层流方式 0.45m/s ±0.1m/s 非层流方式 ≧20次/h 1080--1620 表8, 美国联邦规格No.209E的 洁净度级别分类 级别上限值是各级别名。上限值用指定粒径以上的浓度(单位堆积粒子数)表示。* 级别名称** 级别上限值 粒径 0.1um 粒径 0.2um 粒径 0.3um 粒径 0.5um 粒径 5um SI*** English Unit (m3) (ft3) (m3) (ft3) (m3) (ft3) (m3) (ft3) (m3) (ft3) MI M1.5 M2 M2.5 M3 M3.5 M4 M4.5 M5 M5.5 M6 M6.5 M7 1 10 100 1000 10000 100000 350 1240 3500 12000 35000 -- -- -- -- -- -- -- -- 9.91 35.0 99.1 350 991 -- -- -- -- -- -- -- -- 75.7 265 757 2650 7570 26500 75700 -- -- -- -- -- -- 2.14 7.50 21.4 75.0 214 750 2140 -- -- -- -- -- -- 30.9 106 309 1060 3090 10600 30900 -- -- -- -- -- -- 0.875 3.00 8.75 30.0 87.5 300 875 -- -- -- -- -- -- 10.0 35.3 100 353 1000 3530 10000 35300 100000 353000 1000000 3530000 10000000 0.283 1.00 2.83 10.0 28.3 100 283 1000 2380 10000 28300 100000 283000 -- -- -- -- -- -- -- 247 618 2470 6180 24700 61800 -- -- -- -- -- -- -- 7.00 17.5 70.0 175 700 1750 * 上表中表示的级别上限值仅仅是为了级别分类而定义的,并不表示实际的粒径分布值。 ** 针对中间级别的浓度上限值,用如下的公式进行计算。 粒子直径/m3=10M(0.5/d)2.2,其中,M : SI单位里的级别名称,D : 粒径(um) ***国际单位(Systeme International d’Unites的缩写) 图1 ,209E的洁净度级别(图略) 图中的●标记表示评价洁净度级别用的对象粒子。 ( )内数值是用English unit 表示级别。 图2 ,JIS B 9920的洁净度级别的上限浓度 表9,JIS B 9920主要内容 净化间级别 标准粒径(um) 累计粒子数(个/m3) 1 2 3 4 5 6 7 8 0.1 0.1 0.1 0.1 0.1 0.1 0.1 0.1 101 102 103 104 105 106 107 108 表10,美国航空宇宙局规格主要内容 生物净化间级别 粒子 生物粒子 室内 压力 Pa mmH2O 温度 ℃ 湿度 % 气流 换气次数 照度 Lx 粒径 um 累计 粒子数 个/ft (个/l) 浮游量 个/ft (个/l) 沉降量 100 10000 100000 ≧0.5 ≧0.5 ≧5 ≧0.5 ≧5 100 (3.5) 10000 (350) 65(2.3) 100000 (3500) 700(25) 0.1 (0.0035) 0.5 (0.0176) 2.5 (0.0884) 1200 (12900) 6000 (64000) 30000 (323000) +13 (+1.3) 以上 推 荐 值 40— 50 层流方式 0.45m/s ±0.1m/s 非层流式 ≧20次/h 1080— 1620 三、不同用途所要求的洁净度 如前所述,净化间的级别一般分成M3.5(100)、M4.5(1000)、M5.5(10000)、M6.5(100000)4个级别。但根据各产业领域的作业工序不同,形成必要的级别是不一样的。例如,在半导体制造工厂等里边,根据作业内容,要求有M1(10)—M5.5(1000)的净化间。而且,在制药工厂里,根据产品的纯度、作业工序,需有从M3.5到M6.5(100,000)范围广泛的级别不等净化间。因此说,各种产业所需要的净化间,其要求的洁净度是不同的。就一般级别而言,表11可以作为参考。 表11,各产业所要求的净化间级别一览 领域和产业 洁净度标准(级别) 内容 SI English unit 半导体工业 (IC、LSI等) 掩模板对准工艺 M3.5 100 刻蚀工艺 M3.5 100 腐蚀加工 扩散工艺 M3.5 100 高纯度扩散 蒸着工艺 M3.5 100 高纯度电镀 涂布工艺 M3.5 100 感光剂涂布 电子设备 计算器制造 M5.5 10,000 磁头 阴极射线管 M5.5 10,000, 遮屏 磁带 M5.5 10,000 防止杂音 精密仪器 陀螺、微型轴承 M5.5 10,000 提高精度 导弹部件、继电器 M5.5 10,000 防止误动作 钟表、小型计量仪器 M5.5 10,000 组立、封装、修理 光学、印刷 照相机、印刷电路板 M5.5 10,000 制作 镜头、胶片 M4.5 1,000 连接 电子制版 M5.5 10,000 制作、检查 化学药品 注射液充填 M3.5 100 调和、充填 无菌动物养育 M3.5 100 SPF 化学药品 抗生物 M5.5 10,000 充填、检查 一般医疗品 M6.5 100,000 制造 食品 酿造、发酵 M5.5 10,000 防止酱油、大酱腐坏 乳制品、生食品 M6.5 100,000 防止酸乳酪变质 食肉加工 M5.5 10,000 火腿、香肠 搅拌(弄成糊状)食品 M5.5 10,000 搅拌后备烤的圆筒形、半圆形鱼肉、鱼肉山芋丸子等食品制冷时防止细菌粘附上。 医疗 手术室 M3.5 100 股关节手术、脏器移植 特殊治疗室 M3.5 100 白血病、烫伤 恢复、新生儿室 M3.5 10,000 早产儿、术后防止感染 临床检查 M5.5 10,000 菌类培植、检查 农林畜产 蘑菇栽培 M5.5 10,000 防止蘑菇种菌被杂菌感染 植物 M6.5 100,000 兰花栽培(试验用无菌植物、强势培植植物) 养殖 M5.5 10,000 防止鱼、蚕类因菌侵袭致死 微生物工程 一般病原体 M3.5 100 马尔堡病毒、拉萨氏热、艾伯拉出血热(排出空气) 基因转换 M3.5 100 大肠菌(排出空气) 三、净化间的形式分类 作为净化间的分类方法,一般都是根据室内气流形状来划分的。按这个方法,净化间可大致分为如下三大类。 1, 垂直层流型(降下流方式) 这是一种将HEPA或ULPA过滤器安装在天花板上,从顶板上往下直对地面,能以同样的速度向净化间提供洁净空气的方式。这种设备体积庞大,造价也很昂贵,但作为净化间的性能,无论是从什么方面讲,它都是最好的。 2, 水平层流型(交叉流方式) 这是将HEPA或ULPA过滤器安装在壁板上,从墙壁上向对面墙壁以同样的速度提供洁净空气的一种方式。由于是水平层流,所以,与气流的上流侧相比,下流侧的洁净程度要低一些。但它与垂直层流方式相比的话,具有设备较小,费用较低的特点。 3, 非层流型(常规型) 与上述几种层流形式相比,其设备费用要低廉很多,但由于出现了非层流部分,室 内气流发生紊乱,微粒子浮游在空中,很难保证高的洁净度。 M3.5级(100)及M4.5级(1000)的场合 在洁净度要求达到M3.5级及M4.5级的场合,其大部分都能达到层流型。 垂直层流型(降下气流方式)范例 图3 HEPA过滤器 热交换器 HEPA过滤器 档粗大尘埃过滤器 外气 预过滤器 加湿器 活性炭过滤器 2,水平层流型(交叉流方式)范例 图4 热交换器 HEPA过滤器 档粗尘过滤器 外气 HEPA过滤器 预过滤器 加湿器 活性炭过滤器 图注:活性炭过滤器在外气被气体污染的场合下使用。 在净化间里湿度的控制也非常重要。建议使用可实施严格控制的阿姆斯特龙公司产的干蒸汽式加湿器。 表12 垂直层流型的概要及特点 概要 特点 吹出口、过滤器位置 天花板(80以上)(图3) 优点: ● 不会被室内的作业人数、作业状态左右,能保证高度的洁净度。 ● 由于是垂直层流,换气次数多,所以,在短时间内得到高水准的洁净度。 ● 几乎不会发生尘埃堆积,即便是被污染,也能很快恢复。 缺点 ● 设备费高 ● 运转成本高 ● 净化间面积很难扩建 吹入口位置 筛条或孔板(图3) 气流状态 垂直层流 换气次数(气流速度) 250—650次/h0.25m/s左右 温度范围 22℃ ±1—3℃ 湿度范围 RH45% ±5-10% 室内外压力差 5-25Pa(0.5—2.5mmH2O) 所需机械室 大 建筑内装材料 有规定 工程的难易程度 需要很高的技术水平 房间大小的限制 没有特别的要求 房间有效作业面积 能得到很大的面积 作业性 好 运转经费 高 管理 实施高水平的管理 表13, 水平层流型概要及特征 概要 特点 吹出口、过滤器位置 房间一侧的墙壁上(图4) 优点 ● 因涡流、死角等引起的粉尘的堆积、再游离现象很少 ● 室内的洁净度不大被作业人员数、作业状态左右。 缺点 ● 在距吹出层面较近的地方可以保证有高水平的洁净度,但在距吸引层面较近的地方,洁净度会有所降低。 ● 净化间扩建很困难 ● 设备费用虽不像垂直型那么高,但仍很贵。 ● 柜子、更衣室、风淋等准备室的完善及清扫作业服等要予以充分的注意。 吹入口位置 吹出口对面的墙壁(图4) 气流状态 虽是水平层流,但下侧风流处会逐渐被污染。 换气次数(气流速度) 30—650次/H(0.45m/s) 温度范围 22℃ ±1—3℃ 湿度范围 RH45% ±5-10% 室内外压力差 5--25Pa(0.5—2.5mmH2O) 所需机械室 中等 建筑内装材料 有相当部分受限制 工程的难易程度 需水平稍高的技术 房间大小的限制 受限制 房间有效作业面积 受到限制 作业性 人员的 移动受到限制 运转经费 中等 管理 稍微需要高水平的管理 5.5级(10,000)及6.5级(100,000)的场合 对于5.5级(10,000)及6.5级(100,000)的净化间,从设备费的角度上考虑,不 大使用完全的层流型,而大部分是非层流型。无论是M5.5级(10,000)还是M6.5级(100,000),在设计上没有根本变化,而是根据单位时间内的换气次数,使其发生变化的。 非层流型(常规型)范例 图5 HEPA过滤器 热交换器 活性炭过滤器* 档粗尘过滤器 外气 加湿器** 图6 HEPA过滤器 HEPA用预过滤器 热交换器 活性炭过滤器* 档粗尘用过滤器 外气 加湿器** 图中注解: * 活性炭过滤器在受到别的气体污染的时候使用。 ** 在净化间里,温度控制也非常重要。建议使用可实施严格控制的阿姆斯特龙公司的干蒸汽式加湿器。 表14, 非层流行型概要及特征 概要 特征 吹出口、过滤器位置 空调风管前端(图5) 优点: ● 过滤器及空气处理简单且容易 ● 设备费用便宜 ● 规模扩张方便 ● 通过使用净化台,可以得到级别高的洁净度。 缺点 ● 室内的洁净度会因作业人员而改变。 ● 易产生涡流、乱流,污染粒子在室内有发生循环的可能。 ● 由于换气次数少,达到要求的洁净度所需时间较长,动力费用较高 ● 柜子、更衣室、风淋室等房间的完备及清扫作业服等要充分注意。 吹入口位置 地板上侧面(图5) 气流状态 产生乱流 换气次数(气流速度) 20—50次/h 温度范围 22℃ ±1—5℃ 湿度范围 RH50% ±10% 室内外压力差 5—25Pa(0.5—2.5mmH2O) 所需机械室 小 建筑内装修材料 若干限制 工程的 难易度 多少受些限制 室内大小的 限制 没有什么限制 房间有效作业面积 受到限制 作业性 对人的移动没有没有制约 运转费用 低廉 管理 管理水准稍高 四、净化车间设计上的留意点 1,净化车间的构成 为确保室内的洁净度,把使用条件、空调的条件等作为最为基本的内容,在考虑到作业性和气流状况后再予以确定。在构造上要有准备室、更衣室、清洗室、休息室、管理室等。 2,清洗方法 作为室内的洁净化气流方式,有垂直层流式、水平层流式、非层流式。其中,到底使用哪一种方式,要根据洁净度的级别及使用条件来决定。 3,洁净度和气流方式 洁净度可通过气流方式和换气次数改变。因而,要根据室内的作业内容、人员及产品的动向决定气流方式。 起尘性高的作业,不得将其置于气流的上侧。而且,根据场合的不同,必须设置排气。 4,构造 净化间的构造具有气密性、发尘、尘埃堆积少,不易发生振动等是非常重要的,而且,要尽可能地不产生乱流。 5,使用材料 作为内装修材料,须是无缝隙、裂痕,表面不易粘尘,且无磨损、无表面剥离的材料。除此之外,热贯流率、透湿性小、吸音性好,与其他材料接合等加工性能良好也是必不可少的。 6,室内正压 为确保室内的洁净度,防止来自外部的污染粒子进入室内,室内必须保持在正压状态。要想维持室内总是处于正压的状态,就要有能充分的新风,来补足因局部排气、自然泄漏而损失的压力。 7,关联设备 根据需要,净化间里要在入口处设置风淋室,壁板墙上设置物流用的传递箱,以及既能保证正压又能排气的安全风阀挡板等。这些是非常重要的。而这些设备的选定,必须适合净化间。 8,消音装置 由于净化间是密闭的空间,对声音比较敏感,所以,对空气供给系统发生的噪音要实施有效地控制,以改善净化间的作业环境。 9,加湿设备 湿度的调整,在防止静电的影响、创造舒适的作业环境方面,是非常必要的。尤其是在医院、研究室里,保持难以产生微生物的湿度是至关重要的。 10,使用方面的管理 作为净化间内的发尘源,主要是作业人员、带入室内的物品引起的。因而,对这些要予以充分的注意。除此之外,对各房间的压力平衡、室内墙壁的污染等细微之处也要实施管理。 11,所需设备 根据不同的作业内容,净化间内还要设置相应的给排水、电气、气体设备。这些设备设置要便于使用,而且,由于净化间是密闭的空间,所以必须有火灾、停电等非常状态下的紧急对策。 五、洁净度的计算方法范例 在净化间的设计上,要计算出为确保所要求的洁净度的风量和温湿度调整所需的风量。这里,只是把确保室内洁净度的计算方法列举出来。将室内的发尘量、新风的含尘两量作出假定,根据使用的空气过滤器效率,用下列公式通过换气风量等求出洁净度。 CoQoP + M C= (1-P)Qr + Qe CsQs + M = (CoQo + CQr)P + M 流入粉尘量 Cqe + CQr 流出粉尘量 Pf1 CsQs Pf2 CoQo Qe CQr M CoQoPf1Pf2 + M C= {1-(Pf1Pf2)}Qr+Qe P= Pf1Pf2 Qr=房间的体积x 1小时的换气次数 C : 室内粉尘浓度(个/m3) Qe :排气风量(m3/h) Co: 外气粉尘浓度(个/m3) M :室内发尘量(个/h) Cs:供风粉尘浓度(个/m3) Pt : 粉尘穿透率(%) Qr:换气风量(m3/h) Pf1: 预过滤器穿透率(%) Qo: 新风风量(m3/h) Pf2: 主过滤器的穿透率(%) Qs: 給气风量(m3/h) ● Co的外气粉尘浓度采用前面的表2或表3的0.5um的粒子数。 ● P的粉尘穿透率是采用JIS Z8901试验用粉尘13—14种的DOP气溶胶形成的穿过率,用(P=1-捕集率)表示。 ● Qo外气风量,要考虑环境卫生环境上规定的、针对给气量及有害物质的局部排气。为使室内形成正压,其所需的风量,由下列公式求出。 Qo = Q1+Q2+Q3+Q4 Q1:人所需要的新鲜空气量(30-35m3/人/h) Q2:房间的泄漏量(m3/h) Q3:门的关闭产生的泄漏量 Q4:局部强制排气量 Q2= EA 2g△P/j × 3600 △P:=室内外的压力差Pa(mmH2O)…….表16 j: 空气密度(Kg/m3) A: 缝隙面积(m2) E: 流量系数(0.4—0.6) g: 9.8m/S2 Q3= tNEA 2g△P/j A: 门的面积 N: 打开次数(次/h) t: 一次的开放时间 E: 流量系数(0.9—1) ● Qr的换气风量是根据洁净度的级别,在表15中考虑作业内容后再作决定。 ● 由于M的室内发尘量,根据作业内容的不同而异,所以,在参考表5或表6的作业员发尘量后再作决定。 ● 为了对室内的正压进行调整,要安装安全风阀挡板,当压力上升时,使其能排放出去。 表15 针对洁净度级别的换气次数、新风量和使用末端过滤器的效率 洁净度(级) 换气次数(层流) (次/h) 新风量 (次/h) 使用末端过滤器的效率 SI English unit 99.97% 99.5% M3.5 100 250-650 10-20 ○ -- M4.5 1,000 100-200 5-10 ○ -- M5.5 10,000 50-70 2-4 ○ 换气次数的增加 ○70—90 M6.5 100,000 20-30 1-2 ○ 换气次数的增加 ○30—50 * 1:试验用尘埃颗粒 JIS13种的效率(0.3umDOP) * 2:试验用尘埃颗粒 JIS14种的效率(0.5umDOP) 表16 所需压力差 相应处所 最低压力差 不同级别的净化间之间 5Pa (0.5mmH2O) 净化间和准净化间 10Pa (1.0mmH2O) 净化间与一般房间 15Pa (1.5mmH2O) 国产滤料与进口滤料参数对照表 滤料类型 国产H13玻纤料 进口H13玻纤料 进口U15玻纤料 规格: 300*300*292 300*300*292 300*300*292 外框材质: 304镜面不锈钢 304镜面不锈钢 304镜面不锈钢 分隔物: 铝隔板 铝隔板 铝隔板 密封胶 耐高温无硅胶 耐高温无硅胶 耐高温无硅胶 耐温性 400℃ 400℃ 400℃ 过滤效率: 99.99%@0.3μm 99.99%@0.3μm 99.999%@0.12μm 滤料面积: 5.0m2 5.0m2 5.0m2 额定风量: 550m3/h 550m3/h 270 m3/h 初阻力: 180±10Pa 150±10Pa 140±10Pa 滤料类型 国产H13玻纤料 进口H13玻纤料 进口U15玻纤料 规格: 610*305*292 610*305*292 610*305*292 外框材质: 304镜面不锈钢 304镜面不锈钢 304镜面不锈钢 分隔物: 铝隔板 铝隔板 铝隔板 密封胶 耐高温无硅胶 耐高温无硅胶 耐高温无硅胶 耐温性 400℃ 400℃ 400℃ 过滤效率: 99.99%@0.3μm 99.99%@0.3μm 99.999%@0.12μm 滤料面积: 10.3m2 10.3m2 10.3m2 额定风量: 1100m3/h 1100m3/h 550 m3/h 初阻力: 180±10Pa 150±10Pa 140±10Pa 温州康鼎净化工程有限公司是从事环境控制系统工程设计与施工的专业技术企业,提供净化工程、无尘车间、超净车间、洁净工程、风淋室、无尘厂房、无菌厂房、医院洁净手术室、光电净化厂房等高新技术企业10万-10级空气净化系统工程设计、制造、安装、调试、检测综合性成套服务。 他们公司:温州康鼎净化工程有限公司 联系电话:18968888889 公司地址: 温州市鹿城区炬光园炬新路21号2楼 工厂地址: 温州市鹿城区炬光园炬新路21号
展开阅读全文

开通  VIP会员、SVIP会员  优惠大
下载10份以上建议开通VIP会员
下载20份以上建议开通SVIP会员


开通VIP      成为共赢上传

当前位置:首页 > 管理财经 > 管理学资料

移动网页_全站_页脚广告1

关于我们      便捷服务       自信AI       AI导航        抽奖活动

©2010-2026 宁波自信网络信息技术有限公司  版权所有

客服电话:0574-28810668  投诉电话:18658249818

gongan.png浙公网安备33021202000488号   

icp.png浙ICP备2021020529号-1  |  浙B2-20240490  

关注我们 :微信公众号    抖音    微博    LOFTER 

客服