收藏 分销(赏)

工程施工安全检查用表监理单位专用与施工单位内业专用.doc

上传人:可**** 文档编号:859677 上传时间:2024-04-01 格式:DOC 页数:8 大小:144KB 下载积分:11 金币
下载 相关 举报
工程施工安全检查用表监理单位专用与施工单位内业专用.doc_第1页
第1页 / 共8页
工程施工安全检查用表监理单位专用与施工单位内业专用.doc_第2页
第2页 / 共8页


点击查看更多>>
资源描述
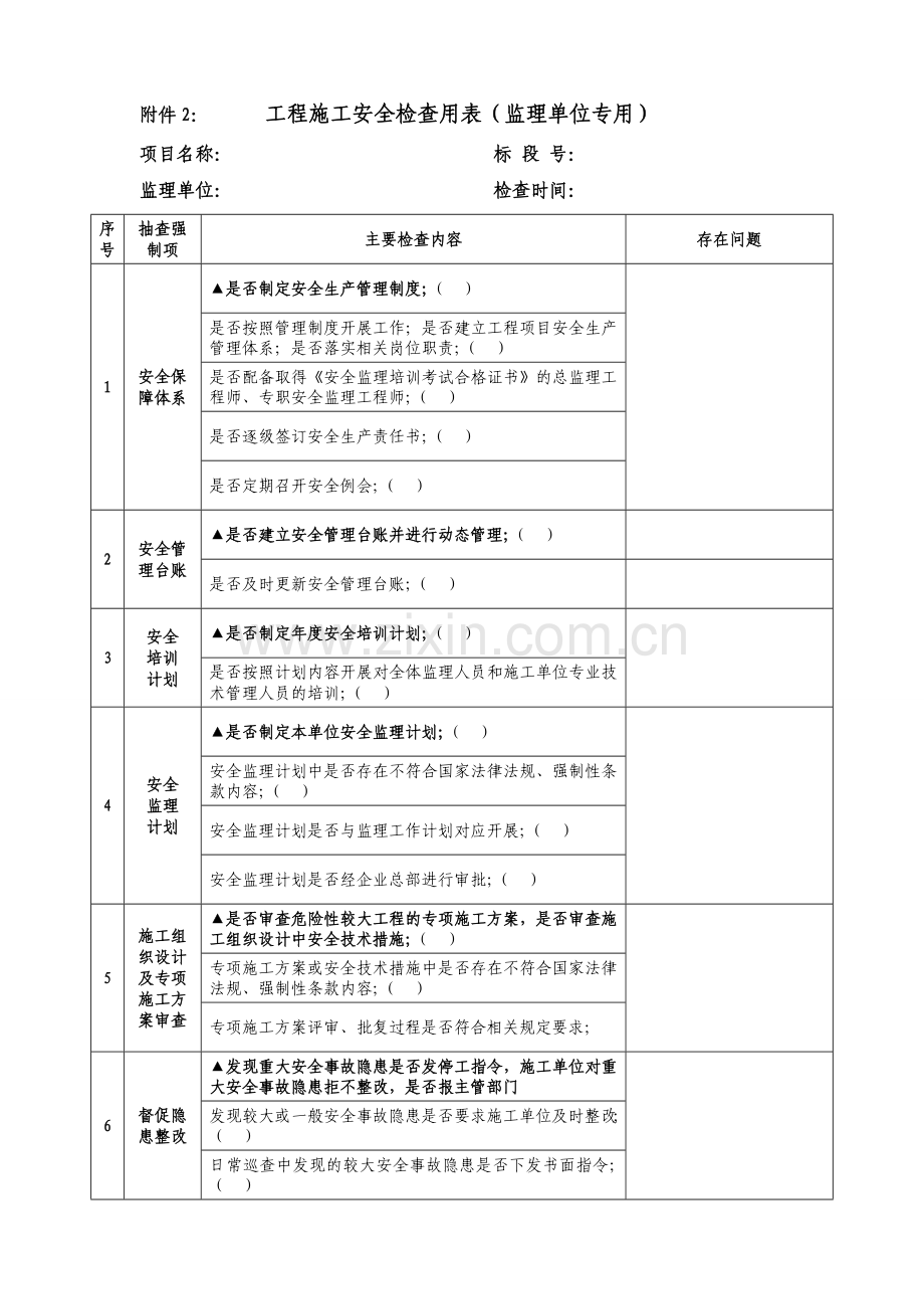
附件2: 工程施工安全检查用表(监理单位专用) 项目名称: 标 段 号: 监理单位: 检查时间: 序号 抽查强制项 主要检查内容 存在问题 1 安全保障体系 ▲是否制定安全生产管理制度;( ) 是否按照管理制度开展工作;是否建立工程项目安全生产管理体系;是否落实相关岗位职责;( ) 是否配备取得《安全监理培训考试合格证书》的总监理工程师、专职安全监理工程师;( ) 是否逐级签订安全生产责任书;( ) 是否定期召开安全例会;( ) 2 安全管理台账 ▲是否建立安全管理台账并进行动态管理;( ) 是否及时更新安全管理台账;( ) 3 安全 培训 计划 ▲是否制定年度安全培训计划;( ) 是否按照计划内容开展对全体监理人员和施工单位专业技术管理人员的培训;( ) 4 安全 监理 计划 ▲是否制定本单位安全监理计划;( ) 安全监理计划中是否存在不符合国家法律法规、强制性条款内容;( ) 安全监理计划是否与监理工作计划对应开展;( ) 安全监理计划是否经企业总部进行审批;( ) 5 施工组织设计及专项施工方案审查 ▲是否审查危险性较大工程的专项施工方案,是否审查施工组织设计中安全技术措施;( ) 专项施工方案或安全技术措施中是否存在不符合国家法律法规、强制性条款内容;( ) 专项施工方案评审、批复过程是否符合相关规定要求; 6 督促隐患整改 ▲发现重大安全事故隐患是否发停工指令,施工单位对重大安全事故隐患拒不整改,是否报主管部门 发现较大或一般安全事故隐患是否要求施工单位及时整改;( ) 日常巡查中发现的较大安全事故隐患是否下发书面指令;( ) 是否监督施工单位执行书面指令,是否对整改情况进行复核确认;( ) 7 安全监理台账和日志 ▲是否建立施工安全监理台账 台账是否经总监或驻地监理工程师定期检查;( ) 是否有安全监理日志;( ) 注:“▲”为强制抽查项目,下同。 工程施工安全检查用表(施工单位内业专用) 项目名称: 标 段 号: 施工单位: 检查时间: 序号 抽查强制项 主要检查内容 存在问题 1 安全 保障 体系 ▲是否制定安全生产管理制度;( ) 是否按照管理制度开展工作,是否建立工程项目安全生产管理体系,是否未落实相关岗位职责;( ) 是否成立专职安全管理机构,是否按比例配备专职安全员,“三类人员”是否取得“安全生产考核合格证书”;( ) 是否取得有效的施工企业安全生产许可证;( ) 是否逐级签订安全生产责任书;( ) 是否定期召开安全例会;( ) 2 安全 管理 台账 ▲是否建立安全管理台账并进行动态管理;( ) 是否及时更新安全管理台账;( ) 3 安全 培训 计划 ▲是否制定年度安全培训计划;( ) 是否按照计划内容开展对专业技术管理人员的培训;( ) 是否开展三级教育,是否安全计划内容开展对一线施工人员的上岗或转岗前培训和安全生产技术交底;( ) 4 安全 生产 费用 ▲是否制定安全生产费用支付管理制度,或安全生产费用被挪用;( ) 是否建立安全生产费用使用台帐,台账是否清析,有无支出凭证;( ) 安全生产费用是否被挪用;( ) 5 机械 设备 管理 ▲特种设备是否经有关部门检验,是否组织专家验收,是否备案;( ) 有无特种设备施工检查、维修、保养、使用台账,是否按照“一机一档”原则建立特种设备管理档案;( ) 起重设备吊装有无试吊记录;( ) 6 特种 作业 人员 持证 ▲是否建立特种作业人员花名册且并附相关资格证书;( ) 特种作业人员有无资格证书,资格证书是否失效;( ) 有无特种作业人员到岗、离岗记录;( ) 7 专项 方案 ▲是否对危险性较大工程制定专项施工方案;( ) 超过一定规模的危险较大工程专项方案有无组织专家论证;( ) 专项施工方案评审是否符合要求;( ) 8 临时 用电 方案 ▲是否按规定制定临时用电方案;( ) 有无进行严格计算,并附用电平面布置图;( ) 方案有无针对性不强或不可操作,有无巡视维修保养记录;( ) 9 消防 安全 管理 ▲有无消防安全管理制度;( ) 有无消防器材台账及消防设施布设图;( ) 是否确定消防安全责任人;( ) 10 “平安工地” 建设 活动 ▲有无开展“平安工地”建设活动( )(公共建筑可参考) 有无按照佛交[2013]518号文开展“平安工地”建设活动,拟定“平安工地”建设活动实施方案;( )(公共建筑可参考) 有无开展“平安工地”考核评价工作;( ) 11 重大 危险源 预控 ▲是否对本项目开展危险源识别评估,是否建立重大危险源登记建档,是否开展桥隧工程风险评估工作;( ) 是否正确进行重大危险源识别;对重大危险源进行实施管理,高级以上风险是否开展风险控制;( ) 有无书面告知从业人员和相关人员作业环境风险,或是否告知紧急情况下采取应急措施;( ) 12 防台风、暴雨及重大节假日 ▲是否成立防台风、暴雨及重大节假日领导小组,安排人员值班;( ) 雨季、台风季节是否做好的各项技术准备工作和相应的物资准备,随时注意气象预报;( ) 台风来临前由项目部有无组织安全检查;( ) 13 其他 是否存在违反法定建设程序和违法分包、转包、挂靠等行为;( ) 工程施工安全检查用表(施工单位外业专用) 项目名称: 标 段 号: 施工单位: 检查时间: 序号 抽查强制项 主要检查内容 存在问题 1 现场 布置 ▲办公、拌合、预制、施工作业区域是否设置齐全工程概况牌、管理人员名单及监督电话牌、风险告知牌、安全须知及文明施工牌、安全标志牌、施工场地布设图;( ) 1.办公、拌合、预制、施工作业区是否按照要求做好布设,有无设置各类围挡,场内交通是否组织不当;( ) 2.办公、拌合、预制、施工作业区是否按规定配置消防灭火器材,未按规定设置消防通道;( ) 3.拌合、预制、施工作业区域有无设置必要的警示标志及操作规程; ( ) 2 安全 防护 ▲临边、临水、洞口、陡壁等危险作业区域有无防护、警示标志;( ) 1.临边、临水、洞口、陡壁等危险作业区域防护是否符合规定,警示标志是否按要求悬挂; ( ) 2.危险品存放、使用、管理等是否符合规定; ( ) 3.个人安全防护是否符合规定; ( ) 3 临时用电 ▲临时用电是否对应用电方案实施,采用TN-S接地接零保护系统,是否符合“三级配电、两级保护”要求;( ) 1.外电防护是否小于安全距离,线路过道有无保护;( ) 2.配电箱开关箱是否违反“一机、一闸、一漏、一箱”,动力与照明线路分配是否得当,箱体内开关,漏电保护装置安装使用是否正确;( ) 3.电闸箱无门、无锁、无防雨措施,电线老化、破皮未包扎;( ) 4.工作接地与重复接地是否符合要求,保护零线与工作零线混接,有无设置PE线;( ) 4 起重设备 ▲起重设施有无验收合格证书或未经验收使用,是否悬挂在起重设备上,司机有无持证上岗,是否违反“十不准”进行作业;( ) 1.多台起重机作业是否有效防撞,有无正在作业的起重臂下站人,大型构件空中停留操作人员有无离开,有无信号传递;( ) 2.轨道式起重机有无有效限位或保险装置,绳索、吊具、夹具是否存在缺陷;( ) 3.设备基础是否稳固,轨道是否顺直,是否正确安装道钉或当块,有无作业时不使用夹轨钳;( ) 4.司机室是否简陋,有无防风 防雨 防晒的,直梯、斜梯设置是否规范;( ) 5 垂直升降设备 ▲垂直升降设备有无验收合格证书、是否经验收使用,有无悬挂在设备上,司机是否持证上岗;( ) 1.架体附着装置是否稳定牢固,设备承载是否超过额定承载重量,联络工具或联络是否畅通;( ) 2.吊笼出入口是否设置设防护棚及防护通道;( ) 6 常用机具 ▲是否在单个机具旁悬挂操作规程,有无机械安全负责人标志牌及相关警告标志;( ) 1.机具用电是否按“一机一闸一保护”安装,有无做接零(接地)保护和漏电保护器,设备工作完毕时有无拉闸断电,外露传动部位有无安全防护罩,露天设备有无防雨设施; ( ) 2.I类手持电动工具有无保护接零,接线随意拉长,或随意更换插头,是否穿戴绝缘用品;( ) 3.乙炔瓶、氧气瓶是否年审,有无防晒、回火装置,之间安全距离是否小于5m,乙炔瓶、氧气瓶与明火之间安全距离是否小于10m;( ) 4.电焊机有无二次空载降压保护器,焊把线接头不超过3处,长度不超过30m且未穿管保护,电源未使用自动开关,工作人员未做好安全防护;( ) 7 作业设备 ▲有关作业设备是否制定相关方案及操作规程,或有无技术交底;( ) 1.打桩或钻机设备基础是否稳固,与外电安全距离不足;打桩设备有无超高限位装置,吊钩,或卷扬机滚桶有安去保险装置,作业人员远离机械,未停止作业时桩锤落稳; ( ) 2.钢筋机械冷拉或对焊是否设立警戒区及警告标志,机械传动部位有无防护措施; () 3.预应力张拉设备是否按规定采取安全防护措施,千斤顶的对面及后面有无防护; ( ) 4.部分自卸车、压路机、平地机等场内车辆制定装置是否灵敏,司机有无证驾驶; ( ) 8 拌合设备 ▲拌合炉或搅拌机是否按“一机一闸一保护”安装,是否做接零(接地)保护和漏电保护器,有无操作指示牌;( ) 1.拌合炉受当地气象影响大,部分较高设备是否合理设置缆风绳;( ) 2.搅拌机离合器、制动器、钢丝绳是否达到要求,操作手柄有无保险装置,传动装置有无防护罩;( ) 3.搅拌机操作平台是否稳固,有无防雨措施;( ) 9 模板、支架及脚手架 ▲大型模板、支架和脚手架有无安装与拆除专项方案或不符;( ) 1.支架搭设后是否经预压而投入使用; ( ) 2.支架立杆基础有无不平、不实或缺少底座或垫木,脚手架是否按规定正确设立剪刀撑,脚手架10m以上有无设置缆风绳; ( ) 3.作业平台脚手板不铺满或存在翘头板,有无专设通道或爬梯,脚手架外侧是否设置密目式安全网; ( ) 4.大型模板存放有无垫石,存放是否整齐,过高,有无防倾倒措施; ( ) 10 高处作业 ▲是否制定高处作业专项方案及应急预案;( ) 1. 有无作业人员上下专用爬梯;2m以上高处作业平台立足点,人员安全带有无牢靠悬挂点;( ) 2.高处作业平台有无临边防护,是否设置止落板,下方是否设置防落网,平台脚手板是否满铺;( ) 11 基坑作业 ▲深大基坑有无专项施工方案,基坑边坡是否符合安全要求,超过5m基坑有无专项支护设计;( ) 1、基坑开挖前是否严格执行深基坑开挖条件验收制度(佛交监质[2013]21号);( ) 2.基坑深2m以上是否采取临时防护,坑边堆物小于安全距离,基坑支护是否按规定观测;( ) 3.基坑是否按规定采取排降水措施,基坑边坡有无进行变形监测,支护设施产生变形是否采取措施;( ) 4.基坑是否设警示标志及防护设施,基坑是否设置上下通道或通道设置是否符合要求;( ) 5.有人员进入挖土机作业半径,挖土机作业位置有无不稳,不安全,是否按规定开挖;( ) 12 水上、水下作业 ▲是否经海事部门审批并发布《航行通告》,有无水上水下作业许可证,租用“三无”船舶,有无水上作业专项方案;( )   1.风力超过船舶核定抗风等级有无仍继续作业;( ) 2.施工船的牵牛缆、摆动缆活动范围内是否设置安全标志,有无人值守、是否有人逗留,船舶消防、救生设施是否完善,安全装置有无损坏;( ) 3.水上各类作业平台或人行通道有无安全防护设施,是否符合搭设要求;( ) 4.潜水员有无证上岗,潜水员是否按规程正确下潜,值班人员脱岗;( ) 5.潜水员水下安装、电焊、切割、爆破时,是否执行安全操作规程;( ) 13 路基路面及高边坡工程(交通市政工程) ▲不良地质条件下高边坡或滑坡施工是否制定专项方案; ( )   1.高边坡作业中存在立体交叉作业或靠近交通要道作业时,有无设置隔离措施;( ) 2.高陡边坡作业时是否正确搭设支架或脚手架,或进行有效防护的,是否存在危石未及时清除; ( ) 3.爆破施工时,是否按方案设置炮眼,施工人员违规操作进行装爆,引爆,有无设置安全区; ( ) 4.开挖或装运作业是否存在碰撞隐患,施工人员有无存在开挖“神仙土”现象,开挖边沟时是否进行及时支护;( ) 5.基层及路面工程施工过程中有无合理调配平地机、推土机、压路机、装载机、摊铺机等机械车辆;( )   14 桥梁施工 ▲1.桥梁施工中危险性较大工程的作业是否制定专项方案,是否执行专项方案;( )   2.人工挖孔桩孔壁有无进行防护,是否设置高出地面围栏,桩孔边沿有无堆物,人工挖孔是否按规定采用机械通风; ( ) 3.桥梁墩柱施工未按规定搭设支架;( ) 4.梁板安装跨公路、铁路桥梁施工时有无设岗哨管理,有无设置防护措施;( ) 15 特殊桥梁施工 1.悬索桥、斜拉桥的塔、立柱施工过程中是否按规定设置施工电梯;( )   2.悬索桥施工中临时工作索、牵引索、防护围栏设置是否符合规定;( ) 16 隧道施工作业环境 ▲1.隧道二衬距离掌子面有无超出设计值;( )   2.隧道洞口有无登记记录、交接班记录,是否及时进行初期支护;( ) 3.隧道内作业环境条件是否符合作业标准,有无安装通风设备,风机是否开启;( ) 4.潮湿作业现场照明有无使用36v及以下安全电压;( ) 17 雨季、台风季节施工 1.塔吊、施工电梯、井架等施工机械是否采取加固措施。塔吊吊钩是否收到最高位置,吊臂是否处于自由旋转状态;( )   2工程作业面和脚手架上的各种材料是否堆放、绑扎固定,以防止被风吹落伤人;( )  3.是否做好工地现场围墙和工人宿舍生活区安全检查,疏通排水沟,保证现场排水畅通;( ) 4.台风、暴雨后,是否进行安全检查,重点是施工用电、临时设施、脚手架、大型机械设备;( )
展开阅读全文

开通  VIP会员、SVIP会员  优惠大
下载10份以上建议开通VIP会员
下载20份以上建议开通SVIP会员


开通VIP      成为共赢上传

当前位置:首页 > 环境建筑 > 工程监理

移动网页_全站_页脚广告1

关于我们      便捷服务       自信AI       AI导航        抽奖活动

©2010-2026 宁波自信网络信息技术有限公司  版权所有

客服电话:0574-28810668  投诉电话:18658249818

gongan.png浙公网安备33021202000488号   

icp.png浙ICP备2021020529号-1  |  浙B2-20240490  

关注我们 :微信公众号    抖音    微博    LOFTER 

客服