收藏 分销(赏)

脚蹬式吊篮验收表.doc

上传人:仙人****88 文档编号:8518022 上传时间:2025-02-16 格式:DOC 页数:2 大小:16.77KB 下载积分:10 金币
下载 相关 举报
脚蹬式吊篮验收表.doc_第1页
第1页 / 共2页
脚蹬式吊篮验收表.doc_第2页
第2页 / 共2页
本文档共2页,全文阅读请下载到手机保存,查看更方便
资源描述
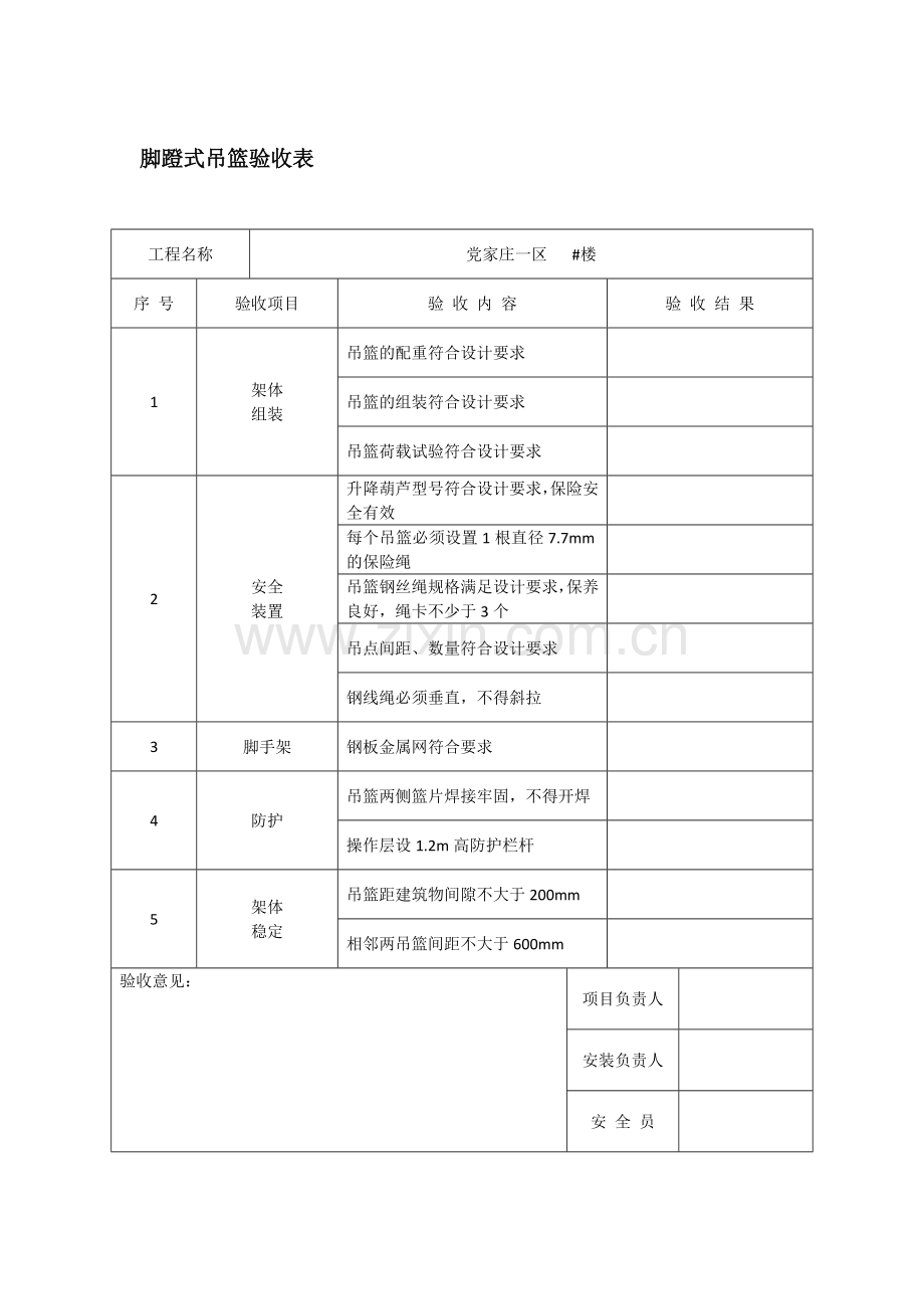
脚蹬式吊篮验收表 工程名称 党家庄一区 #楼 序 号 验收项目 验 收 内 容 验 收 结 果 1 架体 组装 吊篮的配重符合设计要求 吊篮的组装符合设计要求 吊篮荷载试验符合设计要求 2 安全 装置 升降葫芦型号符合设计要求,保险安全有效 每个吊篮必须设置1根直径7.7mm的保险绳 吊篮钢丝绳规格满足设计要求,保养良好,绳卡不少于3个 吊点间距、数量符合设计要求 钢线绳必须垂直,不得斜拉 3 脚手架 钢板金属网符合要求 4 防护 吊篮两侧篮片焊接牢固,不得开焊 操作层设1.2m高防护栏杆 5 架体 稳定 吊篮距建筑物间隙不大于200mm 相邻两吊篮间距不大于600mm 验收意见: 年 月 日 项目负责人 安装负责人 安 全 员 监理单位
展开阅读全文

开通  VIP会员、SVIP会员  优惠大
下载10份以上建议开通VIP会员
下载20份以上建议开通SVIP会员


开通VIP      成为共赢上传

当前位置:首页 > 教育专区 > 小学其他

移动网页_全站_页脚广告1

关于我们      便捷服务       自信AI       AI导航        抽奖活动

©2010-2025 宁波自信网络信息技术有限公司  版权所有

客服电话:0574-28810668  投诉电话:18658249818

gongan.png浙公网安备33021202000488号   

icp.png浙ICP备2021020529号-1  |  浙B2-20240490  

关注我们 :微信公众号    抖音    微博    LOFTER 

客服